Page 129 of 200

Central Locking: Non Double Locking
Jaguar S-TYPE 2005
Central Locking: Non Double Locking
Fig. 12.2
13 4114
46 80
76 77 92
ll
15 45ll ll SS
81 118EE
Fig .01.1
Fig .01 .2 F
ig .01.3
Fig .01 .4
Fig . 01.5 F
ig . 01.6 F
ig .01 .7
Input
OutputI
O
B
P+Battery VoltagePower Ground Sensor/Signal Supply V
Sensor/Signal Ground Serial and Encoded Data
CAN
+
SCPC
S DD
–
D2B Network2
f12_2_200045
SS
FH59-1 FH59-7
U Y
SS
CA85-4 CA85-3
20.220.220.220.2
U Y
BW WG
NW
BW B
NG
FH59-6
86
B
87
FH60-11
B
P
FH77
U
CA102-1
Y
CA101-3
N
SS
CA156CA102-12
B
B
BO
BG
CA103-16
I
CA101-17
I
CA31-8
I
CA81-6
CA154
CA141
B
B
DT8-3
BW
PT3-6
DT5-6
DTS2
B
CA50
(CA30)
CA30
(CA50)B
PT1-7
B
NR
FH60-1
S6078
WG
CA85-11B
CA30
(CA50)
CA85-8
BG
CA24-15
I
YU
PT3-2
WG
PT3-10
BG
PT3-1
BG
PT3-8
DT5-2DT5-10
BG
DT5-1
BW
DT5-8DT5-7DT5-5
B
CA81-2CA81-10
YR
CA90-2
WU
CA90-10
CA103-5
CA103-6
CA101-19
DT2-8
DT2-9
CA85-2
DT2-16
DT2-17
IIIOO
DT8-13 CAS3
BR
BR YB
WU
BG
BW
IOO
Y
W
CAS32
CAS1
YU
WG
BG
OO
CA103-4
CA103-7
YG
WBN
CA103-13
S80
CA7-2CA7-1B
BP
B
CA85-7
BBP
SCP
NR
CA85-12
BB
S55
PTS1B
B
WB
CA156
I
CA102-14
FC113-8B BR
FC38
FC119-4B
BR
I
CA100-9
FC39-3
PT1-8
BGB
FC38
FC33-16
BW
FCS4
BG
BW
BW
WG WG
CA24-4
I
620R 1K5
B
W
BW
S62
WU
3
15
2
R8
4
CA26-4
CA156
S72
O
CA103-10
O
VALET SWITCHTRUNK RELEASE SWITCH
FUEL FLAP
RELEASE SWITCH
FUEL FLAP AND TRUNK RELEASE
SWITCH PACK
EXTERNAL TRUNK RELEASE SWITCHLOCK/UNLOCK
STATUS SWITCH
DOOR AJAR SWITCH
ALARM SET/ LOCK SWITCH
ALARM RESET/
UNLOCK SWITCH
DRIVER DOOR LATCH ASSEMBLY
DRIVER DOOR MODULE
REMOTE
LOCK / UNLOCK
NOTE:
Automatic transmission vehicles use the CAN / SCP J gate gear selector position message for
”drive away” locking control. Refer to Fig. 04.1
GLOBAL CLOSE SWITCH
CENTER CONSOLE SWITCH PACK
LOCK/UNLOCK
STATUS SWITCH
DOOR AJAR SWITCH
PASSENGER DOOR LATCH ASSEMBLY
RH REAR DOOR LATCH ASSEMBLYLH REAR DOOR LATCH ASSEMBLY
TRUNK AJAR SWITCH
FUEL FLAP RELAY
REAR POWER DISTRIBUTION FUSE BOX FUEL FLAP RELEASE
SOLENOID
TRUNK RELEASE SOLENOID
REAR ELECTRONIC MODULE
LOGIC
FRONT ELECTRONIC MODULE
FC121-3 VS1-1
VS1-4
FC121-4 FC23-4
LOCK; UNLOCK;
SECURITY
CA97-1
CA97-2
FC43-3
FC43-8
FC43-9
FC43-2
FC43-1
FC33-8
CA102-2
FC119-8
PT1-6
PT1-4
PT1-5
20.2
20.2
CA90-6 CA90-8
CA81-8
CA26-2
CA26-3
DT8-7
LOCK UNLOCK
LOCK
UNLOCK LOCK
UNLOCK
DOOR AJAR SWITCH
DOOR AJAR SWITCH
LOGIC
LOGIC
TRUNK LID LATCH ASSEMBLY
VARIANT:
Non Double Locking Vehicles
VIN RANGE: All
DATE OF ISSUE: May 2004
Page 130 of 200

Refer to the front of this book for detailed information and illustrations regarding the location and identification of harnesses, relays, fuses, grounds,
control modules and control module pins.
NOTE: The values listed are approximately those that can be expected at the control module connector pins with all circuit conn
ections made and all
components connected and fitted. The following abbreviations are used to represent values for Control Module Pin-Out data
I Input
O Output
B+ Battery Voltage PG Power Ground
SS Sensor / Signal Supply V
SG Sensor / Signal GroundC CAN Network
S SCP Network
D2 D2B Network D Serial and Encoded Data
V Voltage (DC)
PWM Pulse Width Modulated
CAUTION: The information on this data page is furnished to ai d the user in understanding circuit operation. THIS INFORMATION SH OULD BE USED FOR
REFERENCE ONLY.DATE OF ISSUE: May 2004
Fig. 12.3
FOR CONTROL MODULE PIN-OUT INFORMATION, UNFOLD PAGE TO LEFT. COMPONENTS
Component Connector(s) Connector Description LocationACTIVE SECURITY SOUNDER AT4 3-WAY / BLACK ENGINE COMPARTMENT, REARWARD OF RH HEADLAMP UNIT
AUDIO UNIT FC94 20-WAY / BLACK CENTER CONSOLE
FC96 ANTENNA CONNECTOR
FC108 FIBER OPTIC CONNECTOR
DOOR LATCH ASSEMBLY – DRIVER DT5 10-WAY / BLACK DRIVER DOOR
DOOR LATCH ASSEMBLY – LH REAR CA81 10-WAY / BLACK LH REAR DOOR
DOOR LATCH ASSEMBLY – PASSENGER PT3 10-WAY / BLACK PASSENGER DOOR
DOOR LATCH ASSEMBLY – RH REAR CA90 10-WAY / BLACK RH REAR DOOR
DRIVER DOOR MODULE CA85 12-WAY / BLACK DRIVER DOOR
DD4 26-WAY / NATURAL
DT2 20-WAY / BLACK
FRONT ELECTRONIC MODULE CA24 26-WAY / NATURAL LH ‘A’ POST
CA31 20-WAY / BLACK
FH9 22-WAY / BLACK
FH59 12-WAY / BLACK
FH60 17-WAY / BLACK
FRONT POWER DISTRIBUTION FUSE BOX — — ENGINE COMPARTMENT, RH SIDE
HOOD AJAR SWITCH FH21 2-WAY / BLACK ENGINE COMPARTMENT, ADJACENT TO RH SUSPENSION TURRET
HORN RELAY — — FRONT POWER DISTRIBUTION FUSE BOX – R12
HORNS FH29 2-WAY / BLACK FORWARD OF RADIATOR
IGNITION SWITCH FC18 7-WAY / BLACK STEERING COLUMN COWLING
INCLINATION SENSOR CA173 4-WAY / GREY LUGGAGE COMPARTMENT, LH REAR
INSTRUMENT CLUSTER FC8 32-WAY / BLACK INSTRUMENT PANEL
FC9 32-WAY / BLACK
PASSIVE ANTI-THEFT SYSTEM TRANSCEIVER FC52 4-WAY / GREEN STEERING COLUMN, IGNITION SWITCH
PASSIVE SECURITY SOUNDER AT2 1-WAY / BLACK ENGINE COMPARTMENT, REARWARD OF RH HEADLAMP UNIT
AT3 1-WAY / BLACK
REAR ELECTRONIC MODULE CA63 17-WAY / BLACK LUGGAGE COMPARTMENT, RH REAR CA100 12-WAY / BLACK
CA101 20-WAY / BLACK
CA102 22-WAY / BLACK
CA103 26-WAY / NATURAL
REMOTE KEYLESS ENTRY MODULE CA303 4-WAY / BLACK UNDER CENTER CONSOLE
ROOF CONSOLE CA250 22-WAY / BLACK ROOF HEADLINER
SECURITY INDICATOR SL1 6-WAY / BLACK INSTRUMENT PANEL GLARE SHIELD, FRONT CENTER
STEERING COLUMN LOCK MODULE FC59 4-WAY / BLACK ADJACENT TO STEERING COLUMN LOCK
TRUNK LID LATCH ASSEMBLY CA26 4-WAY / BLACK LUGGAGE COMPARTMENT LIDHARNESS IN-LINE CONNECTORS
Connector Connector Description / Location LocationDT8 14-WAY / GREY / CABIN HARNESS TO DRIVER DOOR TRIM HARNESS DRIVER DOOR
DT10 10-WAY / GREY / CABIN HARNESS TO DRIVER DOOR TRIM HARNESS DRIVER DOOR
FC4 14-WAY / GREEN / FASCIA HARNESS IN-LINE CONNECTOR BEHIND INSTRUMENT PANEL, LH SIDE
FC23 10-WAY / GREY / CABIN HARNESS TO FASCIA HARNESS BEHIND INSTRUMENT PANEL, LH SIDE
FC39 10-WAY / GREY / CABIN HARNESS TO FASCIA HARNESS BEHIND INSTRUMENT PANEL, RH SIDE
FH6 16-WAY GREEN / CABIN HARNESS TO FRONT HARNESS LH ‘A’ POST, ADJACENT TO FEM
FH89 4-WAY / GREY / FRONT HARNESS TO ALARM LINK ADJACENT TO FRONT POWER DISTRIBUTION FUSE BOX
PT1 14-WAY / GREY / CABIN HARNESS TO PASSENGER DOOR TRIM HARNESS PASSENGER DOOR
SL3 10-WAY / GREY / FASCIA HARNESS TO SOLAR SENSOR LINK BEHIND INSTRUMENT PANEL, RH SIDEGROUNDS
Ground LocationCA30 LH LOWER ‘A’ POST, ADJACENT TO THE FRONT ELECTRONIC MODULE (REARWARD OF FH77)
CA50 RH LOWER ‘A’ POST, BELOW PRIMARY JUNCTION FUSE BOX
CA141 UNDER LH FRONT SEAT
CA154 UNDER RH FRONT SEAT
CA156 LUGGAGE COMPARTMENT, RH SIDE
CA158 LUGGAGE COMPARTMENT, LH SIDE REAR CORNER
FC38 UNDER CENTER OF INSTRUMENT PANEL, ON TRANSMISSION TUNNEL
FH22 ENGINE COMPARTMENT, BEHIND LH HEADLAMP
FH42 ENGINE COMPARTMENT, BEHIND RH HEADLAMP
FH77 LH LOWER ‘A’ POST, ADJACENT TO THE FRONT ELECTRONIC MODULE (FORWARD OF CA30)
NOTE: Refer to the Appendix at the rear of this book for Network Messages. Audio Unit Pin Description and CharacteristicO FC94–8 SECURITY SYSTEM GROUND SENSING: GROUND WHEN AUDIO UNIT INSTALLEDDriver Door ModulePin Description and CharacteristicI CA85–2 LOCK / UNLOCK STATUS SWITCH (NORMALLY OPEN): OPEN CIRCUIT / GROUND
S CA85–3 SCP +
S CA85–4 SCP –
PG CA85–8 POWER GROUND: GROUND
PG CA85–9 REMOTE KEYLESS ENTRY MODULE GROUND: GROUND
I CA85–10 DOUBLE LOCK STATUS SWITCH (N ORMALLY OPEN): OPEN CIRCUIT / GROUND
B+ CA85–11 BATTERY POWER SUPPLY: B+
B+ CA85–12 SWITCHED SYSTEM POWER SUPPLY: B+
O DT2–6 REMOTE KEYLESS ENTRY MODULE POWER SUPPLY: B+
O DT2–8 LOCK DRIVE: TO ACTIVATE, DDM SWITCHES CIRCUIT TO B+
O DT2–9 UNLOCK DRIVE: TO ACTIVATE, DDM SWITCHES CIRCUIT TO B+
O DT2–10 DOUBLE LOCK DRIVE: TO ACTIVATE, DDM SWITCHES CIRCUIT TO B+
D DT2–13 REMOTE KEYLESS ENTRY MODULE SIGNAL: ENCODED COMMUNICATIONS
I DT2–16 DRIVER DOOR ALARM SET / LOCK SWITCH (NORMALLY OPEN): OPEN CIRCUIT / GROUND
I DT2–17 DRIVER DOOR ALARM RESET / UNLOCK SWITCH (NORMALLY OPEN): OPEN CIRCUIT / GROUND
D DT2–18 REMOTE KEYLESS ENTRY MODULE SIGNAL: ENCODED COMMUNICATIONSFront Electronic Module
Pin Description and CharacteristicI CA24–15 PASSENGER DOOR AJAR SWITCH (NORMALLY OPEN): OPEN CIRCUIT / GROUND
I CA31–3 IGNITION SWITCHED VOLTAGE SIGNAL (II): B+
I CA31–5 REM SECURITY GROUND SENSE: OPEN CIRCUIT IF REM REMOVED
I CA31–7 AUDIO UNIT SECURITY GROUND SENSE: OPEN CIRCUIT IF AUDIO UNIT REMOVED
I CA31–8 DRIVER DOOR AJAR SWITCH (NORMALLY OPEN): OPEN CIRCUIT / GROUND
I CA31–18 INTRUSION AND INCLINATION SENSORS SIGNAL: GROUND (PULSED)
O FH9–16 INTRUSION AND INCLINATION SENSORS SUPPLY VOLTAGE: B+
S FH59–1 SCP –
I FH59–3 HOOD AJAR SWITCH (NORMALLY OPEN): OPEN CIRCUIT / GROUND
B+ FH59–6 BATTERY POWER SUPPLY (LOGIC): B+
S FH59–7 SCP +
O FH59–8 HORN RELAY ACTIVATE: TO ACTIVATE, FEM SWITCHES CIRCUIT TO GROUND
B+ FH60–1 SWITCHED SYSTEM POWER SUPPLY: B+
O FH60–3 ACTIVE SECURITY SOUNDER ACTIVATE: ENCODED COMMUNICATION
O FH60–4 RH FRONT TURN SIGNAL ACTIVATE: TO ACTIVATE, FEM SWITCHES CIRCUIT TO GROUND (PULSED)
O FH60–5 LH FRONT TURN SIGNAL ACTIVATE: TO ACTIVATE, FEM SWITCHES CIRCUIT TO GROUND (PULSED)
PG FH60–6 STEERING COLUMN LOCK CONTROL MODULE POWER GROUND SUPPLY: GROUND
PG FH60–11 POWER GROUND: GROUND
O FH60–16 PASSIVE SECURITY SOUNDER ACTIVATE: TO ACTIVATE, FEM SWITCHES CIRCUIT TO B+Instrument Cluster
Pin Description and CharacteristicO FC8–1 SECURITY INDICATOR DRIVE: ACTIVE = PULSED GROUND
PG FC8–2 POWER GROUND: GROUND
I FC8–5 KEY-IN AUDIBLE WARNING: B+ WHEN KEY IN
B+ FC8–14 IGNITION SWITCHED POWER SUPPLY (II): B+
B+ FC8–15 BATTERY POWER SUPPLY (LOGIC): B+
SG FC8–32 SIGNAL GROUND: GROUND
D FC9–16 PATS TRANSCEIVER: ENCODED COMMUNICATION
S FC9–25 SCP +
S FC9–26 SCP –
C FC9–28 CAN +
C FC9–29 CAN –
I FC9–31 PATS GROUND: GROUND
D FC9–32 PATS TRANSCEIVER: ENCODED COMMUNICATIONRear Electronic ModulePin Description and CharacteristicO CA63–3 LH REAR TURN SIGNAL ACTIVATE: TO ACTIVATE, REM SWITCHES CIRCUIT TO GROUND (PULSED)
O CA63–4 RH REAR TURN SIGNAL ACTIVATE: TO ACTIVATE, REM SWITCHES CIRCUIT TO GROUND (PULSED)
O CA100–1 STEERING COLUMN LOCK CONTROL MODULE SUPPLY VOLTAGE: B+
B+ CA101–3 BATTERY POWER SUPPLY: B+
O CA101–5 REM SECURITY GROUND SENSE: OPEN CIRCUIT IF REM REMOVED
I CA101–17 LHD – RH REAR DOOR AJAR SWITCH (NORMALLY OPEN): OPEN CIRCUIT / GROUND RHD – LH REAR DOOR AJAR SWITCH (NORMALLY OPEN): OPEN CIRCUIT / GROUND
S CA102–1 SCP +
S CA102–2 SCP –
PG CA102–12 POWER GROUND: GROUND
I CA102–14 TRUNK AJAR SWITCH (NORMALLY OPEN): OPEN CIRCUIT / GROUND
B+ CA103–13 SWITCHED SYSTEM POWER SUPPLY: B+
I CA103–16 LHD – LH REAR DOOR AJAR SWITCH (NORMALLY OPEN): OPEN CIRCUIT / GROUND RHD – RH REAR DOOR AJAR SWITCH (NORMALLY OPEN): OPEN CIRCUIT / GROUND
Page 131 of 200

Security System
Jaguar S-TYPE 2005
Security System
Fig. 12.3
13 4114
46 80
76 77 92
ll
15 45ll ll SS
81 118EE
Fig .01.1
Fig .01 .2 F
ig .01.3
Fig .01 .4
Fig . 01.5 F
ig . 01.6 F
ig .01 .7
Input
OutputI
O
B
P+Battery VoltagePower Ground Sensor/Signal Supply V
Sensor/Signal Ground Serial and Encoded Data
CAN
+
SCPC
S DD
–
D2B Network2
f12_3_200045
U Y
20.220.2
CA102-1
CA102-2
SS
SL3-9
NGWG
B
8535II
P
B
FC18-5
FC18-4
NR
WR
FC52-3
YR
FC52-4FC52-2
FC52-1
NG
DDO
WU
I
BG
S56
B
7
B
FC38
PATS
G Y
20.120.1
CC
20.120.1
SL1-4
GW
O
SL1-3
NR
GW
80
SS
CA85-4 CA85-3
20.220.2
U Y
DT2-10
B
DT8-3
DT5-6 DTS2
B
(CA50)
B
78
WG
CA85-11B
CA30
(CA50)
CA85-8
DT5-4DT5-2DT5-10
BO
DT5-3
BG
DT5-1
BW
DT5-8DT5-7DT5-5
DT2-8
DT2-9
CA85-10
CA85-2
DT2-16
DT2-17
IIIIOOO
DT8-13 CAS3
DT10-4
BO
BR
BR Y
YB
WU
BG
BW
CA303-4
DT2-6
DT10-8
Y
Y
CA303-2
DT2-13
DT10-9
W
W
CA303-1
DT2-18
DT10-10
GW
GW
CA303-3
CA85-9
BO
ODD
BP
PP
NR
CA85-12
BB
S55
BG
12.1
12.2
CA101-3N
CA156 CA102-12
BNCA103-13
BBP
BWB
CA156
B
BO BG
CA90-8
CA90-6
CA81-8
CA81-6
CA154
CA141
B
III
CA102-14U Y
20.220.2
FC59-4
FC59-3
SS
YG
FC59-2
BG
FC59-1
S8087
BP
YG
O
CA100-1
SS
U Y
20.220.2
I
FH9-16
Y
I
BG
BG
FC94-8
YB
CA173-1
NW
CA173-2
BCA158
CA173-3
O
CAS33
FC23-7
86
UY
20.220.2
NG
SS
NR
S60
BB
BW
FH21-1
FH21-2
FH22
I
FH59-3
B
PT3-6
CA50
(CA30)
PT1-7
B
BG
PT3-8
PT1-8
BG
I
CA24-15
SCP
B
CAS64
O
Y
FH6-5
CA31-18
N
IP
FH60-6
FC4-2
B
BW BW
CA31-8
NR
NR
AT4-3
FH59-8
B
FH42
OOO
WG
AT4-2
AT4-1
FH60-3 FH60-16
YB
AT2-1
6162
FH29-1FH29-2
B
FH42
NR
NR NR
AT3-1
FH89-2
FH89-4
B
YB
B
FH42
CA250-1
CA50B
B
P
DO
NR
Y
20.2
W
CA250-6 CA250-7 CA250-8
I
N
CA31-5
O
CA101-5
FH89-1
FH89-3
FH89-4
NR
B
WG
79
52
31
R12
4
CA63-3
O
BW
CA63-4
O
BG
08.308.3
O
BW
O
BW
FH77
FH60-11
B
P
08.1
08.2
08.1
08.2
WU
CA31-3
45II
I
B
PTS1
LOGIC
FC8-15
FC9-25FC9-26
FC8-14
FC8-1
FC8-32FC8-2
FC9-28
FC9-29
FC8-5
FC9-32
FC9-16 FC9-31
CA26-3 CA26-2
NOTE:ECM/PCM power supplies and
grounds shown on Figures 03.1, 3.3, 3.5
and 3.7.
KEY-IN
PASSIVE ANTI-THEFT
SYSTEM TRANSCEIVER
TRUNK RELEASE;
VALET SWITCH
DOUBLE LOCK
STATUS SWITCH
LOCK / UNLOCK
STATUS SWITCH
ALARM SET /
LOCK SWITCH
ALARM RESET /
UNLOCK SWITCHDRIVER DOOR LATCH
ASSEMBLY
DT8-7
CA30
REMOTE KEYLESSENTRY MODULE
DRIVER DOOR MODULE
REMOTE
SECURITY
DOUBLE
LOCK
SECURITY INDICATOR
INTRUSION SENSORROOF CONSOLE
SERIAL COMMUNICATION
FH59-7
FH59-1
INCLINATION SENSOR
CA31-7
AUDIO UNIT
STEERING COLUMN LOCK
MODULE
FC39-4
CA101-17 (LHD)
CA103-16 (RHD)
DOOR AJAR SWITCH
DOOR AJAR SWITCH
TRUNK AJAR SWITCH
RH REAR DOOR LATCH ASSEMBLY
LH REAR DOOR LATCH ASSEMBLY
CA103-16 (LHD)
CA101-17 (RHD)
REAR ELECTRONIC MODULE PASSENGER DOOR LATCH
ASSEMBLY
DOOR AJAR SWITCH
HOOD AJAR SWITCH
FRONT ELECTRONIC MODULE
NOTE:Check market specification for fitment
of the following security system components:
• Remote Keyless Entry Module
• Steering Column Lock Module
• Inclination Sensor
• Intrusion Sensor
• Passive Security Sounder
• Active Security Sounder
ACTIVE SECURITY SOUNDER
PASSIVE SECURITY
SOUNDER
FRONT POWER DISTRIBUTION FUSE BOX
HORN RELAY
FH59-6
FH60-1
FH60-5
FH60-4
IGNITION
ANTI-THEFT
SECURITY
GROUND
SENSING
SECURITY
GROUND
SENSING
LOGIC
INSTRUMENT CLUSTER
IGNITION SWITCH
DOOR AJAR SWITCH UNLOCK
LOCK LOCK
REAR TURN SIGNALSLOGIC
HORNS
FRONT TURN SIGNALS
TRUNK LID LATCH ASSEMBLY
ENGINE CONTROL MODULE;
POWERTRAIN CONTROL MODULE
VARIANT: All Vehicles
VIN RANGE: All
DATE OF ISSUE: May 2004
Page 132 of 200

Refer to the front of this book for detailed information and illustrations regarding the location and identification of harnesses, relays, fuses, grounds,
control modules and control module pins.
NOTE: The values listed are approximately those that can be expected at the control module connector pins with all circuit conn
ections made and all
components connected and fitted. The following abbreviations are used to represent values for Control Module Pin-Out data
I Input
O Output
B+ Battery Voltage PG Power Ground
SS Sensor / Signal Supply V
SG Sensor / Signal GroundC CAN Network
S SCP Network
D2 D2B Network D Serial and Encoded Data
V Voltage (DC)
PWM Pulse Width Modulated
CAUTION: The information on this data page is furnished to ai d the user in understanding circuit operation. THIS INFORMATION SH OULD BE USED FOR
REFERENCE ONLY.DATE OF ISSUE: May 2004
Fig. 13.1
FOR CONTROL MODULE PIN-OUT INFORMATION, UNFOLD PAGE TO LEFT. COMPONENTS
Component Connector(s) Connector Description LocationFRONT ELECTRONIC MODULE CA24 26-WAY / NATURAL LH ‘A’ POST
CA31 20-WAY / BLACK
FH9 22-WAY / BLACK
FH59 12-WAY / BLACK
FH60 17-WAY / BLACK
FRONT POWER DISTRIBUTION FUSE BOX — — ENGINE COMPARTMENT, RH SIDE
POWER WASH PUMP FH38 2-WAY / BLACK ENGINE COMPARTMENT, WASHER FLUID TANK
POWER WASH RELAY — — FRONT POWER DISTRIBUTION FUSE BOX – R18
RAIN SENSING MODULE CA248 12-WAY / BLACK LUGGAGE COMPARTMENT, UNDER PARCEL SHELF
RAIN SENSING UNIT RF14 3-WAY / BLACK REAR VIEW MIRROR
WASHER FLUID LEVEL SWITCH FH37 2-WAY / BLACK WASHER FLUID CONTAINER
WINDSHIELD WASHER PUMP FH36 5-WAY / GREEN ENGINE COMPARTMENT, ADJACENT TO WASHER FLUID CONTAINER
WIPE / WASH SWITCH FC118 6-WAY / BLACK STEERING COLUMN STALK
WIPER HIGH / LOW RELAY — — FRONT POWER DISTRIBUTION FUSE BOX – R15
WIPER MOTOR ASSEMBLY FH17 6-WAY / BLACK ENGINE COMPARTMENT, BULKHEAD
WIPER PARK RELAY — — FRONT POWER DISTRIBUTION FUSE BOX – R16HARNESS IN-LINE CONNECTORS
Connector Connector Description / Location LocationFC19 16-WAY / GREEN / CABIN HARNESS TO FASCIA HARNESS BEHIND INSTRUMENT PANEL, LH SIDE
FH1 20-WAY / BLACK / CABIN HARNESS TO FRONT HARNESS RH ‘A’ POST, LOWER
RF34 16-WAY / GREEN / CABIN HARNESS TO DOOR HARNESS ‘D’ POST, UNDER PARCEL SHELFGROUNDS
Ground LocationCA116 BEHIND REAR SEAT BACK, RH SIDE
FH22 ENGINE COMPARTMENT, BEHIND LH HEADLAMP
FH42 ENGINE COMPARTMENT, BEHIND RH HEADLAMP
FH77 LH LOWER ‘A’ POST, ADJACENT TO THE FRONT ELECTRONIC MODULE (FORWARD OF CA30)
NOTE: Refer to the Appendix at the rear of this book for Network Messages. Front Electronic Module Pin Description and CharacteristicI CA31–2 WIPER MODE SELECT: VARIABLE RESISTANCE
I CA31–13 WIPER DELAY / WASH: VARIABLE RESISTANCE
SG CA31–14 WIPE / WASH SWITCH SIGNAL GROUND: GROUND
O FH9–1 WIPER PARK RELAY ACTIVATE: TO ACTIVATE, FEM SWITCHES CIRCUIT TO GROUND
O FH9–3 WIPER HIGH / LOW RELAY ACTIVATE: TO ACTIVATE, FEM SWITCHES CIRCUIT TO GROUND
I FH9–13 WIPER PARK: PARK = GROUND
O FH9–14 WINDSHIELD WASHER PUMP DRIVE: TO ACTIVATE, FEM SWITCHES CIRCUIT TO B+
I FH9–15 WASHER FLUID LEVEL SWITCH (NORMALLY OPEN): OPEN CIRCUIT / GROUND
S FH59–1 SCP –
O FH59–4 POWER WASH RELAY ACTIVATE: TO ACTIVATE, FEM SWITCHES CIRCUIT TO GROUND
S FH59–7 SCP +
B+ FH60–1 SWITCHED SYSTEM POWER SUPPLY: B+
PG FH60–11 POWER GROUND: GROUND
Page 133 of 200

Wash / Wipe System
Jaguar S-TYPE 2005
Wash / Wipe System
Fig. 13.1
13 4114
46 80
76 77 92
ll
15 45ll ll SS
81 118EE
Fig .01.1
Fig .01 .2 F
ig .01.3
Fig .01 .4
Fig . 01.5 F
ig . 01.6 F
ig .01 .7
Input
OutputI
O
B
P+Battery VoltagePower Ground Sensor/Signal Supply V
Sensor/Signal Ground Serial and Encoded Data
CAN
+
SCPC
S DD
–
D2B Network2
f13_1_200045
FH60-11
B
P
FH77
WR
Y
GW
CA248-6 CA248-3
W
CA248-1
FC118-4
FHS16
CA31-2
BWWU
YU
FH36-2
FH36-1
FH17-3
FH17-1
NR
FH22
(FH42)
FH42
FC118-6
FC118-5
WRY
GW
CA31-14
CA31-13
CAS9
CAS10
CAS11
FC19-16 FC19-15 FC19-14
WR
Y
GW
II
CA248-12
Y
GW
WR
O
FH9-14
NW
YG
555354
NG
NR
R
RG
BG
O
FH59-4
O
FH9-1
O
FH9-3
B
FH38-2
FH38-1
FH9-15
FH37-1
FH37-2
B
I
FH59-1
U
FH59-7
Y
20.220.2
SS
BG
I
BG
FH9-13
FH17-2
FH17-5
FH17-4
B
NR
Y
YU
51
52
WB
CA248-11
NR
FH60-1
S60
B
NR NR
NR
261R261R261R1K3562R332R200R121R100R
100R261R261R
261R
261R
RF14-2 RF14-1
YB WB
RF14-3
YB
RF34-12
RF34-13
RF34-14
CA248-8
BG
BCA248-7
YB
CA248-10
YB
CA248-9
PB
24IICA116
1I
32
51
R18
4
32
51
R15
4
32
51
R16
4
56
FH1-17
BG
WIPER
MODE SELECT
WIPER
DELAY/WASH
RAIN SENSING MODULE *
RAIN SENSING UNIT *
* NOTE:
Rain sensing system – rain sensing vehicles only.
WIPE / WASH SWITCH
FLUID LEVEL WARNING;
VEHICLE SPEED
FRONT ELECTRONIC MODULE WIPER HIGH / LOW RELAY
WIPER PARK RELAY
POWER WASH RELAY
FRONT POWER DISTRIBUTION FUSE BOX WASHER FLUID LEVEL SWITCH
WINDSHIELD WASHER PUMPPOWER WASH PUMP
WIPER MOTOR ASSEMBLY
PARK
RUN
LOW SPEED
HIGH SPEED
F21 5A
FH32-18
FH32-27
VARIANT:
All Vehicles
VIN RANGE: All
DATE OF ISSUE: May 2004
Page 134 of 200

Refer to the front of this book for detailed information and illustrations regarding the location and identification of harnesses, relays, fuses, grounds,
control modules and control module pins.
NOTE: The values listed are approximately those that can be expected at the control module connector pins with all circuit conn
ections made and all
components connected and fitted. The following abbreviations are used to represent values for Control Module Pin-Out data
I Input
O Output
B+ Battery Voltage PG Power Ground
SS Sensor / Signal Supply V
SG Sensor / Signal GroundC CAN Network
S SCP Network
D2 D2B Network D Serial and Encoded Data
V Voltage (DC)
PWM Pulse Width Modulated
CAUTION: The information on this data page is furnished to ai d the user in understanding circuit operation. THIS INFORMATION SH OULD BE USED FOR
REFERENCE ONLY.DATE OF ISSUE: May 2004
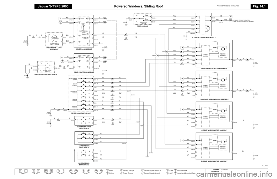
Fig. 14.1
FOR CONTROL MODULE PIN-OUT INFORMATION, UNFOLD PAGE TO LEFT. COMPONENTS
Component Connector(s) Connector Description LocationCENTER CONSOLE SWITCH PACK FC113 8-WAY / BLACK CENTER CONSOLE
FC119 8-WAY / BLACK
DOOR LATCH ASSEMBLY – DRIVER DT5 10-WAY / BLACK DRIVER DOOR
DOOR SWITCH PACK – DRIVER DD2 26-WAY / YELLOW DRIVER DOOR ARM REST
DOOR SWITCH PACK – LH REAR CA78 5-WAY / GREEN LH REAR DOOR ARM REST
DOOR SWITCH PACK – PASSENGER PD1 5-WAY / GREEN PASSENGER DOOR ARM REST
DOOR SWITCH PACK – RH REAR CA95 5-WAY / GREEN RH REAR DOOR ARM REST
DRIVER DOOR MODULE CA85 12-WAY / BLACK DRIVER DOOR DD4 26-WAY / NATURAL
DT2 20-WAY / BLACK
REAR ELECTRONIC MODULE CA63 17-WAY / BLACK LUGGAGE COMPARTMENT, RH REAR
CA100 12-WAY / BLACK
CA101 20-WAY / BLACK
CA102 22-WAY / BLACK
CA103 26-WAY / NATURAL
ROOF CONSOLE CA250 22-WAY / BLACK ROOF HEADLINER
SLIDING ROOF CONTROL MODULE CA253 10-WAY / GREY ABOVE ROOF CONSOLE
WINDOW MOTOR ASSEMBLY – DRIVER DT4 8-WAY / GREY DRIVER DOOR
WINDOW MOTOR ASSEMBLY – LH REAR CA79 8-WAY / GREY LH REAR DOOR
WINDOW MOTOR ASSEMBLY – PASSENGER PT4 8-WAY / GREY PASSENGER DOOR
WINDOW MOTOR ASSEMBLY – RH REAR CA93 8-WAY / GREY RH REAR DOORHARNESS IN-LINE CONNECTORS
Connector Connector Description / Location LocationDD8 16-WAY / BLUE / CABIN HARNESS TO DRIVER DOOR HARNESS DRIVER DOOR
DT8 14-WAY / GREY / CABIN HARNESS TO DRIVER DOOR TRIM HARNESS DRIVER DOOR
FC39 10-WAY / GREY / CABIN HARNESS TO FASCIA HARNESS BEHIND INSTRUMENT PANEL, RH SIDE
FH1 20-WAY / BLACK / CABIN HARNESS TO FRONT HARNESS RH ‘A’ POST, LOWER
PD4 10-WAY / GREY / CABIN HARNESS TO PASSENGER DOOR HARNESS PASSENGER DOOR
PT1 14-WAY / GREY / CABIN HARNESS TO PASSENGER DOOR TRIM HARNESS PASSENGER DOORGROUNDS
Ground LocationCA30 LH LOWER ‘A’ POST, ADJACENT TO THE FRONT ELECTRONIC MODULE (REARWARD OF FH77)
CA50 RH LOWER ‘A’ POST, BELOW PRIMARY JUNCTION FUSE BOX
CA141 UNDER LH FRONT SEAT
CA154 UNDER RH FRONT SEAT
CA156 LUGGAGE COMPARTMENT, RH SIDE
FC38 UNDER CENTER OF INSTRUMENT PANEL, ON TRANSMISSION TUNNEL
NOTE: Refer to the Appendix at the rear of this book for Network Messages. Driver Door Module Pin Description and CharacteristicS CA85–3 SCP +
S CA85–4 SCP –
PG CA85–8 POWER GROUND: GROUND
B+ CA85–11 BATTERY POWER SUPPLY: B+
B+ CA85–12 SWITCHED SYSTEM POWER SUPPLY: B+
O DD4–1 POWER WINDOWS ENABLE: TO ACTIVATE, DDM SWITCHES CIRCUIT TO B+
O DD4–26 GLOBAL CLOSE SIGNAL: 20 ms PULSED SIGNAL
I DT2–16 DRIVER DOOR ALARM SET / LOCK SWITCH (NORMALLY OPEN): OPEN CIRCUIT / GROUND
I DT2–17 DRIVER DOOR ALARM RESET / UNLOCK SWITCH (NORMALLY OPEN): OPEN CIRCUIT / GROUNDRear Electronic ModulePin Description and CharacteristicI CA100–9 GLOBAL CLOSE SWITCH (NORMALLY OPEN): OPEN CIRCUIT / GROUND
B+ CA101–3 BATTERY POWER SUPPLY: B+
S CA102–1 SCP +
S CA102–2 SCP –
PG CA102–12 POWER GROUND: GROUND
I CA102–13 BRAKE ON / OFF SWITCH (NORMALLY OPEN): OPEN CIRCUIT / B+
Page 135 of 200

Powered Windows; Sliding Roof
Jaguar S-TYPE 2005
Powered Windows; Sliding Roof
Fig. 14.1
13 4114
46 80
76 77 92
ll
15 45ll ll SS
81 118EE
Fig .01.1
Fig .01 .2 F
ig .01.3
Fig .01 .4
Fig . 01.5 F
ig . 01.6 F
ig .01 .7
Input
OutputI
O
B
P+Battery VoltagePower Ground Sensor/Signal Supply V
Sensor/Signal Ground Serial and Encoded Data
CAN
+
SCPC
S DD
–
D2B Network2
f14_1_200045
SS
U Y
DD4-1
O
NCA101-3
87
B
YR
YB
DD8-4 DT4-8
DT4-7
B
NR
CAS76
CAS75
CAS77
DD2-19
YU
DD2-14B
CA30
(CA50) DD8-8
B
DD2-22
YR
DD2-21
Y
DD2-9
Y
DD2-10
YU
DD2-20
GW
DD2-6
YU
DD2-4
YB
DD2-18
YB
YB
DD8-5
YU
DD8-15
GW
DD8-16
YU
DD8-13
Y
DD8-14
Y
DD8-11
YR
DD8-12
YU
DD8-6
PD1-3B
CA50
(CA30) PD4-4
B
PD1-1
GW
PD1-5
YU
CA78-1
Y
CA78-5
YU
CA78-3
YU
CA95-1
YR
CA95-5
Y
CA95-3
YU
DT4-2
YR
DT4-6
YG
DT4-4
YB
DT4-3
YB
PT4-8
PT4-7
BB B
NG
PT4-2
YR
PT4-6
YG
PT4-4
YU
PT4-3
GW
CA79-8
CA79-7
B
NW
CA79-2
YR
CA79-6
YG
CA79-4
YU
CA79-3
Y
CA93-8
CA93-7
B
NR
CA93-2
YR
CA93-6
YG
CA93-4
Y
CA93-3
YR
CAS74
811PT1-13
YG
10DT8-9
CAS80
YG
9
BB
DTS2
DT8-7
CA30
(CA50)
CAS78
CAS73
CAS72
PTS1
PT1-7
CA50
(CA30)
CA141CA154
YG
CA156
CA102-12
B
P
FC119-8
FC113-8
B BR
FC38
FC119-4
B
BR
I
CA100-9
FC39-3
NCA103-13
S80
B
CA30
(CA50)
BDT5-6
DTS2
B
CA30
(CA50)
DT8-7
B
DT5-7DT5-5
DT2-16
DT2-17
II
BG
BW
SS
CA85-4 CA85-3
U Y
78
WG
CA85-11
NR
CA85-12
BB
S55
DD4-26
O
YG
CA85-8
B
P
CAS79
U
YR
YG
DT8-10
YR
PT1-10
YR
PD4-6 PD4-3
YU
GW
YU
GW
PT1-12PT1-11
DT8-11
DT8-12
YB
YB
3905.1
YR NG
YR
B
CA253-9 FH1-14
CA253-8
CA253-2
CA253-7
CA253-10 CA253-1
CA253-6
WU
B
CA250-1 CA250-5
YU
CA250-4
CA50
CA50
DRIVER DOOR LATCH
ASSEMBLY
CENTER CONSOLE SWITCHPACK
DRIVER DOOR SWITCHPACKPASSENGER DOORSWITCHPACK
LH REAR DOOR SWITCHPACK
RH REAR DOOR SWITCHPACK
DRIVER DOOR MODULE
ROOF CONSOLE
REAR ELECTRONIC MODULE
SLIDING ROOF SWITCH
ALARM SET /
LOCK SWITCH
ALARM RESET /
UNLOCK SWITCH
GLOBAL CLOSE SWITCH
REAR WINDOWISOLATE
DRIVER
WINDOW
PASSENGER WINDOW
LH REAR
WINDOW
RH REAR WINDOW RELAY
MOTOR
CONTROL POSITION
SENSORS DYNAMIC STABILITY CONTROL:
VEHICLE SPEED (CIRCUIT CONTINUED)
SLIDING ROOF CONTROL MODULE
DRIVER WINDOW MOTOR ASSEMBLY
PASSENGER WINDOW MOTOR ASSEMBLY
LH REAR WINDOW MOTOR ASSEMBLY
RH REAR WINDOW MOTOR ASSEMBLY
RELAY
MOTOR
CONTROL POSITION
SENSORS
RELAY
MOTOR
CONTROL POSITION
SENSORS
RELAY
MOTOR
CONTROL POSITION
SENSORS
REMOTE GLOBAL
CLOSE
GLOBAL CLOSE
ENABLE
LOGIC
LOGIC
CA102-1
CA102-2
20.2
20.2
20.2
20.2
DD8-9
DD8-10
VARIANT: All Vehicles
VIN RANGE: All
DATE OF ISSUE: May 2004
Page 136 of 200

Refer to the front of this book for detailed information and illustrations regarding the location and identification of harnesses, relays, fuses, grounds,
control modules and control module pins.
NOTE: The values listed are approximately those that can be expected at the control module connector pins with all circuit conn
ections made and all
components connected and fitted. The following abbreviations are used to represent values for Control Module Pin-Out data
I Input
O Output
B+ Battery Voltage PG Power Ground
SS Sensor / Signal Supply V
SG Sensor / Signal GroundC CAN Network
S SCP Network
D2 D2B Network D Serial and Encoded Data
V Voltage (DC)
PWM Pulse Width Modulated
CAUTION: The information on this data page is furnished to ai d the user in understanding circuit operation. THIS INFORMATION SH OULD BE USED FOR
REFERENCE ONLY.DATE OF ISSUE: May 2004
Fig. 15.1
FOR CONTROL MODULE PIN-OUT INFORMATION, UNFOLD PAGE TO LEFT. COMPONENTS
Component Connector(s) Connector Description LocationAM / FM ANTENNA AMPLIFIER CA220 NOT AVAILABLE LH ‘C’ POST, ADJACENT TO REAR WINDOW
CA221 3-WAY / BLACK
AUDIO UNIT FC94 20-WAY / BLACK CENTER CONSOLE
FC96 ANTENNA CONNECTOR
FC108 FIBER OPTIC CONNECTOR
CD AUTOCHANGER CA267 3-WAY / BLACK LUGGAGE COMPARTMENT, LH REAR RA2 FIBER OPTIC CONNECTOR
HEATED REAR WINDOW CA20 2-WAY / GREY CONNECTOR LOCATED BELOW PARCEL SHELF, LH SIDE
SPEAKER – LH FRONT DT3 (LHD) 2-WAY / BLACK LH FRONT DOOR
PT2 (RHD) 2-WAY / BLACK
SPEAKER – LH REAR CA80 2-WAY / BLACK LH REAR DOOR
SPEAKER – RH FRONT DT3 (RHD) 2-WAY / BLACK RH FRONT DOOR
PT2 (LHD) 2-WAY / BLACK
SPEAKER – RH REAR CA92 2-WAY / BLACK LH REAR DOOR
STEERING WHEEL AUDIO SWITCHES SQ1 4-WAY / BLACK STEERING WHEELHARNESS IN-LINE CONNECTORS
Connector Connector Description / Location LocationDT8 14-WAY / GREY / CABIN HARNESS TO DRIVER DOOR TRIM HARNESS DRIVER DOOR
FC5 2-WAY / BLACK / FASCIA HARNESS (ANTENNA) TO CABIN HARNESS (ANTENNA) BEHIND CENTER CONSOLE
FC10 14-WAY / GREEN / FASCIA HARNESS TO FRONT HARNESS BEHIND INSTRUMENT PANEL, RH SIDE
FC23 10-WAY / GREY / CABIN HARNESS TO FASCIA HARNESS BEHIND INSTRUMENT PANEL, LH SIDE
FC33 16-WAY / GREEN / CABIN HARNESS TO FASCIA HARNESS BEHIND INSTRUMENT PANEL, RH SIDE
FC117 10-WAY / BLACK / STEERING WHEEL CASSETTE STEERING COLUMN
PI41 42-WAY / BLACK / ENGINE HARNESS TO VEHICLE HARNESSES ENGINE COMPARTMENT, BULKHEAD, PASSENGER SIDE
PT1 14-WAY / GREY / CABIN HARNESS TO PASSENGER DOOR TRIM HARNESS PASSENGER DOORGROUNDS
Ground LocationCA21 LUGGAGE COMPARTMENT, LH SIDE AFT OF WHEEL ARCH
FC38 UNDER CENTER OF INSTRUMENT PANEL, ON TRANSMISSION TUNNEL
NOTE: Refer to the Appendix at the rear of this book for Network Messages. Audio Unit – Standard Pin Description and CharacteristicPG FC94–1 POWER GROUND: GROUND
B+ FC94–2 IGNITION SWITCHED POWER SUPPLY (I): B+
O FC94–3 LH REAR AUDIO +
O FC94–4 LH REAR AUDIO –
O FC94–5 RH REAR AUDIO +
O FC94–6 RH REAR AUDIO –
I FC94–7 TELEPHONE MUTE SIGNAL
O FC94–8 SECURITY SYSTEM GROUND SENSING: GROUND WHEN AUDIO UNIT INSTALLED
S FC94–9 SCP +
S FC94–10 SCP –
B+ FC94–11 BATTERY POWER SUPPLY: B+
O FC94–13 LH FRONT AUDIO –
O FC94–14 LH FRONT AUDIO +
O FC94–15 RH FRONT AUDIO –
O FC94–16 RH FRONT AUDIO +
I FC94–17 DIMMER-CONTROLLED ILLUMINATION: PWM, 80 Hz, GROUND = 0% DUTY CYCLE, B+ = 100% DUTY CYCLE
I FC94–18 STEERING WHEEL SWITCHES: STE PPED RESISTANCE
O FC94–19 D2B NETWORK WAKE-UP
D2 FC108–1 D2B NETWORK TRANSMIT
D2 FC108–2 D2B NETWORK RECEIVE