Page 1 of 200
PIS40ECS31
BG
PI41-18OY OY
PI41-17
PI41
-14
ECS32
BG
PIS47
BG
BG
OY
PIS48
PIS46
RW
RW
RW
RW
RW
RW
RW
RWPIS45PIS44RW
RW
RW
92
93
F9 10A
F10 10A
F12 10A
F13 20A
8
6 10
7R19
OY
OY OY
N
N
O
RW
RW
RW
RW
OY
BG
OY
OYEC49-2EC49-1
BK
S54
PI41
-12
B
G23AL
CRS23B
PIS41
PI41-13
BK
PIS42PIS43
RW
BK
ECS22
OY
F10 11A
Electrical Guide
S-TYPE
Sedan
Gasoline and Diesel
2005 Model Year, VIN: N13089 onwards
Page 2 of 200
Page 3 of 200
Electrical Guide
S-TYPESedan
Gasoline and Diesel
2005 Model Year, VIN: N13089 onwards
Published by Technical Communications, Jaguar Cars Limited
Pub li c at ion Part Num ber S
2005 S-TYPE , May 2004
Page 4 of 200
DATE OF ISSUE: May 2004
PrefaceJaguar S-TYPE 2005
While every effort is made to ensure accuracy, design changes to the vehicle may be made in the period between the completion of
this publication and the introduction of vehicles.
All rights reserved. No part of this publication may be reproduced, stored in a retrieval system or transmitted, in any form: e lectronic,
mechanical, including photocopying, recording or other means without prior written permission from the Service Division of
Jaguar Cars Limited.
Page 5 of 200

DATE OF ISSUE: May 20041
Table of ContentsJaguar S-TYPE 2005
Table of Contents: Figures . . . . . . . . . . . . . . . . . . . . . . . . . . . . . . . . . . . . . . . . . . . . . . . . . . . . . . . . . . . . . . . . . . . . . 2
Abbreviations and Acronyms . . . . . . . . . . . . . . . . . . . . . . . . . . . . . . . . . . . . . . . . . . . . . . . . . . . . . . . . . . . . . . . . . . . . 5
Introduction . . . . . . . . . . . . . . . . . . . . . . . . . . . . . . . . . . . . . . . . . . . . . . . . . . . . . . . . . . . . . . . . . . . . . . . . . . . . . . . . . 7
User Instructions . . . . . . . . . . . . . . . . . . . . . . . . . . . . . . . . . . . . . . . . . . . . . . . . . . . . . . . . . . . . . . . . . . . . . . . . . . . . . 8
Symbols and Codes . . . . . . . . . . . . . . . . . . . . . . . . . . . . . . . . . . . . . . . . . . . . . . . . . . . . . . . . . . . . . . . . . . . . . . . . . . 10
Network Configuration . . . . . . . . . . . . . . . . . . . . . . . . . . . . . . . . . . . . . . . . . . . . . . . . . . . . . . . . . . . . . . . . . . . . . . . . 13
Fusebox Location . . . . . . . . . . . . . . . . . . . . . . . . . . . . . . . . . . . . . . . . . . . . . . . . . . . . . . . . . . . . . . . . . . . . . . . . . . . 14
Relay and Fuse Location . . . . . . . . . . . . . . . . . . . . . . . . . . . . . . . . . . . . . . . . . . . . . . . . . . . . . . . . . . . . . . . . . . . . . . 15
Harness In-Line Connectors . . . . . . . . . . . . . . . . . . . . . . . . . . . . . . . . . . . . . . . . . . . . . . . . . . . . . . . . . . . . . . . . . . . 16
Control Module Location . . . . . . . . . . . . . . . . . . . . . . . . . . . . . . . . . . . . . . . . . . . . . . . . . . . . . . . . . . . . . . . . . . . . . . 18
Ground Point Location . . . . . . . . . . . . . . . . . . . . . . . . . . . . . . . . . . . . . . . . . . . . . . . . . . . . . . . . . . . . . . . . . . . . . . . . 20
Control Module Pin Identification . . . . . . . . . . . . . . . . . . . . . . . . . . . . . . . . . . . . . . . . . . . . . . . . . . . . . . . . . . . . . . . . 21
Diesel Engine Sensors and Actuators . . . . . . . . . . . . . . . . . . . . . . . . . . . . . . . . . . . . . . . . . . . . . . . . . . . . . . . . . . . . 32
Electrical Guide Figures and Data . . . . . . . . . . . . . . . . . . . . . . . . . . . . . . . . . . . . . . . . . . . . . . . . . follows after page 33
(pages are numbered by Figure number)
Appendix (SCP and CAN Messages) . . . . . . . . . . . . . . . . . . . . . . . . . . . . . . . . . . . . . . . . . . .follows F igures and Data
Component Index . . . . . . . . . . . . . . . . . . . . . . . . . . . . . . . . . . . . . . . . . . . . . . . . . . . . . . . . . . . . . . . . follows Appendix
Page 6 of 200

2DATE OF ISSUE: May 2004
Table of Contents: FiguresJaguar S-TYPE 2005
FIGURES
Fig. Description Variant
01 Power Distribution
Fig. 01.1 . . . . Main Power Distribution . . . . . . . . . . . . . . . . . . . . . . . . . . . . . . . . . . . . . . . . . . . All Vehicles
Fig. 01.2 . . . . Battery Power Distribution: Part 1 . . . . . . . . . . . . . . . . . . . . . . . . . . . . . . . . . . . All Vehi cles
Fig. 01.3 . . . . Battery Power Distribution: Part 2 . . . . . . . . . . . . . . . . . . . . . . . . . . . . . . . . . . . All Vehi cles
Fig. 01.4 . . . . Ignition Switched Power Distribution: I (Accessory) . . . . . . . . . . . . . . . . . . . . . All Vehicles
Fig. 01.5 . . . . Ignition Switched Power Distribution: II (Run) . . . . . . . . . . . . . . . . . . . . . . . . . . All Vehicles
Fig. 01.6 . . . . Switched System Power Distribution . . . . . . . . . . . . . . . . . . . . . . . . . . . . . . . . . All Vehicles
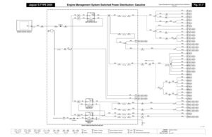
Fig. 01.7 . . . . Engine Management System Switched Power Distribution: Gasoline. . . . . . . . Gasoline Vehicles
Fig. 01.8 . . . . Engine Management System Switched Power Distribution: Diesel 2.7V6 . . . . Diesel 2.7V6
02 Battery; Starter; Generator
Fig. 02.1 . . . . Battery; Starter; Generator: V6 . . . . . . . . . . . . . . . . . . . . . . . . . . . . . . . . . . . . . V6 Veh icles
Fig. 02.2 . . . . Battery; Starter; Generator: V8 . . . . . . . . . . . . . . . . . . . . . . . . . . . . . . . . . . . . . V8 Veh icles
Fig. 02.3 . . . . Battery; Starter; Generator: Diesel 2.7V6 . . . . . . . . . . . . . . . . . . . . . . . . . . . . . Diesel 2.7V6
03 Engine Management
Fig. 03.1 . . . . Engine Management: V6 – Part 1 . . . . . . . . . . . . . . . . . . . . . . . . . . . . . . . . . . . V6 Vehicles
Fig. 03.2 . . . . Engine Management: V6 – Part 2 . . . . . . . . . . . . . . . . . . . . . . . . . . . . . . . . . . . V6 Vehicles
Fig. 03.3 . . . . Engine Management: V8 N/A – Part 1. . . . . . . . . . . . . . . . . . . . . . . . . . . . . . . . V8 N/A Vehicles
Fig. 03.4 . . . . Engine Management: V8 N/A – Part 2. . . . . . . . . . . . . . . . . . . . . . . . . . . . . . . . V8 N/A Vehicles
Fig. 03.5 . . . . Engine Management: V8 SC – Part 1 . . . . . . . . . . . . . . . . . . . . . . . . . . . . . . . . V8 SC Vehicles
Fig. 03.6 . . . . Engine Management: V8 SC – Part 2 . . . . . . . . . . . . . . . . . . . . . . . . . . . . . . . . V8 SC Vehicles
Fig. 03.7 . . . . Engine Management: Diesel 2.7V6 – Part 1 . . . . . . . . . . . . . . . . . . . . . . . . . . . Diesel 2.7V6
Fig. 03.8 . . . . Engine Management: Diesel 2.7V6 – Part 2 . . . . . . . . . . . . . . . . . . . . . . . . . . . Diesel 2.7V6
04 Transmission
Fig. 04.1 . . . . Transmission (Automatic) . . . . . . . . . . . . . . . . . . . . . . . . . . . . . . . . . . . . . . . . . Autom atic Vehicles
Fig. 04.2 . . . . Transmission (Manual) . . . . . . . . . . . . . . . . . . . . . . . . . . . . . . . . . . . . . . . . . . . Manu al Vehicles
05 Chassis
Fig. 05.1 . . . . Dynamic Stability Control. . . . . . . . . . . . . . . . . . . . . . . . . . . . . . . . . . . . . . . . . . All Vehicles
Fig. 05.2 . . . . Electronic Parking Brake; Variable Assist Power Steering . . . . . . . . . . . . . . . . All Vehicles
Fig. 05.3 . . . . Adaptive Speed Control . . . . . . . . . . . . . . . . . . . . . . . . . . . . . . . . . . . . . . . . . . . Adap tive Speed Control Vehicles
Fig. 05.4 . . . . Suspension Adaptive Damping . . . . . . . . . . . . . . . . . . . . . . . . . . . . . . . . . . . . . Adaptive D amping Vehicles
Fig. 05.5 . . . . Tire Pressure Monitoring System: NAS V8 SC . . . . . . . . . . . . . . . . . . . . . . . . . NAS V8 SC Vehicles
06 Climate Control
Fig. 06.1 . . . . Climate Control System; Windshield Heaters . . . . . . . . . . . . . . . . . . . . . . . . . . All Vehicles
07 Instrumentation
Fig. 07.1 . . . . Instrument Cluster; Audible Warnings . . . . . . . . . . . . . . . . . . . . . . . . . . . . . . . . All Vehicles
08 Exterior Lighting
Fig. 08.1 . . . . Exterior Lighting: Front . . . . . . . . . . . . . . . . . . . . . . . . . . . . . . . . . . . . . . . . . . . N on HID Headlamp Vehicles
Fig. 08.2 . . . . Exterior Lighting: Front – HID . . . . . . . . . . . . . . . . . . . . . . . . . . . . . . . . . . . . . . HID He adlamp Vehicles
Fig. 08.3 . . . . Exterior Lighting: Rear . . . . . . . . . . . . . . . . . . . . . . . . . . . . . . . . . . . . . . . . . . . . A ll Vehicles
Fig. 08.4 . . . . Exterior Lighting: Rear – Trailer Towing . . . . . . . . . . . . . . . . . . . . . . . . . . . . . . Trailer Towi ng Vehicles
Fig. 08.5 . . . . Headlamp Leveling . . . . . . . . . . . . . . . . . . . . . . . . . . . . . . . . . . . . . . . . . . . . . . He adlamp Leveling Vehicles
09 Interior Lighting
Fig. 09.1 . . . . Interior Lighting . . . . . . . . . . . . . . . . . . . . . . . . . . . . . . . . . . . . . . . . . . . . . . . . . All Vehicles
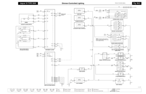
Fig. 09.2 . . . . Dimmer-Controlled Lighting . . . . . . . . . . . . . . . . . . . . . . . . . . . . . . . . . . . . . . . . All Ve hicles
Page 7 of 200

DATE OF ISSUE: May 20043
Table of Contents: FiguresJaguar S-TYPE 2005
FIGURES
Fig. Description Variant
10 Steering Column; Pedals; Mirrors; Heaters
Fig. 10.1 . . . . Steering Column Adjust; Pedal Adjust. . . . . . . . . . . . . . . . . . . . . . . . . . . . . . . . All Vehicles
Fig. 10.2 . . . . Door Mirrors: Movement and Heaters; Heated Rear Window . . . . . . . . . . . . . . All Vehicles
Fig. 10.3 . . . . Electrochromic Rear View Mirror; Fold-Back Mirrors . . . . . . . . . . . . . . . . . . . . All Vehicles; Fold-Back Mirror Vehicles
11 Seat Systems
Fig. 11.1 . . . . Driver Seat: 10-way Movement with Memory . . . . . . . . . . . . . . . . . . . . . . . . . . 10-Way Driver Seat Memory Vehicles
Fig. 11.2 . . . . Driver Seat: 16-way Movement with Memory . . . . . . . . . . . . . . . . . . . . . . . . . . 16-Way Driver Seat Memory Vehicles
Fig. 11.3 . . . . Driver Seat: Non Memory . . . . . . . . . . . . . . . . . . . . . . . . . . . . . . . . . . . . . . . . . Non Me mory Driver Seat Vehicles
Fig. 11.4 . . . . Passenger Seat . . . . . . . . . . . . . . . . . . . . . . . . . . . . . . . . . . . . . . . . . . . . . . . . . 6 / 8 / 10-Way Passenger Seat Vehicles
Fig. 11.5 . . . . Passenger Seat: 16-way Movement . . . . . . . . . . . . . . . . . . . . . . . . . . . . . . . . . 16-Way Passeng er Seat Vehicles
Fig. 11.6 . . . . Seat Heaters . . . . . . . . . . . . . . . . . . . . . . . . . . . . . . . . . . . . . . . . . . . . . . . . . . . Heated Seat Vehicles
12 Central Locking; Security
Fig. 12.1 . . . . Central Locking: Double Locking . . . . . . . . . . . . . . . . . . . . . . . . . . . . . . . . . . . . Double Lo cking Vehicles
Fig. 12.2 . . . . Central Locking: Non Double Locking . . . . . . . . . . . . . . . . . . . . . . . . . . . . . . . . Non Double Lo cking Vehicles
Fig. 12.3 . . . . Security System. . . . . . . . . . . . . . . . . . . . . . . . . . . . . . . . . . . . . . . . . . . . . . . . . All Vehicles
13 Wash / Wipe
Fig. 13.1 . . . . Wash / Wipe System . . . . . . . . . . . . . . . . . . . . . . . . . . . . . . . . . . . . . . . . . . . . . All V ehicles
14 Powered Windows; Sliding Roof
Fig. 14.1 . . . . Powered Windows; Sliding Roof . . . . . . . . . . . . . . . . . . . . . . . . . . . . . . . . . . . . All Vehicle s
15 In-Car Entertainment
Fig. 15.1 . . . . In-Car Entertainment: Standard. . . . . . . . . . . . . . . . . . . . . . . . . . . . . . . . . . . . . Standard ICE Vehicles
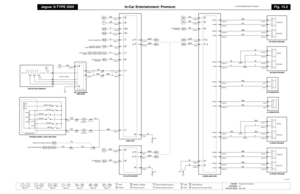
Fig. 15.2 . . . . In-Car Entertainment: Premium . . . . . . . . . . . . . . . . . . . . . . . . . . . . . . . . . . . . . Premium I CE Vehicles
16 Telematics
Fig. 16.1 . . . . Telephone System: ROW . . . . . . . . . . . . . . . . . . . . . . . . . . . . . . . . . . . . . . . . . ROW Vehi cles
Fig. 16.2 . . . . Telephone System: NAS . . . . . . . . . . . . . . . . . . . . . . . . . . . . . . . . . . . . . . . . . . NAS Veh icles
Fig. 16.3 . . . . Telephone System with Voice: ROW . . . . . . . . . . . . . . . . . . . . . . . . . . . . . . . . ROW Vehicles
Fig. 16.4 . . . . Telephone System with Voice: NAS . . . . . . . . . . . . . . . . . . . . . . . . . . . . . . . . . NAS Vehicles
Fig. 16.5 . . . . Voice Control System . . . . . . . . . . . . . . . . . . . . . . . . . . . . . . . . . . . . . . . . . . . . Voi ce Only Vehicles
Fig. 16.6 . . . . Navigation System (except Japan) . . . . . . . . . . . . . . . . . . . . . . . . . . . . . . . . . . Navigation Vehicles (except Japan)
Fig. 16.7 . . . . Navigation System with TV (except Japan) . . . . . . . . . . . . . . . . . . . . . . . . . . . . Navigation Vehic les with TV (except
Japan)
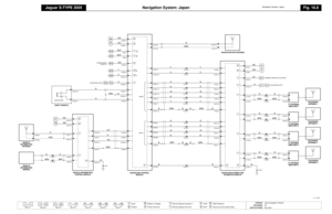
Fig. 16.8 . . . . Navigation System: Japan . . . . . . . . . . . . . . . . . . . . . . . . . . . . . . . . . . . . . . . . . Japan Navigation Vehicles
17 Occupant Protection
Fig. 17.1 . . . . Advanced Restraint System: Part 1. . . . . . . . . . . . . . . . . . . . . . . . . . . . . . . . . . All Vehicles
Fig. 17.2 . . . . Advanced Restraint System: Part 2. . . . . . . . . . . . . . . . . . . . . . . . . . . . . . . . . . All Vehicles
18 Driver Assist
Fig. 18.1 . . . . Parking Aid System . . . . . . . . . . . . . . . . . . . . . . . . . . . . . . . . . . . . . . . . . . . . . . Parking Aid Vehicles
19 Ancillaries
Fig. 19.1 . . . . Ancillaries . . . . . . . . . . . . . . . . . . . . . . . . . . . . . . . . . . . . . . . . . . . . . . . . . . . . . All Vehicles
Page 8 of 200
4DATE OF ISSUE: May 2004
Table of Contents: FiguresJaguar S-TYPE 2005
FIGURES
Fig. Description Variant
20 Vehicle Multiplex Systems
Fig. 20.1 . . . . Controller Area Network . . . . . . . . . . . . . . . . . . . . . . . . . . . . . . . . . . . . . . . . . . All Vehicles
Fig. 20.2 . . . . Standard Corporate Protocol Network; Serial Data Link . . . . . . . . . . . . . . . . . . All Vehicles
Fig. 20.3 . . . . D2B Network: Part 1 . . . . . . . . . . . . . . . . . . . . . . . . . . . . . . . . . . . . . . . . . . . . . All Vehicles
Fig. 20.4 . . . . D2B Network: Part 2 . . . . . . . . . . . . . . . . . . . . . . . . . . . . . . . . . . . . . . . . . . . . . All Vehicles
Fig. 20.5 . . . . D2B Network: Part 3 . . . . . . . . . . . . . . . . . . . . . . . . . . . . . . . . . . . . . . . . . . . . . All Vehicles