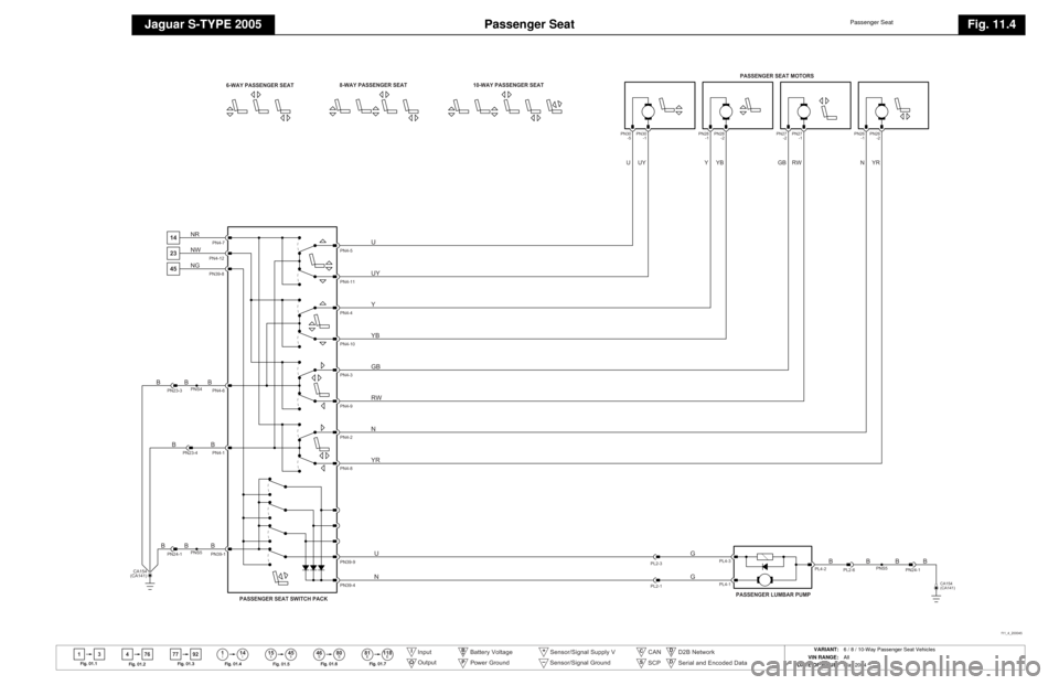
Page 121 of 200
Passenger Seat
Jaguar S-TYPE 2005
Passenger Seat
Fig. 11.4
13 4114
46 80
76 77 92
ll
15 45ll ll SS
81 118EE
Fig .01.1
Fig .01 .2 F
ig .01.3
Fig .01 .4
Fig . 01.5 F
ig . 01.6 F
ig .01 .7
Input
OutputI
O
B
P+Battery VoltagePower Ground Sensor/Signal Supply V
Sensor/Signal Ground Serial and Encoded Data
CAN
+
SCPC
S DD
–
D2B Network2
f11_4_200045
G
PN4-12
NW
U
B
CA154
(CA141)
PN4-5
PN4-6B
PN23-3
BPNS5
PN39-1BPN4-1BPN39-8
NR
PN4-7
45
UY
PN4-11
Y
PN4-4
YB
PN4-10
GB
PN4-3
RW
PN4-9
N
PN4-2
YR
PN4-8
NG
PN30
-1
PN30 -5
UY
U
PN28
-2
PN28-1
YB
Y
PN27
-1
PN27-2
RW
GB
PN26
-2
PN26-1
YR
N
CA154
(CA141)
B
PNS5
PN24-1
PL2-6
BBB
G
2314B
PN23-4
B
PN24-1
BPNS4
N U
PN39-4 PN39-9
PL2-3 PL4-3
PL4-1
PL2-1 PL4-2
6-WAY PASSENGER SEAT
8-WAY PASSENGER SEAT 10-WAY PASSENGER SEAT PASSENGER SEAT MOTORS
PASSENGER LUMBAR PUMP
PASSENGER SEAT SWITCH PACK
VARIANT: 6 / 8 / 10-Way Passenger Seat Vehicles
VIN RANGE: All
DATE OF ISSUE: May 2004
Page 122 of 200

Refer to the front of this book for detailed information and illustrations regarding the location and identification of harnesses, relays, fuses, grounds,
control modules and control module pins.DATE OF ISSUE: May 2004
Fig. 11.5
COMPONENTS
Component Connector(s) Connector Description LocationLUMBAR PUMP – PASSENGER (16-WAY) PL3 2-WAY / BLACK LOWER SEAT BACK
LUMBAR SOLENOIDS – PASSENGER PL1 6-WAY / BLACK UPPER SEAT BACK
SEAT MOTORS AND POSITION SENSORS – PASSENGER PN26 4-WAY / BLACK PASSENGER SEAT
PN27 4-WAY / BLACK
PN28 4-WAY / BLACK
PN30 4-WAY / BLACK
PN31 4-WAY / BLACK
PN33 4-WAY / BLACK
SEAT SWITCH PACK – PASSENGER PN4 12-WAY / BLACK PASSENGER SEAT PN39 14-WAY / BLACKHARNESS IN-LINE CONNECTORS
Connector Connector Description / Location LocationPL2 6-WAY / BLACK / PASSENGER SEAT IN-LINE CONNECTOR PASSENGER SEAT BACK REST
PN23 4-WAY / GREY / CABIN HARNESS TO PASSENGER SEAT HARNESS UNDER PASSENGER SEAT
PN24 20-WAY / BLACK / CABIN HARNESS TO PASSENGER SEAT HARNESS UNDER PASSENGER SEATGROUNDS
Ground LocationCA141 UNDER LH FRONT SEAT
CA154 UNDER RH FRONT SEAT
Page 123 of 200

Passenger Seat: 16-way Movement
Jaguar S-TYPE 2005
Passenger Seat: 16-way Movement
Fig. 11.5
13 4114
46 80
76 77 92
ll
15 45ll ll SS
81 118EE
Fig .01.1
Fig .01 .2 F
ig .01.3
Fig .01 .4
Fig . 01.5 F
ig . 01.6 F
ig .01 .7
Input
OutputI
O
B
P+Battery VoltagePower Ground Sensor/Signal Supply V
Sensor/Signal Ground Serial and Encoded Data
CAN
+
SCPC
S DD
–
D2B Network2
f11_5_200045
PN4-7
NR
U
B
CA154
(CA141)
PN39-1B
PN24-1
B
PNS5
PN4-1
B
PN4-6PN39-8
NG
PN4-12
NW
UYYYBGBRWNYRRN
PN30
-1
PN30-5
UY
U
PN28
-2
PN28-1
YB
Y
PN27
-1
PN27-2
RW
GB
PN26
-2
PN26-1
YR
N
CA154
(CA141)
B
PL3-2
PNS5
BB B
PL3-1
N
PL2-1
RUWGWRO
PN31
-1
PN31 -4
WG
RU
PN33
-5
PN33 -1
O
WR
PL2-5PL2-2PL2-4PL2-3
Y G
U
R
YB G
U
PL1
-4G
PL1-2YB
PL1 -5R
PL1 -3U
B
B
PN23-3
B
PNS4
B
PN23-4
452314
PASSENGER SEAT MOTORS PASSENGER LUMBAR SOLENOIDS
PASSENGER LUMBAR PUMP
PASSENGER SEAT SWITCHPACK
PN39-9
PN39-4 PN39-3 PN39-2 PN39-10 PN39-7 PN39-14 PN39-12 PN39-5 PN4-8
PN4-2 PN4-9 PN4-3 PN4-10 PN4-4 PN4-11 PN4-5
PL2-6 PN24-1
VARIANT:16-Way Passenger Seat Vehicles
VIN RANGE: All
DATE OF ISSUE: May 2004
Page 124 of 200

Refer to the front of this book for detailed information and illustrations regarding the location and identification of harnesses, relays, fuses, grounds,
control modules and control module pins.DATE OF ISSUE: May 2004
Fig. 11.6
COMPONENTS
Component Connector(s) Connector Description LocationCENTER CONSOLE SWITCH PACK FC113 8-WAY / BLACK CENTER CONSOLE
FC119 8-WAY / BLACK
SEAT BACK HEATER – DRIVER DB7 2-WAY / BLACK DRIVER SEAT BACK
SEAT BACK HEATER – PASSENGER PB7 2-WAY / BLACK PASSENGER SEAT BACK
SEAT CUSHION HEATER – DRIVER DM16 4-WAY / BLACK DRIVER SEAT CUSHION
SEAT CUSHION HEATER – PASSENGER PN12 4-WAY / BLACK PASSENGER SEAT CUSHION
SEAT HEATER MODULE – DRIVER DM15 12-WAY / GREY UNDER DRIVER SEAT
SEAT HEATER MODULE – PASSENGER PN7 12-WAY / GREY UNDER PASSENGER SEATHARNESS IN-LINE CONNECTORS
Connector Connector Description / Location LocationDM23 20-WAY / BLACK / CABIN HARNESS TO DRIVER SEAT HARNESS UNDER DRIVER SEAT
FC17 16-WAY / BLUE / CABIN HARNESS TO FASCIA HARNESS BEHIND INSTRUMENT PANEL, PASSENGER SIDE
FC26 16-WAY / BLUE / CABIN HARNESS TO FASCIA HARNESS BEHIND INSTRUMENT PANEL, DRIVER SIDE
PN24 20-WAY / BLACK / CABIN HARNESS TO PASSENGER SEAT HARNESS UNDER PASSENGER SEATGROUNDS
Ground LocationCA141 UNDER LH FRONT SEAT
CA154 UNDER RH FRONT SEAT
FC38 UNDER CENTER OF INSTRUMENT PANEL, ON TRANSMISSION TUNNEL
Page 125 of 200

Seat Heaters
Jaguar S-TYPE 2005
Seat Heaters
Fig. 11.6
13 4114
46 80
76 77 92
ll
15 45ll ll SS
81 118EE
Fig .01.1
Fig .01 .2 F
ig .01.3
Fig .01 .4
Fig . 01.5 F
ig . 01.6 F
ig .01 .7
Input
OutputI
O
B
P+Battery VoltagePower Ground Sensor/Signal Supply V
Sensor/Signal Ground Serial and Encoded Data
CAN
+
SCPC
S DD
–
D2B Network2
f11_6_200045
FC26-2
FC113-8
B BO BO
FC38
DM15-6
O
NGWU
DM15-12
DM15-5
DM15-1
B
DB7-2
OG
DM23-13
BW
FC26-1
WU WU WU
DM23-14
WB
FC26-3
YR YR
DM23-15
YB
DM15-8
I
DM15-7
I
DM15-9
O
DM15-10
O
DM16-3
YB
WU
U
DM15-3
I
DM15-4
DM16-1DM16-2
DM23-1
BB
CA141
(CA154)
BB
P
FC119-4B
2 1
1K2
1K2
DB7-1
DM16-4
U
4221II
FC17-2
CA24-19
FC113-8
B BW BW
FC38
PN7-6
O
NRW
PN7-12
PN7-5
PN7-1
B
PB7-2
WR
PN24-13
BW
FC17-3
WB WB WB
PN24-14
WB
FC17-1
YB YB
PN24-15
YB
PN7-8
I
PN7-7
I
PN7-9
O
PN7-10
O
PN12-3
NR
W
BR
PN7-3
I
PN7-4
PN12-1PN12-2
PNS4
B
CA154
(CA141)
BB
P
FC119-4B
2 1
1K2
1K2
PB7-1
PN12-4
WR
4322II
PN23-3
B
CENTER CONSOLE SWITCH PACK
CENTER CONSOLE SWITCH PACK
SEAT HEATER STATE
DRIVER SEAT HEATER SWITCH
DRIVER SEAT HEATER MODULE
PASSENGER SEAT HEATER MODULE
TEMPERATURE SENSOR
DRIVER SEAT CUSHION HEATER
DRIVER SEAT SEAT BACK HEATER
PASSENGER SEAT HEATER SWITCH
SEAT HEATER STATE
FC113-1 (LHD)
FC113-2 (LHD) FC113-6 (LHD)
FC119-5 (LHD)
FC119-1 (LHD) FC119-6 (LHD) DMS6
PASSENGER SEAT SEAT BACK HEATERPASSENGER SEAT CUSHION HEATER
FC119-5 (RHD)
FC119-1 (RHD) FC119-6 (RHD)
FC113-6 (RHD)
FC113-2 (RHD)
FC113-1 (RHD)
CAR18 (RHD)
CAR29
01.6
CA24-10
CAR28
01.6
VARIANT:
Heated Seat Vehicles
VIN RANGE: All
DATE OF ISSUE: May 2004
Page 126 of 200

Refer to the front of this book for detailed information and illustrations regarding the location and identification of harnesses, relays, fuses, grounds,
control modules and control module pins.
NOTE: The values listed are approximately those that can be expected at the control module connector pins with all circuit conn
ections made and all
components connected and fitted. The following abbreviations are used to represent values for Control Module Pin-Out data
I Input
O Output
B+ Battery Voltage PG Power Ground
SS Sensor / Signal Supply V
SG Sensor / Signal GroundC CAN Network
S SCP Network
D2 D2B Network D Serial and Encoded Data
V Voltage (DC)
PWM Pulse Width Modulated
CAUTION: The information on this data page is furnished to ai d the user in understanding circuit operation. THIS INFORMATION SH OULD BE USED FOR
REFERENCE ONLY.DATE OF ISSUE: May 2004
Fig. 12.1
FOR CONTROL MODULE PIN-OUT INFORMATION, UNFOLD PAGE TO LEFT. COMPONENTS
Component Connector(s) Connector Description LocationCENTER CONSOLE SWITCH PACK FC113 8-WAY / BLACK CENTER CONSOLE
FC119 8-WAY / BLACK
DOOR LATCH ASSEMBLY – DRIVER DT5 10-WAY / BLACK DRIVER DOOR
DOOR LATCH ASSEMBLY – LH REAR CA81 10-WAY / BLACK LH REAR DOOR
DOOR LATCH ASSEMBLY – PASSENGER PT3 10-WAY / BLACK PASSENGER DOOR
DOOR LATCH ASSEMBLY – RH REAR CA90 10-WAY / BLACK RH REAR DOOR
DRIVER DOOR MODULE CA85 12-WAY / BLACK DRIVER DOOR DD4 26-WAY / NATURAL
DT2 20-WAY / BLACK
EXTERNAL TRUNK RELEASE SWITCH CA97 2-WAY / BLACK LUGGAGE COMPARTMENT LID
FRONT ELECTRONIC MODULE CA24 26-WAY / NATURAL LH ‘A’ POST CA31 20-WAY / BLACK
FH9 22-WAY / BLACK
FH59 12-WAY / BLACK
FH60 17-WAY / BLACK
FUEL FLAP AND TRUNK RELEASE SWITCH PACK FC43 10-WAY / GREY INSTRUMENT PANEL
FUEL FLAP RELAY — — REAR POWER DISTRIBUTION FUSE BOX – R8
FUEL FLAP RELEASE SOLENOID CA7 2-WAY / BLACK LUGGAGE COMPARTMENT, RH SIDE, FRONT
REAR ELECTRONIC MODULE CA63 17-WAY / BLACK LUGGAGE COMPARTMENT, RH REAR CA100 12-WAY / BLACK
CA101 20-WAY / BLACK
CA102 22-WAY / BLACK
CA103 26-WAY / NATURAL
REAR POWER DISTRIBUTION FUSE BOX — — LUGGAGE COMPARTMENT
REMOTE KEYLESS ENTRY MODULE CA303 4-WAY / BLACK UNDER CENTER CONSOLE
TRUNK AJAR SWITCH CA26 4-WAY / BLACK LUGGAGE COMPARTMENT LID
TRUNK RELEASE SOLENOID CA26 4-WAY / BLACK LUGGAGE COMPARTMENT LID
VALET SWITCH VS1 6-WAY / BLACK GLOVE BOXHARNESS IN-LINE CONNECTORS
Connector Connector Description / Location LocationDT8 14-WAY / GREY / CABIN HARNESS TO DRIVER DOOR TRIM HARNESS DRIVER DOOR
DT10 10-WAY / GREY / CABIN HARNESS TO DRIVER DOOR TRIM HARNESS DRIVER DOOR
FC23 10-WAY / GREY / CABIN HARNESS TO FASCIA HARNESS BEHIND INSTRUMENT PANEL, LH SIDE
FC33 16-WAY / GREEN / CABIN HARNESS TO FASCIA HARNESS BEHIND INSTRUMENT PANEL, RH SIDE
FC39 10-WAY / GREY / CABIN HARNESS TO FASCIA HARNESS BEHIND INSTRUMENT PANEL, RH SIDE
FC121 4-WAY / GREY / FASCIA HARNESS IN-LINE CONNECTOR BEHIND GLOVE BOX
PT1 14-WAY / GREY / CABIN HARNESS TO PASSENGER DOOR TRIM HARNESS PASSENGER DOORGROUNDS
Ground LocationCA30 LH LOWER ‘A’ POST, ADJACENT TO THE FRONT ELECTRONIC MODULE (REARWARD OF FH77)
CA50 RH LOWER ‘A’ POST, BELOW PRIMARY JUNCTION FUSE BOX
CA141 UNDER LH FRONT SEAT
CA154 UNDER RH FRONT SEAT
CA156 LUGGAGE COMPARTMENT, RH SIDE
FC38 UNDER CENTER OF INSTRUMENT PANEL, ON TRANSMISSION TUNNEL
FH77 LH LOWER ‘A’ POST, ADJACENT TO THE FRONT ELECTRONIC MODULE (FORWARD OF CA30)
NOTE: Refer to the Appendix at the rear of this book for Network Messages. Driver Door Module
Pin Description and CharacteristicI CA85–2 LOCK / UNLOCK STATUS SWITCH (NORMALLY OPEN): OPEN CIRCUIT / GROUND
S CA85–3 SCP +
S CA85–4 SCP –
SG CA85–7 SIGNAL GROUND: GROUND
PG CA85–8 POWER GROUND: GROUND
PG CA85–9 REMOTE KEYLESS ENTRY MODULE GROUND: GROUND
I CA85–10 DOUBLE LOCK STATUS SWITCH (N ORMALLY OPEN): OPEN CIRCUIT / GROUND
B+ CA85–11 BATTERY POWER SUPPLY: B+
B+ CA85–12 SWITCHED SYSTEM POWER SUPPLY: B+
O DT2–6 REMOTE KEYLESS ENTRY MODULE POWER SUPPLY: B+
O DT2–8 LOCK DRIVE: TO ACTIVATE, DDM SWITCHES CIRCUIT TO B+
O DT2–9 UNLOCK DRIVE: TO ACTIVATE, DDM SWITCHES CIRCUIT TO B+
O DT2–10 DOUBLE LOCK DRIVE: TO ACTIVATE, DDM SWITCHES CIRCUIT TO B+
D DT2–13 REMOTE KEYLESS ENTRY MODULE SIGNAL: ENCODED COMMUNICATIONS
I DT2–16 DRIVER DOOR ALARM SET / LOCK SWITCH (NORMALLY OPEN): OPEN CIRCUIT / GROUND
I DT2–17 DRIVER DOOR ALARM RESET / UNLOCK SWITCH (NORMALLY OPEN): OPEN CIRCUIT / GROUND
D DT2–18 REMOTE KEYLESS ENTRY MODULE SIGNAL: ENCODED COMMUNICATIONSFront Electronic Module
Pin Description and CharacteristicI CA24–4 NON-VALET VEHICLES – EXTERNAL TRUNK REL EASE SWITCH (NORMALLY OPEN): OPEN CIRCUIT / GROUND
VALET VEHICLES – EXTERNAL TRUNK RELEASE SWITCH (NORMALLY OPEN) / VALET SWITCH (NORMALLY CLOSED): OPEN CIRCUIT / GROUND
I CA24–15 PASSENGER DOOR AJAR SWITCH (NORMALLY OPEN): OPEN CIRCUIT / GROUND
I CA31–8 DRIVER DOOR AJAR SWITCH (NORMALLY OPEN): OPEN CIRCUIT / GROUND
S FH59–1 SCP –
B+ FH59–6 BATTERY POWER SUPPLY (LOGIC): B+
S FH59–7 SCP +
B+ FH60–1 SWITCHED SYSTEM POWER SUPPLY: B+
PG FH60–11 POWER GROUND: GROUNDRear Electronic Module Pin Description and CharacteristicI CA100–9 GLOBAL CLOSE SWITCH (NORMALLY OPEN): OPEN CIRCUIT / GROUND
B+ CA101–3 BATTERY POWER SUPPLY: B+
I CA101–17 LHD – RH REAR DOOR AJAR SWITCH (NORMALLY OPEN): OPEN CIRCUIT / GROUND RHD – LH REAR DOOR AJAR SWITCH (NORMALLY OPEN): OPEN CIRCUIT / GROUND
I CA101–18 DOUBLE LOCK STATUS SWITCH (N ORMALLY OPEN): OPEN CIRCUIT / GROUND
I CA101–19 LOCK / UNLOCK STATUS SWITCH (NORMALLY OPEN): OPEN CIRCUIT / GROUND
S CA102–1 SCP +
S CA102–2 SCP –
PG CA102–12 POWER GROUND: GROUND
I CA102–14 TRUNK AJAR SWITCH (NORMALLY OPEN): OPEN CIRCUIT / GROUND
O CA103–4 LOCK DRIVE: TO ACTIVATE, DDM SWITCHES CIRCUIT TO B+
O CA103–5 LOCK DRIVE: TO ACTIVATE, DDM SWITCHES CIRCUIT TO B+
O CA103–6 UNLOCK DRIVE: TO ACTIVATE, DDM SWITCHES CIRCUIT TO B+
O CA103–7 UNLOCK DRIVE: TO ACTIVATE, DDM SWITCHES CIRCUIT TO B+
O CA103–8 DOUBLE LOCK DRIVE: TO ACTIVATE, DDM SWITCHES CIRCUIT TO B+
O CA103–9 DOUBLE LOCK DRIVE: TO ACTIVATE, DDM SWITCHES CIRCUIT TO B+
O CA103–10 TRUNK RELEASE DRIVE: TO AC TIVATE, DDM SWITCHES CIRCUIT TO B+
B+ CA103–13 SWITCHED SYSTEM POWER SUPPLY: B+
I CA103–16 LHD – LH REAR DOOR AJAR SWITCH (NORMALLY OPEN): OPEN CIRCUIT / GROUND RHD – RH REAR DOOR AJAR SWITCH (NORMALLY OPEN): OPEN CIRCUIT / GROUND
Page 127 of 200

Central Locking: Double Locking
Jaguar S-TYPE 2005
Central Locking: Double Locking
Fig. 12.1
13 4114
46 80
76 77 92
ll
15 45ll ll SS
81 118EE
Fig .01.1
Fig .01 .2 F
ig .01.3
Fig .01 .4
Fig . 01.5 F
ig . 01.6 F
ig .01 .7
Input
OutputI
O
B
P+Battery VoltagePower Ground Sensor/Signal Supply V
Sensor/Signal Ground Serial and Encoded Data
CAN
+
SCPC
S DD
–
D2B Network2
f12_1_200045
SS
FH59-1 FH59-7
U Y
SS
CA85-4 CA85-3
20.220.220.220.2
U Y
BW WG
NG
FH59-6
86
B
87
FH60-11
B
P
FH77
CA103-9
YB
PT3-4
DT2-10
U
CA102-1
Y
20.220.2
CA101-3
N
SS
CA156
CA102-12
B
B
BO
BG
CA103-16 (LHD)
CA101-17 (RHD)
I
CA101-17 (LHD)
CA103-16 (RHD)
I
CA31-8
I
CA154
CA141
B
B
DT8-3
BW
PT3-6
DT5-6
DTS2
B
CA50
(CA30)
CA30
(CA50)B
PT1-7
B
NR
FH60-1
S6078
WG
CA85-11
B
CA85-8
BG
CA24-15
I
YU
PT3-2
WG
PT3-10
BG
PT3-1
BG
PT3-8
BO
PT3-3
DT5-4DT5-2DT5-10
BO
DT5-3
BG
DT5-1
BW
DT5-8DT5-7DT5-5
CA81-4
B
CA81-2CA81-10
YG
CA90-4
YR
CA90-2
WU
CA90-10
CA103-5
CA103-6
CA101-19 CA101-18
DT2-8
DT2-9
CA85-10
CA85-2
DT2-16
DT2-17
IIIIOOO
DT8-13 CAS3
DT10-4
BO
BR
BR Y
YB
WU
BG
BW
IIOOO
YU Y
W
PT1-9
CAS34
CAS32
CAS1
YU
WG YB
PT1-14
BG BO
OOO
CA103-8 CA103-4
CA103-7
YU
YG
WB
N
S80
CA303-4
DT2-6
DT10-8
Y
Y
CA303-2
DT2-13
DT10-9
W
W
CA303-1
DT2-18
DT10-10
GW
GW
CA303-2
CA85-9
BO
ODDB
BP
P
P
B
CA85-7
BBP
SCP
NR
CA85-12
BB
S55
PTS1B
I
CA102-14
FC119-8
B BR
FC38
B
BR
I
CA100-9
FC39-3
PT1-8
BGB
FC38
FC33-16
BW
FCS4
BG
BW
BW
WG WG
CA24-4
I
WG
WG
CA24-4
I
620R 1K5
B
W
BW
S62
O
CA103-10
O
BW WG
NOTE:Check market specification
for fitment of Valet Switch.
VALET SWITCH
CA81-8
TRUNK RELEASE SWITCH
FUEL FLAP RELEASE SWITCH
FUEL FLAP AND TRUNK RELEASE SWITCH PACK
EXTERNAL TRUNK RELEASE SWITCH
DOUBLE LOCK
STATUS SWITCH
LOCK/UNLOCK
STATUS SWITCH
ALARM SET / LOCK SWITCH
ALARM RESET /
UNLOCK SWITCH
DRIVER DOOR LATCH ASSEMBLY
REMOTE KEYLESS ENTRY MODULE
NOTE: Check market specification for
fitment of Remote Keyless Entry.
DRIVER DOOR MODULE
REMOTE LOCK / UNLOCK
DOUBLE
LOCK
FRONT ELECTRONIC MODULE
NOTE:
Automatic transmission vehicles use the CAN / SCP J gate gear selector position message for
”drive away” locking control. Refer to Fig. 04.1.
CENTER CONSOLE SWITCH PACK
GLOBAL CLOSE
SWITCH
DOUBLE LOCK
STATUS SWITCH
LOCK/UNLOCK
STATUS SWITCH
DOOR AJAR SWITCH
PASSENGER DOOR LATCH ASSEMBLY
DOOR AJAR SWITCH
RH REAR DOOR LATCH ASSEMBLY
DOOR AJAR SWITCH
LH REAR DOOR LATCH ASSEMBLY
REAR ELECTRONIC MODULE
DOUBLE
LOCK
DOUBLE
LOCK
FC121-3
FC121-3
FC43-8
FC43-3
CA97-2 CA97-1FC43-1
FC43-2 FC43-9
VS1-1
VS1-4
FC121-4
FC121-4 FC23-4
FC23-4
FC33-8
DT8-7
LOCK;UNLOCK;
SECURITY
CA103-13
CA102-2
FC119-4FC113-8
PT1-5
PT1-4
PT1-6CA90-8
CA81-6 CA90-6
DOOR AJAR SWITCH
LOCK
UNLOCK LOCK
UNLOCK
LOGIC
LOGIC
LOGICLOCKUNLOCK
NW
BW B
CA7-2CA7-1B
WU
3
1 5
2
R8
4
CA156
S72
FUEL FLAP RELAY
REAR POWER DISTRIBUTION FUSE BOX FUEL FLAP
RELEASE
SOLENOID
B
WB
CA156
CA26-4
TRUNK AJAR SWITCH
TRUNK RELEASE SOLENOID
CA26-2
CA26-3
TRUNK LID LATCH ASSEMBLY
CA30
(CA50)
VARIANT: Double Locking Vehicles
VIN RANGE: All
DATE OF ISSUE: May 2004
Page 128 of 200

Refer to the front of this book for detailed information and illustrations regarding the location and identification of harnesses, relays, fuses, grounds,
control modules and control module pins.
NOTE: The values listed are approximately those that can be expected at the control module connector pins with all circuit conn
ections made and all
components connected and fitted. The following abbreviations are used to represent values for Control Module Pin-Out data
I Input
O Output
B+ Battery Voltage PG Power Ground
SS Sensor / Signal Supply V
SG Sensor / Signal GroundC CAN Network
S SCP Network
D2 D2B Network D Serial and Encoded Data
V Voltage (DC)
PWM Pulse Width Modulated
CAUTION: The information on this data page is furnished to ai d the user in understanding circuit operation. THIS INFORMATION SH OULD BE USED FOR
REFERENCE ONLY.DATE OF ISSUE: May 2004
Fig. 12.2
FOR CONTROL MODULE PIN-OUT INFORMATION, UNFOLD PAGE TO LEFT. COMPONENTS
Component Connector(s) Connector Description LocationCENTER CONSOLE SWITCH PACK FC113 8-WAY / BLACK CENTER CONSOLE
FC119 8-WAY / BLACK
DOOR LATCH ASSEMBLY – DRIVER DT5 10-WAY / BLACK DRIVER DOOR
DOOR LATCH ASSEMBLY – LH REAR CA81 10-WAY / BLACK LH REAR DOOR
DOOR LATCH ASSEMBLY – PASSENGER PT3 10-WAY / BLACK PASSENGER DOOR
DOOR LATCH ASSEMBLY – RH REAR CA90 10-WAY / BLACK RH REAR DOOR
DRIVER DOOR MODULE CA85 12-WAY / BLACK DRIVER DOOR DD4 26-WAY / NATURAL
DT2 20-WAY / BLACK
EXTERNAL TRUNK RELEASE SWITCH CA97 2-WAY / BLACK LUGGAGE COMPARTMENT LID
FRONT ELECTRONIC MODULE CA24 26-WAY / NATURAL LH ‘A’ POST CA31 20-WAY / BLACK
FH9 22-WAY / BLACK
FH59 12-WAY / BLACK
FH60 17-WAY / BLACK
FUEL FLAP AND TRUNK RELEASE SWITCH PACK FC43 10-WAY / GREY INSTRUMENT PANEL
FUEL FLAP RELAY — — REAR POWER DISTRIBUTION FUSE BOX – R8
FUEL FLAP RELEASE SOLENOID CA106 2-WAY / GREY LUGGAGE COMPARTMENT, RH SIDE, FRONT
REAR ELECTRONIC MODULE CA63 17-WAY / BLACK LUGGAGE COMPARTMENT, RH REAR CA100 12-WAY / BLACK
CA101 20-WAY / BLACK
CA102 22-WAY / BLACK
CA103 26-WAY / NATURAL
REAR POWER DISTRIBUTION FUSE BOX — — LUGGAGE COMPARTMENT
TRUNK LID LATCH ASSEMBLY CA26 4-WAY / BLACK LUGGAGE COMPARTMENT LID
VALET SWITCH VS1 6-WAY / BLACK GLOVE BOXHARNESS IN-LINE CONNECTORS
Connector Connector Description / Location LocationDT8 14-WAY / GREY / CABIN HARNESS TO DRIVER DOOR TRIM HARNESS DRIVER DOOR
FC23 10-WAY / GREY / CABIN HARNESS TO FASCIA HARNESS BEHIND INSTRUMENT PANEL, LH SIDE
FC33 16-WAY / GREEN / CABIN HARNESS TO FASCIA HARNESS BEHIND INSTRUMENT PANEL, RH SIDE
FC39 10-WAY / GREY / CABIN HARNESS TO FASCIA HARNESS BEHIND INSTRUMENT PANEL, RH SIDE
FC121 4-WAY / GREY / FASCIA HARNESS IN-LINE CONNECTOR BEHIND GLOVE BOX
PT1 14-WAY / GREY / CABIN HARNESS TO PASSENGER DOOR TRIM HARNESS PASSENGER DOORGROUNDS
Ground LocationCA30 LH LOWER ‘A’ POST, ADJACENT TO THE FRONT ELECTRONIC MODULE (REARWARD OF FH77)
CA50 RH LOWER ‘A’ POST, BELOW PRIMARY JUNCTION FUSE BOX
CA141 UNDER LH FRONT SEAT
CA154 UNDER RH FRONT SEAT
CA156 LUGGAGE COMPARTMENT, RH SIDE
FC38 UNDER CENTER OF INSTRUMENT PANEL, ON TRANSMISSION TUNNEL
FH77 LH LOWER ‘A’ POST, ADJACENT TO THE FRONT ELECTRONIC MODULE (FORWARD OF CA30)
NOTE: Refer to the Appendix at the rear of this book for Network Messages. Driver Door Module
Pin Description and CharacteristicI CA85–2 LOCK / UNLOCK STATUS SWITCH (NORMALLY OPEN): OPEN CIRCUIT / GROUND
S CA85–3 SCP +
S CA85–4 SCP –
SG CA85–7 SIGNAL GROUND: GROUND
PG CA85–8 POWER GROUND: GROUND
B+ CA85–11 BATTERY POWER SUPPLY: B+
B+ CA85–12 SWITCHED SYSTEM POWER SUPPLY: B+
O DT2–8 LOCK DRIVE: TO ACTIVATE, DDM SWITCHES CIRCUIT TO B+
O DT2–9 UNLOCK DRIVE: TO ACTIVATE, DDM SWITCHES CIRCUIT TO B+
I DT2–16 DRIVER DOOR ALARM SET / LOCK SWITCH (NORMALLY OPEN): OPEN CIRCUIT / GROUND
I DT2–17 DRIVER DOOR ALARM RESET / UNLOCK SWITCH (NORMALLY OPEN): OPEN CIRCUIT / GROUNDFront Electronic ModulePin Description and CharacteristicI CA24–4 EXTERNAL TRUNK RELEASE SWITCH (NORMALLY OPEN) / VALET SWITCH (NORMALLY CLOSED): OPEN CIRCUIT / GROUND
I CA24–15 PASSENGER DOOR AJAR SWITCH (NORMALLY OPEN): OPEN CIRCUIT / GROUND
I CA31–8 DRIVER DOOR AJAR SWITCH (NORMALLY OPEN): OPEN CIRCUIT / GROUND
S FH59–1 SCP –
B+ FH59–6 BATTERY POWER SUPPLY (LOGIC): B+
S FH59–7 SCP +
B+ FH60–1 SWITCHED SYSTEM POWER SUPPLY: B+
PG FH60–11 POWER GROUND: GROUNDRear Electronic Module Pin Description and CharacteristicI CA100–9 GLOBAL CLOSE SWITCH (NORMALLY OPEN): OPEN CIRCUIT / GROUND
B+ CA101–3 BATTERY POWER SUPPLY: B+
I CA101–17 LHD – RH REAR DOOR AJAR SWITCH (NORMALLY OPEN): OPEN CIRCUIT / GROUND RHD – LH REAR DOOR AJAR SWITCH (NORMALLY OPEN): OPEN CIRCUIT / GROUND
I CA101–19 LOCK / UNLOCK STATUS SWITCH (NORMALLY OPEN): OPEN CIRCUIT / GROUND
S CA102–1 SCP +
S CA102–2 SCP –
PG CA102–12 POWER GROUND: GROUND
I CA102–14 TRUNK AJAR SWITCH (NORMALLY OPEN): OPEN CIRCUIT / GROUND
O CA103–4 LOCK DRIVE: TO ACTIVATE, DDM SWITCHES CIRCUIT TO B+
O CA103–5 LOCK DRIVE: TO ACTIVATE, DDM SWITCHES CIRCUIT TO B+
O CA103–6 UNLOCK DRIVE: TO ACTIVATE, DDM SWITCHES CIRCUIT TO B+
O CA103–7 UNLOCK DRIVE: TO ACTIVATE, DDM SWITCHES CIRCUIT TO B+
O CA103–10 TRUNK RELEASE DRIVE: TO AC TIVATE, DDM SWITCHES CIRCUIT TO B+
B+ CA103–13 SWITCHED SYSTEM POWER SUPPLY: B+
I CA103–16 LHD – LH REAR DOOR AJAR SWITCH (NORMALLY OPEN): OPEN CIRCUIT / GROUND RHD – RH REAR DOOR AJAR SWITCH (NORMALLY OPEN): OPEN CIRCUIT / GROUND