Page 1 of 56

SRS-1
SUPPLEMENTAL RESTRAINT SYSTEM (SRS)
H RESTRAINTS
CONTENTS
C
D
E
F
G
I
J
K
L
M
SECTION SRS
A
B
SRS
Revision: 2006 November2007 350Z
SUPPLEMENTAL RESTRAINT SYSTEM (SRS)
PRECAUTIONS .......................................................... 3
Precautions for Supplemental Restraint System
(SRS) “AIR BAG” and “SEAT BELT PRE-TEN-
SIONER” .................................................................. 3
Precautions for SRS “AIR BAG” and “SEAT BELT
PRE-TENSIONER” Service ..................................... 3
Precautions for Battery Service ................................ 3
Occupant Classification System Precaution ............ 3
PREPARATION ........................................................... 4
Commercial Service Tools ........................................ 4
SUPPLEMENTAL RESTRAINT SYSTEM (SRS) ....... 5
SRS Configuration ................................................... 5
Front Seat Belt Pre-tensioner with Load Limiter ...... 6
Front Side Air Bag .................................................... 6
Side Curtain Air Bag/for Coupe ................................ 6
Warning Lamp .......................................................... 6
Occupant Classification System (OCS) ................... 7
Passenger Air Bag Status Condition ........................ 7
Component Parts of Occupant Classification Sys-
tem ........................................................................... 7
Passenger Seat belt Warning System ...................... 8
TROUBLE DIAGNOSIS .............................................. 9
Trouble Diagnosis Introduction ................................. 9
DIAGNOSIS FUNCTION ....................................... 9
HOW TO PERFORM TROUBLE DIAGNOSES
FOR QUICK AND ACCURATE REPAIR ............... 9
WORK FLOW ...................................................... 10
Component Parts Location ...................................... 11
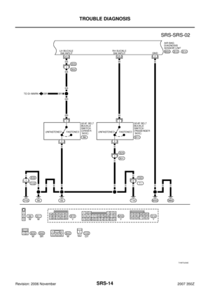
Schematic .............................................................. 12
Wiring Diagram — SRS —/For Coupe ................... 13
Wiring Diagram — SRS —/For Roadster ............... 19
CONSULT-lll Function ............................................ 25
DIAGNOSIS MODE FOR CONSULT-LLL ........... 25
HOW TO CHANGE SELF-DIAGNOSIS MODE
WITH CONSULT-LII ............................................ 25
HOW TO ERASE SELF-DIAGNOSTIC
RESULTS ............................................................ 26
Self-Diagnosis Function (Without CONSULT-lll) .... 26
HOW TO CHANGE SELF-DIAGNOSTIC MODE WITHOUT CONSULT-LLL ................................... 26
HOW TO ERASE SELF-DIAGNOSTIC
RESULTS ............................................................ 26
SRS Operation Check (USER MODE) ................... 27
DIAGNOSTIC PROCEDURE .............................. 27
Trouble Diagnosis with CONSULT-IlI ...................... 29
DIAGNOSTIC PROCEDURE .............................. 29
Trouble Diagnosis without CONSULT-IlI ................. 33
DIAGNOSTIC PROCEDURE .............................. 33
WARNING LAMP FLASH CODE CHART ........... 33
Trouble Diagnosis: “AIR BAG” Warning Lamp Does
Not Turn OFF ......................................................... 37
DIAGNOSTIC PROCEDURE .............................. 37
Trouble Diagnosis: “AIR BAG” Warning Lamp Does
Not Turn ON ........................................................... 38
DIAGNOSTIC PROCEDURE .............................. 38
Trouble Diagnosis: Passenger Seat belt Warning
System .................................................................... 39
DRIVER AIR BAG MODULE .................................... 40
Removal and Installation ........................................ 40
REMOVAL ........................................................... 40
INSTALLATION ................................................... 41
SPIRAL CABLE ........................................................ 42
Removal and Installation ........................................ 42
REMOVAL ........................................................... 42
INSTALLATION ................................................... 43
FRONT PASSENGER AIR BAG MODULE .............. 44
Removal and Installation ........................................ 44
REMOVAL ........................................................... 44
INSTALLATION ................................................... 45
SIDE CURTAIN AIR BAG MODULE (FOR COUPE) ... 46
Removal and Installation ........................................ 46
REMOVAL ........................................................... 46
INSTALLATION ................................................... 47
CRASH ZONE SENSOR ........................................... 48
Removal and Installation ........................................ 48
REMOVAL ........................................................... 48
INSTALLATION ................................................... 48
Page 2 of 56

SRS-2Revision: 2006 November2007 350Z SIDE AIR BAG (SATELLITE) SENSOR ................... 49
Removal and Installation ........................................ 49
REMOVAL ........................................................... 49
INSTALLATION .................................................... 49
FRONT SEAT BELT PRE-TENSIONER ................... 50
Removal and Installation ........................................ 50
DIAGNOSIS SENSOR UNIT ..................................... 51
Removal and Installation ........................................ 51
REMOVAL ........................................................... 51
INSTALLATION .................................................... 51
ECU DISCRIMINATED NO. ................................. 51
OCCUPANT CLASSIFICATION SYSTEM CON-TROL UNIT ................................................................ 52
Removal and Installation ......................................... 52
COLLISION DIAGNOSIS .......................................... 53
For Frontal Collision ................................................ 53
SRS INSPECTION (FOR FRONTAL COLLI-
SION) ................................................................... 53
For Side Collision .................................................... 55
WHEN THE SIDE AIR BAG IS ACTIVATED IN
THE SIDE COLLISION: ....................................... 55
WHEN SRS IS NOT ACTIVATED IN THE SIDE
COLLISION: ......................................................... 55
SRS INSPECTION (FOR SIDE COLLISION) ...... 55
Page 3 of 56

PRECAUTIONS
SRS-3
C
D
E
F
G
I
J
K
L
MA
B
SRS
Revision: 2006 November2007 350Z
PRECAUTIONSPFP:00001
Precautions for Supplemental Restraint System (SRS) “AIR BAG” and “SEAT
BELT PRE-TENSIONER”
NHS00008
The Supplemental Restraint System such as “AIR BAG” and “SEAT BELT PRE-TENSIONER”, used along
with a front seat belt, helps to reduce the risk or severity of injury to the driver and front passenger for certain
types of collision. This system includes seat belt switch inputs and dual stage front air bag modules. The SRS
system uses the seat belt switches to determine the front air bag deployment, and may only deploy one front
air bag, depending on the severity of a collision and whether the front occupants are belted or unbelted.
Information necessary to service the system safely is included in the SRS and SB section of this Service Man-
ual.
WARNING:
To avoid rendering the SRS inoperative, which could increase the risk of personal injury or death
in the event of a collision which would result in air bag inflation, all maintenance must be per-
formed by an authorized NISSAN/INFINITI dealer.
Improper maintenance, including incorrect removal and installation of the SRS, can lead to per-
sonal injury caused by unintentional activation of the system. For removal of Spiral Cable and Air
Bag Module, see the SRS section.
Do not use electrical test equipment on any circuit related to the SRS unless instructed to in this
Service Manual. SRS wiring harnesses can be identified by yellow and/or orange harnesses or
harness connectors.
Precautions for SRS “AIR BAG” and “SEAT BELT PRE-TENSIONER” ServiceNHS00009
Do not use electrical test equipment to check SRS circuits unless instructed in this Service Manual.
Before servicing the SRS, turn ignition switch OFF, and disconnect both battery cables. Then wait at least
3 minutes.
For approximately 3 minutes after the cables are removed, it is still possible for the air bag and seat belt
pre-tensioner to deploy. Therefore, do not work on any SRS connectors or wires until at least 3 minutes
have passed.
Diagnosis sensor unit must always be installed with their arrow marks “⇐” pointing towards the front of the
vehicle for proper operation. Also check diagnosis sensor unit for cracks, deformations or rust before
installation and replace if required.
The spiral cable must be set to the neutral position since its rotations are limited. Do not attempt to turn
steering wheel or column, if steering gear was disconnected from the column shaft.
Handle air bag module carefully. Always put a driver air bag module with the pad side facing upward.
Conduct self-diagnosis to check entire SRS for proper function after replacing any components.
After an air bag deploymented, the front instrument panel assembly should be replaced if damaged.
Always replace instrument panel pad following front passenger air bag deployment.
Precautions for Battery ServiceNHS0000A
Before disconnecting the battery, lower both the driver and passenger windows. This will prevent any interfer-
ence between the window edge and the vehicle when the door is opened/closed. During normal operation, the
window slightly raises and lowers automatically to prevent any window to vehicle interference. The automatic
window function will not work with the battery disconnected.
Occupant Classification System PrecautionNHS000A0
Replace occupant classification system control unit and passenger front seat cushion as an assembly.
Page 4 of 56
SRS-4
PREPARATION
Revision: 2006 November2007 350Z
PREPARATIONPFP:00002
Commercial Service ToolsNHS0000C
Tool name Description
Tamper resistant TORX bit Size: T30
S-NT757
Page 5 of 56

SUPPLEMENTAL RESTRAINT SYSTEM (SRS)
SRS-5
C
D
E
F
G
I
J
K
L
MA
B
SRS
Revision: 2006 November2007 350Z
SUPPLEMENTAL RESTRAINT SYSTEM (SRS)PFP:28556
SRS ConfigurationNHS0000D
The air bag deploys if the diagnosis sensor unit activates while the ignition switch is in the ON or START posi-
tion.
The collision modes for which supplemental restraint systems are activated are different among the SRS sys-
tems. For example, the driver air bag module and front passenger air bag module are activated in a frontal col-
lision but not in a side collision.
SRS configurations which are activated for some collision modes are as follows;
*: For Coupe
PHIA1120E
SRS configuration Frontal collision Left side collision Right side collision
Driver air bag module×——
Front passenger air bag module×——
Front LH seat belt pre-tensioner×——
Front RH seat belt pre-tensioner×——
Front LH side air bag module —×—
Front RH side air bag module — —×
LH side curtain air bag module* —×—
RH side curtain air bag module* — —×
Page 6 of 56

SRS-6
SUPPLEMENTAL RESTRAINT SYSTEM (SRS)
Revision: 2006 November2007 350Z
Front Seat Belt Pre-tensioner with Load LimiterNHS0000E
The seat belt pre-tensioner system with load limiter is installed for
both the driver's seat and the front passenger seat. It operates simul-
taneously with the SRS air bag system in the event of a frontal colli-
sion with an impact exceeding a specified level.
When the frontal collision with an impact exceeding a specified level
occurs, seat belt slack resulting from clothing or other factors is
immediately taken up by the pre-tensioner. Vehicle passengers are
securely restrained.
When passengers in a vehicle are thrown forward in a collision and
the restraining force of the seat belt exceeds a specified level, the
load limiter permits the specified extension of the seat belt by the
twisting of the ELR shaft, and a relaxation of the chest-area seat belt
web tension while maintaining force.
Front Side Air BagNHS0000F
Front side air bag is built-in type.
The front seatbacks with built-in type side air bag have the labels as
shown.
Side Curtain Air Bag/for CoupeNHS0000G
The side curtain air bags have the labels as shown.
Warning Lamp NHS000A6
SRS444
PHIA0158E
PHIA0159E
Air bag warning lamp : (1)
Seat belt warning lamp: (2)
PHIA1358E
Page 7 of 56

SUPPLEMENTAL RESTRAINT SYSTEM (SRS)
SRS-7
C
D
E
F
G
I
J
K
L
MA
B
SRS
Revision: 2006 November2007 350Z
Occupant Classification System (OCS) NHS000A1
The occupant classification system identifies different size occupants, out of position occupants, and detects if
child seat is present in the front passenger seat. The occupant classification system receives inputs from the
occupant classification sensor (located inside the passenger seat cushion assembly) and belt tension sensor
(part of the passenger front seat belt assembly and located at the belt anchor location). Depending on classifi-
cation of passenger, the occupant classification system sends a signal to the diagnosis sensor unit. The diag-
nosis sensor unit uses this signal to determine full, partial, or non deployment of passenger front air bag in the
event of a collision. Depending on the signal received, the diagnosis sensor unit can disable the passenger
front air bag completely.
NOTE:
In case of customer concern, CONSULT-ll can be used to confirm the passenger air bag status (readiness).
Passenger Air Bag Status Condition NHS000A2
NOTE:
Passenger does not meet Ocuupant classification System specifications for passenger air bag activation.
Component Parts of Occupant Classification System NHS000A3
Front Passenger Seat
(Condition)PASS AIR BAG OFF Indicator
(Status)Passenger Air Bag Status
(Readiness)CONSULT-lll Display
Seat occupied OFF Active (enabled) ON
seat occupiedNOTE ON Deactivated (disabled) OFF
Seat empty OFF Deactivated (disabled) OFF
PHIA1357E
1.Occupant classification system con-
trol unit2. Seat sensor mat 3.Occupant classification system con-
nector
4.Passenger air bag OFF Indicator
(cut-off telltaile)
Page 8 of 56
SRS-8
SUPPLEMENTAL RESTRAINT SYSTEM (SRS)
Revision: 2006 November2007 350Z
Passenger Seat belt Warning System NHS000A4
SYSTEM DESCRIPTION
This system warns when passenger seat belt is not fasten.
This system is composed of the following items.
Seat belt warning lamp.
Seat belt buckle switch (passenger side).
Air bag diagnosis sensor unit.
Occupant classification system.
Seat belt warning lamp is used for both driver seat belt warning and passenger seat belt warning.
Seat belt warning lamp turns ON when all conditions below are met.
Driver seat belt is fastened.
Occupant is on passenger seat.
Passenger seat belt is not fasten.