Page 463 of 1681
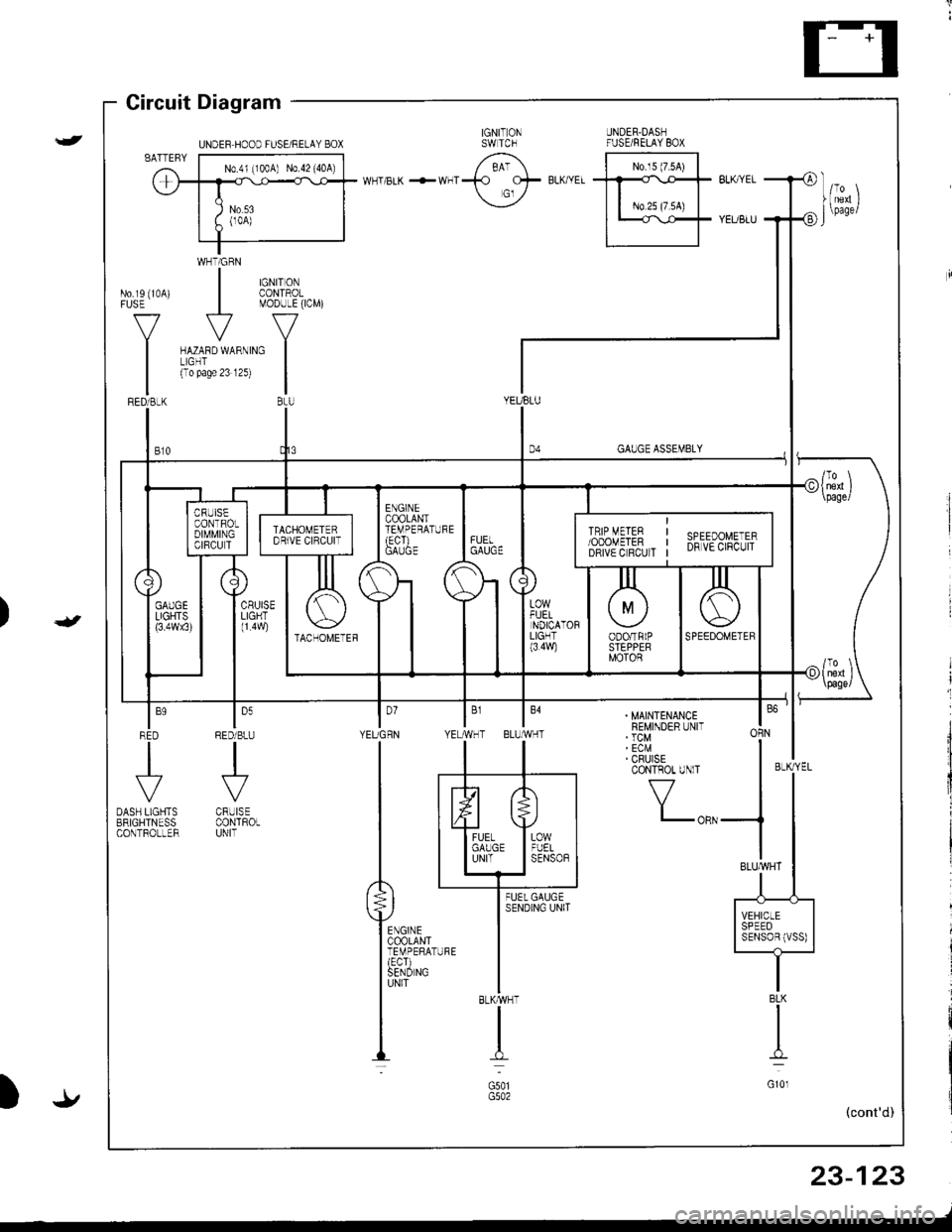
Circuit Diagram
UNDER.HOOD FUSE/BELAY BOX
No.41 (100A1 No.47 (7.5A)
\'
WHT/BLU
423
LTGRN/BLK
I
GRNI/VHT
GRN/RED
GRN
GBN/BI"K
GRN/8LU
GRN/YET
LT GRN,M/HT
NoTE: I :To5v
T :1o 12v
14-46
\,
GAUGE ASSEMBTY
AiT GEAR POSITIONINOICATOR
To lzv lGl
rRANsMrssroN coNTRoL M.DULE rrcMr -fu
*> =
g
=.
I f- J:*
rrppr lo+rlo lru lrrpn tflt ti]t lrrezlerer
5VFEGULATOR
F- GRN/BLU
l--- GRN/YEL
l-- t"T GRN,aWHT
'v
Page 782 of 1681
Gircuit Diagram
UIDES-HOOO FUSENELAY BOX
UNDER,HOOD ASSFUSSRELAY BOX CONN€CTORS4P CONNECTOR 3P CONNECTOR(O numb€r) (tr numb€r)
l./121./ 4l lrl2l3l
UNDER.DASHFUSFJRELAY BOX CONNECTORS18P CONNECTOR (O numb6r)
l235
I10121311a1,/67 t18
2op CONNECTOR (E number)
l356'78I
101l12/ 115t,/819
MAI(E S1IITCN06.d: 8.*! p.d.l @.!s.d
tGNtrotiSWITCH
p,-*@i
GAUGE ASSEMBLY CONNECTORS
16P CONNECTOR (O number)
SfMEL -
f,lBU -
Y&EtU -
*4
coiboz
EOWI-
BFAKE SWITCHCONNECTOR
fi
tr
FAIL,SAFE RELACONIiECTOR
Tr 121
M
A'ff.t#P;t"3.
ffi'
Jr:t r_E+?-|1]]
l.lXl. I tlL]jlJr:ly L-tr-J lLlAZ,)
PUMP MOTORCONNECTOF(tr numb€r)
,F.L?-]IJ
Tsrminal sids ol femalo tominals
5P CONNECTOR
f,rF-.Tt\
FUSE N0ftJSE UBEL IIAI,|E
15
t3P cONNEcToR (D numb€r)
19-30
Wke sido ol lomale l€rminels
Page 993 of 1681
Circuit Diagram
R€CIRCULATIONcoNTROt MOTOR
UNDER HOOD FUSE/RELAY BOX
N0.41 (1004) N0.42 (40A)
,,\J.orr --'-- l,--
BtK
21-6
Page 1132 of 1681
Circuit Diagram (M/Tl
tJ
STARTEBCUT RELAY
)/
ll-G2o1G401
rAa rtFz5- r3
) -rr
CLUTCHINTERLOCKSW]TCH
IGNITIONX SWITCH
!_*",.^-*-G-l
"T"
BTKWHT BLKWHT
llr - tr |
BLKFED 8LU/BLK
- BLK,BE' I__-lrror.oo*
I I
+Yffii'"'Tf'o' | |
u"T-l
i,t^il'r** | |
=-T--. I
twt t
l$*Tl r
IA II
BLK
tY--lt I-|ffim-
|
rl
UNDEB HOOD FUSE/BELAY BOX
No 41 (100A) N0.42 (404)
Page 1157 of 1681
a
Charging System
Circuit Diagram
INTEGRATEOCONTROL UNIT
V
II
ECM
V
II
UNDER.HOOD FUSE/RELAY BOX
No41 (1tl0A) /^ N0.42 (40A)
FIETDWINOING
WHT/8LU
L
GFN/REO
I
I
I
I-t
-"
ALTERNATOR
BLK/YEL
23-100
I-
Page 1158 of 1681
*l
I/'1\
/ ari orrr or cr / swlrcH
vIBtKAEtI
rt-r| ) m.rs IUNDER-DASHI t (7.5A) |FUSE/RELAYBOX
IBLK,YEL
-i * TNTEGBATEo
I CoNTROL UN|T
rh 3i{i3#' v
Ynu i
| ,."
UNDEH.HOOD FUSE/RELAY BOX
No.4l (100A) ,.4 No 42 (40A)
B FTELDWTNoTNG
ECM
WHT/8LU
L
ALTERNATOF
Circuit Diagram
)
-
-
)
23-101
,f
Page 1174 of 1681
Circuit Diagram (Without A/Cl
UNOEF.OASHFUSE,NELAY BOX
|-;ffi;I-YELf\-.rl]-t
BTK'EL -l
RAOIATORFANS\,YITCHfoN : above )(199'F (93'C)J
BLIVREO
BLK
I
G201G401
IGNITION SWITCH
N0.41 (lmAl No.42 (104)
RADIATORFANRELAY
23-117
.l
Page 1180 of 1681