Page 164 of 715

02-70000-00
3. CHECK AND INSPECTION
1) Cylinder
(1) Compression pressure test
Specified value ▶
Compression ratio16.5 : 1
Test conditionat normal operating temperature (80˚C)
Compression pressur
eStandard32 bar
Minimum18 bar
Differential limit between cylindersMaximum 3 bar
The compression pressure test is to check the conditions of internal components (piston, piston
ring, intake and exhaust vale, cylinder head gasket). This test provides current engine operating
status.
Measurement ▶
<007e0088009900940047009b008f008c0047008c0095008e00900095008c0047009c00970047009b00960047009500960099009400880093004700960097008c00990088009b00900095008e0047009b008c00940097008c00990088009b009c0099008c00
47004f005f005700b6006a00500055>
Disconnect the fuel rail pressure sensor connector to cut off the fuel injection.
Remove the air cleaner duct and glow plugs. -
-
-
Place the diagram sheet to compression
pressure tester and install it into the plug
hole. 1. Before cranking the engine, make sure that the test wiring, tools and persons are keeping
away from moving components of engine (e.g., belt and cooling fan).
Park the vehicle on the level ground and apply the parking brake.
Do not allow anybody to be in front of the vehicle. -
-
-
Page 185 of 715
02-28
4) Cylinder Head Gasket
(1) Features
Sealing the cylinder gas pressure - Peak pressure: 190 bar
Minimizing the distortion of engine structure (cylinder head, block): profile stopper, backland
stopper
Material: MLS (Multi Layer Steel), Gasket (3 layers)
Thickness of gasket: 3 types (1.2 /1.3 /1.4 mm) 1.
2.
3.
4.
(2) Thickness of cylinder head gasket
There are three types of gasket to managing the compression ratio.
Piston protrusion ▶
Piston protrusion Thickness
0.475 to 0.540 mm 1.2t
0.541 to 0.649 mm 1.3t
0.650 to 0.745 mm 1.4t
Thickness marking
Ex: 1.3t
Page 194 of 715
02-370000-00
Torque change curve of engine and drive shaft
Compression stroke Combustion stroke
Small changes from engine (k):
Damper increases the torque changes to clutchLarge changes from engine (j):
Damper decreases the torque changes to
transaxle by absorbing the impact
3) Operation
Compensating the irregular operation of engine: The secondary flywheel operates almost
evenly so does not cause gear noises
The mass of the primary flywheel is less than conventional flywheel so the engine irregularity
increases more (less pulsation absorbing effect).
Transaxle protection function: Reduces the torsional vibration to powertrain (transaxle) by
reducing the irregularity of engine. -
-
-
Page 238 of 715

04-10
1) Types of swirl
Swirl: One cylinder has two intake air ports, one is set horizontally
and the other one is set vertically. Swirl is the horizontal air flows in
cylinder due to the horizontal intake air ports.
Tumble: Tumble is the vertical air flows in cylinder due to the
vertical intake air port
Squish: Squish is the air flows due to the piston head. Normally,
this is appears at the final process of compression. In CRDi
engine, the piston head creates the bowl type squish.
2) Swirl control
In DI type diesel engine, the liquefied fuel is injected into the cylinder directly. If the fuel is evenly
distributed in short period, the combustion efficiency could be improved. To get this, there should
be good air flow in cylinder. In general, there are two intake ports, swirl port and tangential port, in
each cylinder. The swirl port generates the horizontal flow and the tangential port generates the
longitudinal flow. In low/mid load range, the tabgential port is closed to increase the horizontal
flow. Fast flow decreases the PM during combustion and increases the EGR ratio by better
combustion efficiency.
Page 351 of 715

15-26
C. Types of swirl
Swirl: One cylinder has two intake air ports, one is set horizontally and
the other one is set vertically. Swirl is the horizontal air flows in cylinder
due to the horizontal intake air ports.
Tumble: Tumble is the vertical air flows in cylinder due to the vertical
intake air port
Squish is the air flow at end of compression process according to the
design of piston head. In this DI engine, the squish is generated to
bowl type.
D. Swirl control
In DI type diesel engine, the liquefied fuel is injected into the cylinder directly. If the fuel is evenly
distributed in short period, the combustion efficiency could be improved. To get this, there should be
good air flow in cylinder. In general, there are two intake ports, swirl port and tangential port, in each
cylinder. The swirl port generates the horizontal flow and the tangential port generates the longitudinal
flow. In low/mid load range, the tabgential port is closed to increase the horizontal flow. Fast flow
decreases the PM during combustion and increases the EGR ratio by better combustion efficiency.
Page 403 of 715

08-6
3. IGNITION SYSTEM OPERATION
This ignition system does not use a conventional distributor and coil. It uses a crankshaft position
sensor input to the Engine Control Module (ECM).
The ECM then determines Electronic Spark Timing (EST) and triggers the electronic ignition
system ignition coil.
This type of distributorless ignition system uses a "waste spark" method of spark distribution.
Each cylinder is paired with the cylinder that is opposite it (2.3L DOHC: 2 - 3 or 1 - 4, 3.2L
DOHC: 1 - 6 or 2 - 5 or 3 - 4).
The spark occurs simultaneously in the cylinder coming up on the compression stroke and in the
cylinder coming up on the exhaust stroke.
The cylinder on the exhaust stroke requires very little of the available energy to fire the spark plug.
The remaining energy is available to the spark plug in the cylinder on the compression stroke.
These systems use the EST signal from the ECM to control the EST.
The ECM uses the following information: Engine load (mass air flow sensor, manifold air pressure
sensor).
Engine coolant temperature.
Intake air temperature.
Crankshaft position.
Engine speed (rpm).
1) Electronic Ignition System Ignition Coil
The Electronic Ignition (EI) system ignition coil is located on the cylinder head cover.
The double ended coils re ceive the signal for the ECM which controls the spark advance.
Each EI system ignition coil provides the high voltage to two spark plugs simultaneously;
3.2L DOHC
T1/1: cylinder 2 and 5
T1/2: cylinder 3 and 4
T1/3: cylinder 1 and 6
The EI system ignition coil is not serviceable and must be replaced as an assembly.
Page 627 of 715
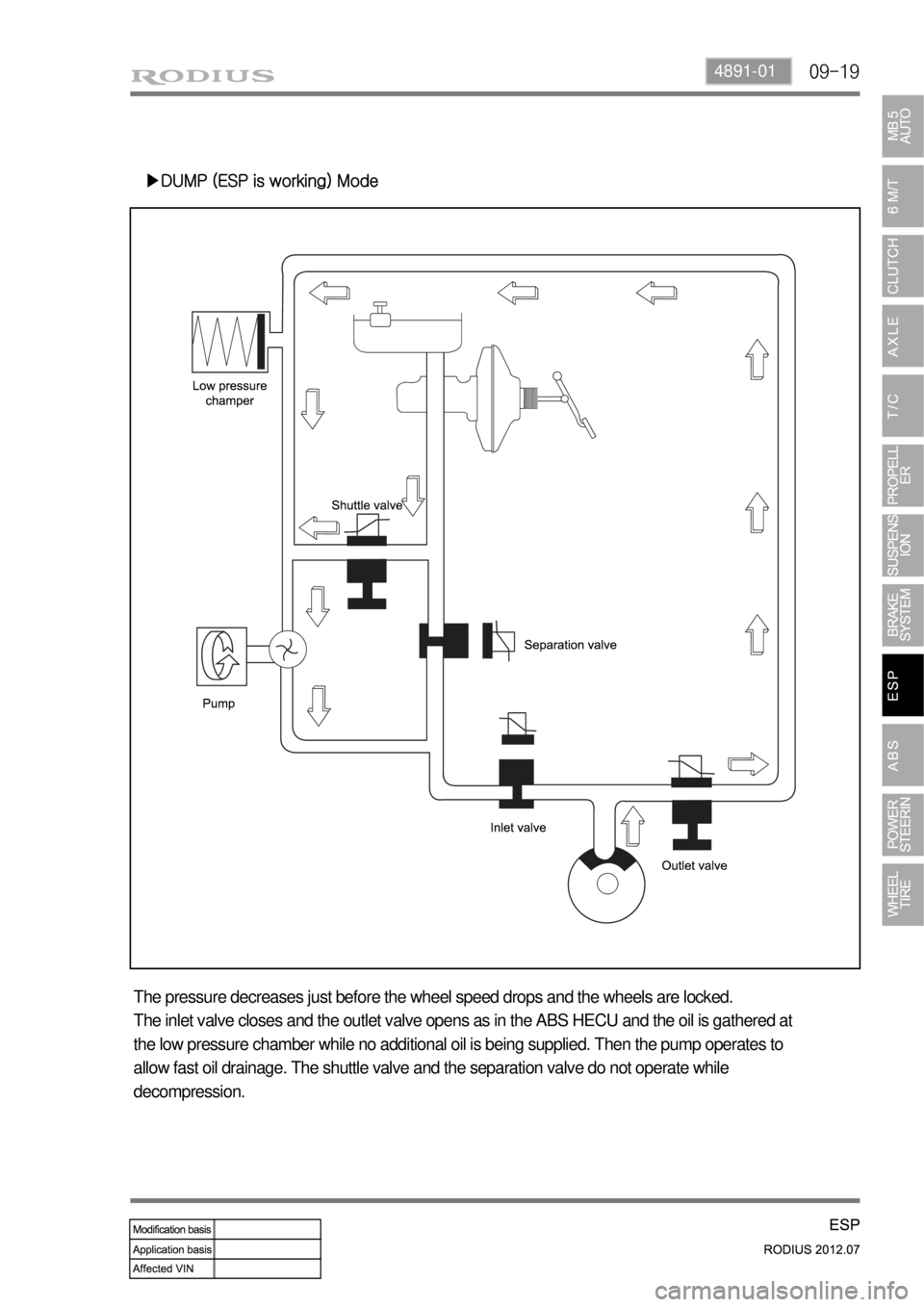
09-194891-01
▶DUMP (ESP is working) Mode
The pressure decreases just before the wheel speed drops and the wheels are locked.
The inlet valve closes and the outlet valve opens as in the ABS HECU and the oil is gathered at
the low pressure chamber while no additional oil is being supplied. Then the pump operates to
allow fast oil drainage. The shuttle valve and the separation valve do not operate while
decompression.