Page 132 of 4210
ADP-118
< ECU DIAGNOSIS >
DRIVER SEAT CONTROL UNIT
38 GRRear lifting motor UP output sig-
nal Rear end lifting switch UP opera-
tion (Motor operated)
Battery voltage
Other than above 0
39 R Rear lifting motor DOWN output
signal Rear end lifting switch DOWN op-
eration (Motor operated)
Battery voltage
Other than above 0
40 G Battery power supply —Battery voltage
42 R/Y Sliding motor BACKWARD out-
put signal Sliding switch BACKWARD opera-
tion (Motor operated)
Battery voltage
Other than above 0
44 G/B Reclining motor BACKWARD
output signal Reclining switch BACKWARD op-
eration (Motor operated)
Battery voltage
Other than above 0
45 G/Y Front lifting motor UP output sig-
nal Front lifting switch UP operation
(Motor operated)
Battery voltage
Other than above 0
48 B Ground — 0
Te r m i n a l
Wire
Color Item
Condition Voltage (V)
(Approx.)
Revision: April 20092010 QX56
Page 133 of 4210
DRIVER SEAT CONTROL UNITADP-119
< ECU DIAGNOSIS >
C
DE
F
G H
I
K L
M A
B
ADP
N
O P
Wiring DiagramINFOID:0000000005147577
ABJWA0085GB
Revision: April 20092010 QX56
Page 134 of 4210
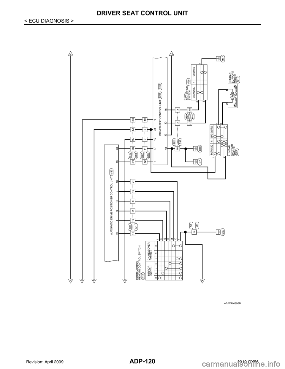
ADP-120
< ECU DIAGNOSIS >
DRIVER SEAT CONTROL UNIT
ABJWA0086GB
Revision: April 20092010 QX56
Page 135 of 4210
DRIVER SEAT CONTROL UNITADP-121
< ECU DIAGNOSIS >
C
DE
F
G H
I
K L
M A
B
ADP
N
O P
ABJWA0087GB
Revision: April 20092010 QX56
Page 136 of 4210
ADP-122
< ECU DIAGNOSIS >
DRIVER SEAT CONTROL UNIT
ABJWA0088GB
Revision: April 20092010 QX56
Page 137 of 4210
DRIVER SEAT CONTROL UNITADP-123
< ECU DIAGNOSIS >
C
DE
F
G H
I
K L
M A
B
ADP
N
O P
ABJIA0272GB
Revision: April 20092010 QX56
Page 138 of 4210
ADP-124
< ECU DIAGNOSIS >
DRIVER SEAT CONTROL UNIT
ABJIA0273GB
Revision: April 20092010 QX56
Page 139 of 4210
DRIVER SEAT CONTROL UNITADP-125
< ECU DIAGNOSIS >
C
DE
F
G H
I
K L
M A
B
ADP
N
O P
ABJIA0274GB
Revision: April 20092010 QX56