
CHG
POWER GENERATION VOLTAGE VARIABLE CONTROL SYSTEM
CHG-9
< FUNCTION DIAGNOSIS >
C
D E
F
G H
I
J
K L
B A
O P
N
POWER GENERATION VOLTAG
E VARIABLE CONTROL SYSTEM
System DiagramINFOID:0000000001696181
System DescriptionINFOID:0000000001696182
Power generation variable voltage control system has been adopted. By varying the voltage to the generator,
engine load due to power generation of the generator is reduced and fuel consumption is decreased.
NOTE:
When any malfunction is detected in the power generat ion variable voltage control system, power generation
is performed according to the characterist ic of the IC regulator in the generator.
Component DescriptionINFOID:0000000001696183
ALMIA0057GB
Component part Description
Battery current sensor The battery current sensor is installed on the battery cable at the
negative terminal. The battery current sensor detects the charg-
ing/discharging current of the battery and sends a voltage signal
to the ECM according to the current value detected.
ECM The battery current sensor detects the charging/discharging cur-
rent of the battery. The ECM judges the battery condition based on
this signal.
The ECM judges whether to request more output via the power
generation voltage variable control according to the battery condi-
tion.
When performing the power generation voltage variable control,
the ECM calculates the target power generation voltage according
to the battery condition and sends the calculated value as the pow-
er generation command value to the IPDM E/R.
IPDM E/R The IPDM E/R converts the received power generation command
value into a pulse width modulated (PWM) command signal and
sends it to the IC regulator.
Generator (IC regulator) The IC regulator controls the power generation voltage by the tar-
get power generation voltage based on the received PWM com-
mand signal.
When there is no PWM command signal, the generator performs
the normal power generation according to the characteristic of the
IC regulator.
Revision: March 2010
2008 QX56

CHG-16
< COMPONENT DIAGNOSIS >
CHARGING SYSTEM
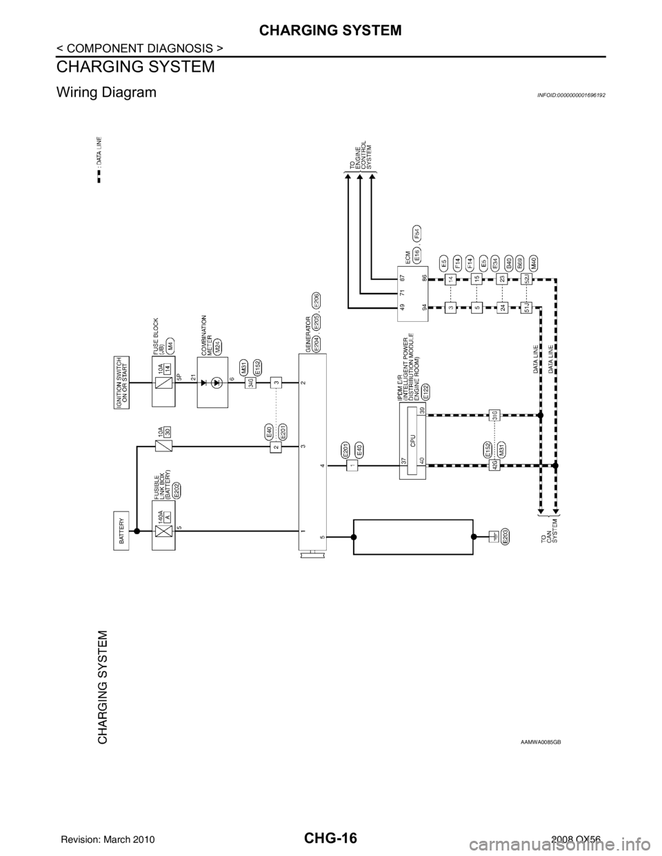
CHARGING SYSTEM
Wiring DiagramINFOID:0000000001696192
AAMWA0085GB
Revision: March 20102008 QX56

DEF-1
DRIVER CONTROLS
C
DE
F
G H
I
J
K
M
SECTION DEF
A
B
DEF
N
O P
CONTENTS
DEFOGGER
BASIC INSPECTION ....... .............................3
DIAGNOSIS AND REPAIR WORKFLOW ..... .....3
Repair Work Flow ................................................ ......3
FUNCTION DIAGNOSIS ...............................4
REAR WINDOW DEFOGGER SYSTEM ........ .....4
System Diagram .................................................. ......4
System Description ...................................................4
Component Parts Location ........................................5
Component Description .............................................5
DIAGNOSIS SYSTEM (BCM) .............................6
COMMON ITEM ..................................................... ......6
COMMON ITEM : CONSULT-III Function (BCM -
COMMON ITEM) .......................................................
6
REAR WINDOW DEFOGGER ............................... ......6
REAR WINDOW DEFOGGER : CONSULT-III
Function (BCM - REAR DEFOGGER) ......................
6
CAN COMMUNICATION .....................................7
System Description ............................................. ......7
COMPONENT DIAGNOSIS ..........................8
REAR WINDOW DEFOGGER SWITCH ........ .....8
Description .......................................................... ......8
Component Function Check ......................................8
Diagnosis Procedure .................................................8
REAR WINDOW DEFOGGER RELAY ...............9
Description .......................................................... ......9
Component Function Check ......................................9
Diagnosis Procedure .................................................9
REAR WINDOW DEFOGGER POWER SUP-
PLY AND GROUND CIRCUIT ............................
10
Description .......................................................... ....10
Component Function Check ....................................10
Diagnosis Procedure ...............................................10
Component Inspection ......................................... ....11
DOOR MIRROR DEFOGGER LH .....................12
Description ...............................................................12
Component Function Check ....................................12
Diagnosis Procedure ...............................................12
Component Inspection .............................................13
DOOR MIRROR DEFOGGER RH .....................14
Description ...............................................................14
Component Function Check ....................................14
Diagnosis Procedure ...............................................14
Component Inspection .............................................15
ECU DIAGNOSIS .........................................16
BCM (BODY CONTROL MODULE) .................16
Reference Value .................................................. ....16
Wiring Diagram ........................................................17
SYMPTOM DIAGNOSIS ..............................25
REAR WINDOW DEFOGGER AND DOOR
MIRROR DEFOGGER DO NOT OPERATE. ....
25
Diagnosis Procedure ........................................... ....25
REAR WINDOW DEFOGGER DOES NOT
OPERATE BUT BOTH OF DOOR MIRROR
DEFOGGER OPERATE. ...................................
26
Diagnosis Procedure ...............................................26
BOTH DOORS MIRROR DEFOGGER DON’T
OPERATE BUT REAR WINDOW DEFOG-
GER OPERATES ..............................................
27
Diagnosis Procedure ...............................................27
DRIVER SIDE DOOR MIRROR DEFOGGER
DOES NOT OPERATE. .....................................
28
Diagnosis Procedure ...............................................28
PASSENGER SIDE DOOR MIRROR DEFOG-
GER DOES NOT OPERATE. ............................
29
Revision: March 2010 2008 QX56

DEF-4
< FUNCTION DIAGNOSIS >
REAR WINDOW DEFOGGER SYSTEM
FUNCTION DIAGNOSIS
REAR WINDOW DEFOGGER SYSTEM
System DiagramINFOID:0000000001735602
System DescriptionINFOID:0000000001735603
Operation Description
• Turn rear window defogger switch ON when the ignition switch is turned ON. Then A/C and AV switch
assembly (rear window defogger switch) transmits rear window defogger switch signal to BCM.
• BCM transmits rear window defogger control signal to IPDM E/R and display unit via CAN communication when rear window defogger operates.
• IPDM E/R turns rear window defogger relay and heated mirror relay ON when rear window defogger switch
signal is received.
• Rear window defogger and door mirror defogger are supplied with power and operate when rear window defogger relay and heated mirror relay turn ON.
• Rear window defogger ON is displayed when signal is received.
Timer function
• BCM turns rear window defogger relay and heated mirror relay ON for approximately 15 minutes when rear window defogger switch is turned ON while ignition switch is ON. It makes rear window defogger and door
mirror defogger operate.
• Timer is canceled after pressing rear window defogger switch again during timer operation. Then BCM turns
rear window defogger relay and heated mirror relay OFF. The same reaction also occurs during timer opera-
tion, if the ignition switch is turned OFF.
INPUT/OUTPUT SIGNAL CHART
ALLIA0892GB
Switch Input signal to BCM BCM functionAcutuator
Rear window defogger switch Defogger switch signal Rear window defogger & door mirror
defogger control Rear window defogger
Door mirror defogger
Ignition switch Ignition signal
Revision: March 2010 2008 QX56

BCM (BODY CONTROL MODULE)DEF-17
< ECU DIAGNOSIS >
C
DE
F
G H
I
J
K
M A
B
DEF
N
O P
Wiring DiagramINFOID:0000000001735636
ALLWA0058GB
Revision: March 2010 2008 QX56

DLK-1
BODY EXTERIOR, DOORS, ROOF & VEHICLE SECURITY
C
DE
F
G H
I
J
L
M
SECTION DLK
A
B
DLK
N
O P
CONTENTS
DOOR & LOCK
WITH INTELLIGENT KEY SYSTEM
BASIC INSPECTION ....... .............................
6
DIAGNOSIS AND REPAIR WORKFLOW ..... .....6
Work Flow ........................................................... ......6
INSPECTION AND ADJUSTMENT .....................9
ADDITIONAL SERVICE WHEN REMOVING BAT-
TERY NEGATIVE TERMINAL ............................... ......
9
ADDITIONAL SERVICE WHEN REMOVING
BATTERY NEGATIVE TERMINAL : Description ......
9
ADDITIONAL SERVICE WHEN REMOVING
BATTERY NEGATIVE TERMINAL : Special Re-
pair Requirement ................................................. ......
9
ADDITIONAL SERVICE WHEN REPLACING
CONTROL UNIT .................................................... ......
9
ADDITIONAL SERVICE WHEN REPLACING
CONTROL UNIT : Description ..................................
9
ADDITIONAL SERVICE WHEN REPLACING
CONTROL UNIT : Special Repair Requirement .......
9
FUNCTION DIAGNOSIS ..............................10
DOOR LOCK FUNCTION .............................. ....10
DOOR LOCK AND UNLOCK SWITCH ................. ....10
DOOR LOCK AND UNLOCK SWITCH : System
Diagram ...................................................................
10
DOOR LOCK AND UNLOCK SWITCH : System
Description ..............................................................
10
DOOR LOCK AND UNLOCK SWITCH :
Component Parts Location ....................................
11
DOOR LOCK AND UNLOCK SWITCH :
Component Description ..........................................
11
DOOR REQUEST SWITCH ................................... ....12
DOOR REQUEST SWITCH : System Diagram ......12
DOOR REQUEST SWITCH : System Description ....12
DOOR REQUEST SWITCH :
Component Parts Location ....................................
15
DOOR REQUEST SWITCH :
Component Description ...................................... ....
17
INTELLIGENT KEY ................................................ ....17
INTELLIGENT KEY : System Diagram ....................17
INTELLIGENT KEY : System Description ...............17
INTELLIGENT KEY : Component Parts Location ....20
INTELLIGENT KEY : Component Description ........21
BACK DOOR OPENER FUNCTION .................23
BACK DOOR OPENER SWITCH .......................... ....23
BACK DOOR OPENER SWITCH : System Dia-
gram ........................................................................
23
BACK DOOR OPENER SWITCH : System De-
scription ...................................................................
23
BACK DOOR OPENER SWITCH :
Component Parts Location ....................................
28
BACK DOOR OPENER SWITCH :
Component Description ..........................................
28
INTELLIGENT KEY ................................................ ....29
INTELLIGENT KEY : System Diagram ....................29
INTELLIGENT KEY : System Description ...............29
INTELLIGENT KEY : Component Parts Location ....31
INTELLIGENT KEY : Component Description ........32
WARNING FUNCTION ......................................34
System Description ..................................................34
Component Parts Location ....................................38
KEY REMINDER FUNCTION ............................40
System Description ..................................................40
Component Parts Location ....................................41
HAZARD AND BUZZER REMINDER FUNC-
TION ..................................................................
43
System Diagram ......................................................43
System Description ..................................................43
Component Parts Location ....................................44
Component Description ..........................................46
HOMELINK UNIVERSAL TRANSCEIVER .......47
Revision: March 2010 2008 QX56

DLK-4
BACK DOOR CLOSE SWITCH SYSTEM .......133
Diagnosis Procedure ........................................... ..133
BACK DOOR SWITCH ....................................134
Diagnosis Procedure ........................................... ..134
CINCH LATCH MOTOR SYSTEM ...................135
Diagnosis Procedure ........................................... ..135
INTELLIGENT KEY UNIT POWER BACK
DOOR INPUT SIGNAL ....................................
136
Description ........................................................... ..136
Diagnosis Procedure .............................................136
INTELLIGENT KEY UNIT POWER BACK
DOOR OUTPUT SIGNAL ................................
137
Description ........................................................... ..137
Diagnosis Procedure .............................................137
HOMELINK UNIVERSAL TRANSCEIVER ......138
Wiring Diagram .................................................... ..138
Description .............................................................139
Component Function Check ................................140
Diagnosis Procedure .............................................140
ECU DIAGNOSIS ..................................... ..142
BCM (BODY CONTROL MODULE) ............... .142
Reference Value .................................................. ..142
Terminal Layout .....................................................144
Physical Values .....................................................144
Wiring Diagram — POWER DOOR LOCK SYS-
TEM — ..................................................................
150
Fail Safe ................................................................162
DTC Inspection Priority Chart .............................163
DTC Index ........................................................... ..163
INTELLIGENT KEY UNIT ................................165
Reference Value - Intelligent Key Unit ................. ..165
Reference Value - Steering Lock Solenoid ............168
Wiring Diagram — INTELLIGENT KEY SYSTEM
— ......................................................................... ..
169
Fail Safe ................................................................186
BACK DOOR CONTROL UNIT .......................187
Reference Value .................................................. ..187
Wiring Diagram—AUTOMATIC BACK DOOR
SYSTEM— ............................................................
189
Fail Safe .............................................................. ..199
SYMPTOM DIAGNOSIS ............................200
INTELLIGENT KEY SYSTEM SYMPTOMS ... .200
Symptom Table ................................................... ..200
DOOR LOCK FUNCTION SYMPTOMS ..........201
DOOR LOCK AND UNLOCK SWITCH ................. ..201
DOOR LOCK AND UNLOCK SWITCH : Symptom
Table ......................................................................
201
INTELLIGENT KEY ................................................ ..202
INTELLIGENT KEY : Symptom Table ..................202
BACK DOOR OPENER FUNCTION ................204
BACK DOOR OPENER SWITCH .......................... .204
BACK DOOR OPENER SWITCH : Symptom Ta-
ble ........................................................................ .
204
BACK DOOR SWITCH ........................................... .204
BACK DOOR SWITCH : Symptom Table .............205
INTELLIGENT KEY ................................................ .205
INTELLIGENT KEY : Symptom Table ..................205
WARNING FUNCTION SYMPTOMS ...............206
Symptom Table .................................................... .206
KEY REMINDER FUNCTION SYMPTOMS .....209
Symptom Table .................................................... .209
HAZARD FUNCTION ..................................... ..210
Symptom Table .................................................... .210
HORN FUNCTION ............................................211
Symptom Table .................................................... .211
HOMELINK UNIVERSAL TRANSCEIVER ......212
Symptom Table .................................................... .212
SQUEAK AND RATTLE TROUBLE DIAG-
NOSES ..............................................................
213
Work Flow ............................................................ .213
Inspection Procedure ............................................215
Diagnostic Worksheet ...........................................217
PRECAUTION ...........................................219
PRECAUTIONS .............................................. ..219
Precaution for Supplemental Restraint System
(SRS) "AIR BAG" and "SEAT BELT PRE-TEN-
SIONER" .............................................................. .
219
Precaution Necessary for Steering Wheel Rota-
tion After Battery Disconnect ................................
219
Precaution for work ...............................................220
PREPARATION .........................................221
PREPARATION .............................................. ..221
Special Service Tool ............................................ .221
Commercial Service Tool ......................................222
ON-VEHICLE REPAIR ..............................223
HOOD ............................................................. ..223
Fitting Adjustment ................................................ .223
Removal and Installation of Hood Assembly ........224
Removal and Installation of Hood Lock Control ....225
Hood Lock Control Inspection ...............................226
DOOR ............................................................. ..228
Fitting Adjustment ................................................ .228
Removal and Installation .......................................229
Revision: March 2010 2008 QX56
![INFINITI QX56 2008 Factory Service Manual DLK-10
< FUNCTION DIAGNOSIS >[WITH INTELLIGENT KEY SYSTEM]
DOOR LOCK FUNCTION
FUNCTION DIAGNOSIS
DOOR LOCK FUNCTION
DOOR LOCK AND UNLOCK SWITCH
DOOR LOCK AND UNLOCK SWITCH : System DiagramINFOID:00000 INFINITI QX56 2008 Factory Service Manual DLK-10
< FUNCTION DIAGNOSIS >[WITH INTELLIGENT KEY SYSTEM]
DOOR LOCK FUNCTION
FUNCTION DIAGNOSIS
DOOR LOCK FUNCTION
DOOR LOCK AND UNLOCK SWITCH
DOOR LOCK AND UNLOCK SWITCH : System DiagramINFOID:00000](/manual-img/42/57030/w960_57030-802.png)
DLK-10
< FUNCTION DIAGNOSIS >[WITH INTELLIGENT KEY SYSTEM]
DOOR LOCK FUNCTION
FUNCTION DIAGNOSIS
DOOR LOCK FUNCTION
DOOR LOCK AND UNLOCK SWITCH
DOOR LOCK AND UNLOCK SWITCH : System DiagramINFOID:0000000001538906
DOOR LOCK AND UNLOCK SW
ITCH : System DescriptionINFOID:0000000001538907
DOOR LOCK FUNCTION
Functions Available by Operating the Door Lock an d Unlock Switches on Driver Door and Passenger Door
• Interlocked with the locking operation of door lock and unlock switch, door lock actuators of all door lock
actuators are locked.
• Interlocked with the unlocking operation of door lock and unlock switch, door lock actuators of all door lock
actuators are unlocked.
Functions Available by Operating the Key Cylinder Switch on Driver Door
• Interlocked with the locking operation of door key cyli nder, door lock actuators of all door lock actuators are
locked.
Selective Unlock Operation
• When door key cylinder is unlocked, door lo ck actuator driver side is unlocked.
• When door key cylinder is unlocked for the second time within 5 seconds after the first operation, door lock actuators on all doors are unlocked.
Select unlock operation mode can be changed using DOOR LOCK-UNLOCK SET mode in “WORK SUP-
PORT”. Refer to DLK-48, "
DOOR LOCK : CONSULT-III Function (BCM - DOOR LOCK)".
Key Reminder System
Refer to DLK-40, "System Description".
ALKIA0703GB
Switch Input/output signal to BCM BCM functionActuator
Main power window and door
lock/unlock switch Door lock/unlock signal Door lock/unlock control Door lock actuator
Power window and door lock/
unlock switch
Door key cylinder switch
Revision: March 2010 2008 QX56