
ATC-48
TROUBLE DIAGNOSIS
Revision: 2006 November2007 350Z
8. CHECK ACTUATORS
Refer to the following chart and confirm discharge air flow, air tem-
perature, blower motor duty ratio and compressor operation.
Checks must be made visually, by listening the sound, or by touching air outlets with hand, etc. for improper
operation.
*1: STEP-No. 41 to 46 are for differentiation and will not be displayed.
*2: FOOT position during automatic control. Refer to AT C - 5 1 , "
AUXILIARY MECHANISM: FOOT POSITION
SETTING TRIMMER" .
OK or NG
OK >> 1. Turn ignition switch OFF or intake switch ON.
2. INSPECTION END
NG >>
Air outlet does not change.
Go to Mode Door Motor Circuit. Refer to AT C - 6 0 , "
Mode Door Motor Circuit" .
Intake door does not change.
Go to Intake Door Motor Circuit. Refer to AT C - 6 6 , "
Intake Door Motor Circuit" .
Discharge air temperature does not change.
Go to Air Mix Door Motor Circuit. Refer to AT C - 6 3 , "
Air Mix Door Motor Circuit" .
Blower motor operation is malfunctioning.
Go to Blower Motor Circuit. Refer to AT C - 6 9 , "
Blower Motor Circuit" .
Magnet clutch does not engage.
Go to Magnet Clutch Circuit. Refer to AT C - 7 4 , "
Magnet Clutch Circuit" .
RJIA2110E
STEP-No. *1STEP-41 STEP-42 STEP-43 STEP-44 STEP-45 STEP-46
Mode control dial posi-
tionAUTO VENT B/LFOOT or
FOOT2D/F or D/F2 DEF
Mode door position VENT VENT2 B/L
FOOT
*2D/F DEF
Intake door position REC REC REC FRE FRE FRE
Air mix door position FULL COLD FULL COLD FULL COLD FULL HOT FULL HOT FULL HOT
Blower motor duty ratio 25% 25% 41% 57% 75% 91%
Compressor ON ON OFF OFF ON ON

TROUBLE DIAGNOSIS
ATC-53
C
D
E
F
G
H
I
K
L
MA
B
AT C
Revision: 2006 November2007 350Z
Operational CheckNJS0000X
The purpose of the operational check is to check if the individual system operates properly.
CHECKING BLOWER
1. Turn fan control dial to 1st speed. Blower should operate on low speed.
2. Turn fan control dial to 2nd speed, and continue checking blower speed until all speeds are checked.
3. Leave blower on max. speed.
If NG, go to trouble diagnosis procedure for AT C - 6 9 , "
Blower Motor Circuit" .
If OK, continue the check.
CHECKING DISCHARGE AIR
1. Turn mode control dial to each position.
2. Confirm that discharge air comes out according to the air distri-
bution table. Refer to AT C - 3 0 , "
Discharge Air Flow" .
Intake door position is checked in the next step.
If NG, go to trouble diagnosis procedure for AT C - 6 0 , "
Mode Door
Motor Circuit" .
If OK, continue the check.
NOTE:
Confirm that the compressor clutch is engaged (sound or visual
inspection) and intake door position is at FRESH when the D/F, D/F2
or DEF position are selected.
CHECKING INTAKE DOOR
1. Press intake switch. Recirculation LED should illuminate.
2. Press intake switch again. Fresh LED should illuminate.
3. Listen for intake door position change. (Slight change of blower sound can be heard.)
If NG, go to trouble diagnosis procedure for AT C - 6 6 , "
Intake Door Motor Circuit" .
If OK, continue the check.
CHECKING TEMPERATURE DECREASE
1. Turn temperature control dial until 18°C (60°F).
2. Check for cold air at discharge air outlets.
If NG, go to trouble diagnosis procedure for AT C - 8 1 , "
Insufficient Cooling" .
If OK, continue the check.
CHECKING TEMPERATURE INCREASE
1. Turn temperature control dial until 32°C (90°F).
2. Check for hot air at discharge air outlets.
If NG, go to trouble diagnosis procedure for AT C - 8 9 , "
Insufficient Heating" .
If OK, continue the check.
CHECKING A/C SWITCH
Turn fan control dial to AUTO position. (Compressor is turned ON automatically.)
Confirm that the compressor clutch engages (sound or visual inspection). (Discharge air and blower
speed will depend on ambient, in-vehicle, and set temperatures.)
If NG, go to trouble diagnosis procedure for AT C - 5 4 , "
Power Supply and Ground Circuit for Auto Amp." , then
if necessary, trouble diagnosis procedure for AT C - 7 4 , "
Magnet Clutch Circuit" .
If all operational checks are OK (symptom cannot be duplicated), go to Incident Simulation Tests in GI-27,
"How to Perform Efficient Diagnosis for an Electrical Incident" and perform tests as outlined to simulate driv-
ing conditions environment. If symptom appears, refer to AT C - 3 4 , "
SYMPTOM TABLE" and perform applica-
ble trouble diagnosis procedures.Conditions : Engine running at normal operating temperature
RJIA2110E

ATC-54
TROUBLE DIAGNOSIS
Revision: 2006 November2007 350Z
Power Supply and Ground Circuit for Auto Amp.NJS0000Y
SYMPTOM: A/C system does not come on.
INSPECTION FLOW
COMPONENT DESCRIPTION
Unified Meter and A/C amp. (Automatic Amplifier)
The unified meter and A/C amp. has a built-in microcomputer which
processes information sent from various sensors needed for air con-
ditioner operation. The air mix door motor, mode door motor, intake
door motor, blower motor and compressor are then controlled.
When the various switches and temperature control dial are oper-
ated, data is input to the unified meter and A/C amp. from the A/C
controller using multiplex communication.
Self-diagnosis functions are also built into unified meter and A/C
amp. to provide quick check of malfunctions in the auto air condi-
tioner system.
*1AT C - 5 5 , "DIAGNOSIS PROCE-
DURE FOR A/C SYSTEM"
*2AT C - 5 3 , "Operational Check"
SJIA1123E
RJIA1356E

TROUBLE DIAGNOSIS
ATC-75
C
D
E
F
G
H
I
K
L
MA
B
AT C
Revision: 2006 November2007 350Z
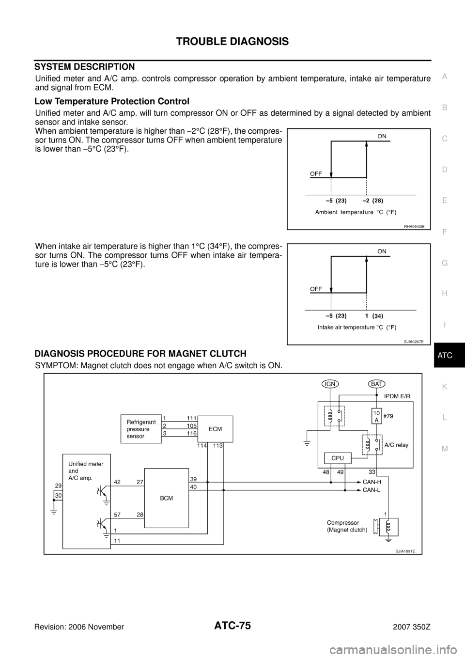
SYSTEM DESCRIPTION
Unified meter and A/C amp. controls compressor operation by ambient temperature, intake air temperature
and signal from ECM.
Low Temperature Protection Control
Unified meter and A/C amp. will turn compressor ON or OFF as determined by a signal detected by ambient
sensor and intake sensor.
When ambient temperature is higher than −2°C (28°F), the compres-
sor turns ON. The compressor turns OFF when ambient temperature
is lower than −5°C (23°F).
When intake air temperature is higher than 1°C (34°F), the compres-
sor turns ON. The compressor turns OFF when intake air tempera-
ture is lower than −5°C (23°F).
DIAGNOSIS PROCEDURE FOR MAGNET CLUTCH
SYMPTOM: Magnet clutch does not engage when A/C switch is ON.
RHA094GB
SJIA0267E
SJIA1891E

ATC-76
TROUBLE DIAGNOSIS
Revision: 2006 November2007 350Z
1. CHECK AMBIENT SENSOR CIRCUIT AND INTAKE SENSOR CIRCUIT
Check ambient sensor and intake sensor. Refer to AT C - 4 6 , "
FUNCTION CONFIRMATION PROCEDURE" ,
see No. 9.
OK or NG
OK >> GO TO 2.
NG >>
Malfunctioning ambient sensor: Refer to AT C - 9 2 , "Ambient Sensor Circuit" .
Malfunctioning intake sensor: Refer to ATC-100, "Intake Sensor Circuit" .
2. PERFORM AUTO ACTIVE TEST
Refer to PG-20, "
Auto Active Test" .
Dose the magnet clutch operate?
YES >> WITH CONSULT-III: GO TO 5.
WITHOUT CONSULT-III: GO TO 6.
NO >> Check 10A fuse (No. 79, located in IPDM E/R), and GO TO 3. Refer to PG-23, "
IPDM E/R Termi-
nal Arrangement" .
3. CHECK CIRCUIT CONTINUITY BETWEEN IPDM E/R AND COMPRESSOR
1. Turn ignition switch OFF.
2. Disconnect IPDM E/R connector and compressor connector.
3. Check continuity between IPDM E/R harness connector E8 ter-
minal 33 and compressor harness connector F24 terminal 1.
OK or NG
OK >> GO TO 4.
NG >> Repair harness or connector.
4. CHECK MAGNET CLUTCH CIRCUIT
Check for operation sound when applying battery voltage direct cur-
rent to terminal.
OK or NG
OK >> 1. Replace IPDM E/R.
2. Go to self-diagnosis procedure AT C - 4 6 , "
FUNCTION
CONFIRMATION PROCEDURE" and preform self-
diagnosis STEP-4. Confirm that magnet clutch opera-
tion normal.
NG >> 1. Replace magnet clutch.
2. Go to self-diagnosis procedure AT C - 4 6 , "
FUNCTION
CONFIRMATION PROCEDURE" and preform self-
diagnosis STEP-4. Confirm that magnet clutch operation normal.
5. CHECK BCM INPUT (COMPRESSOR ON) SIGNAL
Check compressor ON/OFF signal. Refer to AT C - 3 3 , "
CONSULT-III Function (BCM)" .
OK or NG
OK >> GO TO 8.
NG >> GO TO 6.
33 – 1 : Continuity should exist.
RJIA2004E
RJIA2005E
A/C SW ON : AIR COND SIG ON
A/C SW OFF : AIR COND SIG OFF

TROUBLE DIAGNOSIS
ATC-77
C
D
E
F
G
H
I
K
L
MA
B
AT C
Revision: 2006 November2007 350Z
6. CHECK CIRCUIT CONTINUITY BETWEEN BCM AND UNIFIED METER AND A/C AMP.
1. Turn ignition switch OFF.
2. Disconnect BCM connector and unified meter and A/C amp.
connector.
3. Check continuity between BCM harness connector M90 terminal
27 and unified meter and A/C amp. harness connector M50 ter-
minal 42.
OK or NG
OK >> GO TO 7.
NG >> Repair harness or connector.
7. CHECK VOLTAGE FOR UNIFIED METER AND A/C AMP. (COMPRESSOR ON SIGNAL)
1. Reconnect BCM connector and unified meter and A/C amp.
connector.
2. Turn ignition switch ON.
3. Check voltage between unified meter and A/C amp. harness
connector M50 terminal 42 and ground.
OK or NG
OK >> GO TO 8.
NG-1 >> If the voltage is approx. 5 V when A/C switch is ON: Replace unified meter and A/C amp.
NG-2 >> If the voltage is approx. 0 V when A/C switch is OFF: Replace BCM.27 – 42 : Continuity should exist.
RJIA2006E
Terminals
Condition Voltage (+)
(−) Unified meter
and A/C amp.
connectorTerminal No.
M50 42 GroundA/C switch: ON
(Blower motor oper-
ates.)Approx. 0 V
A/C switch: OFF Approx. 5 V
RJIA2007E

ATC-84
TROUBLE DIAGNOSIS
Revision: 2006 November2007 350Z
*1ATC-125, "Removal and Installation
of Compressor"
*2ATC-69, "Blower Motor Circuit"*3EM-12, "Checking Drive Belts"
SJIA1642E

ATC-86
TROUBLE DIAGNOSIS
Revision: 2006 November2007 350Z
TROUBLE DIAGNOSIS FOR UNUSUAL PRESSURE
Whenever system’s high and/or low side pressure(s) is/are unusual, diagnose using a manifold gauge. The
marker above the gauge scale in the following tables indicates the standard (usual) pressure range. Since the
standard (usual) pressure, however, differs from vehicle to vehicle, refer to above table (Ambient air tempera-
ture-to-operating pressure table).
Both High- and Low-pressure Sides are Too High
High-pressure Side is Too High and Low-pressure Side is Too Low
Gauge indication Refrigerant cycle Probable cause Corrective action
Both high- and low-pressure sides
are too high.The pressure returns to normal
soon after water is splashed on
condenser.Excessive refrigerant charge
in refrigeration cycle.Reduce refrigerant until speci-
fied pressure is obtained.
Air suction by cooling fan is
insufficient.Insufficient condenser cooling
performance.
↓
1. Condenser fins are clogged.
2. Improper fan rotation of
cooling fan.
Clean condenser.
Check and repair cooling
fan as necessary.
Low-pressure pipe is not
cold.
When compressor is
stopped high-pressure value
quickly drops by approxi-
mately 196 kPa (2 kg/cm
2 ,
28 psi). It then decreases
gradually thereafter.Poor heat exchange in con-
denser
(After compressor operation
stops, high-pressure
decreases too slowly.).
↓
Air in refrigeration cycle.Evacuate repeatedly and
recharge system.
Engine tends to overheat.Engine cooling systems mal-
function.Check and repair each engine
cooling system.
An area of the low-pressure
pipe is colder than areas
near the evaporator outlet.
Low-pressure pipe is some-
times covered with frost.
Excessive liquid refrigerant
on low-pressure side.
Excessive refrigerant dis-
charge flow.
Expansion valve is open a
little compared with the
specification.
↓
Improper expansion valve
adjustment.Replace expansion valve.
AC359A
Gauge indication Refrigerant cycle Probable cause Corrective action
High-pressure side is too high and
low-pressure side is too low.
Upper side of condenser and
high-pressure side are hot,
however, liquid tank is not so
hot.High-pressure tube or parts
located between compressor
and condenser are clogged or
crushed.
Check and repair or replace
malfunctioning parts.
Check lubricant for contami-
nation.
AC360A