Page 1281 of 1556
Downloaded from www.Manualslib.com manuals search engine Wiring Systems: 9A-114
D-3 Front Fog Light System Circuit Diagram (Taiwan)S6RW0D910E024
FR
FOG
(R) (L)
2
E1641
2
E1631
20A
14
Relay
Switch
3
E2342
14
WHT/GRNRED/YEL
RED/YEL
LT GRN
BLK
BLKBLK
LT GRNLT GRN
14
D
DG333
E381
13E381
G333
FREEIG LOAD E Il Ile
TERMINAL
POSITION
PUSH
7 6
4
8
G306
G151
RED/YEL
RED/YELGRY/REDRED/YEL
RED/YEL
11
BLK/YEL
BLK/YEL
5
J/C
B
BG309
J/C
A
AG306
J/C J/B
BLK
BLK
BLK
BLK
RY"D-4"GR
B
"A-8"
BLKBLK
BLK
14
Individual circuit
fuse box (No.1)
9
BLK
7
BCM
"A-8"
BCM
I6RW0C910982-01
Page 1283 of 1556
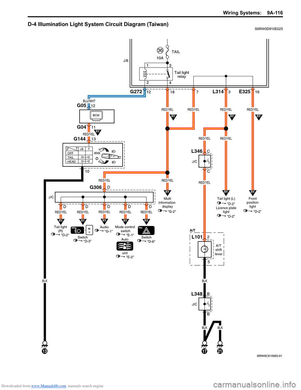
Downloaded from www.Manualslib.com manuals search engine Wiring Systems: 9A-116
D-4 Illumination Light System Circuit Diagram (Taiwan)S6RW0D910E025
BLU/WHT
RED/YEL
10ATAIL
36
J/B
12G272
10
G14413
131721
RED/YELRED/YEL
RED/YELRED/YELRED/YEL
L3143
BLKBLK
BLKBLK
"D-3"
A/T
RY
Switch
J/C
G306
RED/YEL
RY
RED/YEL
Switch
Auto
unit
RY
RED/YEL
Mode control
switch
"E-1"Tail light
(R)
"D-2"
"E-2"
"D-6"
OFF
TAIL
HEAD+BT T
P
187
RY
RED/YEL
Audio
"G-1"
D
D
D D D
RY
RED/YEL
D
RED/YEL
Multi
information
display
"G-2"
RED/YEL
RYRY
RYRY
RY
Tail light (L)
"D-2"Front
position
light
"D-2"
Licence plate
light
"D-2"
RED/YEL
RED/YEL
E32516
RY
RY
J/C
B
BL348
J/C
C
CL346
A/T
shift
lever
L1012
5
2 1
3
4
Tail light
relay
11
G05
G0412
BCM
I6RW0C910985-01
Page 1286 of 1556
Downloaded from www.Manualslib.com manuals search engine 9A-119 Wiring Systems:
D-6 Turn Signal and Hazard Warning Light System Circuit Diagram (Except Taiwan)S6RW0D910E055
4 D
DG153G3062
Switch
BLK/ORN
Rear turn
signal light
6L134
BLK
11 8
12
22HAZ
LP-LLP-R Flasher relay
RED/YELWHT
RED/YEL
Turn signal switch
G144
10AMTR
22
RED/BLUBLU/RED
J/B
L
N
R
TURNT
P TB TL TR
J/C
1113
G272
1
RED/BLU
C
CG306
J/C
ON
OFF
3
B
A BBG309
J/C
BLU/YEL
(R)
1
212320
BLK
191L31410 IG
1
5
SW-L
SW-R 6
BLK
BLK/ORN
BLK/ORN
BLK/ORN
15AHORN-HAZ
39
+B
4
GRN/RED
(L)
L133
5
6
5
1
2
32
RY
RY
W
9
GND 7
BLK
A
BRRB
BLKBLKBLK
BLKBLK
14
L390
O2312 11or5
5
BC13or7
7BC
12or6
6BC
"A-4"
BCM
1A
J/B side connector (BCM)
RHD
LHD ABC
I6RW0D910920-01
Page 1288 of 1556
Downloaded from www.Manualslib.com manuals search engine 9A-121 Wiring Systems:
D-6 Turn Signal and Hazard Warning Light System Circuit Diagram (Taiwan)S6RW0D910E027
4 D
DG153G3062
Switch
BLK/ORN
Rear turn
signal light
6L134
BLK
11 8 1 3
2 4HAZ
LP-LLP-R Flasher relay
RED/YELWHT
RED/YEL
BLU/WHTWHT
WHT
Turn signal switch6
G1447 5
10AMTR
22
RED/BLUBLU/RED
J/B
L
N
R
TURNT
P TB TL TR
J/C
1113
18G27212
1
BLK/YEL
C
CG306
J/C
ON
OFF
3
B
A BBG309
J/C
BLU/YEL
(R)
1
212320
BLK
191L31410 IG
1
5
SW-L
SW-R 6
BLK
BLK/ORN
BLK/ORN
BLK/ORN
15AHORN-HAZ
39
+B
4
GRN/RED
(L)
L133
5
6
5
1
2
32
RYW
9
GND 7
BLK
A
BRRB
BLKBLKBLK
BLKBLK
14
10ATAIL
36
L390
O2312
34
G0512
BCM
TAIL
relay
I6RW0C910990-01
Page 1290 of 1556
Downloaded from www.Manualslib.com manuals search engine 9A-123 Wiring Systems:
D-7 Brake Light System Circuit DiagramS6RW0D910E028
Brake
light
switch
Shift lock
relay
(R)
Brake light
GRNLT GRN/BLK
BLK
(L)
E181
L134
GRN/WHT
GRN/WHT
GRN/WHTGRN/WHT
5
L315
E325
J/B
"F-2"
ABS
Cont.M
GRN/WHT
2 2 1
"A-5"
ECM
21
GW
GW
GRN/YEL
"A-5"
ECM
GY
GW
42
31
J/B
L1332
52
1
GRN/WHT
"A-6"
GW
O92
High mounted
stop light
201918
BLKBLK
BLKBLKBLK
23
BLK
BLK
2
GRN/WHTGRN/WHTGRN/WHT
E3232
L393
L2331
O233
L3932
L390
O2312 15A
30STOP
E32512 10A
26IG1 SIG
Cruise control
(IF EQPD)
I6RW0C910A15-01
Page 1295 of 1556
Downloaded from www.Manualslib.com manuals search engine Wiring Systems: 9A-128
RED
M
BLU/WHTYEL
BLK/WHTBLK/WHTBLU/WHTBLU/WHT
BLK/WHT
G1555
BRN
J/B
BLK/YEL
2
1G61
11
G65
Fan driver
4 2
1 3
Blower
fan
motor
G2736
1 327
6
FAN
Heater fan switch
42 5
1
3
30ABLW
6
10A
35IG2
SIG
Blower
fan
relay
E323
7
G2729
G309
J/C
1114
B
B
BLK
BLKBLK
BLK
BLU
1
Individual circuit
fuse box (No.1)
ECM
"A-5"BW
I6RW0C910997-02
Page 1297 of 1556
Downloaded from www.Manualslib.com manuals search engine Wiring Systems: 9A-130
G321
3
24
9
29G20
1025
G64
M
162152812127
31
M
2G65
BLK/WHT
GRY/BLUGRY/REDWHTBRN/WHTWHT/BLKORNPNK
WHTYELWHTWHT/BLUBRN/YEL
ORN
ORNORN
BLK/YEL
BLK
BLK/YEL
BLK/YEL
BLU
BLK/WHTGRY
30
4
BLU/REDBLK/WHTBLK
Fan
driver
Diode
#1
Auto
unit Blower
fan
motor
EVAP thermistor
Mode
selecting
actuatorTemperature
control
actuator
10AIG2
SIG
35
10ABACK
21
30ABLW
6
265 14
G63
M
265 142
G255
1G62
G61 G273
1
2
6G27289E3237
1
5V5V
5V5V12V
12V
11
G309
J/C
Individual
circuit
fuse box
(No.1)
B
B
G310
J/C
B
BB
B
G310
J/C
A
AA
BLK
14
BLK
11
Fresh/
Recircle
actuator
G342
1
PNK/BLK
ORN
Room temperature
sensor
5V
J/B
42 5
1
3
Blower fan
relay
22181917
RED/BLK
RED/BLK
RED/BLK
REDGRN/REDGRN
12V
J/C
B
BG306
B
456
2
1G35
Sunlight sensor
ORN
5V
M
I6RW0C910999-02
Page 1326 of 1556

Downloaded from www.Manualslib.com manuals search engine 9B-7 Lighting Systems:
Interior Light System LocationS6RW0D9203002
Diagnostic Information and Procedures
Self-Diagnosis Function for Headlight Auto Leveling SystemS6RW0D9204014
The headlight leveling control module has self-diagnosis function to monitor the system components and circuits while
the headlight auto leveling system is at work. When the headlight leveling control module detects an abnormality in the
system, the headlight leveling warning light in the combination meter turns ON. However, the headlight leveling control
module does not have a function to indicate location of such abnormality.
[A]: Discharge headlight model 9. Front fog light (if equipped) 21. Turn signal / hazard warning relay
[B]: Other than discharge headlight model 10. Rear combination light 22. Tail light relay (junction block without BCM
type)
[C]: Junction block without BCM type 11. Rear fog light (if equipped) 23. BCM (junction block without BCM type)
[D]: Junction block viewed from relay side 12. Rear height sensor (if equipped) 24. Auto-on headlight controller (if equipped)
1. Headlight bulb 13. Front height sensor (if equipped) 25. Front fog light switch (if equipped)
2. Clearance light 14. Front fog light relay (if equipped) 26. Headlight manual leveling switch (if
equipped)
3. Turn signal light 15. Headlight high beam relay (left side) 27. Illumination cancel switch (if equipped)
4. Headlight unit 16. Headlight high beam relay (right side) 28. Lighting switch
5. Discharge headlight bulb 17. Headlight low beam relay (left side) 29. Rear fog light switch (if equipped)
6. Igniter 18. Headlight low beam relay (right side) 30. Hazard warning switch
7. Ballast 19. Tail light relay 31. DRL controller or headlight leveling control
module (if equipped)
8. Auto-on headlight sensor (if equipped) 20. BCM (junction block with BCM type)
: BCM cannot be removed from junction
block.
3 4
5
2
1
I7RW01920003-01
1. Dome light 3. Door switches (both sides) 5. Spot light
2. Luggage compartment light (if equipped) 4. Rear end door switch (included in lock assembly)