2005 MITSUBISHI LANCER EVOLUTION IX sensor

[x] Cancel search: sensor

Page 318 of 364

MITSUBISHI LANCER EVOLUTION IX 2005  Workshop Manual 3-131CIRCUIT DIAGRAMS - EQUIPMENT
Ignition switch (IG2)
Brake warning light
Parking brake
switch Front / rear
G sensorLateral G
sensor

Page 320 of 364

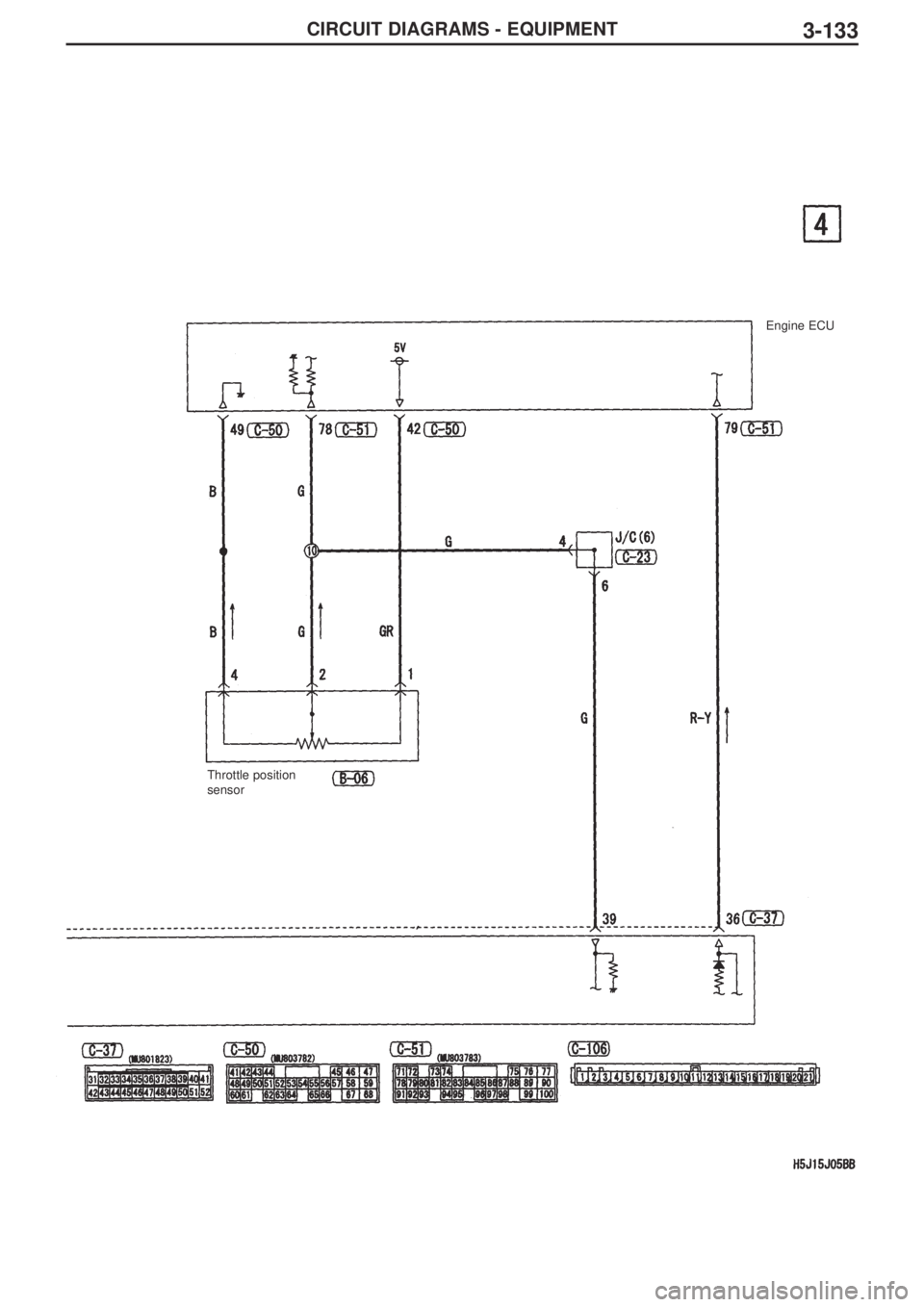
MITSUBISHI LANCER EVOLUTION IX 2005  Workshop Manual 3-133CIRCUIT DIAGRAMS - EQUIPMENT
Throttle position
sensorEngine ECU

Page 321 of 364

MITSUBISHI LANCER EVOLUTION IX 2005  Workshop Manual 3-134CIRCUIT DIAGRAMS - EQUIPMENT
ACD (vehicle without AYC) (cont’d)
Fusible
link
Electric
pumpHydraulic
unit ASSYElectric pump
relay
Pressure
sensor
Hydraulic unit ASSYProportional
valve (for
ACD)

Page 322 of 364

MITSUBISHI LANCER EVOLUTION IX 2005  Workshop Manual 3-135CIRCUIT DIAGRAMS - EQUIPMENT
(Front : LH)
(Front : RH)(Rear : LH) (Rear : RH)
ABS sensors

Page 323 of 364

MITSUBISHI LANCER EVOLUTION IX 2005  Workshop Manual 3-136CIRCUIT DIAGRAMS - EQUIPMENT
ACD (vehicle without AYC)  (cont’d)
• Intercooler water spray
• Heater
• Full auto A/C
• Manual A/C 
Steer sensor
Front sideIgnition switch (IG2)

Page 326 of 364

MITSUBISHI LANCER EVOLUTION IX 2005  Workshop Manual 3-139CIRCUIT DIAGRAMS - EQUIPMENT
Ignition switch (IG2)
Front / rear
G sensorLateral G
sensor

Page 328 of 364

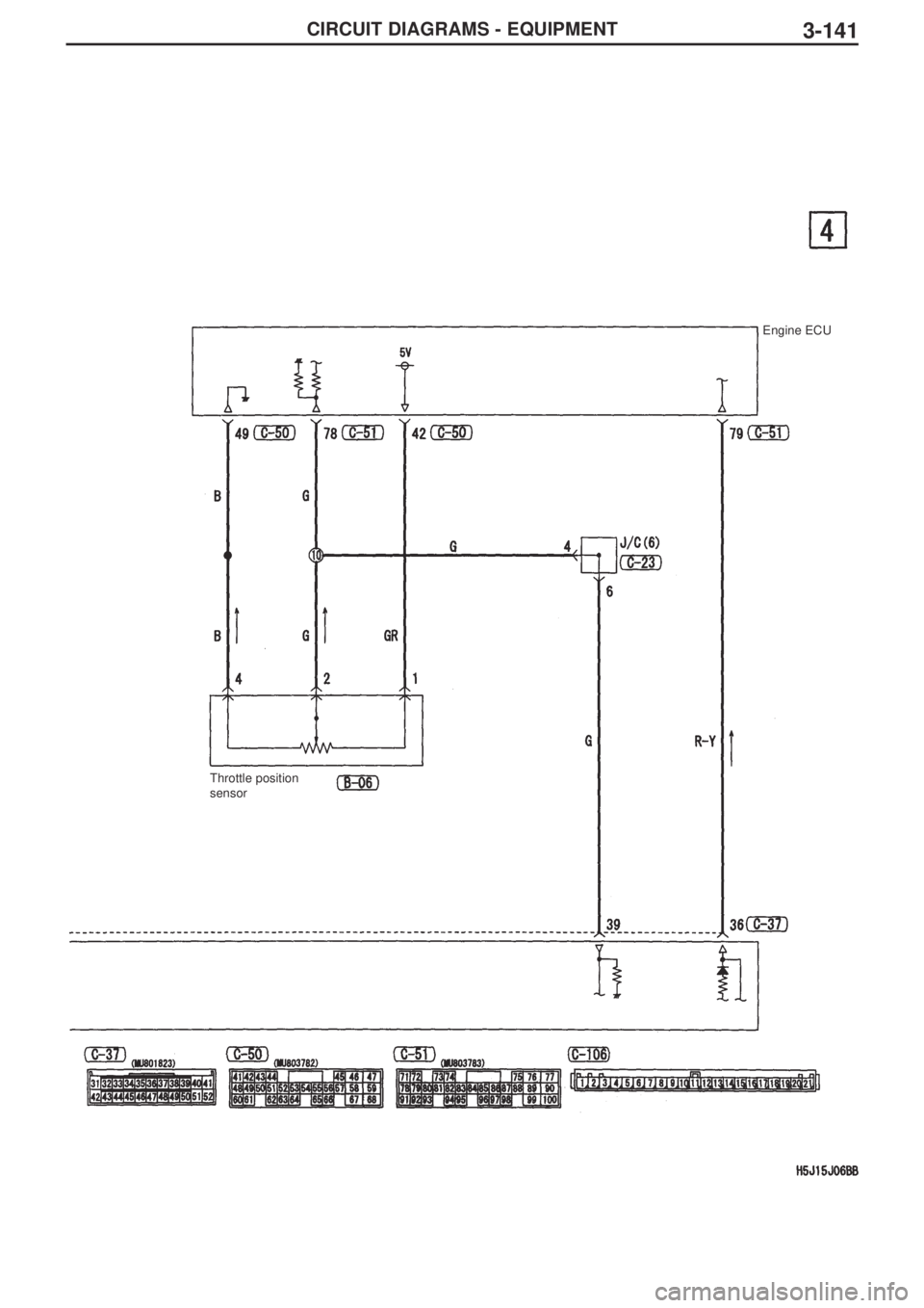
MITSUBISHI LANCER EVOLUTION IX 2005  Workshop Manual 3-141CIRCUIT DIAGRAMS - EQUIPMENT
Throttle position
sensorEngine ECU

Page 330 of 364

MITSUBISHI LANCER EVOLUTION IX 2005  Workshop Manual 3-143CIRCUIT DIAGRAMS - EQUIPMENT
(Front : LH)(Front : RH)(Rear : LH)
(Rear : RH)
ABS sensors