Page 296 of 364
3-109CIRCUIT DIAGRAMS - VISION / SAFETY
Ignition switch (ACC)
(Rear wiper relay)
Rear wiper
motorReversing light switch
J/B side connectorColumn switch
Front sideFusible link
Diagnosis
connector
Page 297 of 364
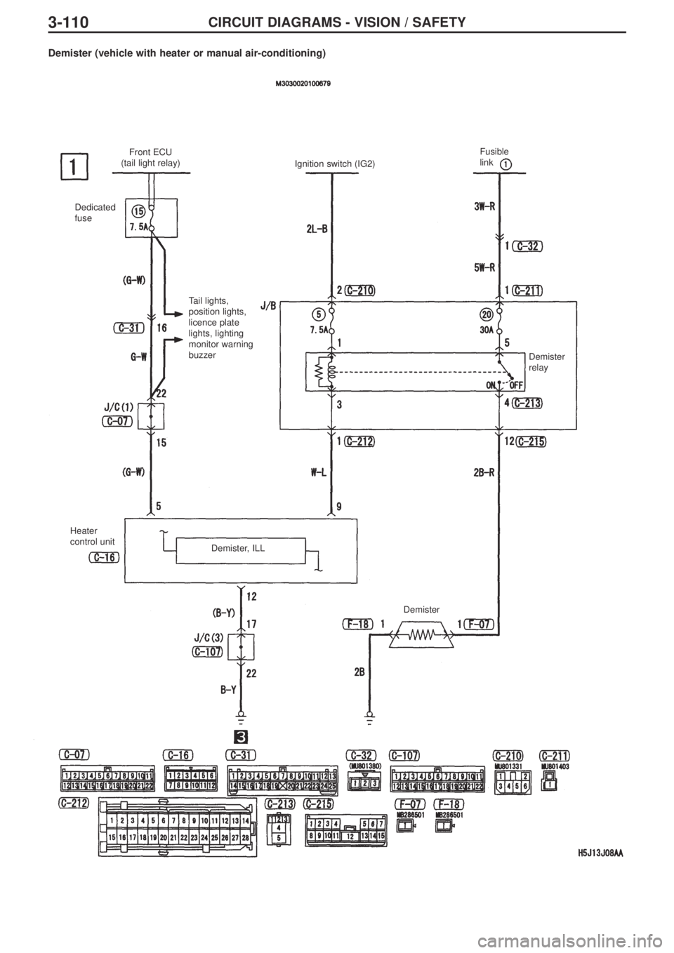
3-110CIRCUIT DIAGRAMS - VISION / SAFETY
Demister (vehicle with heater or manual air-conditioning)
Front ECU
(tail light relay)
Ignition switch (IG2)Fusible
link
Dedicated
fuse
Tail lights,
position lights,
licence plate
lights, lighting
monitor warning
buzzer
Heater
control unit
Demister, ILL
DemisterDemister
relay
Page 299 of 364
3-112CIRCUIT DIAGRAMS - VISION / SAFETY
Demister, door mirror heating elements (vehicle with fully automatic A/C)
Front ECU (tail light relay)
Ignition switch (IG2)Fusible link
Dedicated
fuse
Tail lights,
position
lights,
licence
plate lights,
lighting
monitor
warning
buzzer
Tail lights,
position
lights,
licence
plate lights,
lighting
monitor
warning
buzzer Demister
relay
Demister
Page 301 of 364
3-114CIRCUIT DIAGRAMS - VISION / SAFETY
Electric stowable remote control door mirrors
Door mirror
return relay
((
))
Return / Stow motorFusible link Ignition switch (IG1)Ignition switch (ACC)
Door mirror
stow relayPower
supplyUp/down
motorLeft/right
motor
Remote control
door mirror
(LH)
Page 305 of 364
3-118CIRCUIT DIAGRAMS - ACCESSORIES
ACCESSORIES
Spare audio connectors
Roof antenna
Antenna amp
Antenna
feeder wire
Vehicle with 6-speaker system
Tweeter (LH) Tweeter (RH)
Front door speaker (LH) Front door speaker (RH)Dedicated
fuse Front ECU
(tail light relay)
Tail lights, position
lights, licence plate
lights, lighting
monitor warning
buzzer
Tail lights, position
lights, licence plate
lights, lighting
monitor warning
buzzer
Page 307 of 364
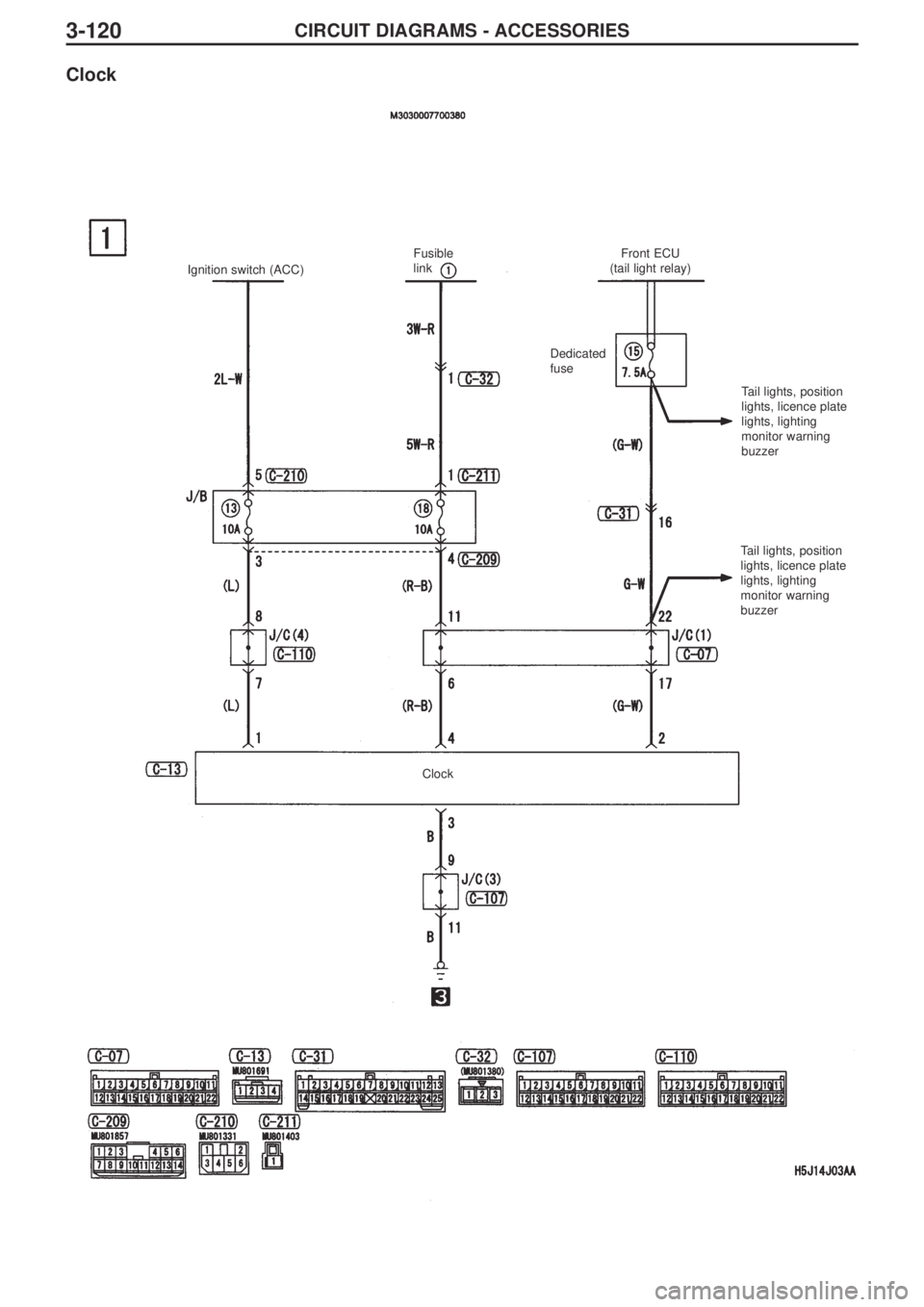
3-120CIRCUIT DIAGRAMS - ACCESSORIES
Clock
Ignition switch (ACC)Fusible
linkFront ECU
(tail light relay)
Dedicated
fuse
ClockTail lights, position
lights, licence plate
lights, lighting
monitor warning
buzzer
Tail lights, position
lights, licence plate
lights, lighting
monitor warning
buzzer
Page 308 of 364
3-121CIRCUIT DIAGRAMS - ACCESSORIES
Cigarette lighter, ashtray illumination lights
Cigarette
lighterIgnition switch (ACC)
Tail lights,
position lights,
licence plate
lights, lighting
monitor warning
buzzer
Tail lights,
position lights,
licence plate
lights, lighting
monitor warning
buzzer Front ECU
(tail light relay)
Dedicated
fuse
Ashtray
illumination
light
D-23Cigarette
illumination
light
D-22
Page 319 of 364
3-132CIRCUIT DIAGRAMS - EQUIPMENT
ACD (vehicle not fitted with AYC) (cont’d)
Front ECU
(tail light relay)
Dedicated
fuse
Tail lights, position
lights, licence plate
lights, lighting
monitor warning
buzzer
Tail lights, position
lights, licence plate
lights, lighting
monitor warning
buzzer
ACD mode
switchDrive circuit Ignition switch (IG1)
•Windscreen washer /
wiper
•Engine control
•Needle gauges
•Turn signal lights,
hazard lights
•Tail lights, position lights,
licence plate lights,
lighting monitor warning
buzzer
•Electric stowable remote
control door mirrors
•Generic spare connector
•Fog lamps
•Headlights
•Rear washer / wiper
•Cabin lights, boot
compartment lights,
ignition key cylinder
illumination light, door
ajar indicator light
Combination
meter