8W-61 POWER DOOR LOCKS
Component Page
Adjustable Pedals Module............. 8W-61-6
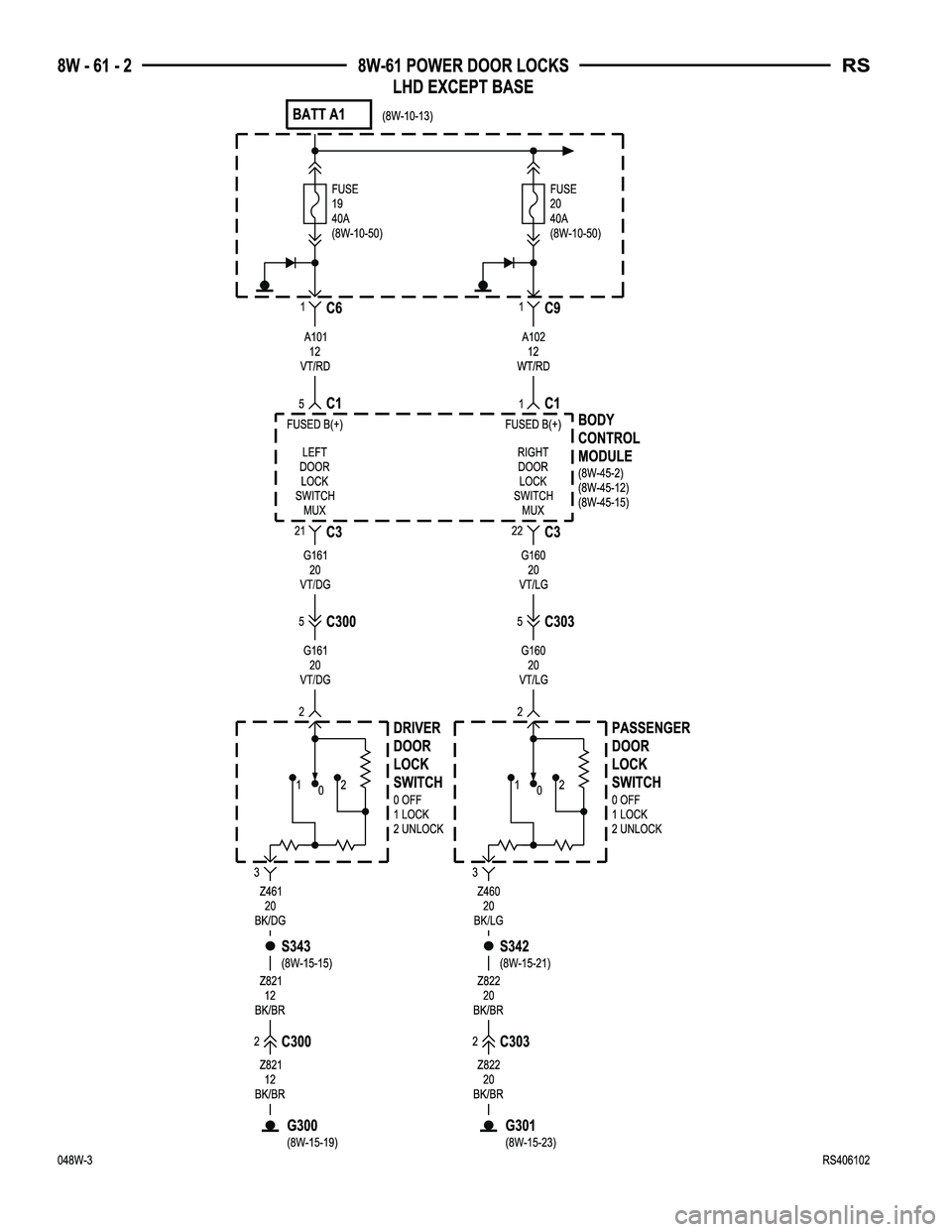
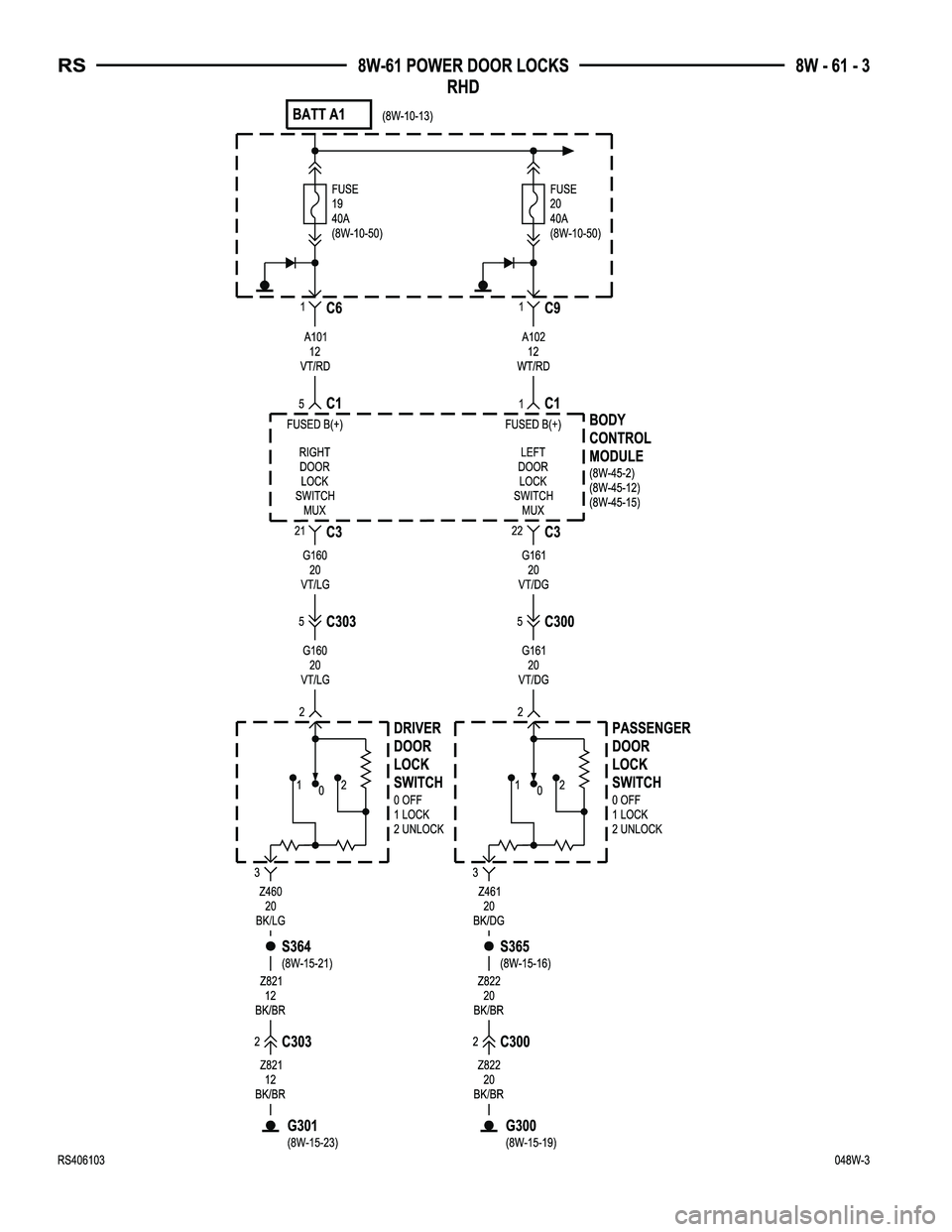
Body Control Module......... 8W-61-2, 3, 4, 5, 8,
11, 14, 15, 16, 17, 20
Driver Door Lock Switch............ 8W-61-2, 3
Front Control Module.............. 8W-61-6, 17
Fuse 14............................ 8W-61-5
Fuse 19.................. 8W-61-2, 3, 4, 14, 15
Fuse 20.................. 8W-61-2, 3, 4, 14, 15
Fuse 31............................ 8W-61-8
Fuse 32........................... 8W-61-17
G200.............................. 8W-61-5
G300................ 8W-61-2, 3, 4, 8, 9, 10, 15
G301.............. 8W-61-2, 3, 4, 11, 12, 13, 15
G302............................. 8W-61-17
G303....................... 8W-61-16, 19, 20
Integrated Power
Module......... 8W-61-4, 5, 6, 8, 11, 14, 15, 17
Left B-Pillar Switch.................. 8W-61-8
Left Cinch/Release Motor.............. 8W-61-9
Left Front Door Lock Motor/Ajar Switch . . 8W-61-4
Left Full Open Switch................ 8W-61-9
Left Sliding Door Control
Module................ 8W-61-6, 8, 9, 10, 14
Left Sliding Door Latch Sensing
Switch........................ 8W-61-8, 10
Left Sliding Door Lock Motor.......... 8W-61-14Component Page
Left Sliding Door Lock Motor/Ajar
Switch......................... 8W-61-15
Left Sliding Door Motor............... 8W-61-9
License Lamp................... 8W-61-19, 20
Liftgate Ajar Switch................. 8W-61-16
Liftgate Cinch/Release Motor.......... 8W-61-19
Liftgate Left Pinch Sensor............ 8W-61-19
Liftgate Right Pinch Sensor........... 8W-61-19
Memory Seat/Mirror Module......... 8W-61-6, 7
Overhead Console.................... 8W-61-7
Passenger Door Lock Switch......... 8W-61-2, 3
Power Liftgate Module...... 8W-61-17, 18, 19, 20
Power Liftgate Motor................ 8W-61-18
Remote Keyless Entry Antenna......... 8W-61-5
Right B-Pillar Switch................ 8W-61-11
Right Cinch/Release Motor............ 8W-61-12
Right Front Door Lock Motor/Ajar Switch . 8W-61-4
Right Full Open Switch.............. 8W-61-12
Right Sliding Door Control
Module............... 8W-61-7, 11, 12, 13, 14
Right Sliding Door Latch Sensing
Switch....................... 8W-61-11, 13
Right Sliding Door Lock Motor......... 8W-61-14
Right Sliding Door Lock Motor/Ajar
Switch......................... 8W-61-15
Right Sliding Door Motor............. 8W-61-12
Sentry Key Remote Entry Module....... 8W-61-5
RS8W-61 POWER DOOR LOCKS8W-61-1