Page 9 of 27

- 9-
Battery Information
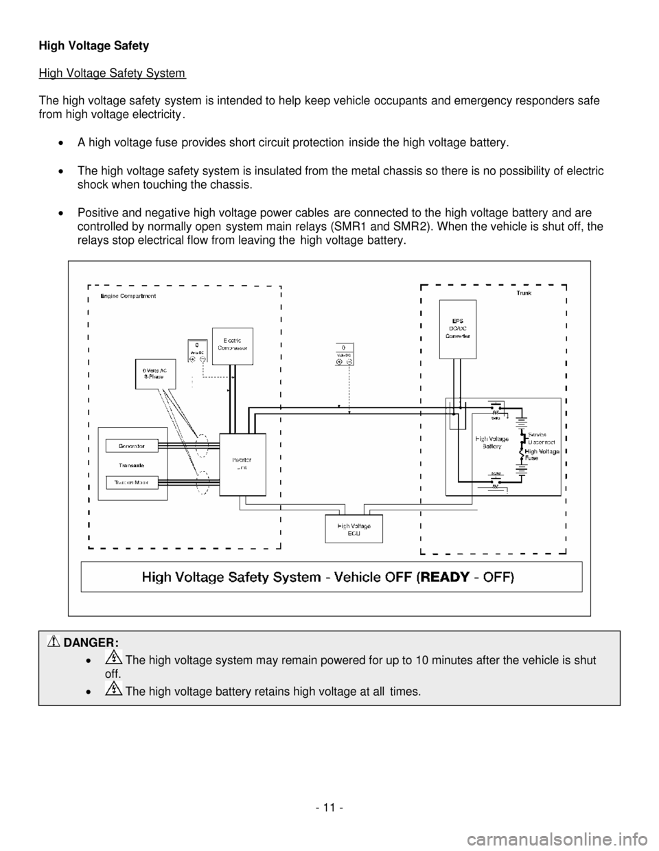
The Altima Hybrid utilizes two batteries in order to supply both high and low voltage.
Low Voltage Battery
The Altima Hybrid contains a lead-acid 12 volt DC low voltage battery.
The low voltage battery is located in the passenger rear quarter panel
well of the trunk and is concealed by atrim cover. The negative (-) 12
volt battery cable can be accessed through an access panel in the
trim cover.
The12 volt batterypowers the vehicle’s 12 volt electrical system,
similar to a conventional vehicle. As with conventional vehicles, the 12
volt battery is grounded to the metal chassis of the vehicle. However,
the 12 volt battery is charged by the high voltage battery through the
DC/DC converter.
High VoltageBattery
The Altima Hybrid contains aNi-MH245 volt DC high voltagebattery.
The high voltage batteryisenclosed in a metal case, which is isolated
from high voltage, and is securely mounted in the trunk area behind
the rear seat and is concealed by a trim cover. The service disconnect
can be accessedthrough an access panel in the trim cover.
The 245 volt battery powers the vehicle’s high voltage electrical
system. The high voltagebattery consists of34 low voltage (7.2 volt)
Ni-MH battery modules connected in series to produce approximately
245 volts DC. EachNi-MH battery module is sealed in a non-spillable
plastic case.The electrolyte used in theNi-MH battery module is an alkalinemixtureof potassiumand sodium
hydroxide. The electrolyte is absorbed into the battery cell plates and forms a gelthat should not normally leak,
even in a collision.In the unlikely eventthatthe high voltage batteryis overcharged, the modules vent gases
directly outside the vehiclethrough a venthose.
An air vent is located on the rear parcel shelftocool thehigh voltage
battery.If the vent is covered, the battery will overheat, resultingin
reduced output performance ofthe hybrid system.
The high voltage batterysupplies power to the following:
Page 10 of 27
- 10-
High Voltage Battery Specifications
High Voltage Battery Specifications
High voltage battery voltage245V
Number of Ni-MH battery modules in the pack34
Ni-MH battery module voltage7.2V
Ni-MH batterymodule dimensions5 x 1 x 11 in.(125.5 x 25.1 x 276.1 mm)
Ni-MH module weight2.2 lbs (1.0kg)
Ni-MH high voltage batterydimensions8 x34 x19 in.(200.8 x853.4 x476.9mm)
Ni-MH high voltage batteryweight114.6 lbs (52 kg)
High VoltageBattery Recycling
The high voltage battery is recyclable.For information regarding recycling of the high voltage battery,contact
the nearest Nissan dealer or Nissan customer assistance at: United States: 1-800-NISSAN-1 (1-800-647-7261)
or in Canada: 1-800-387-0122.
Page 11 of 27
Page 12 of 27
Page 13 of 27
- 13-
Supplemental Restraint System (SRS) and Seat Belt Pre-tensioners
1. Supplemental curtain side-impact
air bags
2. Supplementalseat-mountedside-
impact air bags
3.Supplemental front-impact air
bags
4.Crash zone sensor5.Air bag diagnosis sensor unit
(control unit)
6.Seat belt pre-tensioners
7.Satellite sensors
Page 14 of 27
- 14-
Emergency Response
On arrival, first responders should follow their standard operating procedures for vehicle incidents.
Emergencies involving the Altima Hybrid may be handled like other automobiles, except as noted in these
guidelines for Extrication, Fire, Recovery, Spills, First Aid, and Submersion.
DANGER:
Page 15 of 27
Page 16 of 27
- 16-
NOTE:
Repositioningthe power seats and operating the power trunk release must be done prior to12 volt battery
disconnection.
Extrication
1. Immobilize the vehicle
a.Move the shift lever to the P (Park) position.
b.Shut the vehicle OFF by pressing the push-button ignition
switch.
c.Chock the wheels.
d.Set the parking brake.
2. Remove the Intelligent Key (1) from the key port (located on the lower
LH corner of the instrument panel). Keep it at least 3.3 feet (1 meter)
away from the vehicle.
3. Stabilize the vehicle
a.Crib at four points directly under the front and rear pillars. Do
not place cribbing under the high voltage harness, exhaust
system or fuel system.