Page 680 of 800
CENTRAL DOOR LOCKING SYSTEM
CIRCUIT DIAGRAMS90-216
CENTRAL DOOR LOCKING SYSTEM
M1901004703321
IGNITION
SWITCH (IG1)
BATTERY
POWER
SOURCE FUSIBLE
LINK1
FRONT
DOOR LOCK
ACTUATOR
(RH)
·FRONT
FOG LAMP
·HEADLAMP
·HEADLAMP
LEVELLING
SYSTEM
·REAR FOG LAMP
·TAIL LAMP,
POSITION LAMP,
LICENCE PLATE LAMP
AND LIGHTING
MONITOR BUZZER
·WINDSHIELD
WIPER AND WASHER
RELAY
BOX
J/B SIDE
Page 684 of 800
CENTRAL DOOR LOCKING SYSTEM
CIRCUIT DIAGRAMS90-220
CENTRAL DOOR LOCKING SYSTEM
M1901004703332
IGNITION
SWITCH (IG1) BATTERY
POWER
SOURCE FUSIBLE
LINK1
FRONT
SIDE
FRONT
DOOR LOCK
ACTUATOR
(LH) DIAGNOSIS
CONNECTOR
J/B SIDE
KEY
REMINDER
SWITCH
(WHEN
REMOVING
KEY: ON) RELAY
BOX
·FRONT
FOG LAMP
·HEADLAMP
·HEADLAMP
LEVELLING
SYSTEM
·REAR FOG LAMP
·TAIL LAMP,
POSITION LAMP,
LICENCE PLATE LAMP
AND LIGHTING
MONITOR BUZZER
·WINDSHIELD
WIPER AND WASHER ·HEADLAMP
WASHER
Page 690 of 800
CENTRAL DOOR LOCKING SYSTEM
CIRCUIT DIAGRAMS90-226
CENTRAL DOOR LOCKING SYSTEM
M1901004703343
IGNITION
SWITCH (IG1) BATTERY
POWER
SOURCE FUSIBLE
LINK1
FRONT
SIDE
FRONT
DOOR LOCK
ACTUATOR
(RH) DIAGNOSIS
CONNECTOR
·FRONT
FOG LAMP
·HEADLAMP
·HEADLAMP
LEVELLING
SYSTEM
·REAR FOG LAMP
·TAIL LAMP,
POSITION LAMP,
LICENCE PLATE LAMP
AND LIGHTING
MONITOR BUZZER
·WINDSHIELD
WIPER AND WASHER
J/B SIDE
KEY
REMINDER
SWITCH
(WHEN
REMOVING
KEY: ON) RELAY
BOX
Page 696 of 800
CENTRAL DOOR LOCKING SYSTEM
CIRCUIT DIAGRAMS90-232
CENTRAL DOOR LOCKING SYSTEM
M1901004703354
IGNITION
SWITCH (IG1)
BATTERY
POWER
SOURCE FUSIBLE
LINK1
FRONT
DOOR LOCK
ACTUATOR
(LH) RELAY
BOX
·FRONT
FOG LAMP
·HEADLAMP
·HEADLAMP
LEVELLING
SYSTEM
·REAR FOG LAMP
·TAIL LAMP,
POSITION LAMP,
LICENCE PLATE LAMP
AND LIGHTING
MONITOR BUZZER
·WINDSHIELD
WIPER AND WASHER ·HEADLAMP
WASHER
J/B SIDE
Page 704 of 800
CENTRAL DOOR LOCKING SYSTEM
CIRCUIT DIAGRAMS90-240
CENTRAL DOOR LOCKING SYSTEM
M1901004703365
IGNITION
SWITCH (IG1)
BATTERY
POWER
SOURCE FUSIBLE
LINK1
FRONT
DOOR LOCK
ACTUATOR
(RH)
·FRONT
FOG LAMP
·HEADLAMP
·HEADLAMP
LEVELLING
SYSTEM
·REAR FOG LAMP
·TAIL LAMP,
POSITION LAMP,
LICENCE PLATE LAMP
AND LIGHTING
MONITOR BUZZER
·WINDSHIELD
WIPER AND WASHER
RELAY
BOX
J/B SIDE
Page 748 of 800
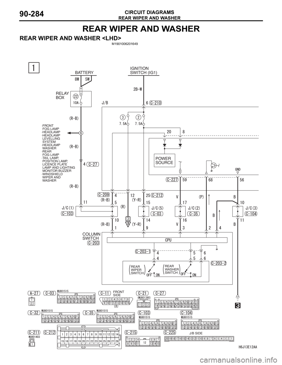
REAR WIPER AND WASHER
CIRCUIT DIAGRAMS90-284
REAR WIPER AND WASHER
REAR WIPER AND WASHER M1901006201649
IGNITION
SWITCH (IG1) BATTERY
RELAY
BOX
POWER
SOURCE
COLUMN
SWITCH
FRONT
SIDE
J/B SIDE ·FRONT
FOG LAMP
·HEADLAMP
·HEADLAMP
LEVELLING
SYSTEM
·HEADLAMP
WASHER
·REAR
FOG LAMP
·TAIL LAMP,
POSITION LAMP,
LICENCE PLATE
LAMP AND LIGHTING
MONITOR BUZZER
·WINDSHIELD
WIPER AND
WASHER
REAR
WIPER
SWITCHREAR
WASHER
SWITCH
Page 752 of 800
REAR WIPER AND WASHER
CIRCUIT DIAGRAMS90-288
REAR WIPER AND WASHER
M1901006201650
IGNITION
SWITCH (IG1) BATTERY
RELAY
BOX
·FRONT
FOG LAMP
·TAIL LAMP,
POSITION LAMP,
LICENCE PLATE
LAMP AND LIGHTING
MONITOR BUZZER ·HEADLAMP
·WINDSHIELD
WIPER AND
WASHER ·REAR
FOG LAMP ·HEADLAMP
LEVELLING
SYSTEM
POWER
SOURCE
COLUMN
SWITCH
FRONT
SIDE
J/B SIDE NOTE
·CHARGING SYSTEM ·ABS
·BRAKE WARNING LAMP
·ENGINE CONTROL SYSTEM
·FUEL WARNING LAMP
·INVECS-II 4A/T
·METER AND GAUGE
·OIL PRESSURE WARNING LAMP
REAR
WIPER
SWITCHREAR
WASHER
SWITCH
Page 762 of 800
HEADLAMP WASHER
CIRCUIT DIAGRAMS90-298
HEADLAMP WASHER
M1901018900103
FUSIBLE
LINK5BATTERY
RELAY
BOX
FRONT-
ECU
HEADLAMP
WASHER
POWER
SOURCE
HEADLAMP
WASHER
MOTOR
COLUMN-ECU
HEADLAMP
WASHER
SWITCH
FRONT SIDE
COLUMN SWITCH