
12
4
8
3
5
6
7
EAS00007
HOW TO USE THIS MANUAL
This manual is intended as a handy, easy-to-read reference book for the mechanic. Comprehensive
explanations of all installation, removal, disassembly, assembly, repair and check procedures are laid
out with the individual steps in sequential order.
1 The manual is divided into chapters. An abbreviation and symbol in the upper right corner of each
page indicate the current chapter.
Refer to “SYMBOLS”.
2 Each chapter is divided into sections. The current section title is shown at the top of each page,
except in Chapter 3 (“PERIODIC CHECKS AND ADJUSTMENTS”), where the sub-section title(s) ap-
pears.
3 Sub-section titles appear in smaller print than the section title.
4 To help identify parts and clarify procedure steps, there are exploded diagrams at the start of each
removal and disassembly section.
5 Numbers are given in the order of the jobs in the exploded diagram. A circled number indicates a
disassembly step.
6 Symbols indicate parts to be lubricated or replaced.
Refer to “SYMBOLS”.
7 A job instruction chart accompanies the exploded diagram, providing the order of jobs, names of
parts, notes in jobs, etc.
8 Jobs requiring more information (such as special tools and technical data) are described sequen-
tially.
ProCarManuals.com

22
1
3
5
7
9
2
4
8
6
2425
2321
192018
161715
1413
1112
10
GEN
INFOSPEC
ENG
FI ELECCOOL CHK
ADJ
TRBL
SHTG
CHAS
EAS00008
SYMBOLS
The following symbols are not relevant to every
vehicle.
Symbols
1 to 9 indicate the subject of each
chapter.
1General information
2Specifications
3Periodic checks and adjustments
4Chassis
5Engine
6Cooling system
7Fuel injection system
8Electrical system
9Troubleshooting
Symbols 10 to 17 indicate the following.
10Serviceable with engine mounted
11Filling fluid
12Lubricant
13Special tool
14Tightening torque
15Wear limit, clearance
16Engine speed
17Electrical data
Symbols 18 to 23 in the exploded diagrams indi-
cate the types of lubricants and lubrication
points.
18Engine oil
19Gear oil
20Molybdenum-disulfide oil
21Wheel-bearing grease
22Lithium-soap- based grease
23Molybdenum-disulfide grease
Symbols 24 to 25 in the exploded diagrams indi-
cate the following.
24Apply locking agent (LOCTITE)
25Replace the part
ProCarManuals.com

CHAPTER 1
GENERAL INFORMATION
MOTORCYCLE IDENTIFICATION1-1 . . . . . . . . . . . . . . . . . . . . . . . . . . . . . .
VEHICLE IDENTIFICATION NUMBER 1-1. . . . . . . . . . . . . . . . . . . . . . . .
MODEL LABEL 1-1. . . . . . . . . . . . . . . . . . . . . . . . . . . . . . . . . . . . . . . . . . . .
FEATURES1-2 . . . . . . . . . . . . . . . . . . . . . . . . . . . . . . . . . . . . . . . . . . . . . . . . . .
INSTRUMENT FUNCTIONS 1-2. . . . . . . . . . . . . . . . . . . . . . . . . . . . . . . . .
IMPORTANT INFORMATION1-6 . . . . . . . . . . . . . . . . . . . . . . . . . . . . . . . . . . .
PREPARATION FOR REMOVAL AND DISASSEMBLY 1-6. . . . . . . . .
REPLACEMENT PARTS 1-6. . . . . . . . . . . . . . . . . . . . . . . . . . . . . . . . . . . .
GASKETS, OIL SEALS AND O-RINGS 1-6. . . . . . . . . . . . . . . . . . . . . . .
LOCK WASHERS / PLATES AND COTTER PINS 1-7. . . . . . . . . . . . . .
BEARINGS AND OIL SEALS 1-7. . . . . . . . . . . . . . . . . . . . . . . . . . . . . . . .
CIRCLIPS 1-7. . . . . . . . . . . . . . . . . . . . . . . . . . . . . . . . . . . . . . . . . . . . . . . . .
CHECKING THE CONNECTIONS1-8 . . . . . . . . . . . . . . . . . . . . . . . . . . . . . . .
SPECIAL TOOLS1-9 . . . . . . . . . . . . . . . . . . . . . . . . . . . . . . . . . . . . . . . . . . . . .
CHAPTER 2
SPECIFICATIONS
GENERAL SPECIFICATIONS2-1 . . . . . . . . . . . . . . . . . . . . . . . . . . . . . . . . . .
ENGINE SPECIFICATIONS2-2 . . . . . . . . . . . . . . . . . . . . . . . . . . . . . . . . . . . .
CHASSIS SPECIFICATIONS2-11 . . . . . . . . . . . . . . . . . . . . . . . . . . . . . . . . . . .
ELECTRICAL SPECIFICATIONS2-15 . . . . . . . . . . . . . . . . . . . . . . . . . . . . . . .
CONVERSION TABLE2-18 . . . . . . . . . . . . . . . . . . . . . . . . . . . . . . . . . . . . . . . . .
GENERAL TIGHTENING TORQUE SPECIFICATIONS2-18 . . . . . . . . . . . .
TIGHTENING TORQUES2-19 . . . . . . . . . . . . . . . . . . . . . . . . . . . . . . . . . . . . . .
ENGINE TIGHTENING TORQUES 2-19. . . . . . . . . . . . . . . . . . . . . . . . . . .
CHASSIS TIGHTENING TORQUES 2-23. . . . . . . . . . . . . . . . . . . . . . . . . .
LUBRICATION POINTS AND LUBRICANT TYPES2-25 . . . . . . . . . . . . . . .
ENGINE 2-25. . . . . . . . . . . . . . . . . . . . . . . . . . . . . . . . . . . . . . . . . . . . . . . . . .
CHASSIS 2-26. . . . . . . . . . . . . . . . . . . . . . . . . . . . . . . . . . . . . . . . . . . . . . . . .
COOLING SYSTEM DIAGRAMS2-27 . . . . . . . . . . . . . . . . . . . . . . . . . . . . . . .
ENGINE OIL LUBRICATION CHART2-29 . . . . . . . . . . . . . . . . . . . . . . . . . . . .
ProCarManuals.com

LUBRICATION DIAGRAMS2-30 . . . . . . . . . . . . . . . . . . . . . . . . . . . . . . . . . . . .
CABLE ROUTING2-35 . . . . . . . . . . . . . . . . . . . . . . . . . . . . . . . . . . . . . . . . . . . .
CHAPTER 3
PERIODIC CHECKS AND ADJUSTMENTS
INTRODUCTION3-1 . . . . . . . . . . . . . . . . . . . . . . . . . . . . . . . . . . . . . . . . . . . . . .
PERIODIC MAINTENANCE CHART FOR THE EMISSION
CONTROL SYSTEM3-1 . . . . . . . . . . . . . . . . . . . . . . . . . . . . . . . . . . . . . . . . . .
GENERAL MAINTENANCE AND LUBRICATION CHART3-1 . . . . . . . . .
SEATS3-3 . . . . . . . . . . . . . . . . . . . . . . . . . . . . . . . . . . . . . . . . . . . . . . . . . . . . . . .
FUEL TANK3-4 . . . . . . . . . . . . . . . . . . . . . . . . . . . . . . . . . . . . . . . . . . . . . . . . . .
REMOVING THE FUEL TANK 3-5. . . . . . . . . . . . . . . . . . . . . . . . . . . . . . .
REMOVING THE FUEL PUMP 3-5. . . . . . . . . . . . . . . . . . . . . . . . . . . . . .
INSTALLING THE FUEL PUMP 3-6. . . . . . . . . . . . . . . . . . . . . . . . . . . . . .
INSTALLING THE FUEL TANK 3-6. . . . . . . . . . . . . . . . . . . . . . . . . . . . . .
COWLINGS3-7 . . . . . . . . . . . . . . . . . . . . . . . . . . . . . . . . . . . . . . . . . . . . . . . . . .
FRONT COWLING AND SIDE COWLINGS 3-7. . . . . . . . . . . . . . . . . . .
REAR COWLING 3-8. . . . . . . . . . . . . . . . . . . . . . . . . . . . . . . . . . . . . . . . . .
REMOVAL 3-9. . . . . . . . . . . . . . . . . . . . . . . . . . . . . . . . . . . . . . . . . . . . . . . .
INSTALLATION 3-9. . . . . . . . . . . . . . . . . . . . . . . . . . . . . . . . . . . . . . . . . . . .
AIR FILTER CASE3-10 . . . . . . . . . . . . . . . . . . . . . . . . . . . . . . . . . . . . . . . . . . . .
ENGINE3-11 . . . . . . . . . . . . . . . . . . . . . . . . . . . . . . . . . . . . . . . . . . . . . . . . . . . . .
ADJUSTING THE VALVE CLEARANCE 3-11. . . . . . . . . . . . . . . . . . . . . .
SYNCHRONIZING THE THROTTLE BODIES 3-17. . . . . . . . . . . . . . . . .
ADJUSTING THE EXHAUST GAS VOLUME 3-19. . . . . . . . . . . . . . . . . .
ADJUSTING THE ENGINE IDLING SPEED 3-21. . . . . . . . . . . . . . . . . . .
ADJUSTING THE THROTTLE CABLE FREE PLAY 3-22. . . . . . . . . . . .
CHECKING THE SPARK PLUGS 3-23. . . . . . . . . . . . . . . . . . . . . . . . . . . .
MEASURING THE COMPRESSION PRESSURE 3-24. . . . . . . . . . . . . .
CHECKING THE ENGINE OIL LEVEL 3-26. . . . . . . . . . . . . . . . . . . . . . . .
CHANGING THE ENGINE OIL 3-28. . . . . . . . . . . . . . . . . . . . . . . . . . . . . .
MEASURING THE ENGINE OIL PRESSURE 3-29. . . . . . . . . . . . . . . . .
ADJUSTING THE CLUTCH CABLE FREE PLAY 3-31. . . . . . . . . . . . . . .
REPLACING THE AIR FILTER ELEMENT 3-32. . . . . . . . . . . . . . . . . . . .
CHECKING THE FUEL AND BREATHER HOSES 3-33. . . . . . . . . . . . .
CHECKING THE CRANKCASE BREATHER HOSE 3-34. . . . . . . . . . . .
CHECKING THE EXHAUST SYSTEM 3-35. . . . . . . . . . . . . . . . . . . . . . . .
ADJUSTING THE EXUP CABLES 3-36. . . . . . . . . . . . . . . . . . . . . . . . . . .
CHECKING THE COOLANT LEVEL 3-37. . . . . . . . . . . . . . . . . . . . . . . . . .
CHECKING THE COOLING SYSTEM 3-38. . . . . . . . . . . . . . . . . . . . . . . .
CHANGING THE COOLANT 3-39. . . . . . . . . . . . . . . . . . . . . . . . . . . . . . . .
ProCarManuals.com

CHECKING THE WATER PUMP 6-14. . . . . . . . . . . . . . . . . . . . . . . . . . . . .
ASSEMBLING THE WATER PUMP 6-15. . . . . . . . . . . . . . . . . . . . . . . . . .
CHAPTER 7
FUEL INJECTION SYSTEM
FUEL INJECTION SYSTEM7-1 . . . . . . . . . . . . . . . . . . . . . . . . . . . . . . . . . . . .
WIRING DIAGRAM 7-2. . . . . . . . . . . . . . . . . . . . . . . . . . . . . . . . . . . . . . . .
ECU’S SELF-DIAGNOSTIC FUNCTION 7-4. . . . . . . . . . . . . . . . . . . . . .
SUBSTITUTE CHARACTERISTICS OPERATION CONTROL
(FAIL-SAFE ACTION) 7-5. . . . . . . . . . . . . . . . . . . . . . . . . . . . . . . . . . . . . .
FAIL-SAFE ACTIONS TABLE 7-5. . . . . . . . . . . . . . . . . . . . . . . . . . . . . . .
TROUBLESHOOTING CHART 7-7. . . . . . . . . . . . . . . . . . . . . . . . . . . . . .
DIAGNOSTIC MODE 7-8. . . . . . . . . . . . . . . . . . . . . . . . . . . . . . . . . . . . . . .
TROUBLESHOOTING DETAILS 7-15. . . . . . . . . . . . . . . . . . . . . . . . . . . . .
THROTTLE BODIES7-35 . . . . . . . . . . . . . . . . . . . . . . . . . . . . . . . . . . . . . . . . . .
INJECTORS 7-37. . . . . . . . . . . . . . . . . . . . . . . . . . . . . . . . . . . . . . . . . . . . . . .
CHECKING THE INJECTORS 7-39. . . . . . . . . . . . . . . . . . . . . . . . . . . . . . .
CHECKING THE THROTTLE BODIES 7-39. . . . . . . . . . . . . . . . . . . . . . .
CHECKING THE THROTTLE BODY JOINTS 7-39. . . . . . . . . . . . . . . . . .
CHECKING THE PRESSURE REGULATOR 7-40. . . . . . . . . . . . . . . . . .
CHECKING THE FUEL PUMP AND PRESSURE REGULATOR
OPERATION 7-40. . . . . . . . . . . . . . . . . . . . . . . . . . . . . . . . . . . . . . . . . . . . . .
CHECKING AND ADJUSTING THE THROTTLE POSITION
SENSOR 7-41. . . . . . . . . . . . . . . . . . . . . . . . . . . . . . . . . . . . . . . . . . . . . . . . .
CHECKING AND ADJUSTING THE SUB-THROTTLE POSITION
SENSOR 7-43. . . . . . . . . . . . . . . . . . . . . . . . . . . . . . . . . . . . . . . . . . . . . . . . .
CHECKING AND ADJUSTING THE THERMO WAX 7-45. . . . . . . . . . . .
AIR INDUCTION SYSTEM7-46 . . . . . . . . . . . . . . . . . . . . . . . . . . . . . . . . . . . . .
AIR INJECTION 7-46. . . . . . . . . . . . . . . . . . . . . . . . . . . . . . . . . . . . . . . . . . .
AIR CUT-OFF VALVE 7-46. . . . . . . . . . . . . . . . . . . . . . . . . . . . . . . . . . . . . .
AIR INDUCTION SYSTEM DIAGRAMS 7-47. . . . . . . . . . . . . . . . . . . . . . .
CHECKING THE AIR INDUCTION SYSTEM 7-48. . . . . . . . . . . . . . . . . .
CHAPTER 8
ELECTRICAL SYSTEM
ELECTRICAL COMPONENTS8-1 . . . . . . . . . . . . . . . . . . . . . . . . . . . . . . . . . .
CHECKING SWITCH CONTINUITY8-3 . . . . . . . . . . . . . . . . . . . . . . . . . . . . .
CHECKING THE SWITCHES8-4 . . . . . . . . . . . . . . . . . . . . . . . . . . . . . . . . . . .
CHECKING THE BULBS AND BULB SOCKETS8-5 . . . . . . . . . . . . . . . . .
TYPES OF BULBS 8-5. . . . . . . . . . . . . . . . . . . . . . . . . . . . . . . . . . . . . . . . .
CHECKING THE CONDITION OF THE BULBS 8-5. . . . . . . . . . . . . . . .
ProCarManuals.com

CHECKING THE CONDITION OF THE BULB SOCKETS 8-6. . . . . . .
CHECKING THE LEDs 8-7. . . . . . . . . . . . . . . . . . . . . . . . . . . . . . . . . . . . .
IGNITION SYSTEM8-8 . . . . . . . . . . . . . . . . . . . . . . . . . . . . . . . . . . . . . . . . . . .
CIRCUIT DIAGRAM 8-8. . . . . . . . . . . . . . . . . . . . . . . . . . . . . . . . . . . . . . . .
TROUBLESHOOTING 8-10. . . . . . . . . . . . . . . . . . . . . . . . . . . . . . . . . . . . . .
ELECTRIC STARTING SYSTEM8-14 . . . . . . . . . . . . . . . . . . . . . . . . . . . . . . . .
CIRCUIT DIAGRAM 8-14. . . . . . . . . . . . . . . . . . . . . . . . . . . . . . . . . . . . . . . .
STARTING CIRCUIT CUT-OFF SYSTEM OPERATION 8-15. . . . . . . . .
TROUBLESHOOTING 8-16. . . . . . . . . . . . . . . . . . . . . . . . . . . . . . . . . . . . . .
STARTER MOTOR8-19 . . . . . . . . . . . . . . . . . . . . . . . . . . . . . . . . . . . . . . . . . . . .
CHECKING THE STARTER MOTOR 8-21. . . . . . . . . . . . . . . . . . . . . . . . .
ASSEMBLING THE STARTER MOTOR 8-22. . . . . . . . . . . . . . . . . . . . . .
CHARGING SYSTEM8-24 . . . . . . . . . . . . . . . . . . . . . . . . . . . . . . . . . . . . . . . . .
CIRCUIT DIAGRAM 8-24. . . . . . . . . . . . . . . . . . . . . . . . . . . . . . . . . . . . . . . .
TROUBLESHOOTING 8-25. . . . . . . . . . . . . . . . . . . . . . . . . . . . . . . . . . . . . .
LIGHTING SYSTEM8-27 . . . . . . . . . . . . . . . . . . . . . . . . . . . . . . . . . . . . . . . . . . .
CIRCUIT DIAGRAM 8-27. . . . . . . . . . . . . . . . . . . . . . . . . . . . . . . . . . . . . . . .
TROUBLESHOOTING 8-29. . . . . . . . . . . . . . . . . . . . . . . . . . . . . . . . . . . . . .
CHECKING THE LIGHTING SYSTEM 8-31. . . . . . . . . . . . . . . . . . . . . . . .
SIGNALING SYSTEM8-34 . . . . . . . . . . . . . . . . . . . . . . . . . . . . . . . . . . . . . . . . .
CIRCUIT DIAGRAM 8-34. . . . . . . . . . . . . . . . . . . . . . . . . . . . . . . . . . . . . . . .
TROUBLESHOOTING 8-36. . . . . . . . . . . . . . . . . . . . . . . . . . . . . . . . . . . . . .
CHECKING THE SIGNALING SYSTEM 8-36. . . . . . . . . . . . . . . . . . . . . .
COOLING SYSTEM8-43 . . . . . . . . . . . . . . . . . . . . . . . . . . . . . . . . . . . . . . . . . . .
CIRCUIT DIAGRAM 8-43. . . . . . . . . . . . . . . . . . . . . . . . . . . . . . . . . . . . . . . .
TROUBLESHOOTING 8-45. . . . . . . . . . . . . . . . . . . . . . . . . . . . . . . . . . . . . .
FUEL PUMP SYSTEM8-48 . . . . . . . . . . . . . . . . . . . . . . . . . . . . . . . . . . . . . . . . .
CIRCUIT DIAGRAM 8-48. . . . . . . . . . . . . . . . . . . . . . . . . . . . . . . . . . . . . . . .
FUEL PUMP SYSTEM 8-49. . . . . . . . . . . . . . . . . . . . . . . . . . . . . . . . . . . . . .
TROUBLESHOOTING 8-50. . . . . . . . . . . . . . . . . . . . . . . . . . . . . . . . . . . . . .
CHECKING THE FUEL PUMP 8-52. . . . . . . . . . . . . . . . . . . . . . . . . . . . . . .
SELF-DIAGNOSIS8-53 . . . . . . . . . . . . . . . . . . . . . . . . . . . . . . . . . . . . . . . . . . . .
TROUBLESHOOTING 8-54. . . . . . . . . . . . . . . . . . . . . . . . . . . . . . . . . . . . . .
CHAPTER 9
TROUBLESHOOTING
STARTING FAILURES9-1 . . . . . . . . . . . . . . . . . . . . . . . . . . . . . . . . . . . . . . . . . .
ENGINE 9-1. . . . . . . . . . . . . . . . . . . . . . . . . . . . . . . . . . . . . . . . . . . . . . . . . . .
FUEL SYSTEM 9-1. . . . . . . . . . . . . . . . . . . . . . . . . . . . . . . . . . . . . . . . . . . . .
ProCarManuals.com

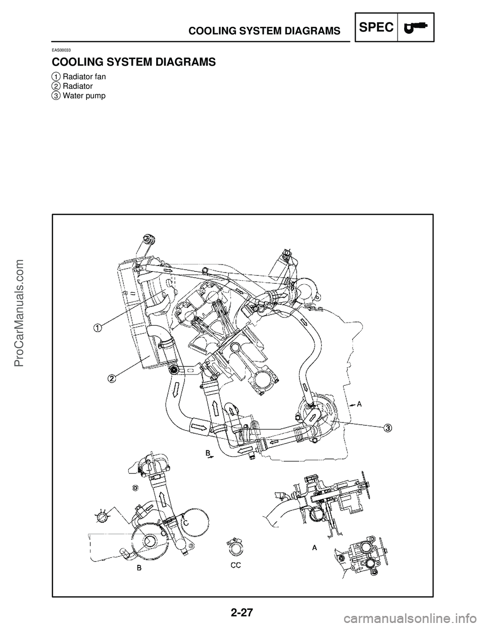
2-27
1Radiator fan
2Radiator
3Water pump
COOLING SYSTEM DIAGRAMSSPEC
EAS00033
COOLING SYSTEM DIAGRAMS
ProCarManuals.com

2-28
1Thermostat
2Radiator cap
3Radiator
4Oil cooler
COOLING SYSTEM DIAGRAMSSPEC
ProCarManuals.com