Page 1 of 4133

AIR BAG RESTRAINT SYSTEM
1998 AIR BAG RESTRAINT SYSTEMS Mercedes-Benz
DESCRIPTION & OPERATION
All models are equipped with Supplemental Restraint System (SRS). The main components of SRS are a driver
air bag module, passenger air bag module, control unit, SRS warning light, driver knee bolster, passenger knee
bolster, and Emergency Tensioning Retractor (ETR) seat belt assembly. Additionally, all vehicles provide
driver-side and passenger-side impact protection by side air bags which are mounted in the driver-side and
passenger-side doors. Each of the door mounted side air bags utilize sensors which recognize lateral
acceleration durin
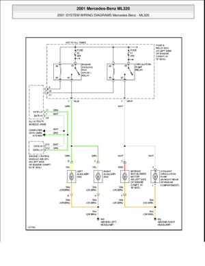
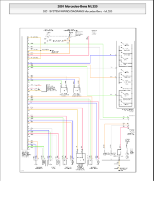
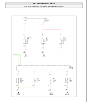
g side impact and signal this to the control module. See Fig. 1. NOTE: Information on ML320 is not available. For WIRING DIAGRAMS, See Fig. 32
.
WARNING:To avoid injury from accidental air bag deployment, read and carefully
follow all WARNINGS and SERVICE PRECAUTIONS
.
1998 Mercedes-Benz ML320
AIR BAG RESTRAINT SYSTEM 1998 AIR BAG RESTRAINT SYSTEMS Mercedes-Benz
1998 Mercedes-Benz ML320
AIR BAG RESTRAINT SYSTEM 1998 AIR BAG RESTRAINT SYSTEMS Mercedes-Benz
me
Saturday, October 02, 2010 3:33:13 PMPage 1 © 2006 Mitchell Repair Information Company, LLC.
me
Saturday, October 02, 2010 3:33:18 PMPage 1 © 2006 Mitchell Repair Information Company, LLC.
Page 2 of 4133
1998 Mercedes-Benz ML320
AIR BAG RESTRAINT SYSTEM 1998 AIR BAG RESTRAINT SYSTEMS Mercedes-Benz
me
Saturday, October 02, 2010 3:33:13 PMPage 2 © 2006 Mitchell Repair Information Company, LLC.
Page 3 of 4133

Fig. 1: Locating Restraint System Components (E Class Shown; Others Are Similar)
Courtesy of MERCEDES-BENZ OF NORTH AMERICA
Both SRS and ETR are electronically activated by a single control unit if a moderately severe to severe frontal
collision occurs. There are 2 thresholds which must be exceeded to trigger an ETR action, air bag deployment,
or both. If a moderately severe frontal collision occurs exceeding first triggering threshold where protection
from safety belt is sufficient, only Emergency Tensioning Retractor (ETR) is activated if safety belt is buckled.
If a moderately severe frontal collision occurs exceeding first triggering threshold where protection from safety
belt is sufficient, but safety belt is not buckled, air bag is deployed and EAR is not activated.
If a severe frontal collision occurs exceeding second triggering threshold where protection from safety belt is
insufficient, air bag is deployed. EAR is activated if safety belt is buckled. If safety belt is not buckled, ETR is
not activated when second triggering threshold is reached. Passenger air bag will deploy even if passenger seat
is not occupied when a triggering threshold is exceeded. If during a severe frontal collision the power supply is
interrupted, the driver and passenger air bag can still be deployed, but ETR cannot be activated.
The side air bag on the driver-side deploys whenever the driver-side air bag module is deployed and when there
is a substantial side impact crash. The air bag on the passenger-side will activate only when a sensor (Occupied
Seat Recognition Sensor) in the passenger seat sends a signal to the control module that the passenger-side seat
is occupied. During a collision, the side air bag will then deploy.
SERVICING
SRS AIR BAG label on driver-side door latch post indicates SRS replacement date for driver and passenger air
bag units. All SRS components must be thoroughly inspected, including wiring harness. Before component
replacement, check for SRS fault codes by performing system operation check. See SYSTEM OPERATION
CHECK . SRS service life is 10 years from manufactured date, or 10 years from SRS replacement date after
accident related repairs are completed.
POST-COLLISION INSPECTION
When a vehicle has been involved in a collision, certain components of the passive restraint system must be
inspected or replaced. See PASSIVE RESTRAINT SYSTEM INSPECTION article in the GENERAL
INFORMATION section for post-collision inspection information.
ADJUSTMENTS
If fixing screws were not used during clockspring removal or clockspring was rotated during removal, turn
clockspring clockwise until resistance is detectable. Turn clockspring counterclockwise 2-2.5 turns until fixing
screws can be unscrewed holding clockspring in this position.
DISPOSAL PROCEDURES
WARNING:An undeployed air bag module or ETR should never be disposed of
without first being deployed. See SCRAPPED VEHICLE
. If deployment is
not possible, contact vehicle manufacturer for further instructions.
1998 Mercedes-Benz ML320
AIR BAG RESTRAINT SYSTEM 1998 AIR BAG RESTRAINT SYSTEMS Mercedes-Benz
me
Saturday, October 02, 2010 3:33:13 PMPage 3 © 2006 Mitchell Repair Information Company, LLC.
Page 4 of 4133

Several situations may arise requiring some form of disposal action, including:
Scrapping a vehicle containing a deployed air bag module and/or ETR.
Scrapping a vehicle with a live air bag module and/or ETR.
Disposal of a live but electrically faulty air bag module and/or ETR.
Disposal of a deployed air bag module and/or ETR.
DEPLOYED AIR BAG OR ETR
Deployed air bag module and/or ETR unit can be thrown away. None of its components are reusable. Deployed
air bag module is NOT classified as hazardous material.
SCRAPPED VEHICLE
1. Before proceeding, follow service precautions. See SERVICE PRECAUTIONS . Move vehicle
outdoors to a remote area, away from workshop and other personnel. Disconnect and shield negative
battery cable. Open all vehicle windows and doors.
2. Ensure air bag module is secured to steering wheel, and passenger air bag is secured to dash. Ensure ETR
seat belt assemblies are secured to "B" pillars and all seat belt buckles are latched. Remove loose objects
from front seat. DO NOT allow anyone inside vehicle.
3. Disable air bag system. See DISABLING & ACTIVATING AIR BAG SYSTEM
. Connect Trigger
Device (126-589-00-90-00) and Adapter Cable (126 589 21 63 00) to SRS system connector (X29/9)
located at passenger footwell area. See Fig. 5
. Move away from vehicle as far as trigger device wiring
will allow.
4. To deploy driver air bag and ETR, turn rotary knob on trigger device to position No. 1. Push battery
check pushbutton and ignition pushbutton simultaneously. Trigger light should illuminate indicating
driver air bag and ETR deployed. If trigger light is illuminated and driver air bag and/or ETR did not
deploy, driver air bag module and/or ETR is faulty. See UNDEPLOYED AIR BAG/ETR
.
5. To deploy passenger air bag detonator No. 1, turn rotary knob on trigger device to position No. 2. Push
battery check pushbutton and ignition pushbutton simultaneously. Trigger light should illuminate
indicating passenger air bag detonator No. 1 deployed. If trigger light is illuminated and passenger air bag
detonator No. 1 did not deploy, passenger air bag module is faulty. See UNDEPLOYED AIR
BAG/ETR .
6. To deploy passenger air bag detonator No. 2, turn rotary knob on trigger device to position No. 3. Push
battery check pushbutton and ignition pushbutton simultaneously. Trigger light should illuminate
indicating passenger air bag detonator No. 2 deployed. If trigger light is illuminated and passenger air bag
detonator No. 2 did not deploy, passenger air bag module is faulty. See UNDEPLOYED AIR
BAG/ETR . WARNING:An undeployed air bag module and/or ETR seat belt CANNOT be disposed
of without first being deployed. If this is not possible through procedures
outlined below, contact vehicle manufacturer for further instructions.
Perform remote deployment outdoors. Keep personnel at least 20 feet
away.
1998 Mercedes-Benz ML320
AIR BAG RESTRAINT SYSTEM 1998 AIR BAG RESTRAINT SYSTEMS Mercedes-Benz
me
Saturday, October 02, 2010 3:33:13 PMPage 4 © 2006 Mitchell Repair Information Company, LLC.
Page 5 of 4133

UNDEPLOYED AIR BAG/ETR
After deploying procedures and/or diagnostic testing have confirmed air bag module and/or ETR is
undeployable, contact vehicle manufacturer for proper disposal instructions.
REMOVAL & INSTALLATION
CLOCKSPRING ASSEMBLY
Removal & Installation
1. Before proceeding, see SERVICE PRECAUTIONS . Disable air bag system. See DISABLING &
ACTIVATING AIR BAG SYSTEM .
2. Remove driver air bag module. See DRIVER
-SIDE AIR BAG MODULE . Remove steering wheel bolt.
Using a puller, remove steering wheel. Disconnect lower clockspring connector. Turn 2 fixing screws
(locating on clockspring) counterclockwise until clockspring cannot be rotated. Remove clockspring
mounting screws as necessary. Disconnect all necessary electrical connectors. Remove clockspring
assembly. To install, reverse removal procedure. Activate air bag system. See DISABLING &
ACTIVATING AIR BAG SYSTEM . Perform system operation check to ensure system is functioning
properly. See SYSTEM OPERATION CHECK
.
CONTROL UNIT
Removal & Installation (C Class)
1. Before proceeding, see SERVICE PRECAUTIONS . Disable air bag system. See DISABLING &
ACTIVATING AIR BAG SYSTEM . Remove ignition key. Remove shift lever cover bezel. Lift shift
lever cover enough to disconnect electrical connector. Remove shift lever cover.
2. Remove storage compartment mounting screws from center console. Remove storage compartment.
Remove ashtray. Disconnect electrical connectors as necessary. Disconnect control module electrical
connector. Remove control module mounting bolts. Remove control module.
3. To install, reverse removal procedure. Ensure control module arrow points to front of vehicle. Set
parameters and program new control module with Hand-Held Tester (965 589 00 01 00). Activate air bag
system. Perform system operation check to ensure system is functioning properly. See SYSTEM
OPERATION CHECK .
Removal & Installation (E Class)
1. Before proceeding, see SERVICE PRECAUTIONS . Disable air bag system. See DISABLING &
ACTIVATING AIR BAG SYSTEM . Remove ignition key. Remove gear shift cover panel. Remove
ashtray and ashtray housing at front of console. Remove radio (if necessary).
2. Remove center console right side cover screws and right side cover. Disconnect electrical connector for
control unit. Remove 2 control unit mounting screws. Remove control unit. WARNING:Failure to follow service precautions may result in air bag deployment and
personal injury. See SERVICE PRECAUTIONS
. After component
replacement, check system operation. See SYSTEM OPERATION CHECK
.
1998 Mercedes-Benz ML320
AIR BAG RESTRAINT SYSTEM 1998 AIR BAG RESTRAINT SYSTEMS Mercedes-Benz
me
Saturday, October 02, 2010 3:33:13 PMPage 5 © 2006 Mitchell Repair Information Company, LLC.
Page 6 of 4133

3. To install, reverse removal procedure. Ensure control module arrow points to front of vehicle. Set
parameters and program new control module with Hand-Held Tester (965 589 00 01 00). Activate air bag
system. Perform system operation check to ensure system is functioning properly. See SYSTEM
OPERATION CHECK .
Removal & Installation (S Class)
1. Before proceeding, see SERVICE PRECAUTIONS . Disable air bag system. See DISABLING &
ACTIVATING AIR BAG SYSTEM . Remove ignition key. Remove radio. Remove ashtray. Remove
wooden surround for ashtray. Remove shift lever cover mounting screws. Push shift lever cover toward
rear of vehicle and remove in an upward direction.
2. Remove center console cover screws. Remove center console cover by pulling from bottom in an upward
direction. When removing covers, disconnect electrical connectors as necessary. Disconnect control
module electrical connector. Remove control module.
3. To install, reverse removal procedure. Ensure control module arrow points to front of vehicle. Set
parameters and program new control module with Hand-Held Tester (965 589 00 01 00). Activate air bag
system. Perform system operation check to ensure system is functioning properly. See SYSTEM
OPERATION CHECK .
Removal & Installation (SL Class)
1. Before proceeding, see SERVICE PRECAUTIONS . Disable air bag system. See DISABLING &
ACTIVATING AIR BAG SYSTEM . Remove ignition key. Remove radio. Push up and pull out heater
control panel. Unplug 2 connectors. Remove screw in middle of storage tray.
2. Bend up at top corners and lift out storage tray. Remove screws below storage tray. Lift wood trim panel
at rear, pull down and out of catches. Unplug switch connectors and remove wood trim panel. Unplug
connectors at control unit and remove Torx mounting screws. Remove control unit.
3. To install, reverse removal procedure. Ensure control module arrow points to front of vehicle. Set
parameters and program new control module with Hand-Held Tester (965 589 00 01 00). Activate air bag
system. Perform system operation check to ensure system is functioning properly. See SYSTEM
OPERATION CHECK .
Removal & Installation (CLK 320 & SLK 230)
1. Before proceeding, see SERVICE PRECAUTIONS . Disable air bag system. See DISABLING &
ACTIVATING AIR BAG SYSTEM . Remove ignition key. Remove cover on center console. Remove
cover on shift lever. Remove ash tray housing with storage compartment at front of center console.
Unplug connectors at control unit and remove Torx mounting screws. Remove control unit.
2. To install, reverse removal procedure. Ensure control module arrow points to front of vehicle. Set
parameters and program new control module with Hand-Held Tester (965 589 00 01 00). Activate air bag
system. Perform system operation check to ensure system is functioning properly. See SYSTEM
OPERATION CHECK .
DRIVER-SIDE AIR BAG MODULE
NOTE: Air bag module and steering wheel must be replaced following a collision in
1998 Mercedes-Benz ML320
AIR BAG RESTRAINT SYSTEM 1998 AIR BAG RESTRAINT SYSTEMS Mercedes-Benz
me
Saturday, October 02, 2010 3:33:13 PMPage 6 © 2006 Mitchell Repair Information Company, LLC.
Page 7 of 4133

Removal & Installation
1. Before proceeding, see SERVICE PRECAUTIONS . Disable air bag system. See DISABLING &
ACTIVATING AIR BAG SYSTEM . Remove ignition key. Remove 2 Torx screws from rear of
steering wheel. Lift off air bag module enough to unplug connector from rear of module. Place module
away from work area, with pad facing upward.
2. To install, reverse removal procedure. Tighten Torx screws to specification. See TORQUE
SPECIFICATIONS . Activate air bag system. Perform system operation check to ensure system is
functioning properly. See SYSTEM OPERATION CHECK
.
SIDE AIR BAG UNIT - DRIVER-SIDE & PASSENGER-SIDE
Removal & Installation
1. Before proceeding, see SERVICE PRECAUTIONS . Disable air bag system. See DISABLING &
ACTIVATING AIR BAG SYSTEM . Remove ignition key. Drill out rivets at retaining plate of side air
bag unit. Pull air bag unit out of door. Disconnect connector at driver-side air bag squib. Remove unit
from vehicle. See Fig. 2
.
2. To install, connect connector so that connector audibly clicks when connector engages. Install unit in
door trim panel and rivet using only special rivets (Part No. 003 990 0097). Perform system operation
check to ensure s
ystem is functioning properly. See SYSTEM OPERATION CHECK . which air bag was deployed.
1998 Mercedes-Benz ML320
AIR BAG RESTRAINT SYSTEM 1998 AIR BAG RESTRAINT SYSTEMS Mercedes-Benz
me
Saturday, October 02, 2010 3:33:13 PMPage 7 © 2006 Mitchell Repair Information Company, LLC.
Page 8 of 4133
1998 Mercedes-Benz ML320
AIR BAG RESTRAINT SYSTEM 1998 AIR BAG RESTRAINT SYSTEMS Mercedes-Benz
me
Saturday, October 02, 2010 3:33:13 PMPage 8 © 2006 Mitchell Repair Information Company, LLC.