Page 627 of 1336
0000-00
2) CAN Communication Wiring Diagram
Splice pack Wiring Location
S101 W/H Floor (LH) Glow Control Unit
S102 W/H Floor (RH) Inside RH Fender
S202 W/H Main Backside Cluster (LH Cowl Cross Member)
S204 W/H Main Backside Cluster (Under ICM Relay Box)
S205 W/H Main Backside Audio (CTR Cowl Cross Member)
S206 W/H Floor (LH) Under Driver Seat
S401 W/H Floor (LH) Beside PAS Unit (inside LH QTR Trim)
Page 634 of 1336
ICM box
Interior fuse boxEngine compartment
fuse box
The fuse and relay boxes in this vehicle are mounted on the engine compartment, left side of the
instrument panel and rear of the instrument cluster (3 off in total). The capacities and its names for each
fuse and relay are marked on the each fuse and relay box cover.
The label attached on each fuse box indicates only major fuses and relays. For detailed information, see
the power distribution circuit diagram.
1. OVERVIEW
2. SYSTEM LAYOUT
Page 657 of 1336
8710-01
Operating process
BCM and rain sensor system diagram
Data recognition time
The LIN communication is established when the ignition is turned ON, regardless of the wiper and light
switch operation. Then the function for the LIN data is carried out with the wiper AUTO switch or AUTO
light switch in the AUTO position.
The data from the rain sensor is recognized as 2 consecutive data.
Operation when data is recognized
Data OFF: Lo/HI relay output OFF
Low speed signal: LO relay output ON (ON for at least 1 revolution), HI relay output OFF
High speed signal: HI relay output ON (ON for at least 1 revolution), LO relay output ON
The washer input is overridden during continuous operation of wiper. (washer coupled wiper operation
during intermittent operation)
Page 751 of 1336
8710-01
24. IMMOBILIZER SYSTEM
1) System Description
The BCM without SKM communicates with the transponder in the REKES key and immobilizer unit in
the key box through wireless communication. The immobilizer unit and BCM check the encrypted codes
received through hard wire communication to start the engine.
Stays on: Communication failure between immobilizer and EMS (ECU)
Flashes: Immobilizer coding failure (once per second)
2) System Diagram
Page 760 of 1336
Page 773 of 1336
8712-03
Power control and engine start diagram
Page 848 of 1336
8510-00
Door lock/unlock switch
Function of door lock/unlock switch
There are 5 actuators in door lock/unlock system (including tailgate). All of them can control the
corresponding door lock and unlock separately. But, the driver door lock switch can control all door
locks. The BCM controls the lock/unlock switch using the door lock/unlock relay. This is a same control
type with Auto door lock function that locks the doors when the vehicle speed exceeds 30 km/h. (see
circuit diagram)
Door lock/unlock relay (integrated in BCM)
Door lock/unlock switch
When the door lock/unlock switch is pressed while all doors including the tailgate are locked, all doors
will be unlocked. When the switch is pressed again, all doors will be locked.
Page 903 of 1336
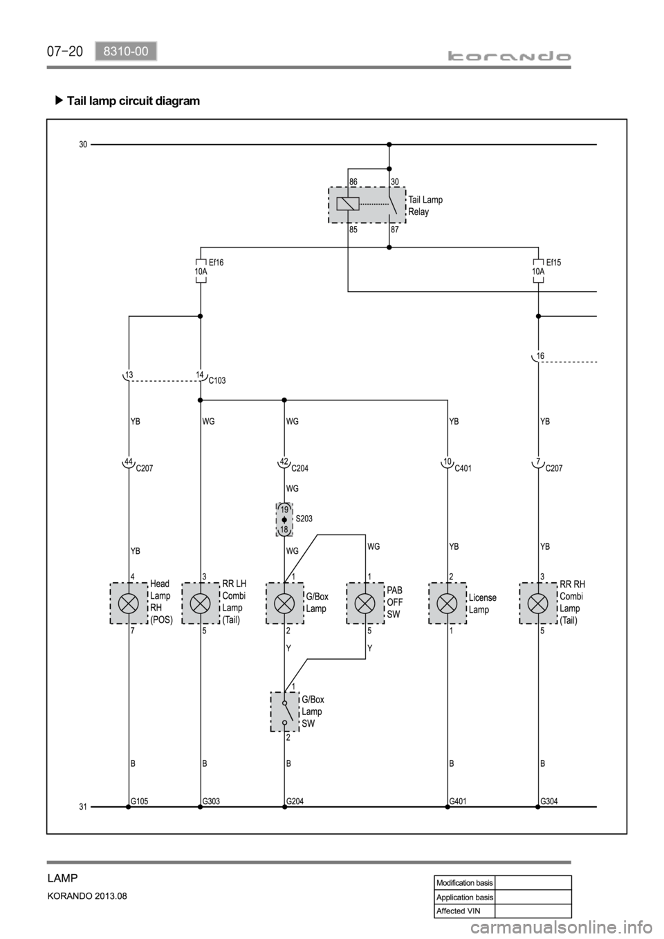
Tail lamp circuit diagram