
2 - 103
SPECCABLE ROUTING DIAGRAM
ÈInsert the end of the fuel tank breather hose into the hole in the
steering stem.
ÉFasten the throttle cable, hot starter cable and rectifier/regula-
tor lead onto the frame. Locate the clamp end facing the lower
side of the hot starter cable and cut off the tie end.
ÊFasten the diode (at the marking), throttle cable and hot starter
cable onto the frame. Locate the clamp end facing toward the
lower right of the frame and with the tie end facing downward.
ËFasten the wire harness, throttle position sensor lead, starter
motor lead and negative battery lead onto the frame. Pass the
clamp through the hole in the stay (air cut-off valve). Locate the
clamp end facing toward the lower side of the frame and cut off
the tie end.ÌFasten the throttle position sensor lead onto the frame. Locate
the clamp end facing toward the lower side of the frame and
cut off the tie end.
ÍPass the carburetor breather hoses, carburetor overflow hose
and catch tank breather hose between the connecting rod and
cross tube (frame).
ÎFasten the neutral switch lead and oil hose together with the
plastic locking ties and cut off the tie ends.
ÏFasten the neutral switch lead and AC magneto lead onto the
frame. Locate the clamp end facing toward the outside of the
frame and tie end facing toward the rear of the frame.

2 - 104
SPEC
ÈInsérer l’extrémité de la durit de mise à l’air du réservoir de carbu-
rant dans l’orifice de la colonne de direction.
ÉFixer le câble des gaz, le câble de starter à chaud et le fil du redres-
seur/régulateur au cadre. Rechercher l’extrémité du collier à pince
orienté vers le côté inférieur du câble de starter à chaud et couper
l’extrémité du collier.
ÊFixer la diode (au repère), le câble des gaz et le câble de starter à
chaud au cadre. Rechercher l’extrémité du collier à pince orienté
vers le côté inférieur droit du cadre en plaçant l’extrémité du collier
vers le bas.
ËFixer le faisceau de fils, le fil du capteur de position de papillon des
gaz, le fil du démarreur et le câble négatif de batterie au cadre. Ache-
miner le collier à pince dans l’orifice du support (clapet de coupure
d’air). Rechercher l’extrémité du collier à pince orienté vers le côté
inférieur du cadre et couper l’extrémité du collier.ÌFixer le fil du capteur de position de papillon des gaz au cadre.
Rechercher l’extrémité du collier à pince orienté vers le côté infé-
rieur du cadre et couper l’extrémité du collier.
ÍAcheminer les durits de mise à l’air du carburateur, la durit de trop-
plein du carburateur et la durit de mise à l’air du réservoir de récupé-
ration entre la bielle et la traverse tubulaire (cadre).
ÎFixer le fil du contacteur de point mort et la durit d’huile à l’aide des
colliers en plastique et couper les extrémités des colliers.
ÏFixer le fil du contacteur de point mort et le fil de l’alternateur avec
rotor à aimantation permanente au cadre. Rechercher l’extrémité du
collier à pince orienté vers l’extérieur du cadre et l’extrémité du col-
lier orienté vers l’arrière du cadre.
ÈDas Ende des Kraftstofftank-Belüftungsschlauchs durch die
Bohrung in der Lenkachse stecken.
ÉGaszug, Warmstartzug und Gleichrichter/Regler-Kabel am
Rahmen befestigen. Klemmenende so positionieren, dass es
in Richtung der unteren Seite des Warmstartzuges zeigt und
Kabelbinder abschneiden.
ÊDiode (an der Markierung), Gaszug und Warmstartzug am
Rahmen befestigen. Klemmenende so positionieren, dass es
in Richtung unterer Rahmen zeigt und das Kabelbinderende
nach unten zeigt.
ËKabelbaum, Drosselklappensensor-Kabel, Starter-Kabel und
Batterie-Minuskabel am Rahmen befestigen. Die Klemme
durch das Loch in der Halterung (Sekundärluft-Abschaltventil)
führen. Klemmenende so positionieren, dass es in Richtung
unterer Rahmen zeigt und Kabelbinderende abschneiden.ÌDrosselklappensensor-Kabel am Rahmen befestigen. Klem-
menende so positionieren, dass es in Richtung unterer Rah-
men zeigt und Kabelbinderende abschneiden.
ÍDie Vergaser-Entlüftungs- und Überlauf- sowie Auffangtank-
Belüftungsschlauch zwischen Übertragungshebel und Rah-
menquerrohr führen.
ÎDas Leerlaufschalter-Kabel und den Ölschlauch mit Kabelbin-
dern zusammenbinden und die Enden abschneiden.
ÏLeerlaufschalter- und Lichtmaschinen-Kabel am Rahmen
befestigen. Klemmenende so positionieren, dass es in Rich-
tung Außenseite des Rahmens zeigt und das Kabelbinde-
rende in Richtung hinterer Rahmen.
ÈInserire l’estremità del flessibile di sfiato del serbatoio carburante
nel foro del rivestimento del fusto dello sterzo.
ÉFissare il cavo acceleratore, il cavo starter per partenze a caldo e il
cavo raddrizzatore/regolatore al telaio. Posizionare l’estremità del
morsetto rivolgendola verso la parte inferiore del cavo starter per
partenze a caldo e tagliare l’estremità dei serrafili.
ÊFissare il diodo (al riferimento), il cavo acceleratore e il cavo starter
per partenze a caldo al telaio. Posizionare l’estremità del morsetto
rivolgendola verso la parte inferiore destra del telaio e con l’estre-
mità dei serrafili rivolta verso il basso.
ËFissare il cablaggio elettrico, il cavo sensore posizione farfalla, il
cavo motorino di avviamento e il cavo negativo batteria al telaio. Far
passare il morsetto nel foro del supporto (valvola interdizione aria).
Posizionare l’estremità del morsetto rivolgendola verso la parte infe-
riore del telaio e tagliare l’estremità dei serrafili.ÌFissare il cavo sensore posizione farfalla al telaio. Posizionare
l’estremità del morsetto rivolgendola verso la parte inferiore del
telaio e tagliare l’estremità dei serrafili.
ÍFar passare i flessibili di sfiato e di troppopieno del carburatore e il
flessibile di sfiato del serbatoio di raccolta tra la biella e il tubo a
croce (telaio).
ÎFissare il cavo interruttore folle e il flessibile olio insieme ai serrafili
in plastica e tagliare le estremità dei serrafili.
ÏFissare il cavo interruttore folle e il cavo magnete CA al telaio. Posi-
zionare il morsetto rivolgendolo verso la parte esterna del telaio e
l’estremità dei serrafili rivolgendola verso la parte posteriore del
telaio.
ÈIntroduzca el extremo del tubo respiradero del depósito de
combustible por el orificio del vástago de la dirección.
ÉSujete el cable del acelerador, el cable de arranque en
caliente y el cable del rectificador/regulador en el bastidor.
Localice el extremo de la brida encarada hacia la parte inferior
del cable de arranque en caliente y corte el extremo.
ÊSujete el diodo (por la marca), el cable del acelerador y el
cable de arranque en caliente en el bastidor. Localice el
extremo de la brida encarada hacia la parte inferior derecha
del bastidor y con el extremo encarado hacia abajo.
ËSujete el mazo de cables, el cable del sensor de posición del
acelerador, el cable del motor de arranque y el cable negativo
de la batería en el bastidor. Pase la brida por el orificio del
apoyo (válvula de corte de aire). Localice el extremo de la
brida encarada hacia la parte inferior del bastidor y corte el
extremo.ÌSujete el cable del sensor de posición del acelerador en el
bastidor. Localice el extremo de la brida encarada hacia la
parte inferior del bastidor y corte el extremo.
ÍPase los tubos respiraderos del carburador, el tubo de
rebosamiento del carburador y el tubo respiradero del
depósito de recuperación entre la biela y el tubo transversal
(bastidor).
ÎJunte el cable del interruptor de luz de punto muerto y el tubo
de aceite con las abrazaderas de plástico y corte los extremos
de éstas.
ÏSujete el cable del interruptor de luz de punto muerto y el
cable de la magneto CA en el bastidor. Localice el extremo de
la brida encarada hacia el exterior del bastidor y con el
extremo encarado hacia la parte posterior de éste.
DIAGRAMME DE CHEMINEMENT DES CABLES
KABELFÜHRUNGS-SCHAUBILD
SCHEMA PERCORSO DEI CAVI
DIAGRAMA DE CABLEADO

2 - 115
SPECCABLE ROUTING DIAGRAM
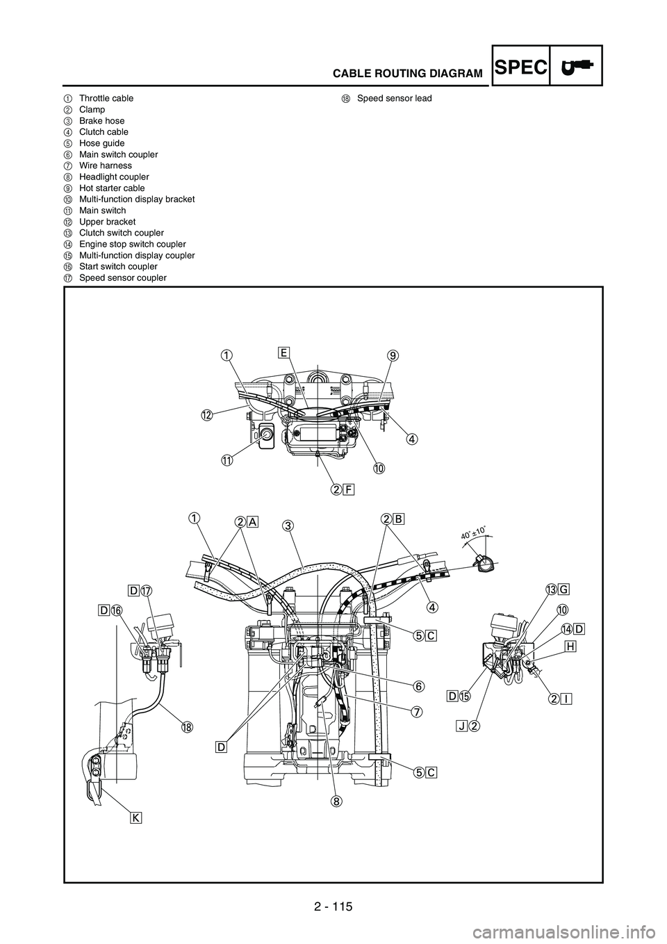
1Throttle cable
2Clamp
3Brake hose
4Clutch cable
5Hose guide
6Main switch coupler
7Wire harness
8Headlight coupler
9Hot starter cable
0Multi-function display bracket
AMain switch
BUpper bracket
CClutch switch coupler
DEngine stop switch coupler
EMulti-function display coupler
FStart switch coupler
GSpeed sensor couplerHSpeed sensor lead
40˚±10˚

2 - 116
SPEC
1Câble des gaz
2Collier à pince
3Durit de frein
4Câble d’embrayage
5Guide de durit
6Fiche rapide du contacteur à clé
7Faisceau de fils
8Fiche rapide du phare
9Câble de starter à chaud
0Support de l’écran multifonction
AContacteur à clé
BTé supérieur
CFiche rapide du contacteur d’embrayage
DFiche rapide du coupe-circuit du moteur
EFiche rapide de l’écran multifonction
FFiche rapide du contacteur de démarrageGFiche rapide du capteur de vitesse
HFil du capteur de vitesse
1Gaszug
2Klemme
3Bremsschlauch
4Kupplungszug
5Schlauchführung
6Zündschloss-Steckverbinder
7Kabelbaum
8Scheinwerfer-Steckverbinder
9Warmstartzug
0Multifunktionsanzeigen-Halterung
AZündschloss
BObere Gabelbrücke
CKupplungsschalter-Steckverbinder
DMotorstoppschalter-Steckverbinder
EMultifunktionsanzeigen-Steckverbinder
FStarterschalter-SteckverbinderGGeschwindigkeitssensor-Steckverbinder
HGeschwindigkeitssensor-Kabel
1Cavo acceleratore
2Morsetto
3Tubo del freno
4Cavo frizione
5Guida flessibile
6Accoppiatore interruttore di accensione
7Cablaggio elettrico
8Accoppiatore del faro
9Cavo starter per partenze a caldo
0Staffa display multifunzione
AInterruttore di accensione
BStaffa superiore
CAccoppiatore interruttore della frizione
DAccoppiatore interruttore di arresto motore
EAccoppiatore display multifunzione
FAccoppiatore interruttore dell’avviamentoGAccoppiatore sensore velocità
HCavo sensore velocità
1Cable del acelerador
2Brida
3Tubo de freno
4Cable de embrague
5Guía de tubo
6Acoplador del interruptor principal
7Mazo de cables
8Acoplador del faro
9Cable de arranque en caliente
0Soporte del visor multifunción
AInterruptor principal
BSoporte superior
CAcoplador del interruptor del embrague
DAcoplador del interruptor de paro del motor
EAcoplador del visor multifunción
FAcoplador del interruptor de arranqueGAcoplador del sensor de velocidad
HCable del sensor de velocidad
DIAGRAMME DE CHEMINEMENT DES CABLES
KABELFÜHRUNGS-SCHAUBILD
SCHEMA PERCORSO DEI CAVI
DIAGRAMA DE CABLEADO

2 - 117
SPECCABLE ROUTING DIAGRAM
ÈFasten the start switch lead to the handlebar with the plastic
bands.
ÉFasten the engine stop switch lead and clutch switch lead to
the handlebar with the plastic bands.
ÊPass the brake hose through the hose guides.
ËSecure the coupler by inserting it into the multi-function display
bracket.
ÌPass the throttle cables, clutch cable and hot starter cable
between the upper bracket and multi-function display bracket.
ÍFasten the multi-function display leads to the bracket. Cut off
the tie end.
ÎSecure the coupler by pushing it into the hole in the multi-func-
tion display bracket.
ÏSecure the wire harness clip by pushing it into the hole in the
multi-function display bracket on the inside.
ÐFasten the wire harness to the multi-function display bracket.
Cut off the tie end.ÑFasten the main switch lead (wire harness side) to the multi-
function display bracket. Locate the clamp end facing toward
the lower side of the frame and cut off the tie end.
ÒPass the speed sensor lead through the guide on the outside
of the front fork.
40˚±10˚

2 - 118
SPEC
ÈFixer le fil du contacteur du démarreur au guidon à l’aide des bandes
en plastique.
ÉFixer le fil du coupe-circuit du moteur et le fil du contacteur
d’embrayage au guidon à l’aide des bandes en plastique.
ÊAcheminer la durit de frein dans les guides de durit.
ËFixer la fiche rapide en l’insérant dans le support de l’écran multi-
fonction.
ÌAcheminer les câbles des gaz, le câble d’embrayage et le câble de
starter à chaud entre le té supérieur et le support de l’écran multi-
fonction.
ÍFixer les fils de l’écran multifonction au support. Couper l’extrémité
du collier.
ÎFixer la fiche rapide en l’enfonçant dans l’orifice du support de
l’écran multifonction.
ÏFixer le clip du faisceau de fils en l’enfonçant dans l’orifice du sup-
port de l’écran multifonction à l’intérieur.ÐFixer le faisceau de fils au support de l’écran multifonction. Couper
l’extrémité du collier.
ÑFixer le fil du contacteur à clé (côté faisceau de fils) au support de
l’écran multifonction. Rechercher l’extrémité du collier à pince
orienté vers le côté inférieur du cadre et couper l’extrémité du col-
lier.
ÒAcheminer le fil du capteur de vitesse par le guide à l’extérieur de la
fourche.
ÈDas Starter-Kabel mit Kunststoffbindern am Lenker befesti-
gen.
ÉDie Motorstoppschalter- und Kupplungsschalter-Kabel mit
Kunststoffbindern am Lenker befestigen.
ÊDen Bremsschlauch durch die Schlauchführungen leiten.
ËDen Steckverbinder in die Multifunktionsanzeigen-Halterung
einsetzen.
ÌDie Gas-, Kupplungs- und Warmstartzüge zwischen der obe-
ren Gabelbrücke und der Multifunktionsanzeigen-Halterung
verlegen.
ÍDie Multifunktionsanzeigen-Kabel an der Halterung befesti-
gen. Kabelbinderende abschneiden.
ÎDen Steckverbinder in die Öffnung in der Multifunktionsanzei-
gen-Halterung einsetzen.
ÏDen Kabelbaum-Clip von innen in die entsprechende Öffnung
in der Multifunktionsanzeigen-Halterung einsetzen.ÐKabelbaum an der Multifunktionsanzeigen-Halterung befesti-
gen. Kabelbinderende abschneiden.
ÑZündschloss-Kabel (kabelbaumseitig) an der Multifunktions-
anzeigen-Halterung befestigen. Klemmenende so positionie-
ren, dass es in Richtung unterer Rahmen zeigt und
überstehendes Kabelbinderende abschneiden.
ÒDas Geschwindigkeitssensor-Kabel durch die Führung an der
Außenseite des Gabelrohrs verlegen.
ÈFissare il cavo dell’interruttore di avviamento al manubrio con le
fascette in plastica.
ÉFissare il cavo interruttore di arresto motore e il cavo interruttore
della frizione al manubrio con le fascette in plastica.
ÊFar passare il tubo del freno attraverso le relative guide.
ËFissare l’accoppiatore inserendolo nel supporto del display multifun-
zione.
ÌFar passare il cavo acceleratore, il cavo della frizione e il cavo starter
per partenze a caldo tra la staffa superiore e il supporto del display
multifunzione.
ÍFissare i cavi del display multifunzione al supporto. Tagliare l’estre-
mità dei serrafili.
ÎFissare l’accoppiatore spingendolo nel foro del supporto del display
multifunzione.
ÏFissare il fermo del cablaggio elettrico spingendolo nel foro del sup-
porto del display multifunzione sulla parte interna.ÐFissare il cablaggio elettrico al supporto del display multifunzione.
Tagliare l’estremità dei serrafili.
ÑFissare il cavo dell’interruttore di accensione (lato cablaggio elet-
trico) al supporto del display multifunzione. Posizionare l’estremità
del morsetto rivolgendola verso la parte inferiore del telaio e tagliare
l’estremità dei serrafili.
ÒFar passare il cavo sensore velocità attraverso la guida sulla parte
esterna della forcella anteriore.
ÈSujete el cable del interruptor de arranque al manillar con las
bandas de plástico.
ÉSujete el cable del interruptor de paro del motor y el cable del
interruptor del embrague al manillar con las bandas de
plástico.
ÊPase el tubo de freno por las guías de tubo.
ËSujete el acoplador introduciéndolo en el soporte del visor
multifunción.
ÌPase los cables del acelerador, el cable de embrague y el
cable de arranque en caliente entre el soporte superior y el
soporte del visor multifunción.
ÍSujete los cables del visor multifunción al soporte. Corte el
extremo.
ÎSujete el acoplador empujándolo al interior del orificio del
soporte del visor multifunción.ÏSujete el clip del mazo de cables empujándolo al interior del
orificio del soporte del visor multifunción por el lado interior.
ÐSujete el mazo de cables al soporte del visor multifunción.
Corte el extremo.
ÑSujete el cable del interruptor principal (por el lado del mazo
de cables) al soporte del visor multifunción. Localice el
extremo de la brida encarada hacia la parte inferior del
bastidor y corte el extremo.
ÒPase el cable del sensor de velocidad por la guía en el lado
exterior de la horquilla delantera.
DIAGRAMME DE CHEMINEMENT DES CABLES
KABELFÜHRUNGS-SCHAUBILD
SCHEMA PERCORSO DEI CAVI
DIAGRAMA DE CABLEADO

INSP
ADJ
3 - 60
ÖLDRUCK KONTROLLIEREN
1. Kontrollieren:
Öldruck
Arbeitsvorgang:
Die Öldruck-Kontrollschraube
1 ein wenig lockern.
Den Motor starten und im Leer-
lauf betreiben, bis Öl an der
Öldruck-Kontrollschraube aus-
tritt. Tritt nach einer Minute kein
Öl aus, den Motor sofort abstel-
len, um Schäden zu vermeiden.
Ölkanäle und Ölpumpe auf
Beschädigung oder Undichtig-
keit prüfen.
Nach der Fehlerbeseitigung
den Motor starten und den
Öldruck erneut kontrollieren.
Die Öldruck-Kontrollschraube
festziehen.
T R..
Öldruck-Kontroll-
schraube:
10 Nm
(1,0 m kg, 7,2 ft lb)
LEERLAUFDREHZAHL
EINSTELLEN
1. Den Motor anlassen und gründ-
lich warmlaufen lassen.
2. Einstellen:
Leerlaufdrehzahl
Arbeitsvorgang:
Die Leerlaufeinstellschraube
1
verdrehen, bis die vorgeschrie-
bene Leerlaufdrehzahl erreicht
ist.
HINWEIS:
Mit dem digitalen Drehzahlmesser
die Drehzahl ermitteln, indem der
Sensor
c des Drehzahlmessers
in der Nähe die Zündspule
2
gebracht wird.
Leerlaufdrehzahl höher →
Leerlaufeinstellschraube 1
nach a drehen.
Leerlaufdrehzahl niedriger →
Leerlaufeinstellschraube 1
nach b drehen.
Leerlaufdrehzahl:
1.750–1.950 U/min
CONTROLLO PRESSIONE OLIO
1. Controllare:
Pressione olio
Operazioni per il controllo:
Allentare leggermente il bullone di
controllo pressione olio 1.
Avviare il motore e lasciarlo girare
al minimo fino a quando l’olio non
comincia a filtrare dal bullone di
controllo pressione olio. Se dopo
un minuto non si ha alcuna fuoriu-
scita di olio, spegnere il motore per
evitarne il grippaggio.
Controllare l’eventuale presenza di
danneggiamenti o perdite nei pas-
saggi e nella pompa dell’olio.
Avviare il motore dopo aver risolto
il/i problema/i e ricontrollato la
pressione olio.
Serrare il bullone di controllo pres-
sione olio.
T R..
Bullone di controllo
pressione olio:
10 Nm
(1,0 m kg, 7,2 ft lb)
REGOLAZIONE REGIME DEL
MINIMO
1. Avviare il motore e farlo riscaldare
bene.
2. Regolare:
Regime del minimo
Operazioni per la regolazione:
Avvitare la vite di arresto valvola a
farfalla 1 fino a raggiungere il
regime del minimo indicato.
NOTA:
Utilizzare un contagiri digitale per la
regolazione del regime del minimo,
rilevare il regime del minimo avvici-
nando l’elemento sensore c del con-
tagiri alla bobina di accensione 2.
Per aumentare il regime del
minimo → avvitare la vite di
arresto valvola a farfalla 1 a.
Per diminuire il regime del minimo
→ svitare la vite di arresto
valvola a farfalla 1 b.
Regime del minimo:
1.750 ~ 1.950 giri/min
COMPROBACIÓN DE LA
PRESIÓN DE ACEITE
1. Comprobar:
Presión de aceite
AJUSTE DEL RALENTÍ DEL
MOTOR
1. Arranque el motor y caliéntelo
bien.
2. Ajustar:
Ralentí del motor Procedimiento de
comprobación:
Afloje ligeramente el tornillo de
comprobación de la presión de
aceite
1.
Arranque el motor y mantén-
galo al ralentí hasta que
empiece a salir aceite por el tor-
nillo de comprobación. Si no
sale aceite después de un
minuto, pare el motor para que
no se agarrote.
Compruebe si los conductos y
la bomba de aceite están daña-
dos o pierden aceite.
Después de resolver el pro-
blema, arranque el motor y
compruebe de nuevo la pre-
sión de aceite.
Apriete el tornillo de comproba-
ción de la presión de aceite.
T R..
Tornillo de comproba-
ción de la presión de
aceite:
10 Nm
(1,0 m kg, 7,2 ft lb)
Procedimiento de ajuste:
Gire el tornillo de tope del ace-
lerador
1 hasta obtener el
ralentí especificado.
NOTA:
Utilizando un tacómetro digital
para ajustar el ralentí, detecte el
régimen del motor aproximando el
elemento sensor
c del tacómetro
a la bobina de encendido
2.
Para aumentar el ralentí → Gire
el tornillo de tope del acelera-
dor 1 en la dirección a.
Para reducir el ralentí → Gire el
tornillo de tope del acelera-
dor 1 en la dirección b.
Ralentí del motor:
1.750 ~ 1.950 r/min
MOTOR
MOTORE
MOTOR

5 - 9
ENGCARBURETOR
CARBURETOR
Extent of removal:
1 Carburetor removal
Extent of removal Order Part name Q’ty Remarks
CARBURETOR REMOVAL
Preparation for removal Seat and fuel tank Refer to “SEAT, FUEL TANK AND SIDE COVERS”
section in the CHAPTER 3.
Rear shock absorber Refer to “REAR SHOCK ABSORBER” section in the
CHAPTER 6.
1 Clamp 2
2 Throttle position sensor lead coupler 1
3 Throttle cable cover 1
4 Throttle cable 2
5 Clamp (air filter joint) 1 Loosen the screw (air filter joint).
6 Clamp (carburetor joint) 1 Loosen the screws (carburetor joint).
7 Hot starter plunger 1
8 Carburetor assembly 1
9 Carburetor joint 1
1