Page 277 of 720
DTC P0133, P0153 A/F SENSOR 1
EC-277
C
D
E
F
G
H
I
J
K
L
MA
EC
Revision: 2006 November2007 350Z
Wiring DiagramNBS006UQ
BANK 1
TBWT1632E
Page 278 of 720
EC-278
DTC P0133, P0153 A/F SENSOR 1
Revision: 2006 November2007 350Z
Specification data are reference values and are measured between each terminal and ground.
Pulse signal is measured by CONSULT-III.
CAUTION:
Do not use ECM ground terminals when measuring input/output voltage. Doing so may result in dam-
age to the ECM's transistor. Use a ground other than ECM terminals, such as the ground.
: Average voltage for pulse signal (Actual pulse signal can be confirmed by oscilloscope.)TER-
MINAL
NO.WIRE
COLORITEM CONDITION DATA (DC Voltage)
1W/RA/F sensor 1 heater
(bank 1)[Engine is running]
Warm-up condition
Idle speed
(More than 140 seconds after starting
engine)2.9 - 8.8V
57 L A/F sensor 1 (bank 1)[Ignition switch: ON]2.2V
61 R A/F sensor 1 (bank 1)[Ignition switch: ON]
Warm-up condition
Engine speed: 2,000 rpm1.8V
Output voltage varies with air
fuel ratio.
PBIB3538E
Page 279 of 720
DTC P0133, P0153 A/F SENSOR 1
EC-279
C
D
E
F
G
H
I
J
K
L
MA
EC
Revision: 2006 November2007 350Z
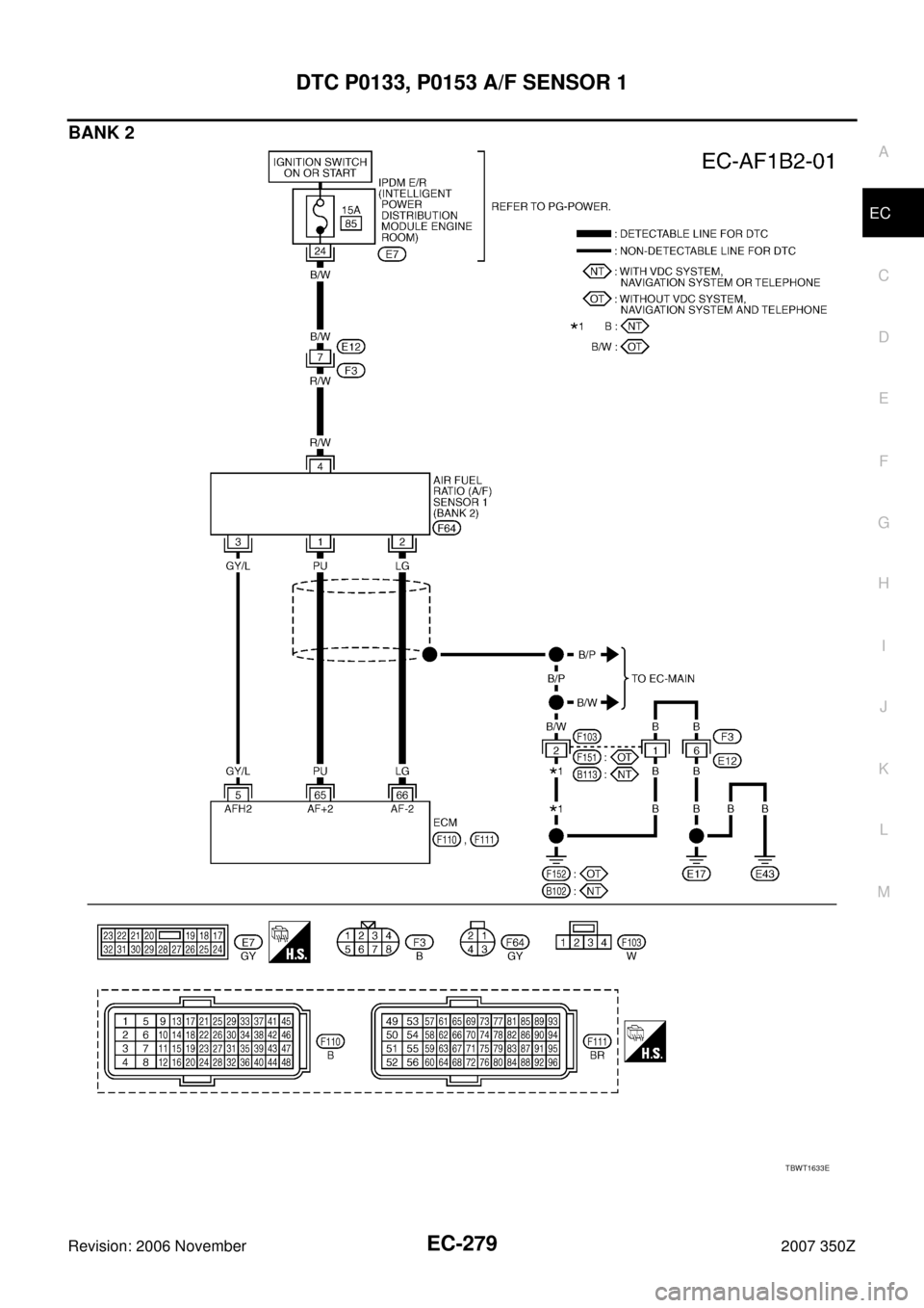
BANK 2
TBWT1633E
Page 280 of 720
EC-280
DTC P0133, P0153 A/F SENSOR 1
Revision: 2006 November2007 350Z
Specification data are reference values and are measured between each terminal and ground.
Pulse signal is measured by CONSULT-III.
CAUTION:
Do not use ECM ground terminals when measuring input/output voltage. Doing so may result in dam-
age to the ECM's transistor. Use a ground other than ECM terminals, such as the ground.
: Average voltage for pulse signal (Actual pulse signal can be confirmed by oscilloscope.)TER-
MINAL
NO.WIRE
COLORITEM CONDITION DATA (DC Voltage)
5GY/LA/F sensor 1 heater
(bank 2)[Engine is running]
Warm-up condition
Idle speed
(More than 140 seconds after starting
engine)2.9 - 8.8
65 PU A/F sensor 1 (bank 2)[Ignition switch: ON]2.2V
66 LG A/F sensor 1 (bank 2)[Ignition switch: ON]
Warm-up condition
Engine speed: 2,000 rpm1.8V
Output voltage varies with air
fuel ratio.
PBIB3538E
Page 281 of 720
DTC P0133, P0153 A/F SENSOR 1
EC-281
C
D
E
F
G
H
I
J
K
L
MA
EC
Revision: 2006 November2007 350Z
Diagnostic ProcedureNBS006UR
1. CHECK GROUND CONNECTIONS
Models with VDC system, navigation system or telephone
1. Turn ignition switch OFF.
2. Loosen and retighten ground screws on the body. Refer to EC-150, "
Ground Inspection" .
Models without VDC system, navigation system and telephone
1. Turn ignition switch OFF.
2. Loosen and retighten ground screws on the body. Refer to EC-150, "
Ground Inspection" .
OK or NG
OK >> GO TO 2.
NG >> Repair or replace ground connections.
1. Body ground E17 2. Body ground E43 3. Body ground B102
:Vehicle front
1. Body ground E17 2. Body ground E43 3. Body ground F152
(Passenger side view with dash side
finisher removed)
:Vehicle front
PBIB3560E
PBIB3561E
Page 282 of 720
EC-282
DTC P0133, P0153 A/F SENSOR 1
Revision: 2006 November2007 350Z
2. RETIGHTEN AIR FUEL RATIO (A/F) SENSOR 1
Loosen and retighten the air fuel ratio (A/F) sensor 1.
>> GO TO 3.
3. CHECK EXHAUST GAS LEAK
1. Start engine and run it at idle.
2. Listen for an exhaust gas leak before three way catalyst 1.
OK or NG
OK >> GO TO 4.
NG >> Repair or replace.
4. CHECK FOR INTAKE AIR LEAK
Listen for an intake air leak after the mass air flow sensor.
OK or NG
OK >> GO TO 5.
NG >> Repair or replace.
1. A/F sensor 1 (bank 1) 2. A/F sensor 1 (bank 2)
:Vehicle front
Tightening torque: 50 N-m (5.1 kg-m, 37 ft-lb)
PBIB3517E
PBIB1922E
Page 283 of 720

DTC P0133, P0153 A/F SENSOR 1
EC-283
C
D
E
F
G
H
I
J
K
L
MA
EC
Revision: 2006 November2007 350Z
5. CLEAR THE SELF-LEARNING DATA
With CONSULT-III
1. Start engine and warm it up to normal operating temperature.
2. Select “SELF-LEARNING CONT” in “WORK SUPPORT” mode with CONSULT-III.
3. Clear the self-learning control coefficient by touching “CLEAR” or “START”.
4. Run engine for at least 10 minutes at idle speed.
Is the 1st trip DTC P0171, P0174 or P0172 or P0175 detected? Is it difficult to start engine?
Without CONSULT-III
1. Start engine and warm it up to normal operating temperature.
2. Turn ignition switch OFF.
3. Disconnect mass air flow sensor (bank 1) harness connector.
4. Restart engine and let it idle for at least 5 seconds.
5. Stop engine and reconnect mass air flow sensor harness connector.
6. Make sure DTC P0102 is displayed.
7. Erase the DTC memory. Refer to EC-61, "
HOW TO ERASE EMISSION-RELATED DIAGNOSTIC INFOR-
MATION" .
8. Make sure DTC P0000 is displayed.
9. Run engine for at least 10 minutes at idle speed.
Is the 1st trip DTC P0171, P0174 or P0172 or P0175 detected? Is it difficult to start engine?
Ye s o r N o
Yes >> Perform trouble diagnosis for DTC P0171, P0174 or P0172, P0175. Refer to EC-324, "DTC
P0171, P0174 FUEL INJECTION SYSTEM FUNCTION" or EC-334, "DTC P0172, P0175 FUEL
INJECTION SYSTEM FUNCTION" .
No >> GO TO 6.
1. Mass air flow sensor (with intake air
temperature sensor) (bank 1)2. Mass air flow sensor (with intake air
temperature sensor) (bank 2)
PBIB3501E
Page 284 of 720
EC-284
DTC P0133, P0153 A/F SENSOR 1
Revision: 2006 November2007 350Z
6. CHECK A/F SENSOR 1 POWER SUPPLY CIRCUIT
1. Turn ignition switch OFF.
2. Disconnect A/F sensor 1 harness connector.
3. Turn ignition switch ON.
4. Check voltage between A/F sensor 1 terminal 4 and ground with
CONSULT-III or tester.
OK or NG
OK >> GO TO 8.
NG >> GO TO 7.
7. DETECT MALFUNCTIONING PART
Check the following.
Harness connectors E12, F3
15A fuse
Harness for open or short between A/F sensor 1 and fuse
>> Repair or replace harness or connectors.
1. A/F sensor 1 harness connector
(bank 1)2. A/F sensor 1 harness connector
(bank 2)
:Vehicle front
Voltage: Battery voltage
PBIB3516E
PBIB3308E