Page 1298 of 1556
Downloaded from www.Manualslib.com manuals search engine 9A-131 Wiring Systems:
F-1 Air-Bag System Circuit Diagram (4ch)S6RW0D910E032
2
ORN
Y
A/B
SDM
L04
J/B
15AA/B
27
RED
L313
BCM
15
BLK
1
15ADOME
37
WHT/RED
G2715
E388
L3721G349
L3992
PNK/BLK
E40
Forward sensor
1 2
Contact
coil
G347
S172
L377
G3442L399
G34911
L28312S121
YEL/RED
GRN
12
21
YEL/RED
L285 G25912
4
38
75
69
10 2832 27
37
5051
2
"A-8"
L378
G345
ORN
PNK/BLKYEL
YEL
GRN/RED
GRN/REDGRNGRN/ORNGRN/YEL
BLU/RED
BLU/REDBLU/ORNBLU/YEL
L3134
G27213
J/B J/B
"C-3"YB
YEL/BLK
YEL/BLK
J/B side connector (BCM)
Except M16A engine M/T
M16A engine M/T
Except Taiwan
Taiwan A
B
E
D
2 12 1
BCDE
Check terminal
J/C
G308B
B
5
4
C
51114
E382
G33419
C343
E3718
BLK/ORN
BLK/ORNBLK/ORN
7
BLU
PPL/WHT
PPL/WHT
BLU
PPL/WHT
J/C IF EQPD
G308A
A
L313
G043
5
J/CJ/B
G309B
B
DLC
16
WHT
WHT/RED
RED
RW
PW
PW
"A-8"
14 6
BCM
BCM
(CAN)
G2114
BLKBLK
BLK
E
Y"A-8"
D
8A
I6RW0C910A00-01
Page 1300 of 1556
Downloaded from www.Manualslib.com manuals search engine 9A-133 Wiring Systems:
Q102
Q10312
212220
19
BLK/YELBRN/YELYEL/GRNYEL/BLU
BLK/YELBRN/YELYEL/GRNYEL/BLU
12
L395
Q132
1 2
2
454446
47
sensorsensor
LT GRNWHT/GRNWHT/REDLT GRN/BLK
1
2
ORN
YB
E388
L3721
PNK/BLK
E40
Forward sensor
Check terminal
1 2
250
51
ORN
PNK/BLKYEL/BLK
YEL/BLK
"C-3"
J/B
G272
L31313
4
Q105Q10412
A/B
SDM
131412
11
BRN/WHTBRN
12
GRY/REDGRY
BLUBLKBLUBLK
1212L384
Q133L385
Q134
L28512
910
BLU/ORNBLU/YEL
L04
L28312
87
GRN/ORNGRN/YEL
J/B side connector (BCM)
Except M16A engine M/T
M16A engine M/T
RHD
LHD ABCDE
1
3DE4
2DE3
1DE2
4DE
L36
L35D
EE
EL35
L36D
E
sensorsensor
DD
I6RW0D910923-01
Page 1301 of 1556
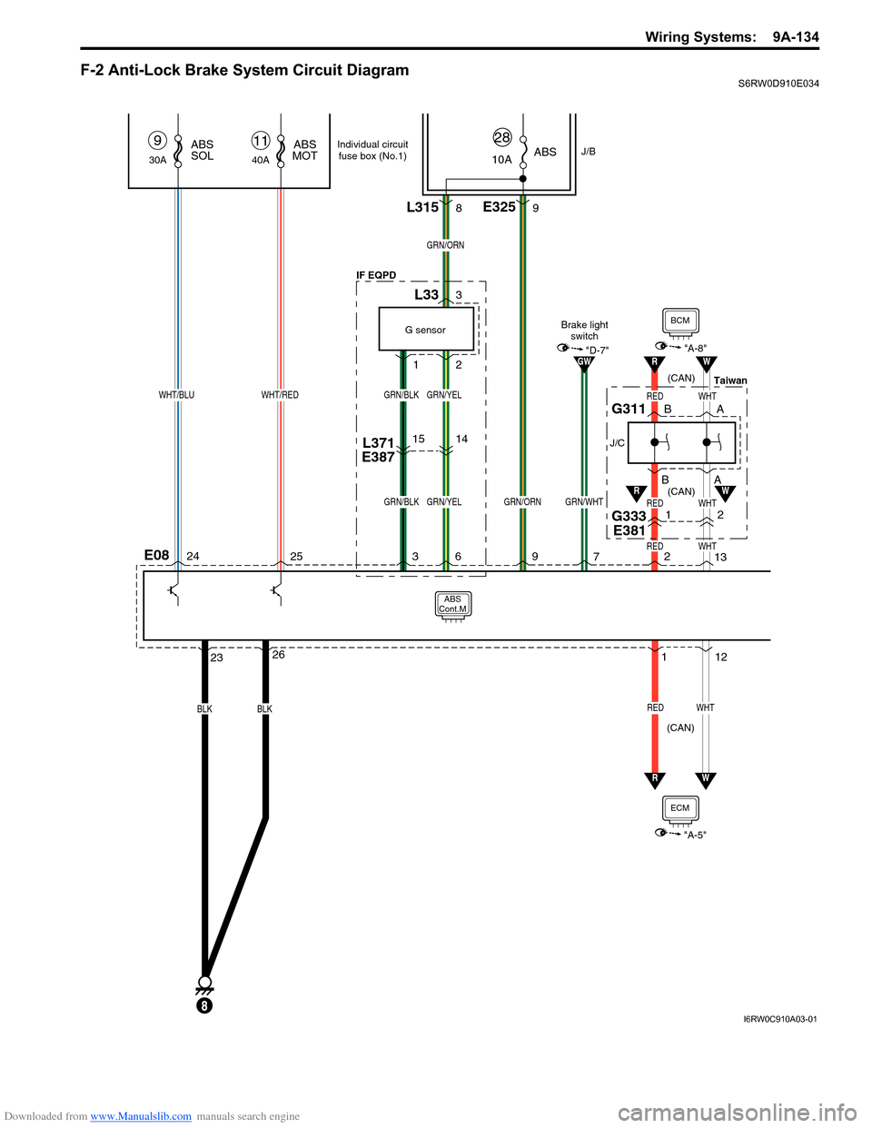
Downloaded from www.Manualslib.com manuals search engine Wiring Systems: 9A-134
F-2 Anti-Lock Brake System Circuit DiagramS6RW0D910E034
2326
24
25
72
13E08
BLK
30A
ABS
SOL
40A
ABS
MOT11
WHT/REDWHT/BLU
GRN/WHT
8
BLK
R
RED
W
WHT
REDWHT
REDWHT
"A-8"
"A-5"
J/B10AABS
28
E3259
GRN/ORN
9
L315
L338
3
2
GRN/YEL
GRN/ORN
6
GW"D-7"
Brake light
switch
Individual circuit
fuse box (No.1)
1
GRN/BLK
GRN/YEL
3
G sensor
L371
E38715
G333
E38112
14
RED
R
112
WHT
W
B
BG311
A
A
RW
J/C
(CAN)(CAN)
Taiwan
(CAN)
9
IF EQPD
GRN/BLK
ABS
Cont.M
BCM
ECM
I6RW0C910A03-01
Page 1302 of 1556
Downloaded from www.Manualslib.com manuals search engine 9A-135 Wiring Systems:
A
YEL
ABS
Cont.M
L32
LT GRN/BLKLT GRN
LT GRN/BLKLT GRN
L371
E38728
Wheel speed
sensor
(RL)
BRN
YELBRN
7
1
L31
Wheel speed
sensor
(RR)
WHT/BLK
E33
Wheel speed
sensor
(FR)
WHTRED
E35
Wheel speed
sensor
(FL)
RED/BLK
181711
2219
2021
10E08
121 21 21 2
16
DLC
E382
G334
5
BLU
BLU
BLU
WHT/RED
G211
B
WHTRED
RW
BCM
"A-8"
11
BLK
BLK
14
BLK
B
B
J/C
G309
4
E371
C3438
E382
G33412
BLK/ORN
BLK/ORN
B
B
J/C
G308
15ADOME
37
G2715
WHT/RED
J/B
BLK/ORN
14
67
16 19
A
A
J/C
IF EQPDTaiwan Except Taiwan
G308
9
5E04
G04
4
B
5
(CAN)
BCM
Except M16A engine M/T
M16A engine M/T AB
I6RW0C910A04-01
Page 1303 of 1556
Downloaded from www.Manualslib.com manuals search engine Wiring Systems: 9A-136
F-4 Power Steering System Circuit DiagramS6RW0D910E036
P/S
Cont.M
60AP/S12
E32512
J/B10AIG1 SIG
26
RED
20
E377
E378
Torque sensor
BLK
E13
10
GRN
LT GRN/BLK
WHT
10
GRN
8
YEL
18
BLK
919
1
2 1E11
PPL
PPL
4
LT GRN/BLK
1
E377
E3784
PPL
G333
E381
E31
E13
E11 E11
Individual circuit
fuse box (No.1)
1 6 3 5 4
"C-2"
BCM
"A-8"P
GRY
GRY
5
7
GRY
G
11
12EF10
11EF
RHD
LHD
Except M16A engine M/T
M16A engine M/T
Except Taiwan
Taiwan ABCDEF
I6RW0C910A05-01
Page 1307 of 1556
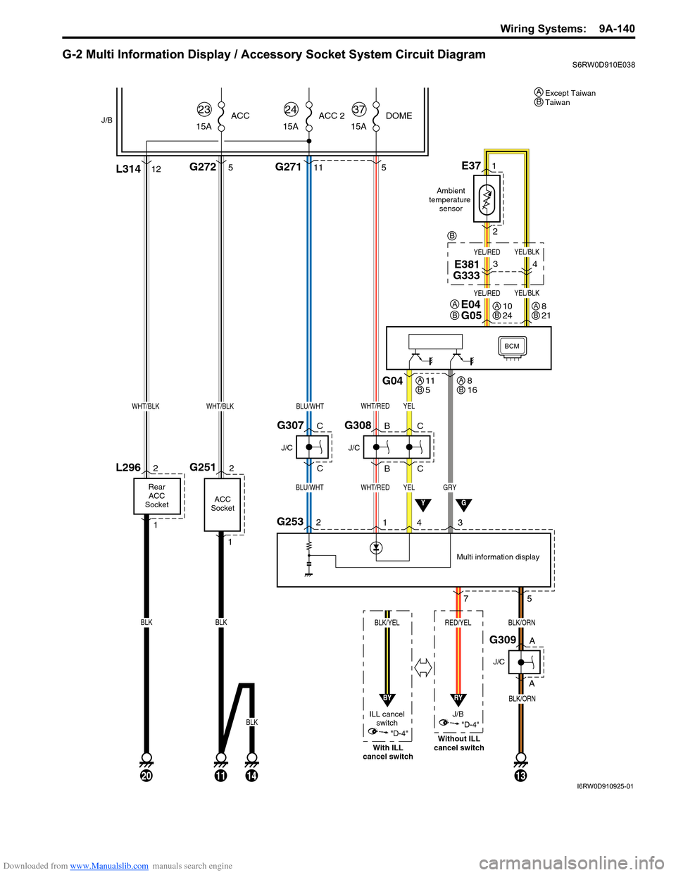
Downloaded from www.Manualslib.com manuals search engine Wiring Systems: 9A-140
G-2 Multi Information Display / Accessory Socket System Circuit DiagramS6RW0D910E038
11
15AACC 2
24
J/C
G307
GY
Multi information display
J/B
BCM
13
BLK/ORN
2
BLK/ORN
15ADOME
37
15AACC
23
5
WHT/REDGRYYELBLU/WHT
G25314 3
WHT/REDYEL
RED/YEL
7
G309
J/C
J/B
5G272 G27112L314
WHT/BLKBLU/WHTWHT/BLK
BLKBLK
G251
ACC
Socket
2
1
1114
Rear
ACC
Socket
BLK
C
C
A
A
J/C
G308B
BC
C
G04
YEL/REDYEL/BLK
YEL/REDYEL/BLK
1E37
2
E04
G05
Ambient
temperature
sensor
Without ILL
cancel switch"D-4"
RY
BLK/YEL
ILL cancel
switch
With ILL
cancel switch"D-4"
BY
L2962
1
20
Except Taiwan
Taiwan AB
B
A
B
5
E381
G33334
11
5
AB8
16AB
10
24AB8
21AB
I6RW0D910925-01
Page 1308 of 1556
Downloaded from www.Manualslib.com manuals search engine 9A-141 Wiring Systems:
G-4 Navigation System Circuit DiagramS6RW0D910E059
G2715
5
4
11
2
12
1 5
156
16
"D-4"RY
WHT/RED
WHT/RED
G248
G2481
G307
J/B
15ADOME
37
J/C
BLU/WHT
BLU/WHTRED/YEL
15AACC2
24
Rear (R)
J/C
Rear (L)
GRY/REDGRYLT GRN/BLKLT GRN
GRY/REDGRYLT GRN/BLKLT GRN
GRY/REDGRYLT GRN/BLKLT GRN
1
Navigation
RED/YEL
92
J146
C
CG308
J/C
B
BG306
J/C
D
D
PPLPPL
18G243183
L381
J2175
4L382
J218
J145
G341
L374
G343
L376
1
2
Rear tweeter (R)
GRY/REDGRY
J1511
2
Rear tweeter (L)
LT GRNLT GRN/BLK
J152
A
B
G343
L376
G341
L374A
B
9
6AB8
5AB6
9AB5
8AB
M/T
RED/BLU
RED/BLU
Parking brake
switchBack-up
light switch
"C-3"
RB
"A-8"P
BCM
RED
RED
"D-8"R
E381
G33317
G343
L3763
A/T
Transaxle
range sensor
"D-8"
R
RHD
LHD AB
I6RW0C910A10-02
Page 1320 of 1556

Downloaded from www.Manualslib.com manuals search engine 9B-1 Lighting Systems:
Body, Cab and Accessories
Lighting Systems
Precautions
Precautions for Discharge Headlight Service (If Equipped)S6RW0D9200001
WARNING!
• Do not touch igniter or ballast when lighting switch is at “HEAD” position to avoid possible electric
shock.
• Do not measure voltage or resistance with tester connected to output connector of ballast or igniter
to avoid possible electric shock.
• Do not perform work where exposed to water including rain or with wet hands to avoid possible
electric shock.
• Disassembling igniter or ballast is strictly prohibited as it may cause an electric shock.
• Before inspecting or repairing discharge headlight or its peripheral parts, make sure that lighting
switch is at OFF position and battery is disconnected at negative terminal to avoid possible
electrical shock.
• Do not set lighting switch to “HEAD” position with connector disconnected or any part removed to
avoid possible electric shock.
• Do not touch glass surface of headlight bulb. Oil or grease attached on it may not only make bulb
service life shorter but also cause bulb to burst when lighting switch is turned on.
• Mercury, metal iodide and xenon gas are sealed in discharge headlight bulb. Be sure to dispose of
used discharge headlight bulb properly according to applicable rules or regulations.
Precautions in Diagnosing Troubles (Headlight Auto Leveling System)S6RW0D9200002
• Be sure to read “Air Bag Warning in Section 00” before inspection and observe what is written there.
• Replacement of height sensor and headlight leveling control module. When height sensor and/or headlight leveling
control module is replaced with new one, perform initialization of headlight auto leveling system according to
“Initialization of Headlight Auto Leveling System”.
General Description
Discharge Headlight Description (If Equipped)S6RW0D9201001
Discharge headlight provides more brightness and consumes less electricity as compared with the conventional
halogen headlight. It consists of a ballast (1), igniter (2) and discharge headlight bulb (3).
Ballast
Ballast makes the voltage from the battery rise and converts the current from DC to AC. It also outputs high voltage to
the igniter when the headlight is turned on and supplies to discharge headlight bulb with necessary voltage for
continuous lighting while it is lit.
2
1 3
I6RW0C920001-01