Page 513 of 788
TROUBLESHOOTING
HEATER, AIR CONDITIONER AND VENTILATION55-29
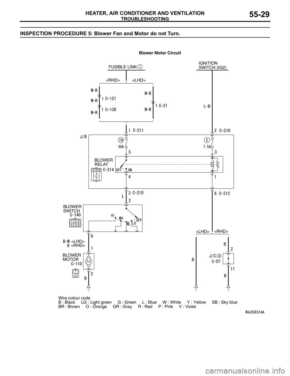
INSPECTION PROCEDURE 5: Blower Fan and Motor do not Turn.
FUSIBLE LINK1IGNITION
SWITCH (IG2)
BLOWER
RELAY
BLOWER
SWITCH
BLOWER
MOTOR
Wire colour code
B : Black LG : Light green G : Green L : Blue W : White Y : Yellow SB : Sky blue
BR : Brown O : Orange GR : Gray R : Red P : Pink V : Violet
Blower Motor Circuit
Page 514 of 788

TROUBLESHOOTING
HEATER, AIR CONDITIONER AND VENTILATION55-30
COMMENTS ON TROUBLE SYMPTOM
If the blower fan and motor does not turn when the
blower switch is operated, the blower switch may be
defective.
TROUBLESHOOTING HINTS
•Malfunction of the blower relay
•Malfunction of the blower switch
•Damaged the wiring harness or connectors
•Malfunction of the blower motor
DIAGNOSIS
STEP 1. Check that the blower motor operates
when the blower switch is moved to the "4 (HI) "
position.
(1) Turn the ignition switch to the "ON" position.
(2) Turn the blower switch to the "4 (HI) " position.
Q: Does the blower motor operate when the blower
switch is moved to the "4 (HI) " position?
YES :
Refer to Inspection procedure 6 "Blower air
amount cannot be changed P.55-39."
NO : Go to Step 2.
STEP 2. Connector check: C-110 blower motor
connector
Q: Is the check result normal?
YES :
Go to Step 3.
NO : Repair the connector.
STEP 3. Resistance measurement at the C-110
blower motor connector.
(1) Disconnect the connector, and measure at the
wiring harness side.
(2) Measure the resistance between terminal 2 and
body earth.
OK: 2 ohms or less
Q: Is the check result normal?
YES :
Go to Step 5.
NO : Go to Step 4.
AC303804
Connector: C-110
AF
Harness side
AC303816
Connector: C-110
AK
Harness side
AC303804
Connector: C-110
AF
Harness side
AC303816
Connector: C-110
AK
Harness side
AC301541EG
Connector C-110
(Harness side)
2
1
Page 515 of 788

TROUBLESHOOTING
HEATER, AIR CONDITIONER AND VENTILATION55-31
STEP 4. Check the wiring harness between C-110
blower motor connector terminal No.2 and body
earth.
•Check the blower motor earth line for open
circuit.
Q: Is the check result normal?
YES :
The trouble can be an intermittent
malfunction (Refer to GROUP 00, How to
Cope with Intermittent Malfunction P.00-5).
NO : Repair the wiring harness.
STEP 5. Voltage measurement at C-110 blower
motor connector.
(1) Disconnect the connector, and measure at the
wiring harness side.
(2) Turn the ignition switch to the "ON" position.
(3) Turn the blower switch to the "4 (HI) " position.
(4) Measure the voltage between terminal 1 and
body earth.
OK: System voltage
Q: Is the check result normal?
YES :
Go to Step 20.
NO : Go to Step 6.
AC303804
Connector: C-110
AF
Harness side
AC303816
Connector: C-110
AK
Harness side
AC303804
Connector: C-110
AF
Harness side
AC303816
Connector: C-110
AK
Harness side
AC301541CA
Connector C-110
(Harness side)
2
1
Page 516 of 788

TROUBLESHOOTING
HEATER, AIR CONDITIONER AND VENTILATION55-32
STEP 6. Connector check: C-214 blower relay
connector
Q: Is the check result normal?
YES :
Go to Step 7.
NO : Repair the connector.
STEP 7. Check the blower relay continuity.
Refer to P.55-75.
Q: Is the blower relay continuity in good condition?
YES :
Go to Step 8.
NO : Replace the blower relay.
STEP 8. Voltage measurement at C-214 blower
relay connector.
(1) Remove the relay, and measure at the junction
block side.
(2) Turn the ignition switch to the "ON" position.
(3) Measure the voltage between terminal 3 and
earth.
OK: System voltage
Q: Is the check result normal?
YES :
Go to Step 10.
NO : Go to Step 9.
AC303808
Junction block side Junction block (front view)
Connector: C-214
AL
AC303822
Junction block side Junction block (front view)
Connector: C-214
AM
AC303808
Junction block side Junction block (front view)
Connector: C-214
AL
AC303822
Junction block side Junction block (front view)
Connector: C-214
AM
AC301541EI
Connector C-214
(Junction block side)
3
4
5
12
Page 517 of 788

TROUBLESHOOTING
HEATER, AIR CONDITIONER AND VENTILATION55-33
STEP 9. Check the wiring harness between C-214
blower relay connector terminal No.3 and the
ignition switch (IG2).
NOTE: Prior to the wiring harness inspection, check
junction block connector C-210, and repair if
necessary.
•Check the blower relay power supply line for
open circuit.Q: Is the check result normal?
YES :
The trouble can be an intermittent
malfunction (Refer to GROUP 00, How to
Cope with Intermittent Malfunction P.00-5).
NO : Repair the wiring harness.
STEP 10. Resistance measurement at C-214
blower relay connector.
(1) Remove the relay, and measure at the junction
block side.
(2) Measure the resistance Continuity between
terminal 1 and body earth.
OK: 2 ohms or less
Q: Is the check result normal?
YES :
Go to Step 13.
NO : Go to Step 11.
NO : Go to Step 12.
AC303809
Connectors: C-210, C-214
AL
C-214
C-210
Junction block (front view)
C-210 Harness side
Junction block side
C-214
AC303823
Junction block side Junction block (front view)
Connectors: C-210, C-214
C-210C-214 Harness side
C-214
C-210
AK
AC303808
Junction block side Junction block (front view)
Connector: C-214
AL
AC303822
Junction block side Junction block (front view)
Connector: C-214
AM
AC301541EJ
Connector C-214
(Junction block side)
3
4
5
12
Page 518 of 788

TROUBLESHOOTING
HEATER, AIR CONDITIONER AND VENTILATION55-34
STEP 11. Check the wiring harness between
C-214 blower relay connector terminal No.1 and
earth.
NOTE: Prior to the wiring harness inspection, check
junction block connectors C-212, and repair if
necessary.
•Check the blower relay earth wires for open
circuit.
Q: Is the check result normal?
YES :
The trouble can be an intermittent
malfunction (Refer to GROUP 00, How to
Cope with Intermittent Malfunction P.00-5).
NO : Repair the wiring harness.
STEP 12. Check the wiring harness between
C-214 blower relay connector terminal No.1 and
earth.
NOTE:
Prior to the wiring harness inspection, check junction
block connectors C-212 and joint connectors C-07,
and repair if necessary.
•Check the blower relay earth wires for open
circuit.
Q: Is the check result normal?
YES :
The trouble can be an intermittent
malfunction (Refer to GROUP 00, How to
Cope with Intermittent Malfunction P.00-5).
NO : Repair the wiring harness.
AC303809
Junction block (front view)
Connectors: C-212, C-214
C-212C-214
AP
C-212
Harness side
Junction block side
C-214
AC303823
Connectors: C-212, C-214
AO
Junction block (front view)
C-214C-212Junction block side
C-214
C-212
Harness side
AC303814
Connector: C-07
AR
Page 519 of 788

TROUBLESHOOTING
HEATER, AIR CONDITIONER AND VENTILATION55-35
STEP 13. Voltage measurement at C-214 blower
relay connector.
(1) Remove the relay, and measure at the junction
block side.
(2) Measure the voltage between terminal 5 and
body earth.
OK: System voltage
Q: Is the check result normal?
YES :
Go to Step 16.
NO : Go to Step 14.
NO : Go to Step 15.
STEP 14. Check the wiring harness between
C-214 blower relay connector terminal No.5 and
fusible link (1).
NOTE:
Prior to the wiring harness inspection, check
intermediate connectors C-21 and junction block
connector C-211, and repair if necessary.
•Check the blower relay power supply line for
open circuit.
Q: Is the check result normal?
YES :
The trouble can be an intermittent
malfunction (Refer to GROUP 00, How to
Cope with Intermittent Malfunction P.00-5).
NO : Repair the wiring harness.
AC303808
Junction block side Junction block (front view)
Connector: C-214
AL
AC303822
Junction block side Junction block (front view)
Connector: C-214
AM
AC301541EK
Connector C-214
(Junction block side)
3
4
5
12
AC303809
Connectors: C-211, C-214
AN
C-214
C-211
Junction block (front view)
C-211 Harness side
Junction block side
C-214
AC303798
Connector: C-21
AK
Page 520 of 788

TROUBLESHOOTING
HEATER, AIR CONDITIONER AND VENTILATION55-36
STEP 15. Check the wiring harness between
C-214 blower relay connector terminal No.5 and
fusible link (1).
NOTE:
Prior to the wiring harness inspection, check
intermediate connectors C-121, C-138 and junction
block connector C-211, and repair if necessary.
•Check the blower relay power supply line for
open circuit.Q: Is the check result normal?
YES :
The trouble can be an intermittent
malfunction (Refer to GROUP 00, How to
Cope with Intermittent Malfunction P.00-5).
NO : Repair the wiring harness.
STEP 16. Connector check: C-140 blower switch
connector
Q: Is the check result normal?
YES :
Go to Step 17.
NO : Repair the connector.
STEP 17. Check the blower switch continuity.
Refer to P.55-79.
Q: Is the blower switch continuity in good condition?
YES :
Go to Step 18.
NO : Replace the blower switch.
AC303823
Connectors: C-211, C-214
AL
C-214
C-211
Junction block (front view)
C-211 Harness side
Junction block side
C-214
AC303816
Connector: C-121
AB
AC303818
Connector: C-138
AI
AC303802
Connector: C-140
AF
Harness side
AC303818
Connector: C-140
AK
Harness side