2005 MITSUBISHI LANCER EVOLUTION IX key

[x] Cancel search: key

Page 345 of 364

MITSUBISHI LANCER EVOLUTION IX 2005  Workshop Manual 3-158CIRCUIT DIAGRAMS - EQUIPMENT
Intercooler water spray
Ignition switch (IG2)Ignition switch (IG1)
Dedicated
fuse 
Intercooler
water spray 
Intercooler
water spray
motor
Engine ECU Combination
meter

Page 348 of 364

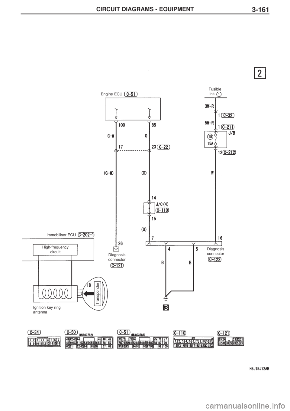
MITSUBISHI LANCER EVOLUTION IX 2005  Workshop Manual 3-161CIRCUIT DIAGRAMS - EQUIPMENT
High-frequency
circuit
Ignition key ring
antennaImmobiliser ECU
Diagnosis
connector
Transponder
Engine ECUFusible
link
Diagnosis
connector

Page 349 of 364

MITSUBISHI LANCER EVOLUTION IX 2005  Workshop Manual 3-162CIRCUIT DIAGRAMS - EQUIPMENT
Security Alarm
Diagnosis
connectorFusible
link
Ignition switch (IG1)
Power
supply
Key reminder
switch (ON if
key forgotten)
Front side

Page 350 of 364

MITSUBISHI LANCER EVOLUTION IX 2005  Workshop Manual 3-163CIRCUIT DIAGRAMS - EQUIPMENT
Keyless entry
transmitter
Keyless entry
receiver
Door switch
(front : LH)Door switch
(rear : LH)Door switch
(rear : RH)Door switch
(front : RH)
J/B side connector
Page:   < prev 1-10 ... 9-16 17-24 25-32 33-40 41-48