Page 1419 of 1681
TRANSMISSION
I
I
T4
PGM-FIMAIN RELAYPage 23 ('98-'99)or 24 ( 00)
tl
tlL-J
* : '98-'99 Models
i---------\L---------J(- 10) r-- -;-;.11, (c408.)(- 23)10
'98- 99.. GS.R' l/odel
inrrarerrn i
I
I
.-- GS-R. TYPE.R
VEHICLESPEEDSENSORRADIATOBFAN SWITCH
and 63 2
tl
tlL-Jcl08
(vss)Page
PHATO 6IIITJ
I
I
33
I
I
c3o1 ;
10
Ground Distribution
NOTE: Wires shown without color codes are black.
VALVECOVER
I
I
- G1, G2, G3, and G101
I
I
T3
BATTERYPage 10
r-'r
tl
ll'n'
I
I
I
I
I*-*rl
I
I
I
I
! F,to,o^_l1io,o,o *
14
Page 1421 of 1681
Ground Distribution (conrd)
- G201 and G202
NOTE: Wires shown without color codes are black.
BADIATORFAN MOTORPages 63and 63-2
ll
tl
RIGHTHEADLIGHTPage 110-8
RIGHTFRONTSIDEMARKERLIGHTPage 1 10-1 1
RIGHTFRONTPARKING/TURN SIGNALLIGHTPages 110-3,110 5, and110-11
()
ABSFAIL- ABSSAFE PUMPRELAY MOTORPage 44-2 Page 44-3PHO|A 7 PHOIA 5|.--1r--1
I tt I
I tt I
UNDER-HOODFUSE/RELAYBOX .---- USA ----'PHAfa 21
BLowER : aoAb --'
MOTOR ; DETECTORRELAY ' (ELD) UNITPage 60 ' Peq'e 22PIIOTO 22 . PHOTO2Sr--1.|.--1
| | :t I
[g"ri i l--J
Yc$7 ; 2 t'c218 a
;Y;,;-i---l---J
G201
IA Ai
LY___!jjc2061 Y C204
'l 'J"''L--J L-.J4 I' C208 2Y C210
14-2
Pll;**
Page 1424 of 1681
* = '98-'99 f,4odels
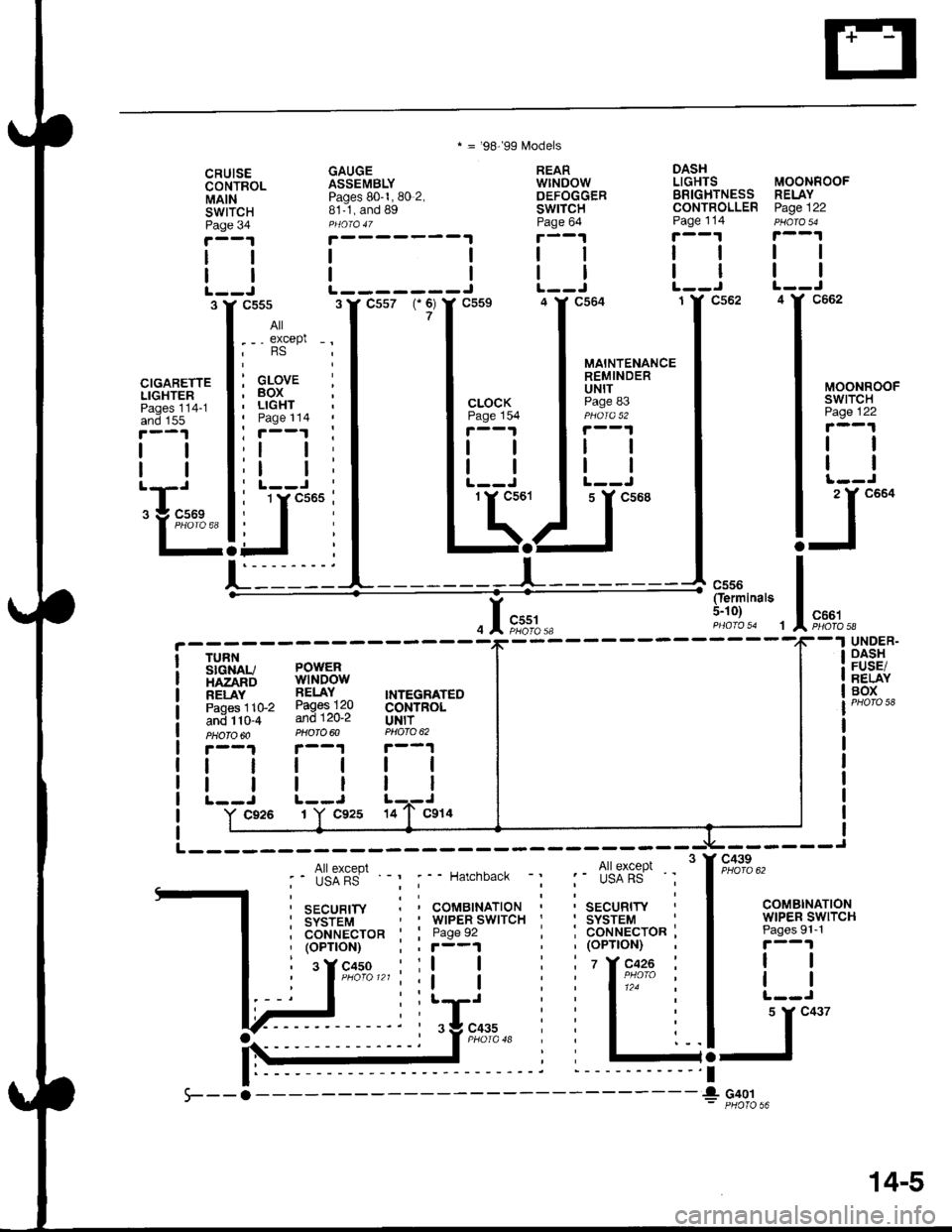
CRUISECONTROLMAINswrTcHPage 34
GAUGEASSEMBLYPages 80-1, 80 2,81-1, and Bg
REARwtNDowDEFOGGERSWITCHPage 64
DASHLIGHTS
Page 114
BRIGHTNESS RELAYCONTROLLER Page 122
MOONROOF
I
IJc662L-------J
CIGARETTELIGHTERPages 114-1and 155
tl
All
. - - except -.,RS
: GLOVE ;, BOX' LIGHTI Page 114
'll
:l t:
MOONROOFswtTcHPage 122
tl
ll
2 Y C664
I
:F.
Oerminals5-10)c661PHOfA 58
TURNSIGiIAU POWERHAZARD WINDOWRELAY RELAY INTEGRATEDpaoes 11G2 Pages 120 CONTROLani tt0-+ and120-2 UN|T?HOTO'O PHOTO@ PNO|O 62
r-.1r--1|.--1
c45o :ll
------Jc439
COMBINATIONWIPER SWITCHPages 9l-'l
r--1
tl
llL-.J
5 Y C437
-l
UNDER-OASIIFUSE/BELAYBOX
tl
tl
tl
ll
c926 1Y C92s 14
I coHuecron ' : Page 92, (oPTtoN),(oPnoN);,r--1
i sYcrso lll I
G401
14-5
Page 1430 of 1681
UNDER-DASHFUSE/RELAYBOX
c301
c126
POWERTRAINor ENGINE
F,ltffi lialEE:;hfui | (PcM or EcM)
alcM) | PHaraTT lga 99)| 420 | PHA|A t4A t00i
(98 s9 20) Y (C408 98- s9)13 ll c457
YEUGFN
o
'98-'99 Models
BL{J
7
ALU
c103
cl 09
DISTRIBUTORASSEMBLY
c418(Terminals 18-20)
c452
cl27
BU'
9.
BLU
7BLU
'd
c301
JI
'"'fil
TESTr-]i.I GAUGE
lraiii'o l3,sseqarv
lmerer | --TACHOMETERCONNECTOR
IGNITIONcolLPower lgnition inputslgnalPrimaryoutout Enqine soeedcoritrol cround ouiaut (RPM)
20-.,l
Page 1431 of 1681
- Automatic Transmission
NorE: For cars equipped with optional security system, see security system, page 13g-3 tor startrngsystem circuit schematic.
Starting System
c216
FUSE 42tGt
UNDER-HOODFUSE/RELAYBOX
See PowerDistributian,page 10.
liu.) 3:i:it1-i*!
i!'''{=o1ili"' i i!i (=r.f(',ii i I
!i rfi,l.l i I
!L----J------j Ir'---BLK;HrT---------=---r
".o"rnrfi F,i% u.,
'to A co' s
3 V C432
BLr!,Y/Ht ll PHoro 70
04-;' s
\z
1l
t:
t,
t;
t:
t:
t,N^/.
A,/TGEARPOSITIONswtTcH
ALKFEO
't1
EIIVRED
BLKFED
t2
I BLK/RED
'4
BLI(FED
178LK/BEO'I
BLKII/HT
FUSE 41BATTEiYr00A
To
c413
See PowetDistribution,page 10.--i--;-JT1
BATTERY
c444
{Not Used)
All exceplUSA FS
c301
c126PHOTO 36c4404 ^, PHO|O 62
STARTERrrF-----1
! i rur..r !| snnrea sour- || 1 '* |
! Ir-'Lg"' i
llttl
llr | |
llL-J Ir I INTEGRATEo I! I CONTROL I
I luNrr I
tIbEt:_J
UNDER-DASHFUSE/RELAYBOX
WHT/ALK
--- usA ---
.I ELECTBTCALI LOADI DETECTOR
i (ELD) uNrr. PHOIO 23I
21
lGlSee PGM-FI, paqe 23.1('98.'99) or 24-1I OO).
Page 1432 of 1681
- Manual Transmission
NOTE: For cars equipped with optional security system, see security system, page 133-3 for starting
system circuit schematic.
c432
FUSE 42tGl
c216
r
I
I
I
I
I
I
I
I
I
]
UNDER.HOODFUSE/RELAYBOX
ELECTRICALloAoDETECTOR(ELD) UN|T
START(10
c432
.Joil0t)
BLKWHT
1
BLK/IVHT
(o) ,t-,>
0)
,i
I
l
Ia
I
I
I
I
BLKA''HT II--2 A cqqz
"4
".u,".0^ tr-
- -----
t I coee
Hifr*',;*-"J
":-r
"*'
: See Ground
I Rl"i:b,*?"
""1;
' PHOIO 56
STARTERCUTRELAY
See PowerDistribution,page 10.
T1PHO|Q22
BLK/REO
BLK/BEO
a=z
lt
lta c444
Used)
c444All exceptUSA RS
See PolYerDistribution,page 10.
BLK/REO
1
ALK/WHI
c301
c126PHOTA 36c440
BATTERYSTARTERrrF-----1
! { H:.i,r'",""^. I
li ?.ea I
!l';Lg" i
|r | |
ill l lllL-J I! I INTEGRATED ]| | coNrRoL I
Ll'l,l't--i
UNDER.DASHFUSE/RELAYBOX
See PGM'Fl, page 23-l('98-99) or 24-1 ('00).
t2 A Clos
-a- G1
21-1
Page 1434 of 1681
tl
tl see Poter aI r I > Distribution
i-:&sr-----l
:l[:r -1q,. --------'l GAUGE
LAi sg+tl"" _ if,so?"EyBL"
lvi:l8iff'' lEi ILJ'----- ----'
,n"n".t, f,
"uut
. I "",%%"3 ) PHafa 53UNDER.DASHr ---1 INTEGRATED
c438(NotUsed)
UNDER-OASHFUSE/RELAYBOX
FUSE/RELAYBOXPHOTO 58
c30'r
c'127
22-1
Page 1435 of 1681
PGM-Fl ('98-'99 Models)
UNDER.OASHFUSE/RELAYBOX
- -6J C446
YEUELK I
YEUBLK
13YEL/BLK
12YEL/BLK
c301
c127
YELlBLK
See GroundDistribution,page 14.
V
I
,-J
G101
10za ^--- 11
c10 M4 A11 ,aL4 A3 A2 41 '(vBU) (lcp2) (GFr) (rNJ1) 0NJ2) (rNJ3) (rNJ4) !Battery Power Power e \oic[-rjp ;"ira input Fuel injector controt \
L
o
23