Page 1 of 759
B
mw
3
Series
M3,
3181,3231,3251,
3281
Sedan,
Coupe
and
Convertible
1992,1993,1994,1995,
1996,1997,
1998
Bentley,
Publishers
Cambridge,
Massachusetts
Page 2 of 759

B
-
1
ROBERT
BENTLEY,
INC
.
I
AUTOMOTIVE
PUBLISHERS
Information
that
makes
1734
Massachusetts
Avenue
the
difference
o
Cambridge,
MA
02138
USA
800-423-45951617-547-4170
www
.rb
.co
m
e-mail
:
sales@rb
.co
m
WARNING-Important
Safety
Notice
Technical
Contact
Information
We
value
your
feedback
.
Technical
comments
and
suggestions
are
helpful
to
us
.
Please
send
your
comments
and
thoughts
to
Bentley
Publishers
e-mail
:
tech
.bmw@rb
.co
m
From
timeto
time,
updates
may
be
made
tothis
manual
.
A
listing
of
updates
canbe
found
on
the
web
Iat
www
.rb
.com/update
s
Do
not
use
this
manual
unless
you
are
familiar
with
basic
automotive
repair
procedures
and
safe
workshop
practices
.
This
manual
illustrates
the
workshop
procedures
required
for
most
service
work
.
It
is
not
a
substitute
for
fui¡
and
up-to-dateinformation
from
the
vehicie
manufacturer
or
for
proper
training
asan
automotive
technician
.
Note
that
it
is
not
possible
for
us
to
anticipate
al¡
of
the
ways
or
conditions
under
which
vehicles
may
be
serviced
or
to
provide
cautions
as
to
all
of
the
possible
hazards
that
may
result
.
The
vehicie
manufacturer
will
continue
to
issue
service
information
updates
and
parts
retrofits
after
the
editorial
closing
of
this
manual
.
Some
of
those
updates
and
retrofits
will
apply
to
procedures
and
specifications
in
this
manual
.
We
regret
that
we
cannot
supply
updates
to
purchasers
of
this
manual
.
We
haveendeavored
to
ensure
the
accuracy
of
the
information
in
this
manual
.
Please
note,
however,
that
considering
thevast
quantity
and
the
complexity
of
the
service
information
involved,
we
cannot
warrant
the
accuracy
or
completeness
of
the
information
contained
in
this
manual
.
FORTHESE
REASONS,NEITHERTHEPUBLISHER
NORTHE
AUTHOR
MAKES
ANY
WARRANTIES,
EXPRESS
OR
IMPLIED,THATTHE
INFORMATION
IN
THIS
BOOK
IS
FREE
OF
ERRORS
OR
OMISSIONS,
AND
WE
EXPRESSLY
DISCLAIMTHE
IMPLIED
WARRANTIESOF
MERCHANTABILITY
AND
OF
FITNESS
FOR
A
PARTICULAR
PURPOSE,
EVEN
IF
THE
PUBLISHER
OR
AUTHOR
NAVEBEEN
ADVISED
OF
A
PARTICULAR
PURPOSE,
AND
EVEN
IF
A
PARTICULAR
PURPOSE
IS
INDICATED
IN
THE
MANUAL
.
THE
PUBLISHER
AND
AUTHOR
ALSO
DISCLAIM
ALL
LIABILITY
FOR
DIRECT,
INDIRECT,
INCIDENTAL
OR
CONSEQUENTIAL
DAMAGES
THAT
RESULT
FROM
ANYUSE
OF
THE
EXAMPLES,
INSTRUCTIONS
OR
OTHER
INFORMATION
IN
THIS
BOOK
.I
N
NO
EVENTSHALL
OUR
LIABILITY
WHETHER
INTORT,
CONTRACT
OR
OTHERWISE
EXCEEDTHECOST
OFTHIS
MANUAL
.
Your
common
sense
and
good
judgment
are
crucial
to
safe
and
successful
service
work
.
Read
procedures
through
before
starting
them
.
Thinkabout
whether
the
condition
of
your
car,
your
leve¡
of
mechanical
skill,
or
your
leve¡
of
reading
comprehension
might
result
in
or
contribute
in
some
way
to
an
occurrence
which
might
cause
you
injury,
damage
your
car,or
result
in
an
unsafe
repair
.
lf
you
have
doubts
for
these
or
other
reasons
about
your
ability
to
perform
safe
repair
workon
your
car,
have
the
work
done
at
an
authorized
BMW
dealeror
other
qualified
shop
.
Part
numbers
listed
inthis
manual
are
for
identification
purposes
only,
not
for
ordering
.
Always
check
with
your
authorized
BMW
dealer
toverifypart
numbers
and
availability
beforebeginning
service
work
that
may
requíre
new
parts
.
Before
attempting
any
work
on
your
BMW,
read
the
wamings
and
cautions
on
pages
vi¡
and
vi¡¡,
andany
waming
or
caution
that
accompanies
a
procedure
in
the
service
manual
.
Review
the
warnings
and
cautions
on
pages
vi¡
and
viü
each
time
you
prepare
to
workon
your
BMW
.
Special
tools
required
to
perform
certain
service
operations
are
identified
in
the
manual
and
are
recommended
for
use
.
Use
of
tools
other
than
those
recommended
inthis
service
manual
may
be
detrimental
to
the
car's
safe
operation
as
well
as
the
safety
of
the
person
servicing
thecar
.
Copies
of
this
manual
may
be
purchased
from
most
automotiveaccessories
and
parts
dealers
specializing
in
BMW
automobiles,
from
selected
booksellers,
or
directly
from
the
publisher
by
mail
.
The
publisher
encourages
comments
from
the
reader
of
this
manual
.
These
communications
havebeen
and
will
be
carefully
considered
in
the
preparation
of
this
and
other
manuals
.
Please
write
to
Robert
Bentley,
Inc
.,
Publishers
at
the
address
listed
on
the
top
of
this
page
.
This
manual
was
published
byRobert
Bentley,
Inc
.,
Publishers
.
BMW
has
not
reviewed
and
does
not
vouch
forthe
accuracy
of
thetechnical
specifications
and
procedures
described
in
this
manual
.
Libraryof
Congress
Cataloging-in-Publication
Data
BMW
3
SeriesService
ManualM3,
318i,
323i,3251,
328i,
Sedan,
Coupe
and
Convertible
:
1992,
1993,
1994,
1995,
1996,1997,
1998
.
p
.
c
m
.
Includes
index
.
ISBN
0-8376-0326-9
1
.
BMW
3
Series
automobile--Maintenance
and
repair--Handbooks,
manuals,
etc
.
I
.
Robert
Bentley,
inc
.
TL215
.13251356
1999
629
.28'
722--cic21
99-17179
CIP
Bentley
Stock
No
.
B398
Editorial
closing
01/99
0302010099
1098765432
The
paper
used
in
this
publication
is
acidfree
and
meets
the
requirements
of
the
National
Standard
for
Information
Sciences-
Permanence
of
Paper
for
PrintedLibrary
Materials
.
O
©Copyright
1999
Robert
Bentley,
Inc
.
All
rights
reserved
.
All
information
contained
in
this
manual
is
based
onthe
information
available
to
the
publisher
at
the
time
of
editorial
closing
.
The
right
is
reserved
to
make
changes
at
any
time
without
notice
.
No
partof
this
publication
may
be
reproduced,
stored
in
a
retrieval
system,
or
transmitted
in
any
form
orby
any
means,
electronic,
mechanical,
photocopying,
recording,
or
otherwise,
without
the
prior
written
consent
of
thepublisher
.
This
includes
text,
figures,
and
tables
.
All
rights
reserved
underBerne
andPan-American
Copyright
conventions
.
Manufactured
in
the
UnitedStates
of
America
Page 3 of 759

General
Data
and
010
FundamentalsfortheDo-lt-YourselfOwner
Maintenance
020
Maintenance
Program
Engine
Transmission
Suspension,
Steering
and
Brakes
4
Body
100
Engine-General
110
Engine
Removal
and
Installation
113
Cylinder
Head
Removal
and
Installation
116
Cylinder
Head
and
Valvetrain
117
Camshaft
Timing
Chain
119
Lubrication
System
200
Transmission-General
210
Clutch
230
Manual
Transmission
510
Exterior
Trim,
Bumpers
520
Seats
Bo
y
Equipment
512
DoorWTdws
540
nr
t
513
InteriorTrim
541
Convertible
Top
515
Central
Locking
and
Anti-Theft
600
Electrical
System-General
620
Instruments
Electrical
S
stem
610
Electrical
Component
Locations
630
Exterior
Lighting
611
Wipers
and
Washers
640
Heating
and
Air
Conditioning
6
612
Switches
and
Electrical
Accessories
650
Radio
Equipment
and
720
SeatBelts
Accessories
721
Airbag
System
(SRS)
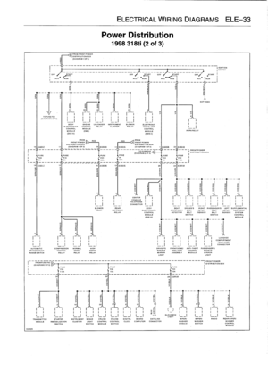
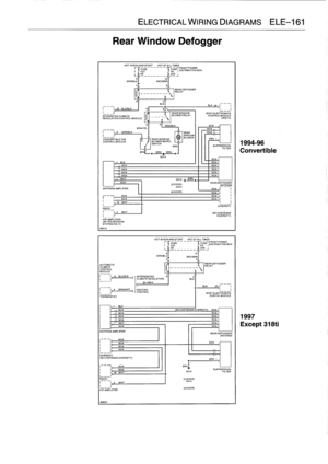
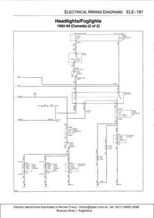
Electrical
Wiring
Diagrams
Foreword
.
...
.
.
.
..................
.
.
.
.....
.
............
.
...
.
.
.
.
.
................
.
.
.
.....
.
......
.
................
.
.
.
.....
v
Warnings
and
Cautions
.....
.
...
.
.
.
.
.
..........
.
...
.
.
.
.
.
......
.
.........
.
.
.
...
.
.
.
......
.
.
.
.
.
............
.
.
.
.
.
.
.vii
Index
..............
.
.
.
.....
.
............
.
...
.
.
.
.
.
........
.
...
.
.
.
.
.
.......
.
......
.
...
.
.
.
.
.
.
.
........
.
.
.
..
back
of
book
300
Suspension,
Steering
and
330
RearSuspension
Brakes-General
331
Final
Drive
310
Front
Suspension
340
Brakes
320
Steering
and
Wheel
Alignment
400
Body-General
411
Doors
410
Fenders,
Engine
Hood
412
Trunk
Lid
120
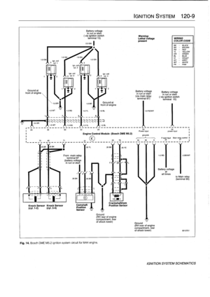
Ignition
System
121
Battery,Starter,
Alternator
130
Fue¡
Injection
160
Fuel
Tank
and
Fuel
Pump
170
Radiator
and
Cooling
System180
Exhaust
System
240
Automatic
Transmission
250
Gearshift
Linkage
260
Driveshaft
Page 4 of 759

BMW
SERVICE
MANUUAS
BMW
7
Series
Service
Manual
:
1988-1994
7351,735iL,
740i,
740iL,
750iL
Robert
Bentley
ISBN
0-8376-0328-5
BMW
3
Series
Service
Manual
:
1992-1998
M3,
3181,323i,325i,
328i,
Sedan,
Coupe
and
Convertible
Robert
Bentley
ISBN
0-8376-0326-9
Glory
Days
:
When
Horsepowerand
BMW
Z3
Service
Manual
:
1996-1998
Passion
Ruled
Detroit
4-cylinder
and
6-cylinder
models
Jim
Wangers
ISBN
0-8376-0208-4
RobertBentley
ISBN
0-8376-0327-7
Alfa
Romeo
Owner's
BibleTM
BMW
3-Series
Service
Manual
:
1984-1990
Pat
Braden
with
foreword
by
Don
Black
3181,
325,325e(es),
325i(is),
and
325i
ISBN
0-8376-0707-9
Convertible
RobertBentley
ISBN
0-8376-0325-0
Ford
F-Series
Pickup
Owner's
BibleTM
Moses
Ludel
ISBN
0-8376-0152-5
BMW
5-Series
Service
Manual
:
1989-1995
5251,
530i,535i,
540i
including
Touring
Robert
Bentley
ISBN
0-8376-0319-6
BMW
5-Series
Service
Manual
:
1982-1988
528e,
5331,
535i,
535is
RobertBentley
ISBN
0-8376-0318-8
ENTHUSIAST
TITLES
Complete
Roundel
1969-1998
:30
Years
of
the
Magazine
of
the
BMW
Car
Club
of
America
(CD-ROM)
ISBN
0-8376-0322-6
A
French
Kiss
WithDeath
:
Steve
McQueen
and
the
Making
ofLe
Mans
Michael
Keyser
ISBN
0-8376-0234-3
The
Speed
Merchants
:
A
Journey
Through
The
World
of
Motor
Racing,1969-72Michael
Keyser
ISBN
0-8376-0232-7
Mustang
5
.0
Technical
Reference
&
Performance
Handbook
Al
Kirschenbaum
ISBN
0-8376-0210-6
Maximum
Boost
:
Designing,
Testing,
and
Installing
Turbocharger
Systems
Corky
Bell
ISBN
0-8376-0160-6
Volkswagen
Sport
Tuning
for
Street
and
Competition
Per
SchroederISBN
0-8376-0161-4
Sports
Carand
CompetitionDriving
Paul
Frérewithforewordby
PhilHill
ISBN
0-8376-0202-5
Automotive
Books
From
Robert
Bentley
GTI,
Golf,
and
Jetta
Service
Manual
:
1985-
The
Design
and
Tuning
of
Competition
1992
Gasoline,
Diesel,
and
Turbo
Diesel,
EnginesPhilipH
.
Smith,
6th
editionrevised
by
including
16V
Robert
Bentley
David
N
.
Wenner
ISBN
0-8376-0140-1
ISBN
0-8376-0342-0
Going
Faster
:
The
Skip
BarberRacing
Corrado
Official
Factory
Repair
Manual
:
School
Carl
Lopez
ISBN
0-8376-0227-0
1990-1994
Volkswagen
United
States
9M-f,
Ir-
Win
n
on
Alexander
with
foreword
ISBN
0-8376-0387-0
by
Mark
Martín
ISBN
0-8376-0070-7
Passat
Service
Manual
:
1990-1993,
The
Technique
of
Motor
Racing
Piero
including
Wagon
Volkswagen
United
States
Taruf
fi
with
foreword
by
Juan
Manuel
Fangio
ISBN
0-8376-0378-1
ISBN
0-8376-0228-9
Cabriolet
and
SciroccoService
Manual
:
Race
Car
Aerodynamics
1985-1993,
including
16V
Joseph
Katz
ISBN
0-8376-0142-8
RobertBentley
ISBN
0-8376-0362-5
The
Scientific
Design
of
Exhaust
and
VolkswagenFox
Service
Manual
:
1987-
Intake
Systems
Philip
H
.
Smith
and
John
C
.
1993,
including
GL,
GL
Sport
and
Wagon
Morrison
ISBN
0-8376-0309-9
RobertBentley
ISBN
0-8376-0363-3
Volkswagen
Model
Documentation
Rabbit,
Scirocco,
Jetta
Service
Manual
:
Joachim
Kuch
ISBN
0-8376-0078-2
1980-1984
Gasoline
Models,
including
Volkswagen
Beetle
:
Portrait
of
a
Legend
Pickup
Truck,
Convertible,
and
GTI
Robert
Edwin
Baaske
ISBN
0-8376-0162-2
Bentley
ISBN
0-8376-0183-5
Jeep
Owner's
BibleTM
Moses
Ludel
ISBN
0-8376-0154-1
Eurovan
Official
Factory
Repair
Manual
:
MANUUAS
Volkswagen
Inspection/Maintenance
(I/M)
Emission
Test
Handbook
:1980-1997
Volkswagen
of
America
ISBN
0-8376-0394-3
Rabbit,
Jetta
Service
Manual
:
1977-1984Diesel
Models,
including
Pickup
Truck
and
Turbo
Diesel
RobertBentley
ISBN
0-8376-0184-3
Super
Beetle,
Beetle
and
Karmann
Ghia
Official
Service
Manual
Type1
:1970-1979Volkswagen
United
States
ISBN
0-8376-0096-0
Beetle
and
Karmann
Ghia
Official
Service
Manual
Type1
:1966-1969
Volkswagen
United
States
ISBN
0-8376-0416-8
Harley-Davidson
Evolution
V
Twin
Owner's
BibleTM
Moses
Ludel
ISBN
0-8376-0146-0
Audi
100,
A6
Official
Factory
Repair
Manual
:
1992-1997,
including
S4,
S6,
quattro
and
Wagon
models
.
Toyota
Truck
&
Land
Cruiser
Owner's
Audi
of
America
.
ISBN
0-8376-0374-9
BibleTM
Moses
Ludel
ISBN
0-8376-0159-2
Audi
80,
90,
Coupe
Quattro
Official
AUDI
SERVICE
MANUUAS
The
Racing
Driver
Denis
Jenkinson
Factory
Repair
Manual
:
1988-1992
ISBN
0-8376-0201-7
including
80
Quattro,
90
Quattro
and
20-valve
models
Audi
of
America
Unbeatable
BMW
:
Eighty
Years
of
FUEL
INJECTION
ISBN
0-8376-0367-6
Engineering
and
Motorsport
Success
Ford
Fuel
Injection
and
Electronic
Engine
Audi
100,
200
Official
Factory
Repair
JeremyWalton
ISBN
0-8376-0206-8
Charles
O
Probst,
SAE
Manua1
:1988-1991
Audi
of
America
Control
:
1788-1993
.
BMW
6
Series
Enthusiast's
CompanionTM
ISBN
0-8376-0301-3
ISBN
0-8376-0372-2
Jeremy
W
.11
ISBN
0-8376-0149-5
Ford
Fuel
Injection
and
Electronic
Engine
Audi
50005
5000CS
Official
Fa
,ctory
BMW
Enthusiast's
CompanionTM
BMW
Control
:
1980-1987
Charles
O
.
Probst,
SAE
Repair
Manual
:
1984-1988
Gasoline,
Car
Club
of
America
ISBN
0-8376-0321-8
ISBN
0-8376-0302-1
Turbo,
and
Turbo
Diesel,
including
Wagon
BMW
Notecards
Series
1
Photography
by
Bosch
Fuel
In1ection
and
Engne
and
Quattro
Audi
of
America
ISBN
0-8376-
i
Klaus
Schnitzer
ISBN
0-8376-0211-4
Management
Charles
O
.
Probst,
SAE
0370-6
ISBN
0-8376-0300-5
Audi
5000,
50005
Official
Factory
Repair
Manual
:
1977-1983
Gasoline
and
Turbo
VOLKSWAGEN
OFFICIAL
SERVICE
Gasoline,
Diesel
and
Turbo
Diesel
MANUUAS
Audi
of
America
ISBN
0-8376-0352-8
New
Beetle
Service
Manual
:
1998-1999
Audi
40005,
4000CS,
and
Coupe
GT
RobertBentley
ISBN
0-8376-0385-4
Official
Factory
Repair
Manual
:
1984-1987including
Quattro
and
Quattro
Turbo
Audi
Jetta,
Golf,
GTI,
Cabrio
Service
Manual
:
of
America
ISBN
0-8376-0373-01993-early
1999,
including
VR6
and
TDI
Robert
Bentley
ISBN
0-8376-0366-8
SAAB
OFFICIALSERVICE
1992-1999
Volkswagen
of
America
Saab
90016
Valve
Official
Service
Manual
:
ISBN
0-8376-0335-8
19851993
RobertBentl
ISBN
0837603129
-ey---
Saab
900
8
Valve
Official
Service
Manual
:
1981-1988
Robert
Bentley
ISBN
0-8376-0310-2
Passat
Official
Factory
Repair
Manual
:
VOLVO
SERVICE
MANUAL
1995-1997
Volkswagen
of
America
Volve
240
Service
Manual
:
1983-1993
ISBN
0-8376-0380-3
Robert
Bentley
ISBN
0-8376-0285-8
Robert
Bentley
has
published
service
manualsand
automobile
books
since
1950
.
Please
write
Robert
Bentley,
Inc
.,
Publishers,
at
1734
Massachusetts
Avenue,Cambridge,
MA
02138,
visit
our
web
síte
athttp
://www
.rb
.com,
or
call
1-800-423-4595
for
a
free
copy
of
our
complete
catalog,
including
titles
and
service
manuals
for
Jaguar,
Triumph,
Austin-Healey,
MG,
and
other
cars
.
Page 5 of 759

Foreword
This
service
manual
covers
1992
through
1998
BMW
3
Series
models,
and
is
specifically
de-
signed
to
cover
only
those
models
built
for
sale
in
the
United
States
.
BMW,
and
most
accessories
and
parts
sellers
specializing
in
BMWs,
refer
to
the
3
Seriescars
coveredby
this
manual
as
the
E36
model
.
The
code
"E36"
is
BMW's
internal
code
for
the
basic
plat-
form
sharedby
al¡
of
the
cars
coveredby
this
manual
.
Except
for
the
engine
and
a
few
other
compo-
nents,
the
models
coveredby
this
manual
share
many
of
same
components
suchas
suspension
parts,
body
panels,
and
the
interior
pieces
.
When
ordering
parts,
especially
body
parts,
knowing
the
E36
code
may
be
helpful
.
BMW
also
usesan
interna¡
code
for
the
enginesused
in
the
3
Series
models
.
Consult
the
text
in
the
100
Engine-General
repair
group
ofthis
manual
for
a
complete
listing
of
engine
codes
.
Engine
-
code
information
is
primarily
used
internally
by
BMW,
but
may
be
helpful
if
you
haveaccess
to
BMW
technical
information
.
Forthe
BMW
ownerwith
basic
mechanical
skills,
this
manual
gives
detailed
maintenance
and
re-
pair
information
.
In
addition,
the
BMW
owner
who
hasno
intention
of
working
on
his
or
her
own
car
will
findthat
owning
and
reading
this
manual
will
make
it
possibleto
be
better
informed
and
todis-
cuss
repairs
more
intelligently
with
a
professional
technician
.
This
manual
has
been
prepared
from
the
repair
information
that
BMW
provides
to
its
factory-trained
technicians
and
has
been
developed
primarily
with
the
do-it-yourself
BMW
owner
in
mind
.
The
aim
throughout
has
been
clarity
and
un-
derstanding
with
practical
descriptions,
step-by-step
procedures,
and
accurate
specifications
.
The
BMW
owner
intending
to
do
maintenance
and
repair
should
have
a
set
of
tools
including
a
set
of
metric
wrenches
and
sockets,
screwdrivers,
a
torque
wrench,
and
feeler
gauges,
since
these
ba-
sic
tools
will
beused
to
do
the
majority
of
the
maintenance
and
repair
procedures
described
in
this
manual
.
This
manual
includes
detailed
information
onthese
basic
tools
and
other
tips
for
the
begin-
ner
in
the
first
section
of
the
manual,
entitled
010
Fundamentals
for
the
Do-It-Yourself
Owner
.
For
some
of
the
repairs
described
in
this
manual,
BMW
technicians
use
special
tools
.
The
text
will
note
when
a
repair
requires
these
special
tools
and,
where
possible,
will
recommend
practica¡
alter-
natives
.
Page 6 of 759

We
have
endeavored
to
ensure
the
highest
degree
of
accuracy
possible
.
When
the
vast
array
of
data
presented
in
the
manual
is
taken
into
account,
however,no
claim
to
infallibility
can
be
made
.
We
therefore
cannotbe
responsible
for
the
result
of
any
errors
that
may
have
crept
into
the
text
.
The
publisher
encourages
comments
from
the
readers
of
this
manual
with
regard
to
any
errors
and,
al-
so,
suggestíons
for
improvement
in
the
presentation
of
technical
material
.
These
communications
have
been
and
will
be
carefully
considered
in
the
preparation
of
futureprintings
of
this
and
other
manuals
.
Please
contact
Robert
Bentley,
Inc
.
using
the
contact
information
on
the
copyright
page
at
the
beginning
of
this
manual
.
BMW
offers
extensive
warranties,
especially
on
components
of
the
fuel
delivery
and
emissions
control
systems
.
Therefore,
before
deciding
to
repair
a
BMW
that
may
still
be
covered
wholly
or
in
part
by
any
warranties
issued
by
BMW
of
North
America,
consult
your
authorized
BMW
dealer
.
You
may
find
that
hecan
make
the
repaireither
freeor
at
minimum
cost
.
Regardless
of
its
ageand
whether
or
not
it
is
still
protected
by
warranty,
your
BMW
is
aneasycar
to
get
serviced
.
So
if
at
any
time
a
repair
is
needed
that
you
feel
is
too
difficult
to
do
yourself,
a
trained
BMW
technician
is
ready
to
do
thejob
for
you
.
Each
authorized
BMW
dealer
senricedepart-
ment
has
made
a
significant
investment
in
service
and
diagnostic
test
equipment,
specials
tools,
and
BMW
original
parts
.
It
is
also
the
best
source
of
the
most
up-to-date
repair
and
service
tech-
niques,
which
includes
factory
training
and
technical
literature
.
Servicing
your
BMW
through
an
au-
thorized
BMW
dealer
will
insure
that
your
investment
will
be
protected
while
maintaining
the
highest
degree
of
service
standards
.
Robert
Bentley
Page 7 of 759

Please
read
these
warnings
and
cautions
before
proceeding
with
maintenance
and
repair
work
.
WARNING-
"
Friction
materials
(such
as
brake
pads
or
shorts
or
clutchdiscs)
contain
asbestos
fibers
or
other
friction
materials
.
Do
notcreate
"
See
also
Cautionson
page
viü
dustby
grinding,
sanding,
orby
cleaning
with
compressed
air
.
"
Some
repairs
may
be
beyond
your
capability
.
If
you
lack
the
Avoid
breathing
dust
.
Breathing
any
friction
material
dust
can
lead
skills,
tools
and
equipment,
or
a
suitable
workplace
for
any
proce-
to
serious
diseases
and
may
result
in
death
.
duredescribed
in
this
manual,
we
suggestyou
leave
such
repairs
"
Batteries
give
off
explosive
hydrogen
gas
during
charging
.
to
an
authorized
BMW
dealer
service
department
or
other
quali-
Keep
sparks,
lighted
matches
and
open
flame
away
from
the
top
fied
shop
.
of
the
battery
If
hydrogen
gas
escaping
from
the
cap
vents
is
"Do
not
re-use
any
fasteners
that
are
worn
or
deformed
in
normal
ignited,
it
will
ignite
gas
trapped
in
the
cells
and
cause
the
battery
use
.
Many
fasteners
are
designed
to
be
used
only
once
and
to
explode
.
become
unreliable
and
may
fail
when
used
a
second
time
.
This
"
Connect
and
disconnect
battery
cables,
jumper
cablesora
bat-
includes,
but
is
not
limited
to,
nuts,
bolts,
washers,
self-locking
nuts
or
bolts,
circlips
and
cotterpins
.
Always
replace
these
fasteners
with
new
parts
.
"Do
not
quick-charge
the
battery
(for
boost
starting)
for
longer
"
Never
work
under
a
lifted
car
unless
it
is
solidly
supportedon
than
one
minute
.
Wait
at
least
one
minute
before
boosting
the
bat-
stands
designed
for
the
purpose
.
Do
not
support
a
car
on
cinder
tery
a
second
time
.
blocks,
hollow
tiles
or
other
props
that
may
crumble
under
contin-
uous
load
.
Never
work
under
acar
that
is
supported
solely
by
a
"Do
not
allow
battery
charging
voltage
to
exceed
16
.5
volts
.
If
the
jack
.
Never
work
under
thecar
while
the
engine
is
running
.
battery
beginsproducing
gas
or
boiling
violently,
reduce
the
charg-
ing
rate
.
Boosting
a
sulfated
battery
at
a
high
charging
rate
can
"
If
you
are
going
to
work
under
acar
on
the
ground,
make
sure
cause
an
explosion
.
that
the
ground
is
level
.
Block
the
wheels
to
keep
the
carfrom
roll-
ing
.
Disconnect
the
battery
negative
(-)
terminal
(ground
strap)to
"
The
air-conditioning
system
is
filled
with
chemical
refrigerant,
prevent
others
from
starting
thecar
while
youare
under
it
.
which
is
hazardous
.
TheA/C
system
should
be
servicedonly
by
trained
technicians
using
approved
refrigerant
recovery/recycling
"
Never
run
the
engine
unless
the
work
area
is
well
ventilated
.
equipment,
trained
in
related
safetyprecautions,
and
familiar
with
Carbon
monoxide
kills
.
regulations
governing
the
discharging
and
disposal
of
automotive
"
Finger
rings,
bracelets
and
other
jewelry
shouldbe
removed
so
chemical
refrigerants
.
tery
charger
only
with
the
ignition
switched
off,
to
prevent
sparks
.
Do
not
disconnect
the
battery
while
the
engine
is
running
.
that
theycannot
cause
electrical
shorts,
get
caught
in
running
"
Do
not
expose
any
partof
the
A/Csystem
to
high
temperatures
machinery,
or
be
crushed
by
heavy
parts
.
suchas
open
flame
.
Excessiveheat
will
increase
system
pressure
"
Tie
long
hair
behind
your
head
.
Do
not
wear
a
necktie,
a
scarf,
and
may
cause
the
system
to
burst
.
loose
clothing,
or
a
necklace
when
you
work
near
machine
tools
or
"
Some
aerosol
tire
inflators
are
highly
flammable
.
Be
extremely
running
engines
.
If
your
hair,
clothing,
or
jewelry
were
to
get
caught
cautious
when
repairing
a
tire
that
may
havebeen
inflated
using
in
the
machinery,
severe
injury
could
result
.
an
aerosol
tire
inflator
.
Keep
sparks,
open
flame
or
other
sources
"
Do
not
attempt
to
work
onyourcar
if
you
do
not
feel
well
.
You
of
ignition
away
from
the
tire
repair
area
.
Inflate
and
deflate
the
tire
increase
the
danger
of
injury
toyourself
and
others
if
you
are
tired,
at
least
four
times
before
breaking
the
bead
from
therim
.
Com-
upset
or
have
takenmedication
or
any
other
substance
that
may
Pletely
remove
the
tire
from
the
rim
beforeattempting
any
repair
.
keep
you
from
being
fully
alert
.
"
Illuminate
your
work
areaadequately
but
safety
.
Use
a
portable
safety
light
for
working
inside
or
under
thecar
.
Make
surethe
bulb
is
enclosedbya
wire
cage
.
The
hot
filament
of
an
accidentally
bro-
ken
bulb
can
ignite
spilled
fuel
or
oil
.
"
Catch
draining
fuel,
oil,
orbrake
fluid
in
suitable
containers
.
Do
not
use
food
or
beverage
containers
that
mightmislead
someone
into
drínking
from
them
.
Store
flammable
fluids
away
from
fire
haz-
ards
.
Wipe
up
spills
at
once,
but
do
not
store
the
oily
rags,
which
can
ignite
and
burn
spontaneously
.
"
Always
observe
good
workshop
practices
.
Wear
goggles
when
youoperate
machine
tools
or
work
with
battery
acid
.
Gloves
or
other
protectioeclothing
should
be
worn
whenever
thejob
requires
working
with
harmful
substances
.
"
Greases,
lubricants
and
other
automotive
chemicals
contain
toxic
substances,
many
of
which
are
absorbed
directly
through
the
skin
.
Read
the
manufacturer's
instructions
and
warnings
carefully
.
Use
hand
andeye
protection
.
Avoid
direct
skin
contact
"
Cars
covered
by
this
manual
are
equipped
with
a
supplemental
restraint
system
(SRS),
that
automatically
deploys
an
airbag(s)
in
theevent
of
a
frontal
ímpact
.
The
airbag(s)
is
inflated
byan
explo-
sive
device
.
Handled
improperly
or
without
adequate
safeguards,
can
be
accidently
activated
and
cause
serious
injury
.
"
The
ignition
system
produces
high
voltages
that
can
be
fatal
.
Avoid
contact
with
exposed
terminals
and
use
extreme
care
when
working
ona
car
with
the
engine
running
or
the
ígnition
switched
on
.
"
Place
jack
stands
only
at
locations
specified
bymanufacturer
.
The
vehicle
lifting
jacksupplied
with
the
vehicle
is
intended
for
tire
changes
only
.
A
heavy
duty
floor
jack
shouldbe
used
to
lift
vehicle
before
installing
jack
stands
.
See
010
Fundamentals
for
theDo-
.
it-Yourself
Owner
.
"
Battery
acid
(electrolyte)
can
cause
severeburns
.
Flush
contact
area
with
water,
seek
medical
attention
.
"
Aerosolcleaners
and
solvents
may
contain
hazardous
ordeadly
vapors
and
are
highly
flammable
.
Use
only
in
a
wellventilated
area
.
Do
not
use
on
hot
surfaces
(engines,
brakes,
etc
.)
.
"
Disconnect
the
battery
negative
(-)
terminal
(Ground
strap)
"
Do
not
remove
coolant
reservoir
or
radiator
cap
with
theengine
whenever
you
work
on
the
fuel
system
orthe
electrical
system
.
Do
hot
.
Danger
of
bums
and
engine
damage
.
not
smoke
or
work
near
heaters
or
other
fire
hazards
.
Keep
an
approved
fire
extinguisher
handy
.
continued
on
next
page
vii
Page 8 of 759

Please
read
these
warnings
and
cautions
before
proceeding
with
maintenance
and
repair
work
.
CAUTION-
"
See
also
Warnings
onpage
vi¡
"
Beforedoing
any
electrical
welding
on
cars
equipped
with
ABS,
disconnect
the
battery
negative
(-)
terminal
(ground
strap)
and
the
"
If
you
lack
the
skills,
tools
and
equipment,
ora
suitable
work-
ABS
control
unit
connector
.
shop
for
any
procedure
described
in
this
manual,
we
suggest
you
leave
such
repairs
to
an
authorized
BMW
dealer
or
other
qualified
"
On
cars
equipped
with
anti-theft
radios,
make
sureyou
know
the
shop
.
correct
radio
activation
code
before
disconnecting
the
battery
or
removing
the
radio
.
lf
the
wrong
code
is
entered
into
the
radio
"
BMW
is
constantly
improving
its
cars
and
sometimes
these
when
power
is
restored,
that
radio
may
lock
up
and
be
renderedchanges,
both
in
parts
and
specifications,
are
made
applicable
to
inoperable,
even
if
the
correct
code
is
thenentered
.
earlier
models
.
Therefore,
part
numbers
listed
in
this
manual
are
for
reference
only
.
Always
check
with
your
authorized
BMW
dealer
"
Always
make
sure
ignition
is
off
before
disconnecting
battery
.
parts
department
for
the
latest
information
.
"
Label
battery
cablesbefore
disconnecting
.
Onsome
models,
"
Before
starting
a
job,
make
certain
that
you
have
all
the
neces-
battery
cablesarenot
color
coded
.
sary
tools
and
parts
on
hand
.
Read
al¡
the
instructions
thoroughly,
do
not
attempt
shortcuts
.
Use
tools
appropriate
to
the
work
and
"
Disconnecting
the
battery
may
erase
fault
code(s)
stored
in
con-
use
only
replacement
parts
meeting
BMW
specifications
.
Make-
trol
module
memory
Using
special
BMW
diagnostíc
equipment,
shift
tools,
parts
and
procedures
will
not
make
good
repairs
.
check
forfault
codes
prior
to
disconnecting
the
battery
cables
.If
the
Check
Engine
light
is
illuminated,
see100
Engine-General
for
"
Use
pneumatic
and
electric
tools
only
to
loosenthreaded
parts
On-Board
Diagnostics
(OBD)
fault
code
information
.
lf
any
other
and
fasteners
.
Never
use
these
tools
to
tighten
fasteners,
espe-
system
faults
have
been
detected
(indicated
by
an
ílluminated
cially
on
light
alloy
parts
.
Always
use
a
torque
wrench
to
tighten
warning
light),
see
an
authorized
BMW
dealer
.
fasteners
to
the
tightening
torque
specification
listed
.
"
If
a
normal
or
rapid
charger
is
used
to
charge
battery,
the
battery
"Be
mindful
of
the
environment
and
ecology
.
Before
you
drain
the
mustbe
disconnected
and
removed
fromthe
vehicle
in
order
to
crankcase,
find
outthe
proper
way
to
dispose
of
the
oil
.
Do
not
avoid
damaging
paint
and
upholstery
pour
oil
onto
the
ground,
down
a
drain,
or
into
a
stream,
pond
orlake
.
Dispose
of
in
accordance
withFederal,
State
and
Local
laws
.
"Do
not
quick-chargethe
battery
(for
boost
starting)
for
longer
than
one
minute
.
Wait
at
least
one
minute
before
boosting
the
bat-
e
If
battery
power
is
lost
or
the
battery
has
been
disconnected,
the
tery
a
second
time
.
powerwindows
must
be
re-initialized
.
Both
one
touch
up/down
and
pinch-protection
will
be
inactive
until
windows
are
re-initial-
"
Connect
and
disconnect
a
battery
charger
only
with
the
battery
ized
.
See
512
Door
Windows
.
charger
switched
off
.
"
The
control
module
for
the
anti-lock
brake
system
(ABS)
cannot
withstand
temperatures
from
a
paint-drying
booth
or
aheat
lamp
in
excess
of
203°F
(95°C)
and
should
not
be
subjected
to
temper-
atures
in
excess
of
185°F
(85°C)
for
more
than
twohours
.
"
Sealed
or
"maintenance
free"
batteries
shouldbeslow-charged
only,
at
anamperage
ratethat
is
approximately
10%
of
the
bat-
tery's
ampere-hour
(Ah)
rating
.
"
Do
not
allow
battery
chargingvoltage
to
exceed
16
.5
volts
.
If
the
battery
begins
producing
gas
or
boiling
violently,
reduce
the
charg-
ing
rate
.
Boosting
a
sulfated
battery
at
a
high
charging
rate
can
cause
an
explosion
.