Page 875 of 1333

         Press "3" key or press down arrow to display CONFIGURE option
and press ENTER. Configure allows user to customize DRB-II display.
For example, If metric system is more useful, select METRIC from the
menu. All selections in CONFIGURE option remain active until user
changes selection.
         SELECT VEHICLE
         1) This allows the user to enter information about vehicle
being tested. Usually, this option has more than one display screen.
Use ENTER key to enter vehicle information.
         2) When all information about vehicle is entered, DRB-II will
display an information summary the technician has entered. DRB-II will
show an additional option marked CONFIRM. If information is correct,
press CONFIRM. DRB-II will display MAIN MENU.
         MAIN MENU
         The MAIN MENU represents all diagnostic functions available.
Functions are SYSTEM TESTS, READ FAULTS, STATE DISPLAYS, ACTUATOR
TESTS and ADJUSTMENTS. SYSTEM TESTS is NOT available.
         READ FAULTS
         This allows technician to read fault codes stored in ECU
memory.
         STATE DISPLAYS
         1) This allows technician to view conditions at signal level.
The 2 types of signals are analog and digital. Analog signals are
monitored at pins corresponding to vehicle harness splices (e.g. fuel
pump relay).
         2) Digital signals correspond to data transmitted by the
system controllers. Both signals are displayed in common units (e.g.
temperature). Use up and down arrow keys on DRB-II to scroll through
displays available.
         3) The following ENGINE state displays are available on DRB-
II:
       *  Module Information - This mode allows technician to read ECU
         part number and application.
       *  Engine Sensors - This mode allows technician to look at
         various engine sensors during engine operation.
       *  Inputs/Outputs - This mode allows technician to read input
         and output states of various switches and sensors.
       *  Custom Display - This screen allows technician to set up
         his/her own custom display. Two custom display screens can be
         programmed into DRB-II.
       *  Minimum/Current/Maximum - The MIN/CURRENT/MAX display shows a
         history of conditions for a specific sensor. When this option
         is selected, maximum, current (static) and minimum values can\
         be displayed for a specific sensor. To reset sensors to a
         zero value, simply press ENTER key. This display may be used
         to isolate intermittent faults. The MIN/CURRENT/MAX display
         allows technician to observe operation of 6 different sensor
         values. Information is displayed as a 3-digit number. The
         first value displayed is the minimum reading, the second
         number is the current reading and third valve is the maximum
         reading. Typically sensors range between 2-252. Values less
         than 2 or greater than 252 will usually indicate that a 
         
        
        
     
        
        Page 876 of 1333

         sensor is shorted or disconnected. Watch minimum and maximum
         values to help diagnose intermittent problems.
      *  Monitors - This screen shows technician sensors and system
         controllers which affect fuel control, spark advance, RPM and
         A/C relay. There are 4 different screens available. As an
         example, screen No. 1 will show: airflow sensor, O2 sensor,
         battery and fuel injector. All of these inputs affect fuel
         control.
          Actuator Tests
         This mode allows technician to actuate injectors, fuel pump,
purge control, EGR solenoid, fuel pressure solenoid and wastegate.
          Adjustments
         This option provides a means for erasing fault code
information stored in ECU. Follow DRB-II instructions to accomplish
this task.
          DRB-II ERROR SCREENS
          ERROR SCREENS
          SYSTEM FAULT ROM CHECK SUM XXXX Message
         Cartridge or DRB-II failure.
          SYSTEM FAULT KEYBOARD FAILURE Message
         Restart DRB-II. Ensure DRB-II keys are not pressed during
power up. Another possibility is DRB-II failure.
          SYSTEM FAULT ROM FAILURE XXXX
         DRB-II failure.
          SYSTEM FAULT EEPROM FAILURE
         DRB-II failure.
          SYSTEM FAILURE, COMMUNICATION FAILURE, REFER TO DIAGNOSTIC
          PROCEDURES Message
         Perform diagnostic connector test. See DRIVEABILITY TEST No.
8 (DR-8). Failure of Mitsubishi Motor Corporation (MMC) adapter is
another possibility.
          SYSTEM FAILURE NO RESPONSE FROM ADAPTER or SYSTEM FAILURE
          ADAPTER REQUIRED TO DIAGNOSE WITH THIS CARTRIDGE Message
         Ensure you are using a correct Mitsubishi Motor Corporation
cartridge. Failure of MMC adapter is another possibility.
Fig. 3:  10-Way ECU Connector
Courtesy of Chrysler Motors.         
         
        
        
     
        
        Page 877 of 1333

Fig. 4:  18-Way ECU Connector
Courtesy of Chrysler Motors.
Fig. 5:  24-Way ECU Connector
Courtesy of Chrysler Motors.
Fig. 6:  Self-Diagnostic Connector Terminal Identification
Courtesy of Mitsubishi Motor Sales of America.
         FAULT CODES
FAULT CODES TABLE         \
         \
         \
         \
         \
         \
      
Fault Code                          System Fault Description
11  ....................  Open or short in O2 sensor circuit
12  ...............  Open or short in airflow sensor circuit
13  ......  Open or short in intake air temp. sensor circuit
14  ..........................  Open or short in TPS circuit
15 (1)  ....  Open or short in motor position sensor circuit
21  .........  Open or short in coolant temp. sensor circuit
22  ........  No voltage change in crank angle sensor signal
23  ...............  No voltage change in TDC sensor circuit
24 ( 2)  ..  No voltage change in vehicle speed sensor signal
25  ...........  Open or short in barometric pressure sensor
31 ( 3)  ........  Open or short in detonation sensor circuit
41  .....................  Open or short in injector circuit
42  ..............  Open or short in fuel pump drive circuit
43 ( 4)  .........  Open or short in EGR temp. sensor circuit                         
         
        
        
     
        
        Page 886 of 1333
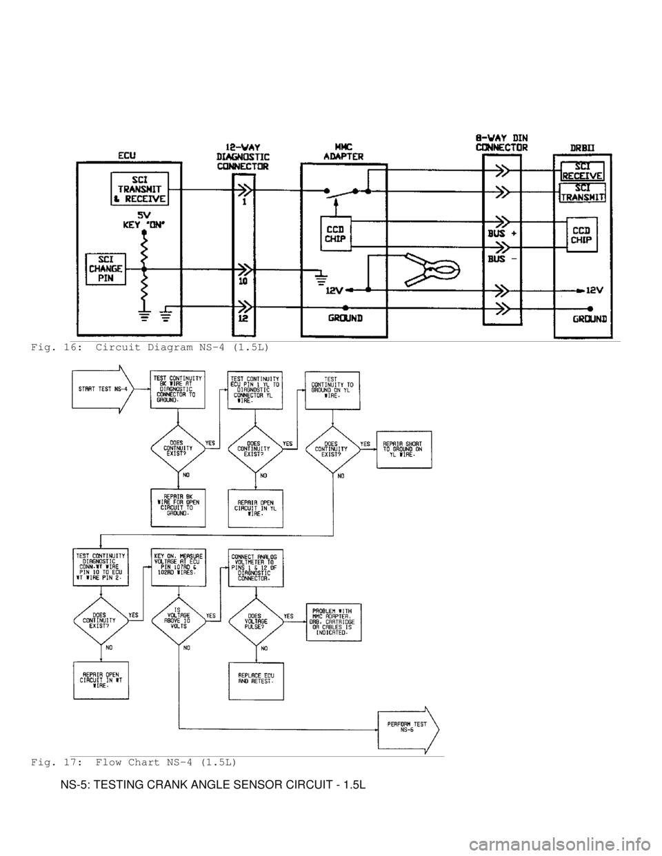
Fig. 16:  Circuit Diagram NS-4 (1.5L)
Fig. 17:  Flow Chart NS-4 (1.5L)
         NS-5: TESTING CRANK ANGLE SENSOR CIRCUIT - 1.5L                                 
         
        
        
     
        
        Page 894 of 1333
Fig. 25:  Flow Chart DR-1 (1.5L) (1 of 2)
         DR-2: CODE 11 OXYGEN SENSOR CIRCUIT - 1.5L                                    
         
        
        
     
        
        Page 895 of 1333
Fig. 26:  Circuit Diagram DR-2 (1.5L)
Fig. 27:  Flow Chart DR-2 (1.5L)
         DR-3: CODE 12 AIRFLOW SENSOR CIRCUIT - 1.5L                                
         
        
        
     
        
        Page 899 of 1333
Fig. 31:  Flow Chart DR-3 (1.5L) (3 of 3)
         DR-4: CODE 13 INTAKE AIR TEMP. SENSOR CIRCUIT - 1.5L                         
         
        
        
     
        
        Page 901 of 1333
Fig. 33:  Flow Chart DR-4 (1.5L)
         DR-5: CODE 14 THROTTLE POSITION SENSOR CIRCUIT - 1.5L