1987 FORD SIERRA display

[x] Cancel search: display

Page 7 of 47

FORD SIERRA 1987 2.G Wiring Diagrams Workshop Manual 13•32Wiring diagrams
Diagram 4a. Graphic display system and fuel computer. Models up to 1987

Page 21 of 47

FORD SIERRA 1987 2.G Wiring Diagrams Workshop Manual 13•46Wiring diagrams
Diagram 3c. Graphic display system - bulb failure. Models from 1987 to May 1989

Page 22 of 47

FORD SIERRA 1987 2.G Wiring Diagrams Workshop Manual Wiring diagrams  13•47
13
Diagram 3d. Graphic display system - auxiliary warning, door ajar and fuel computer. Models from 1987 to May 1989

Page 37 of 47

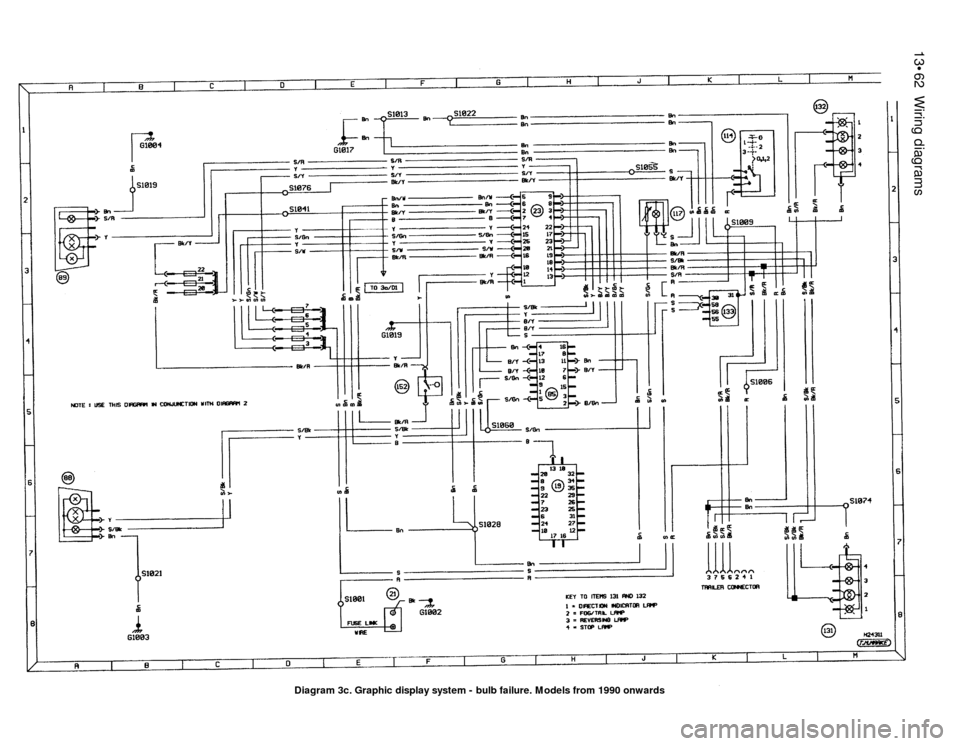
FORD SIERRA 1987 2.G Wiring Diagrams Workshop Manual 13•62Wiring diagrams
Diagram 3c. Graphic display system - bulb failure. Models from 1990 onwards

Page 38 of 47

FORD SIERRA 1987 2.G Wiring Diagrams Workshop Manual Wiring diagrams  13•63
13
Diagram 3d. Graphic display system - auxiliary warning, door ajar and fuel computer. Models from 1990 onwards