Page 1 of 418
ASX
OWNER’S MANUAL
ASX - ENGLISH - OGAE14E1
ASX - ENGLISH - OGAE14E1
Page 2 of 418

ForewordE09200105666
Thank you for selecting an ASX as your new vehicle.
This owner’s manual will add to your understanding and full enjoyment of
the many fine features of this vehicle.
It contains information prepared to acquaint you with the proper way to oper-
ate and maintain your vehicle for the utmost in driving pleasure.
MITSUBISHI MOTORS Europe B.V. reserves the right to make changes in
design and specifications and/or to make additions to or improvements in
this product without obligation to install them on products previously manu-
factured.
It is an absolute requirement for the driver to strictly observe all laws and reg-
ulations concerning vehicles.
This owner’s manual has been written in compliance with such laws and reg-
ulations, but some of the contents may become contradictory with later amend-
ment of the laws and regulations.
Please leave this owner’s manual in this vehicle at time of resale. The next
owner will appreciate having access to the information contained in this own-
er’s manual.
Repairs to your vehicle:
Vehicles in the warranty period:
All warranty repairs must be carried out by a MITSUBISHI MOTORS Au-
thorized Service Point.
Vehicles outside the warranty period:
Where the vehicle is repaired is at the discretion of the owner.Throughout this owner’s manual the words WARNING and CAUTION ap-
pear.
These serve as reminders to be especially careful. Failure to follow instruc-
tions could result in personal injury or damage to your vehicle.WARNING
indicates a strong possibility of severe personal injury or death if in-
structions are not followed.
CAUTION
means hazards or unsafe practices that could cause minor personal in-
jury or damage to your vehicle.
You will see another important symbol:
NOTE:gives helpful information.*:indicates optional equipment.
It may differ according to the sales classification; refer
to the sales catalogue.
Abbreviations used in this owner’s manual:
LHD: Left-Hand Drive
RHD: Right-Hand Drive
M/T: Manual Transmission
A/T: Automatic Transmission
CVT: Continuously Variable Transmission
The symbol used on the vehicles:
: See owner’s manual
Information for station service
E09300103878
Fuel
Fuel tank capacity2WD models
58 litres (For vehicles with vehicle identification numbers that be-gin with “4”)
63 litres (For vehicles with vehicle identification numbers that be- gin with “J”)4WD models60 litres
Fuel requirements
Petrol-powered vehiclesUnleaded petrol octane number (EN228)1600 models, 1800 models
95 RON or higher
2000 models
90 RON or higher
Diesel-powered vehicles Cetane number (EN590)51 or higher
Refer to the “General information” section for the fuel selection.Engine oilRefer to the “Maintenance” section for the selection of engine oil.Tyre inflation pressureRefer to the “Maintenance” section for the tyre inflation pressure.CAUTIONl Your vehicle is designed to use only diesel fuel that meets the EN590 standard.
Use of any other type of diesel fuel can adversely affect the engine.NOTEl For the location of the vehicle identification number, refer to “Vehicle identification number” on page 11-02.
© 2013 Mitsubishi Motors Corporation14
OGAE14E1
BLC-13-001039
Page 3 of 418
Table of contentsOverview1General information2Locking and unlocking3Seat and seat belts4Instruments and controls5Starting and driving6For pleasant driving7For emergencies8Vehicle care9Maintenance10Specifications11Alphabetical index12Declaration of Conformity13
OGAE14E1
Page 4 of 418
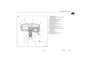
Instruments and controlsE001001082851. Combination headlamps and dipper switch p. 5-47Turn-signal lever p. 5-54
Front fog lamp switch* p. 5-55
Rear fog lamp switch p. 5-55
Headlamp washer switch* p. 5-61
2. Instruments p. 5-02
3. Shift paddles* p. 6-34
4. Windscreen wiper and washer switch p. 5-56 Rear window wiper and washer switch p. 5-60
5. Engine switch* p. 3-13
6. Cruise control switch* p. 6-52
7. Ignition switch* p. 6-11
8. Supplemental restraint system - driver’s knee airbag* p. 4-29
9. Supplemental restraint system - airbag (for driver’s seat) p. 4-24, 4-29
Horn switch p. 5-62
10. Tilt & Telescopic steering lever p. 6-08
11. Bluetooth® 2.0 interface* p. 7-47
12. Steering wheel audio remote control switches* p. 7-25
13. Sonar switch* p. 6-60
14. Active stability control (ASC) OFF switch* p. 6-51
15. Headlamp levelling switch* p. 5-52
16. Auto Stop & Go (AS&G) OFF switch* p. 6-22
Instruments and controls
1-02 OGAE14E1Overview11516
13
14 1
2
34
5 6
7
8
9
10
11
12
LHD
Page 5 of 418
1. Instruments p. 5-02
2. Combination headlamps and dipper switch p. 5-47 Turn-signal lever p. 5-54
Front fog lamp switch* p. 5-55
Rear fog lamp switch p. 5-55
Headlamp washer switch* p. 5-61
3. Auto Stop & Go (AS&G) OFF switch* p. 6-22
4. Headlamp levelling switch* p. 5-52
5. Active stability control (ASC) OFF switch* p. 6-51
6. Sonar switch* p. 6-60
7. Cruise control switch* p. 6-52
8. Supplemental restraint system - airbag (for driver’s seat) p. 4-24, 4-29
Horn switch p. 5-62
9. Ignition switch* p. 6-11
10. Supplemental restraint system - driver’s knee airbag* p. 4-29
11. Bluetooth® 2.0 interface* p. 7-47
12. Steering wheel audio remote control switches* p. 7-25
13. Tilt & Telescopic steering lever p. 6-08
14. Engine switch* p. 3-13
15. Windscreen wiper and washer switch p. 5-56 Rear window wiper and washer switch p. 5-60
Instruments and controls
1-03
OGAE14E1Overview12
1
16
15
14 13
12 11 10 98
7 5
6
3
4
RHD
Page 6 of 418
1. Audio system* p. 7-12MITSUBISHI Multi-Communication System*
DISPLAY AUDIO*
Refer to the separate owner’s manual
2. Centre ventilators p. 7-02
3. Key slot* p. 3-20
4. Side ventilators p. 7-02
5. Front passenger’s airbag ON-OFF switch p. 4-27 Glove box p. 7-75
6. Hazard warning flasher switch p. 5-54
7. Rear window demister switch p. 5-61
8. Accessory socket p. 7-71 Cigarette lighter* p. 7-70
9. Gearshift or selector lever p. 6-22, 6-25, 6-31
10. Parking brake lever p. 6-06
11. Cup holder p. 7-78
12. Drive mode selector* p. 6-37
13. Ashtray* p. 7-70
14. Air conditioning* p. 7-03
15. Fuel tank filler door release lever p. 2-03
16. Bonnet release lever p. 10-03
17. Fuse box p. 10-19
18. Multi-information meter switch p. 5-05
Instruments and controls
1-04 OGAE14E1Overview1LHD12
3
45
6 7
8
9
10
11
12
13
14
15 16
17 18
Page 7 of 418
1. Audio System* p. 7-12MITSUBISHI Multi-Communication System*
DISPLAY AUDIO*
Refer to the separate owner’s manual
2. Multi-information meter switch p. 5-05
3. Bonnet release lever p. 10-03
4. Rear window demister switch p. 5-61
5. Accessory socket p. 7-71
6. Parking brake lever p. 6-06
7. Fuel tank filler door release lever p. 2-03
8. Cup holder p. 7-78
9. Drive mode selector* p. 6-37
10. Gearshift or selector lever p. 6-22, 6-25
11. Air conditioning* p. 7-03
12. Front passenger’s airbag ON-OFF switch p. 4-27 Glove box p. 7-75
Fuse box p. 10-19
13. Side ventilators p. 7-02
14. Key slot* p. 3-20
15. Hazard warning flasher switch p. 5-54
16. Centre ventilators p. 7-02
Instruments and controls
1-05
OGAE14E1Overview1RHD
Page 8 of 418
InteriorE001002061651. Lock switch p. 3-402. Electric remote-controlled outside rear-view mirrors switch p. 6-09
3. Central door lock switch p. 3-26
4. Electric window control switch p. 3-39
5. Sunshade illumination dimming control switch* p. 7-74
6. Inside rear-view mirror p. 6-08
7. Front seat p. 4-03 Heated seat* p. 4-06
8. Supplemental restraint system - side airbag (for front seats)* p. 4-33
9. Head restraints p. 4-07
10. Luggage room lamp p. 7-73
11. Luggage floor box* p. 7-78
12. Tether anchorages for child restraint system p. 4-22
13. Seat belts p. 4-09 Adjustable seat belt anchor p. 4-11
14. Supplemental restraint system - curtain airbag* p. 4-33
Interior
1-06 OGAE14E1Overview1LHD12
3
4 5
6
7
8
9
10
11
12 13
14