Page 185 of 486
NOTE:The use of the Chill Zone is for nonperishable
beverages only.
Inside the Chill Zone is a vent which, when opened,
allows either air conditioned or fresh air to flow into the Chill Zone
compartment. Depending on ambient tem-
perature and A/C setting, the compartment can keep
beverages cool.
Vehicles without air conditioning can use that space for
storage. The lower bin holds the Owner ’s Manual and
other important documents.
Glove Compartment and Chill Zone
Positioning Slide Control
3
UNDERSTANDING THE FEATURES OF YOUR VEHICLE 183
Page 186 of 486
Page 187 of 486
UNDERSTANDING YOUR INSTRUMENT PANEL
CONTENTS
Instrument Panel Features ............... 188
Instrument Cluster — Base ............... 189
Instrument Cluster — Premium ........... 190
Instrument Cluster Descriptions ........... 191
Electronic Vehicle Information Center (EVIC) —
If Equipped .......................... 205
▫ Oil Change Required — If Equipped ...... 207
▫ EVIC Functions ..................... 208
▫ Compass/Temperature/Audio ........... 209▫
Average Fuel Economy ................ 209
▫ Distance To Empty (DTE) .............. 209
▫ Elapsed Time ....................... 210
▫ Tire Pressure Monitor (TPM) ............ 210
▫ Personal Settings
(Customer-Programmable Features) ....... 210
Media Center 230 (REQ) — AM/FM Stereo
Radio And 6–Disc CD/DVD Changer
(MP3/WMA AUX Jack) .................. 216
▫ Operating Instructions - Radio Mode ...... 216
4
Page 188 of 486

▫Operation Instructions - (Disc Mode For CD
And MP3/WMA Audio Play, DVD-Video) . . . 224
▫ Notes On Playing MP3/WMA Files ....... 226
▫ List Button
(Disc Mode For MP3/WMA Play) ......... 229
▫ Info Button (Disc Mode For MP3/WMA
Play) ............................. 229
▫ Uconnect™ Multimedia (Satellite Radio) —
If Equipped ........................ 231
Media Center 730N/430/430N (RHR/RER/
RBZ/RHB) CD/DVD/HDD/NAV —
If Equipped .......................... 235
▫ Operating Instructions
(Voice Command System) — If Equipped . . . 235
▫ Operating Instructions
(Uconnect™ Phone) — If Equipped ....... 235
Media Center 130 (Sales Code RES) ......... 236
▫ Operating Instructions — Radio Mode ..... 236
▫ Operation Instructions — CD Mode For CD
And MP3 Audio Play ................. 239
▫ Notes On Playing MP3 Files ............ 241
▫ Operation Instructions - Auxiliary Mode .... 244
Media Center 130 With Satellite Radio
(Sales Code RES+RSC) ................... 244
▫ Operating Instructions — Radio Mode ..... 245
▫ Operation Instructions — CD Mode For CD
And MP3 Audio Play ................. 250
▫ Notes On Playing MP3 Files ............ 252
▫ List Button (CD Mode For MP3 Play) ...... 255
▫ Info Button (CD Mode For MP3 Play) ...... 255
186 UNDERSTANDING YOUR INSTRUMENT PANEL
Page 189 of 486

▫Uconnect™ Multimedia (Satellite Radio) —
If Equipped ........................ 256
iPod Control — If Equipped ............. 260
▫ Connecting The iPod ................. 261
▫ Using This Feature ................... 261
▫ Controlling The iPod Using Radio
Buttons ........................... 262
▫ Play Mode ......................... 262
▫ List Or Browse Mode ................. 263
iPod/USB/MP3 Control — If Equipped ..... 265
▫ Connecting The iPod Or External USB
Device ............................ 266
▫ Using This Feature ................... 267
▫ Controlling The iPod Or External USB
Device Using Radio Buttons ............. 267▫
Play Mode ......................... 267
▫ List Or Browse Mode ................. 269
▫ Bluetooth Streaming Audio (BTSA) ........ 271
Steering Wheel Audio Controls —
If Equipped .......................... 272
▫ Radio Operation ..................... 273
▫ CD Player ......................... 273
CD/DVD Disc Maintenance .............. 273
Radio Operation And Mobile Phones ....... 274
Climate Controls ...................... 274
▫ Manual Heating And Air Conditioning ..... 275
▫ Automatic Temperature Control (ATC) —
If Equipped ........................ 279
▫ Operating Tips ...................... 285
4
UNDERSTANDING YOUR INSTRUMENT PANEL 187
Page 190 of 486
INSTRUMENT PANEL FEATURES
1 — Air Outlet5 — Lower Glove Compartment/Beverage Cooler – If Equipped 9 — ESC OFF Switch – If Equipped
2 — Instrument Cluster 6 — Climate Controls 10 — Storage Bins
3 — Radio 7 — Heated Seat Switches – If Equipped 11 — Power Outlet
4 — Passenger Airbag 8 — Hazard Warning Flasher
188 UNDERSTANDING YOUR INSTRUMENT PANEL
Page 191 of 486
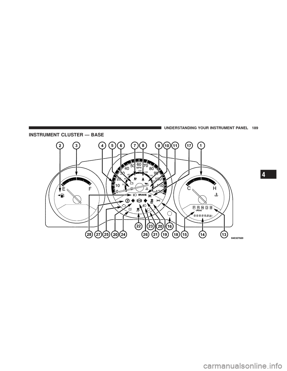
INSTRUMENT CLUSTER — BASE
4
UNDERSTANDING YOUR INSTRUMENT PANEL 189
Page 192 of 486
INSTRUMENT CLUSTER — PREMIUM
190 UNDERSTANDING YOUR INSTRUMENT PANEL