Page 441 of 3924
ATC-36
< SERVICE INFORMATION >
TROUBLE DIAGNOSIS
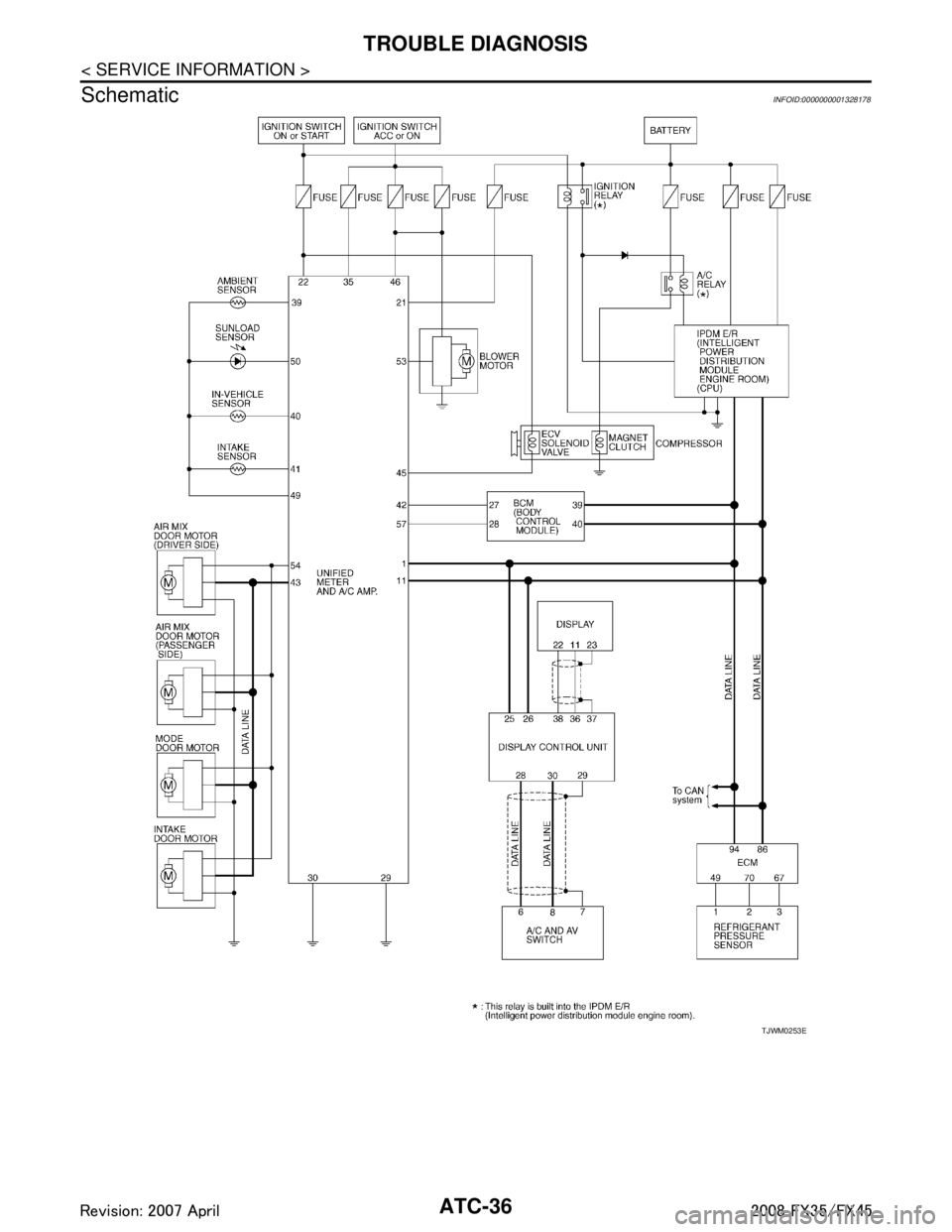
Schematic
INFOID:0000000001328178
TJWM0253E
3AA93ABC3ACD3AC03ACA3AC03AC63AC53A913A773A893A873A873A8E3A773A983AC73AC93AC03AC3
3A893A873A873A8F3A773A9D3AAF3A8A3A8C3A863A9D3AAF3A8B3A8C
Page 442 of 3924
TROUBLE DIAGNOSISATC-37
< SERVICE INFORMATION >
C
DE
F
G H
I
K L
M A
B
AT C
N
O P
Wiring Diagram - A/C -INFOID:0000000001328179
TJWM0254E
3AA93ABC3ACD3AC03ACA3AC03AC63AC53A913A773A893A873A873A8E3A773A983AC73AC93AC03AC3
3A893A873A873A8F3A773A9D3AAF3A8A3A8C3A863A9D3AAF3A8B3A8C
Page 443 of 3924
ATC-38
< SERVICE INFORMATION >
TROUBLE DIAGNOSIS
TJWM0255E
3AA93ABC3ACD3AC03ACA3AC03AC63AC53A913A773A893A873A873A8E3A773A983AC73AC93AC03AC3
3A893A873A873A8F3A773A9D3AAF3A8A3A8C3A863A9D3AAF3A8B3A8C
Page 444 of 3924
TROUBLE DIAGNOSISATC-39
< SERVICE INFORMATION >
C
DE
F
G H
I
K L
M A
B
AT C
N
O P
TJWM0054E
3AA93ABC3ACD3AC03ACA3AC03AC63AC53A913A773A893A873A873A8E3A773A983AC73AC93AC03AC3
3A893A873A873A8F3A773A9D3AAF3A8A3A8C3A863A9D3AAF3A8B3A8C
Page 445 of 3924
ATC-40
< SERVICE INFORMATION >
TROUBLE DIAGNOSIS
TJWM0256E
3AA93ABC3ACD3AC03ACA3AC03AC63AC53A913A773A893A873A873A8E3A773A983AC73AC93AC03AC3
3A893A873A873A8F3A773A9D3AAF3A8A3A8C3A863A9D3AAF3A8B3A8C
Page 446 of 3924
TROUBLE DIAGNOSISATC-41
< SERVICE INFORMATION >
C
DE
F
G H
I
K L
M A
B
AT C
N
O P
TJWM0257E
3AA93ABC3ACD3AC03ACA3AC03AC63AC53A913A773A893A873A873A8E3A773A983AC73AC93AC03AC3
3A893A873A873A8F3A773A9D3AAF3A8A3A8C3A863A9D3AAF3A8B3A8C
Page 447 of 3924

ATC-42
< SERVICE INFORMATION >
TROUBLE DIAGNOSIS
Auto Amp. Terminal and Reference Value
INFOID:0000000001328180
Measure voltage between each terminal and ground by referring ter-
minals and reference value for unified meter and A/C amp.
PIN CONNECTOR TERMINAL LAYOUT
TERMINALS AND REFERENCE VALUE FOR UNIFIED METER AND A/C AMP.
SJIA1566E
RJIA1966E
Te r m i n a l
No. Wire
color ItemIgnition
switch Condition Vo l ta g e
(V)
1LCAN-H — — —
11 P C A N - L — — —
21 R/W Power supply from BAT OFF — Battery voltage
22 W Power supply from IGN ON — Battery voltage
29 B Ground (Power) ON — Approx. 0
30 B Ground ON — Approx. 0
35 LG Power supply from ACC ACC — Battery voltage
39 Y Ambient sensor — — —
40 BR/W In-vehicle sensor — — —
41 P Intake sensor — — —
42 R/Y Compressor ON signal ON A/C switch: ON
(Blower motor operates.)
Approx. 0
OFF switch: ON
(A/C system: OFF)
SJIA1423J
3AA93ABC3ACD3AC03ACA3AC03AC63AC53A913A773A893A873A873A8E3A773A983AC73AC93AC03AC3
3A893A873A873A8F3A773A9D3AAF3A8A3A8C3A863A9D3AAF3A8B3A8C
Page 448 of 3924

TROUBLE DIAGNOSISATC-43
< SERVICE INFORMATION >
C
DE
F
G H
I
K L
M A
B
AT C
N
O P
Self-Diagnosis FunctionINFOID:0000000001328181
DESCRIPTION
The self-diagnosis system diagnoses sensors, door motors, blower motor, etc. by system line. Refer to appli-
cable sections (items) for details. Shifting from norma l control to the self-diagnosis system is accomplished by
starting the engine (turning the ignition switch ON) and pr essing OFF switch for at least 5 seconds. The OFF
switch must be pressed within 10 seconds after starting the engine (ignition switch is turned ON). This system
will be canceled by either pressing AUTO switch or turn ing the ignition switch OFF. Shifting from one step is
accomplished by means of pressi ng temperature control switch (driver side), as required.
43 G/B A/C LAN signal ON —
45 PU/WECV (Electric Control Valve)
signal ONSelf-diagnosis. STEP-4
(Code No. 45)
46 L/W Power supply for IGN2 ON — Battery voltage
49 W/G Sensor ground ON — Approx. 0
50 LG Sunload sensor — — —
53 G Blower motor control signal ON Blower speed: 1st speed (man-
ual)
54 Y/R Power supply for each door
motor ON — Battery voltage
57 BR/Y Blower motor ON signal ON A/C switch: ON
(Blower motor operates.)
Approx. 0
OFF switch: ON
(A/C system: OFF)
Te r m i n a l
No. Wire
color ItemIgnition
switch Condition Vol tag e
(V)
SJIA1453J
SJIA1607E
SJIA1454J
SJIA1474J
3AA93ABC3ACD3AC03ACA3AC03AC63AC53A913A773A893A873A873A8E3A773A983AC73AC93AC03AC3
3A893A873A873A8F3A773A9D3AAF3A8A3A8C3A863A9D3AAF3A8B3A8C