Page 3249 of 3924
INTERIOR ROOM LAMPLT-147
< SERVICE INFORMATION >
C
DE
F
G H
I
J
L
M A
B
LT
N
O P
TKWM4316E
3AA93ABC3ACD3AC03ACA3AC03AC63AC53A913A773A893A873A873A8E3A773A983AC73AC93AC03AC3
3A893A873A873A8F3A773A9D3AAF3A8A3A8C3A863A9D3AAF3A8B3A8C
Page 3250 of 3924
LT-148
< SERVICE INFORMATION >
INTERIOR ROOM LAMP
TKWH0231E
3AA93ABC3ACD3AC03ACA3AC03AC63AC53A913A773A893A873A873A8E3A773A983AC73AC93AC03AC3
3A893A873A873A8F3A773A9D3AAF3A8A3A8C3A863A9D3AAF3A8B3A8C
Page 3251 of 3924
INTERIOR ROOM LAMPLT-149
< SERVICE INFORMATION >
C
DE
F
G H
I
J
L
M A
B
LT
N
O P
TKWM4317E
3AA93ABC3ACD3AC03ACA3AC03AC63AC53A913A773A893A873A873A8E3A773A983AC73AC93AC03AC3
3A893A873A873A8F3A773A9D3AAF3A8A3A8C3A863A9D3AAF3A8B3A8C
Page 3252 of 3924
LT-150
< SERVICE INFORMATION >
INTERIOR ROOM LAMP
TKWM4318E
3AA93ABC3ACD3AC03ACA3AC03AC63AC53A913A773A893A873A873A8E3A773A983AC73AC93AC03AC3
3A893A873A873A8F3A773A9D3AAF3A8A3A8C3A863A9D3AAF3A8B3A8C
Page 3253 of 3924
INTERIOR ROOM LAMPLT-151
< SERVICE INFORMATION >
C
DE
F
G H
I
J
L
M A
B
LT
N
O P
TKWM4319E
3AA93ABC3ACD3AC03ACA3AC03AC63AC53A913A773A893A873A873A8E3A773A983AC73AC93AC03AC3
3A893A873A873A8F3A773A9D3AAF3A8A3A8C3A863A9D3AAF3A8B3A8C
Page 3254 of 3924
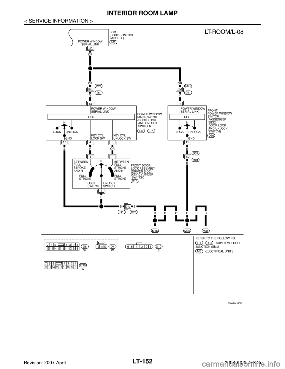
LT-152
< SERVICE INFORMATION >
INTERIOR ROOM LAMP
TKWM4320E
3AA93ABC3ACD3AC03ACA3AC03AC63AC53A913A773A893A873A873A8E3A773A983AC73AC93AC03AC3
3A893A873A873A8F3A773A9D3AAF3A8A3A8C3A863A9D3AAF3A8B3A8C
Page 3255 of 3924

INTERIOR ROOM LAMPLT-153
< SERVICE INFORMATION >
C
DE
F
G H
I
J
L
M A
B
LT
N
O P
Terminal and Reference Value for BCMINFOID:0000000001328410
Te r m i n a l No. Wire
color Signal name Measuring condition
Reference value
Ignition
switch Operation or condition
1PU Ignition keyhole illumi-
nation signal
OFFIgnition keyhole
illumination Illuminated Battery voltage
Not illuminated Approx. 0 V
12 P/B Front door switch (pas-
senger) signal OFF
Front door switch
(passenger side) ON (open) Approx. 0 V
OFF (closed)
Approx. 7.5 - 8.0 V
13 P/L Rear door switch RH
signal OFFRear door switch
RH ON (open) Approx. 0 V
OFF (closed) Battery voltage
22 OR Power window switch
serial link —Power window
main switch (door
lock and unlock
switch) and power
window sub-
switch (front pas-
senger side) (door
lock and unlock
switch) Lock or unlock switch
ON
NOTE:
Approx. 10 seconds
after door lock and un-
lock switch (driver side
and passenger side) is
turned “LOCK” or “UN-
LOCK”.
Approx. 9.0 - 9.5 V
OFF Battery voltage
37 B/W Key-in detection switch
signal OFFVehicle key is removed. Approx. 0 V
Vehicle key is inserted. Battery voltage
38 W/L Ignition power supply ON — Battery voltage
39 L CAN − H— — —
40 P CAN − L— — —
41 R/B Battery saver output
signal OFF
30 minutes after ignition switch is turned to
OFF Approx. 0 V
ON — Battery voltage
42 L/R Battery power supply OFF — Battery voltage
47 Y/R Step lamp signal OFF Any door is open (ON) Approx. 0 V
All doors are closed (OFF) Battery voltage
48 PU/W Interior room lamp,
map lamp, front door
inside handle and rear
door inside handle illu-
mination output signal OFF Any door switch
ON (open) Approx. 0 V
OFF (closed) Ba ttery voltage
49 B Ground ON — Approx. 0 V
52 B Ground ON — Approx. 0 V
55 G Battery power supply OFF — Battery voltage
58 L Back door switch sig-
nal OFFBack door closure
motor (door
switch) ON (open) Approx. 0 V
OFF (closed) Battery voltage
SKIB3419J
PKIC0930E
3AA93ABC3ACD3AC03ACA3AC03AC63AC53A913A773A893A873A873A8E3A773A983AC73AC93AC03AC3
3A893A873A873A8F3A773A9D3AAF3A8A3A8C3A863A9D3AAF3A8B3A8C
Page 3256 of 3924

LT-154
< SERVICE INFORMATION >
INTERIOR ROOM LAMP
How to Proceed with Trouble Diagnosis
INFOID:0000000001328411
1. Confirm the symptom or customer complaint.
2. Understand operation description and function description. Refer to LT-138, "
System Description".
3. Perform Preliminary Check. Refer to LT-154, "
Preliminary Check".
4. Check symptom and repair or r eplace the cause of malfunction.
5. Does interior room lamp operate normally ? If YES, GO TO 6. If NO, GO TO 4.
6. INSPECTION END
Preliminary CheckINFOID:0000000001328412
CHECK FOR POWER SUPPLY AND GROUND CIRCUIT
1.CHECK FUSES
Check for blown fuses.
Refer to LT- 1 4 5 , "Wiring Diagram - ROOM/L -".
OK or NG
OK >> GO TO 2.
NG >> If fuse is blown, be sure to eliminate caus e of malfunction before installing new fuse. Refer to PG-
3.
2.CHECK POWER SUPPLY CIRCUIT
1. Turn ignition switch OFF.
2. Disconnect BCM connector.
3. Check voltage between BCM harness connector and ground.
OK or NG
62 W Front door switch (driv-
er side) signal
OFFFront door switch
(driver side) ON (open) Approx. 0 V
OFF (closed)
Approx. 7.0 - 7.5 V
63 P Rear door switch LH
signal OFF
Rear door switch
LH ON (open) Approx. 0 V
OFF (closed) Ba
ttery voltage
Te r m i n a l
No. Wire
color Signal name Measuring condition
Reference value
Ignition
switch Operation or condition
PKIB4960J
Unit Power source Fuse and fusible link No.
BCM Battery M
22
Ignition switch ON or START position 1
(+) (-)Ignition switch position
BCM con- nector Te r m i n a l O F F O N
M3 38 GroundApprox. 0 V Battery voltage
M4 42 Battery voltage Battery voltage
55 Battery voltage Battery voltage
PKIA7520E
3AA93ABC3ACD3AC03ACA3AC03AC63AC53A913A773A893A873A873A8E3A773A983AC73AC93AC03AC3
3A893A873A873A8F3A773A9D3AAF3A8A3A8C3A863A9D3AAF3A8B3A8C