Page 9 of 54

FRONT WIPER AND WASHER SYSTEM
WW-9
C
D
E
F
G
H
I
J
L
MA
B
WW
Revision: 2006 November2007 350Z
NOTE:
Each OUTPUT terminal transistor is activated at 10 ms intervals. Therefore after switch is turned ON, electri-
cal loads are activated with time delay. But this time delay is so short that it cannot be detected by human
senses.
Operation Mode
The combination switch reading function has the operation modes shown below.
1. Normal status
–When BCM is not in sleep status, OUTPUT terminals (1 - 5) each turn ON-OFF every 10 ms.
2. Sleep status
–When BCM is in sleep status BCM enters low power mode. OUTPUT (1 - 5) turn ON-OFF every 60 ms,
and only input from light switch system is accepted.
CAN Communication System DescriptionNKS00521
CAN (Controller Area Network) is a serial communication line for real time application. It is an on-vehicle mul-
tiplex communication line with high data communication speed and excellent error detection ability. Many elec-
tronic control units are equipped onto a vehicle, and each control unit shares information and links with other
control units during operation (not independent). In CAN communication, control units are connected with 2
communication lines (CAN H line, CAN L line) allowing a high rate of information transmission with less wiring.
Each control unit transmits/receives data but selectively reads required data only.
CAN Communication UnitNKS00522
Refer to LAN-48, "CAN System Specification Chart" .
PKIC4919E
Page 10 of 54
WW-10
FRONT WIPER AND WASHER SYSTEM
Revision: 2006 November2007 350Z
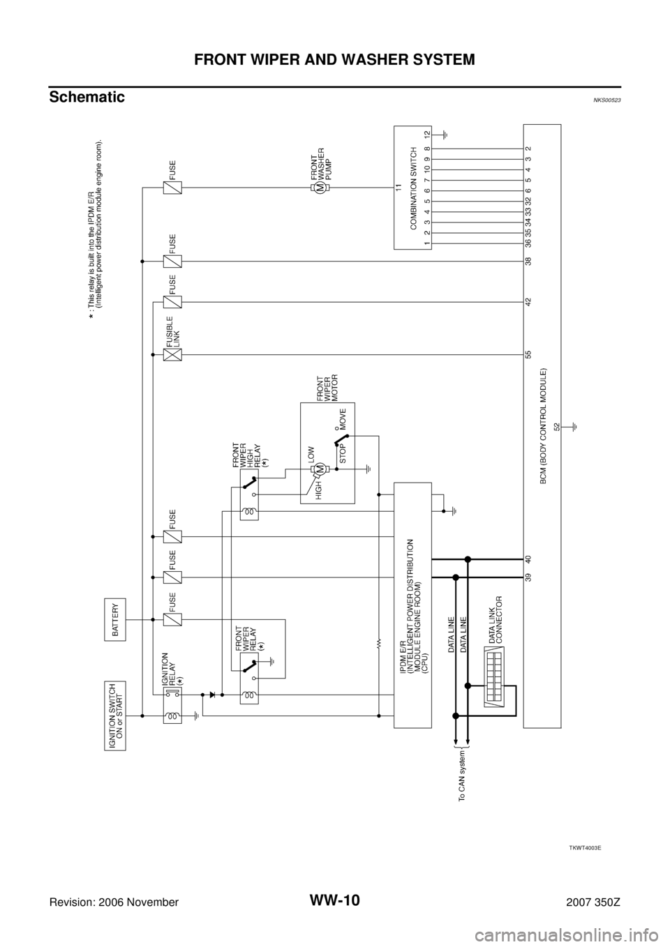
SchematicNKS00523
TKWT4003E
Page 11 of 54
FRONT WIPER AND WASHER SYSTEM
WW-11
C
D
E
F
G
H
I
J
L
MA
B
WW
Revision: 2006 November2007 350Z
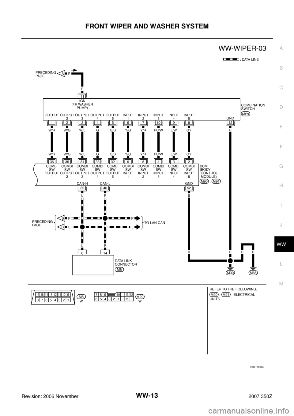
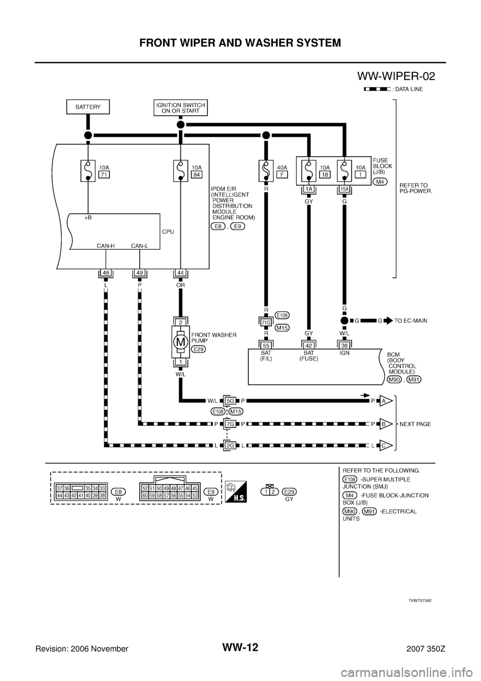
Wiring Diagram — WIPER —NKS00524
TKWT5737E
Page 12 of 54
WW-12
FRONT WIPER AND WASHER SYSTEM
Revision: 2006 November2007 350Z
TKWT5738E
Page 13 of 54
FRONT WIPER AND WASHER SYSTEM
WW-13
C
D
E
F
G
H
I
J
L
MA
B
WW
Revision: 2006 November2007 350Z
TKWT4006E
Page 14 of 54

WW-14
FRONT WIPER AND WASHER SYSTEM
Revision: 2006 November2007 350Z
Terminals and Reference Values for BCMNKS00525
CAUTION:
Check combination switch system terminal waveform under the loaded condition with lighting
switch, turn signal switch and wiper switch OFF not to be fluctuated by overloaded.
Turn wiper dial position to 4 except when checking waveform or voltage of wiper dial position.
Wiper dial position can be confirmed on CONSULT-III. Refer to WW-19, "
DATA MONITOR" .
Te r -
minal
No.Wire
colorSignal nameMeasuring condition
Reference value
Ignition
switchOperation or condition
4PU/WCombination
switch input 3ONLighting, turn,
wiper switch
(Wiper intermit-
tent dial position 4)OFF Approx. 0 V
Any of the conditions below
Front wiper switch MIST
Front wiper switch INT
Front wiper switch LO
Approx. 1.0 V
5Y/RCombination
switch input 2ONLighting, turn,
wiper switchOFF
(Wiper intermittent dial position 4)Approx. 0 V
Any of the conditions below
Front washer switch
Wiper intermittent dial position 1
Wiper intermittent dial position 5
Wiper intermittent dial position 6
Approx. 1.0 V
PKIB4959J
PKIB4959J
Page 15 of 54

FRONT WIPER AND WASHER SYSTEM
WW-15
C
D
E
F
G
H
I
J
L
MA
B
WW
Revision: 2006 November2007 350Z
6Y/GCombination
switch input 1ONLighting, turn,
wiper switchOFF
(Wiper intermittent dial position 4)Approx. 0 V
Any of the conditions below
Front wiper switch HI
Wiper intermittent dial position 3
Approx. 1.0 V
Any of the conditions below
Wiper intermittent dial position 1
Wiper intermittent dial position 2
Approx. 1.7 V
Any of the conditions below
Wiper intermittent dial position 6
Wiper intermittent dial position 7
Approx. 0.8 V
32 G/BCombination
switch output 5ONLighting, turn,
wiper switchOFF
(Wiper intermittent dial position 4)
Approx. 7.2 V
Any of the conditions below
Wiper intermittent dial position 1
Wiper intermittent dial position 2
Wiper intermittent dial position 6
Wiper intermittent dial position 7
Approx. 1.0 V Te r -
minal
No.Wire
colorSignal nameMeasuring condition
Reference value
Ignition
switchOperation or condition
PKIB4959J
PKIB4952J
PKIB4955J
PKIB4960J
PKIB4956J
Page 16 of 54
WW-16
FRONT WIPER AND WASHER SYSTEM
Revision: 2006 November2007 350Z
33 GCombination
switch output 4ONLighting, turn,
wiper switchOFF
(Wiper intermittent dial position 4)
Approx. 7.2 V
Any of the conditions below
Wiper intermittent dial position 1
Wiper intermittent dial position 5
Wiper intermittent dial position 6
Approx. 1.2 V
34 W/LCombination
switch output 3ONLighting, turn,
wiper switchOFF
(Wiper intermittent dial position 4)
Approx. 7.2 V
Any of the conditions below
Wiper intermittent dial position 1
Wiper intermittent dial position 2
Wiper intermittent dial position 3
Approx. 1.2 V
35 W/GCombination
switch output 2ONLighting, turn,
wiper switch
(Wiper intermit-
tent dial position 4)OFF
Approx. 7.2 V
Any of the conditions below
Front wiper switch INT
Front wiper switch HI
Approx. 1.2 V Te r -
minal
No.Wire
colorSignal nameMeasuring condition
Reference value
Ignition
switchOperation or condition
PKIB4960J
PKIB4958J
PKIB4960J
PKIB4958J
PKIB4960J
PKIB4958J