Page 722 of 800
MANUAL AIR CONDITIONER
CIRCUIT DIAGRAMS90-258
MANUAL AIR CONDITIONER (CONTINUED)
BATTERYA/C-ECU
RELAY
BOX
A/C COMPRESSOR
RELAY
A/C COMPRESSOR
A/C
REFRIGERANT
TEMPERATURE
SWITCH
MAGNETIC
CLUTCHLOW-
PRESSURE
SIDE
HIGH-
PRESSURE
SIDE
DUAL
PRESSURE
SWITCH
ENGINE-
ECU
ENGINE-
A/T-ECU
(FUSE )5
Page 723 of 800
MANUAL AIR CONDITIONER
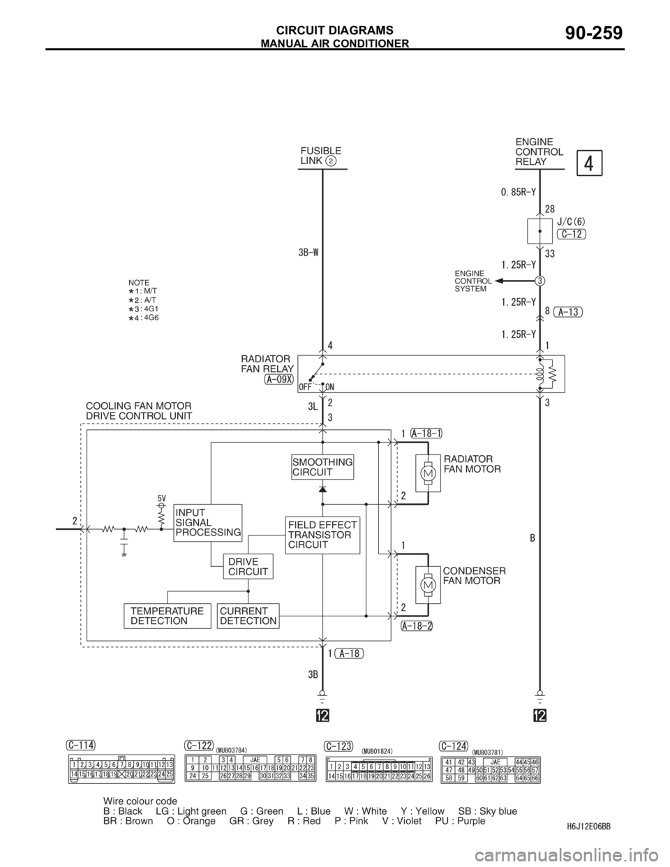
CIRCUIT DIAGRAMS90-259
FUSIBLE
LINK2
RADIATOR
FAN RELAY
SMOOTHING
CIRCUIT
INPUT
SIGNAL
PROCESSING
DRIVE
CIRCUIT
TEMPERATURE
DETECTIONCURRENT
DETECTIONRADIATOR
FAN MOTOR COOLING FAN MOTOR
DRIVE CONTROL UNIT
CONDENSER
FAN MOTOR
NOTE
: M/T
: A/T
: 4G1
: 4G6
FIELD EFFECT
TRANSISTOR
CIRCUIT
Wire colour code
B : Black LG : Light green G : Green L : Blue W : White Y : Yellow SB : Sky blue
BR : Brown O : Orange GR : Grey R : Red P : Pink V : Violet PU : PurpleENGINE
CONTROL
RELAY
ENGINE
CONTROL
SYSTEM
Page 724 of 800
MANUAL AIR CONDITIONER
CIRCUIT DIAGRAMS90-260
MANUAL AIR CONDITIONER
M1901005502060
IGNITION
SWITCH (IG2) FUSIBLE
LINK1
BLOWER
RELAY
BLOWER
SWITCH
RESISTOR
BLOWER
MOTOR
Page 725 of 800
MANUAL AIR CONDITIONER
CIRCUIT DIAGRAMS90-261
REAR WINDOW
DEFOGGER AND
DOOR MIRROR
HEATER
HEATER CONTROL PANEL OUTSIDE/INSIDE
AIR SELECTION
DAMPER CONTROL
MOTORTAIL LAMP
RELAY FRONT-ECU
A/C-ECU
RHEOSTAT
TAIL LAMP, POSITION
LAMP, LICENCE
PLATE LAMP AND
LIGHTING MONITOR
BUZZER
AIR THERMO
SENSOR
RELAY
BOX
Wire colour code
B : Black LG : Light green G : Green L : Blue W : White Y : Yellow SB : Sky blue
BR : Brown O : Orange GR : Grey R : Red P : Pink V : Violet PU : Purple
Page 726 of 800
MANUAL AIR CONDITIONER
CIRCUIT DIAGRAMS90-262
MANUAL AIR CONDITIONER (CONTINUED)
BATTERYA/C-ECU
RELAY
BOX
A/C COMPRESSOR
RELAY
A/C COMPRESSOR
A/C
REFRIGERANT
TEMPERATURE
SWITCH
MAGNETIC
CLUTCHLOW-
PRESSURE
SIDE
HIGH-
PRESSURE
SIDE
DUAL
PRESSURE
SWITCH
ENGINE-
ECU
ENGINE-
A/T-ECU
(FUSE )5
Page 727 of 800
MANUAL AIR CONDITIONER
CIRCUIT DIAGRAMS90-263
FUSIBLE
LINK2
ENGINE
CONTROL
RELAY
RADIATOR
FAN RELAY
SMOOTHING
CIRCUIT
INPUT
SIGNAL
PROCESSING
DRIVE
CIRCUIT
TEMPERATURE
DETECTIONCURRENT
DETECTIONRADIATOR
FAN MOTOR COOLING FAN MOTOR
DRIVE CONTROL UNIT
CONDENSER
FAN MOTOR
NOTE
: M/T
: A/T
: 4G1
: 4G6
FIELD EFFECT
TRANSISTOR
CIRCUIT
Wire colour code
B : Black LG : Light green G : Green L : Blue W : White Y : Yellow SB : Sky blue
BR : Brown O : Orange GR : Grey R : Red P : Pink V : Violet PU : Purple
ENGINE
CONTROL
SYSTEM
Page 728 of 800
AUTOMATIC AIR CONDITIONER
CIRCUIT DIAGRAMS90-264
AUTOMATIC AIR CONDITIONER
AUTOMATIC AIR CONDITIONER M1901005600942
1FUSIBLE
LINKIGNITION
SWITCH (IG2)
BLOWER
RELAY
BLOWER
MOTOR
BATTERY
BACK-UP A/C-ECU
Page 729 of 800
AUTOMATIC AIR CONDITIONER
CIRCUIT DIAGRAMS90-265
Wire colour code
B : Black LG : Light green G : Green L : Blue W : White Y : Yellow SB : Sky blue
BR : Brown O : Orange GR : Grey R : Red P : Pink V : Violet PU : Purple
TAIL LAMP
RELAY FRONT-ECU
RELAY
BOX
TAIL LAMP,
POSITION LAMP,
LICENCE PLATE
LAMP AND LIGHTING
MONITOR BUZZER
A/C-ECU
OUTSIDE
THERMO
SENSOR INSIDE AIR
TEMPERATURE
SENSOR
RHEOSTAT