Page 224 of 330
Electrical equipment
Component location
Marea-Marea Weekend
2000 range ©
HEADLAMP ALIGNMENT CORRECTOR
Component key
3 Direction indicator
4 Junction unit
5 Dipped headlamps relay
7 Stalk unit
8 Left front earth
10 Engine battery earth
11 Battery
12 Ignition switch
13 Connection between right/left front cables
42 Right facia earth
43 Electric actuator for left headlamp align
ment corrector
44 Electric actuator for right headlamp align
ment corrector
45 Headlamp alignment control unit
310 Connection bridge
P4F848N01
55.
Dipped headlamps relay feed
* HR4F
*Rn.d.
HL310C
*N42
7B Steering column switch unit
LR 4F
* AN n.d
GV310B
1 3 Connection between right/left front cables
*G44
H2A
44 Electric actuator for right headlamp alignment corrector
45 Headlamp alignment control unit
The cables involved in the wiring diagram are marked with an asterisk.
38 Print n° 506.763/23
Page 231 of 330
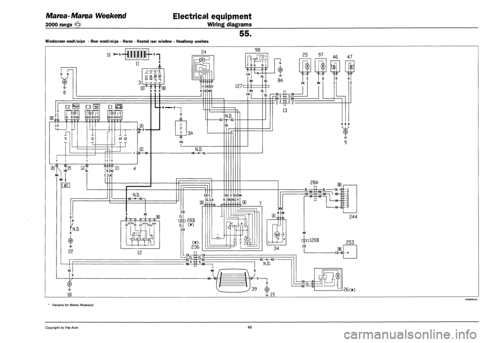
Marea-Marea Weekend
2000 range ©
Electrical equipment
Wiring diagrams
55.
WINDSCREEN WASH/WIPE - REAR WASH/WIPE - HORNS - HEATED REAR WINDOW - HEADLAMP WASHERS
N N
(0)
io ^N4il!!!!rhi
R
T4 n
„ _. W P Z m m
h w ^ ^ Lu i—i
L£ ^jj
B M R H
E2 S E3 Lffl El
z n 30 876586
1110 Li-
JT1
5
8685308787 R>frl
8685308787 k|.U-.'J
T-
0
14 13
T
4 1
ife" +B 5+ titt HR BL
MN i
MN
5-2—HN-
AG LTJ
LN
98
1
4 3A
P 30 31
l_N.
P 30 31 56 S
127c
HL
RN SG
N
(®)
8A
RN HL VN
-SG
VN I
N.D, -HN—•—HL-
N.D, AG—•— AG -i
N,D, N
(0)
22
B AG
tr~T rf 'I' Y ti J. 15/541 l.lrrt/iil DOS I 15/54 J. , I lnt/a J pos 30 50 Int s-tazK
31
12
N.D. SG
SG
SG S GV HN
SG •RN: S -*- S -SN-
-RN-
13
NZ !
18
25 97
SN
46 47
RN
IZJ 123 N N
N N N
28A
I—AR-
-MB-•MB -BL-
^n HM" •AR—i
— BL
"L MB
L
nu— ? —
HM — y —
9 • 10 11 • 12 • 13 • 14 • 15 • 16 • 17
244
1120B 253
-cB-e-16
M
U 26<*)
Variants for Marea Weekend
Copyright by Fiat Auto 45
Page 232 of 330

Electrical equipment
Component location
Marea-Marea Weekend
2000 range ©
WINDSCREEN WASH/WIPE - REAR WASH/WIPE - HORN - HEATED REAR WINDOW - HEADLAMP WASHERS
Component key
3 Power fusebox
4 Junction unit
7 Stalk unit
8 Left front earth
9 Right front earth
10 Engine battery earth
11 Battery
12 Ignition switch
13 Connection between right/left front cables
18 Left rear earth
19 Right rear earth
22 Left facia earth
24 Windscreen wiper motor
25 Front/rear washer pump
26 Rear wiper motor
28 Connection between facia/rear cables
34 Switch control unit
39 Heated rear window
46 Left low tone horn
47 Right high tone horn
97 Headlamp washer pump
98 Headlamp washer intermittence
120 Connection for air conditioning unit ca
bles
127 Connection between front left cable/cable
on relay holder bracket
236 Connection between rear cables and tail
gate
244 Integrated services control system
253 Air conditioner control unit
55.
Connection between right/left front cables
28A Facia/rear lead connection
RN n.d.
GN 309
NZ 22
HG 6B
28 B Facia/rear lead connection
BN 31 OA S 120B HG 70
Z120B
MN n.d.
HV70
NZ 31 OA
236 Connection betwen rear lead and tail-gate
* CB 28B
HL4E
RG4G
Marea Weekend
RN n.d.
GN4G NZ 56 AR 244B *
MB 244B *
V107A
CL 236 *
CB26*
* The cables involved in the wiring diagram are marked with an asterisk.
46 Print n° 506.763/23
Page 268 of 330
Electrical equipment
Connector blocks
Marea-Marea Weekend
2000 range ©
55.
1 Left front light cluster
B
GL 70
Polyelliptical headlamps (*) wire not connected
N8
1 Left front light cluster
VN4C
AV4D
HN 4C
Reflector headlamps
B
AN n.d.
N8
2 Right front light cluster
B
GV13
Polyelliptical headlamps
GV n.d
V13
N9
2 Right front light cluster
V13
GV13
B
A n.d.
82 Print n° 506.763/23
Page 270 of 330
Electrical system
Connector blocks
Marea-Marea Weekend
2000 range ©
55.
3B Power fusebox 3C Power fusebox
4A Junction unit 4B Junction unit
Rn.d.
4Q Junction unit 4Q Junction unit
JTD | MB 151
RN 120A .
1998 | MB (127)
1596 MB n.d..
* Parabola headlamps
4E Junction unit
(*) RG 16
GR66
(*)RN 17
GR17
HL14
MN 39
MB 56
(**) RG 16 / L RN 17 (**)
Marea (*) with Check (") without Check
AN 16
_._ Rn.d. ca
R41
4E Junction unit
(*) RN 17
GR66
(*)RG 16
GR 17
HL 236B
MN 39
MB 56
(**)RG 16
RN n.d.
AN 16
.._ Rn.d. cs
R236B
RN 17(")
Marea Weekend (*) with Check (**) without Check 4F084ML10 |
84 XII-00 - Supeisedes previous version Publication no, 506.763/24
Page 271 of 330
Marea - Ma tea Weekend
2000 range ©
Electrical system
Connector blocks
55.
4F Junction unit
G 12B
4G Junction unit
GN 28A
A17
GN 16
RN 107A RN245
RN 107B
Marea
4G Junction unit
GN28A GN 28A
HB 236B A 17
B 17
RN n.d.
RN 107B
Marea Weekend
4H Junction unit
Rn.d. AN 23B
RN 6B (*)
A23B
(*) RV 6B MN n.d. (.)
• Thermal fuse (*) only versions with Check
41 Junction unit
AV_
CB n.d.
AR23A
4J Junction unit 5 Dipped headlamp control relay
AG 70
(*) RG 6B
Rn.d.
GN69
HR4F
Rn.d.
HL310C
GN 48A
(*) only versions with Check
GN n.d.
Copyright by Fiat Auto XII 00 - Supersedes previous version 85
Page 281 of 330
Marea- Marea Weekend
2000 range ©
Electrical equipment
Connector blocks
55.
41 Additional brake light
V236B
NZ n.d
Marea Weekend
43 Left headlamp alignment correction ac
tuator
H4D
45 Headlamp alignment control unit
G4D
47 Right high tone horn
42 Right dashborad earth
44 Right headlamp alignment correction
actuator
HB 13
46 Left low tone horn
48A Radio receiver with clock
BN 319
Copyright by Fiat Auto 95
Page 288 of 330
Electrical equipment
Connector blocks
Marea- Marea Weekend
2000 range ©
55.
90 Switch signalling handbrake applied
BN 28A
92A Electric sun-roof lead connection
92A Electric sun-roof lead connection QC Connection between front cables/anti-
5,0 lock brakes A.B.S.
C244C
R28C
LN 375
QC Power fues protecting anti-lock brakes
00 A.B.S. 97 Electric headlamp washer pump
Rn.d. N9
RN 13
R 11
98 Headlamp washer intermittent function
N8A.
VN 127
1 00A Alarm electronic control unit
G 105A
102 Print n° 506.763/23