Page 732 of 759
2
RED/VIO
HOT
IN
ACCY,
RUNAND
START
fi
FUSEI
FRONTPOWER
J
j
DISTRIBUTION
BOX
V
30A
I
84194
2
RED/VIO
HOTATALLTIMES
r
FUSE1FRONT
POWER
Fl
DISTRIBUTION
BOX
L
soA
Power
Sunroof
NCA
SUNROOFSUNROOF
SUNROOF
CONTROL
SWITCH
-_
MOTOR
ASSEMBLY
M
I
STEP-BY-
MICROSWITCH
--
STEP
SWITCH
ELECTRICAL
WIRING
DIAGRAMS
ELE-249
NCA
.1911
2y
BRNI
AL
G203
INTERIOR
LIGHTS
GRY/RED
r
SYSTEM
6
OPENCLOSE
4
3
BRNNI
BLK/YES
WHT/YELl
1
X272
X13176
2X272
3T
11
X13176
N
BLK/REDI
BLK/GRN
1q
10
BRN
I
BODY
ELECTRONICS
I
~CONTROLMODULE
1
I
i
(ZKE
IV)
SUNROOF
SWITCH
SUNROOFCONTROL
ASSEMBLY
1995
Except
318ti
1996-97
Except
318ti
Page 733 of 759
ELE-250
ELECTRICAL
WIRING
DIAGRAMS
104866
HOTATALLTIMES
FUSE
,
FRONT
POWER
F1
DISTRIBUTION
BOX
L
30A
~-
-
J
I
INTERIOR
LIGHTS
RED/V10
GRY/RED
r
SYSTEM
Power
Sunroof
1998Except
318ti
3
OPEN
i
CLOSE
.7
OFF
4
L
2
1
t
BRN
BLK/YEL
WHT/YEL
X272
6
5
4
X13176
2
X272
3
1
X
3176
t
BRN
BLK/RED
BLK/G
RN
18
19
SUNROOF
SWITCH
SUNROOFCONTROL
ASSEMBLY
BRN
BODYELECTRONICS
I
CONTROLMODULE
~-
G203
I
i
(ZKE
IV)
Page 734 of 759
84238
GRY/RED
84240
INTERIOR
LIGHTS
SYSTEM
HOTAT
ALL
TIMES
FRONT
POWER
DISTRIBUTIONBOX
-
.I
RED
RED
OMFORT
------
-
-
----------
RELAYC
T
2
REDIBLU~
REDIBLU
1
19I
X13254
r
-
FRONTPOWER
BODY
I
FUSE
I
DISTRIBUTION
BOX
I
ELECTRONICS
I
I
I
CONTROL
I
30
.4
J
I
-
I
MODULE_
2
-
REDIVIDI
NCA
ELECTRICAL
WIRING
DIAGRAMS
ELE-251
Power
Sunroof
HOTATALLTIMES
6
RED/VI
1
SUNROOF
SWITCH
NCAI
.L2
BRNI
BRNI
1
G203
BLKIYELI
WHT/YELI
BRNI
BLK/GRNI
BLKIRED
1u
18j,
X132
54
.
r
1
BOGY
I
ELECTRONICS
I
I
CONTROL
I
-
-
--
MODULE
1995
Early
SUNROOF
Production
CONTROLASSEMBLY
3
18ti
SUNROOFCONTROL
ASSEMBLY
1995
Late
2T
Production
&
BRN1
1996-98
318ti
BRN
s
Sliding
Sunroof
I
t
G203
Page 735 of 759
ELE-252
ELECTRICAL
WIRING
DIAGRAMS
88588
SL
BLK
104876
8
GRN
GRN
HOTATALLTIMES
FflONT
POWER
DISTRIBUTION
BOX
BLK/GRN
RED/BL
.
I
19
r
FUSEIFRONTPOWER
I
-
-
I
BODY
DISTRIBUTION
BOX
ELECTRONICS
F1
I
ICONTROL
Z30A
J
-
I
MODULE
RED/V1110'
1997
NCA
SUNROOF
318ti
Folding
SUNROOF
SUNROOFCONTROL
Sunroof
SWITCH
-_
MOTORASSEMBLY
M
~E~7
111
3
BLKIGRN
BLK/GRN
Power
Sunroof
STEP
-BY
I
.
MICROSWITCH
1
---
SWITCH
7
BLK/RED
BLKIRED
U
2J
.1
191
181
X7325
I
I
I
FOLDING
BODY
SUNROOF
ELECTRONICS
MOTOR
CONTROL
MODULE
HOTATALLT_IMES
FPONTPOWER
-
i
DISTRIBUTIONBOX
RED
REDIV
1
IO
9
BLK/YEL
NCA
BRNI
BRNI
1
G203
r
-
FRONTPOWER
FUSE
DISTRIBUTIONSOX
F1
II
,30A
J
4
BLK/YEL
TIP
CLOSE
OPEN
GRY/RED
6
SRN
FOLDING
4
SUNROOF
BRN
1
SWITCH
FOLDING
SUNROOF
COMFORTRELAY
1998
318ti
Folding
Sunroof
Page 736 of 759

I
671-E
L
I
11~V/HT/G
RN
I
-
3
BLKIYEL
CTRL
BIG
4
SLUIRED
,
CTRLSIG
I
5
GRV/RED
END
B
BRN
SPIN
G205
'
X11399
CONVERTIBLETOPDONTRGLMODULE
BODY
ELECTRONICS
CONTROL
MODULE
(ZKEIV)
03584
I
.
SPIN
BLK/BLU
I
-
_
I
w
HARD
OFCONNECTOR1
(IN
CONVERTIBLE
TOP
BR
B~
G~
RN/BLK
REARWINDOWBLOWER
MICRO
SWITCH
9
WHT/BLK
10
WHT/BLU
DEFOGGERSYSTEMBRNI
j
G202
ELECTRICAL
WIRING
DIAGRAMS
ELE-253
Convertible
Top
1994-97
NANDSTART
HOTATA
,
~LLTIMES
HOTACCV,
-
RU
,,
NANDSTART
HOTAT
777
A
IIB
L~~LTIMES
HOTACCV,R
'
U~
HOT
AT
ALL
TIMES
r/FUSE--___-
/FUS
E
-------
FUSE
-_____-/FPOWER
FUS
US
FU
42E------~F27E
DINT
T
IDRSRBUTIONBOX
7
BLK/RED
B
BLU/GRN
CT
RLSIG
9
GRYIBLKCTRLSIG
12V
10
RED/GRNIYEL
J
X13
15fi
TRUNKLIOSIG
20
21
BRN/WHT
WHT/VELDATASIG
2223
WHT/BLU
ROLL-OV
ER
SIG
-
GRN1VI0
DATASIG
2425
BRNIORG
GNDPWRSUPPLY
2B
~
X]1]
`z4
DATASIG
-
II1
I.
INTERIORLIGHTS
SYSTEM
CONVERTIBLE
TOPMOTOR
BLK/BRN
GRV/RED
4
BRNIORG
1
BRN/ORG
2
BRN/ORG
tSUPPLY
I
YEL/BLU
2
BLK/BLU
PO
STN
SIG
3
BLU/VEL
PO
STN
SIG
4
VEL/BRN
END
LK/GRN
CTRLSIG
POSTNSIG
B6
VEL/GRN
x1
157
TOP
OPEN
BIG
1
2
BLK/BRN
14
WHT/VIO
DATA
SIG
GND
B
BLKIBLU
PWRSUPPLY
6
VIO/WHT
,7
l
REAR
WDO
BLWPSIG
B
GRNIBLK
10
WHT/GRN
DATA
SIG
11
12
GRN/GRY
LEFT
DATASIG
II
ROLLOVER
SPOSIG
1B
ILK
HT
PROTECTION
TOP
CLOSED
BIG
14
BLKIGRN
ACTUATOR
DATASIG
1S16
WHT/VEL
1716
19
WHTIVIO
VIO/GRN
1
GRN/VIO
2
BLK/WHT
3
BLKIBLU
4
GRN/GR
V
5
WHT/VIO
B
BRN/OR
G
7
BLK
I
VIO
10
BLKIGRN
11
BLKIGRN
am
BLK/VIO
BLK/BLU
BLKIWHT
ROLLOVERSENSOR
RIGHT
II
ROLLOVER
PROTECTION
ACTUATOR
BLK/GRN
57
CLOSE
OFF
N-H
CONVERTIBLE
TOP
ACTUATING
SWITCH
BRN/ORG-
f
I
BLK/BLU
BLK/
,
BRNIORRG
CONVERTIBLETOP
POSITION
MICRO
SWITCH
WHTIBLU
~~
BLU
CONVERTIBLE
TOP
END-POSITION
MICRO
SW
ITCH
BLKIRED
BLU
ELK-
.
/EEL
RED
BRN
/ORG
~~
BRN
LOCKED
WHT/BLK
~~
CRY
UNLOCKED
WINDSCREENCOWLPANEL
LOCK
CONVERTIBLE
TOP
STORAGE
MOTOR
MICROSwITCH
(1996-97)
Page 737 of 759

ELE-254
ELECTRICAL
WIRING
DIAGRAMS
CONVERTIBLETOP
CONTROL
MODULE
I
18
W
HT/RED
I
1
X1
3254
I
I
1
5
WHT/
YEL
I
17
11
WHTIGRN
I
__I
X13255
BODYELECTRONICS
CONTROL
MODULE
(ZKE
IV)
II
NCA
BLC
-/BL
U
I
NCA
,
BRN
I
__I
HARDTOP
CONNECTOR
1
REARWINDOW
BLOWER
MICRO
SWITCH
104867
,2
LOCKCTRL
;
CTRLSIG
4
8-t
.)/RED
TOPOPENSIG
Ir
J2
J3DA
TASIG
GND
PWRSUPPLY
J
7
HOTAT
HOTINRUN,
HOTAT
HOTINRUN
HOTINRUN,
HOTAT
ALLTIMES
ACCYANGSTART
ALLTIMES
7II
~~
ANOSTART
ACCYANDSTART
ALLTIMES
AUXILIARY
F
_
FUS
_
E
,
r
7`
7
F_US_E
_
_
FUSE
FUSE
FUSE
FUSE
~FRONT
POWER
FUSE
BOXI
=35
I
I
L
,F43-
_
F7
F24
F42
P27
1
1-
1DISTRIBUTIONBOX
L
20-J
S
.
S
.-0-7-0-
5A
_
j
L
SS
OUTPUT
CTRLSIG
5
GRYIRED
III
II
II
I
I
INSTRUMENTCLUSTER
N
GND
8
BR
~~
G904
I
VIO/GRN
2
LOCK
CTRL
1
7
BLK/RED
BLK/WHT
4
CTRLSIG
J3
BLU/GRN
-
8LK/BLU
B
"
CTRLSIG
9
GRYLK
II
II
I
IIIIII
III
GRN/BLK
8
12V
,
D
RED
IIIII
III
IIII
I
I
I
I
BRNIORG
~n
lzo-
WHT/BLU
12
BLK/VIO
11
isUPPLY
1
YEL/BLUWHTIVIO
20ITIONSIG
2
BLK/BLUBLK/GRN
21
..
.
POSITION
SIG
3
BLU/YEL
GND
4
YEL/BRN
ROLLOVER
SENSOR
BLKIGRN
II
q
RIGHTROLLO
ER
OUATOR
N
POSITION
SIG
l
iS
BLK/GRNCTRLSIG
18
YEL/GRN
157
8LK/BRN
WHT/VIO
BLK/BLU
VIO/WHT
REARBLOWER
18
GRNI.L
K
AL
G312
NN=A
(
BRN/YEL
DEFOGGER
SYSTEM
NCABLKNCA
BRN
Convertible
Top
1998
2
1
281
Xt00
]E
,41x19010
BIx1oo17
241x190]7141X70012
RED
'
WH1I
GRN
/I
G
BNKI
GRNIGRNI
VIO
GRN/VIO
23
DATA
LINK
W
~T
CONNECTOR
GqN
[
GRN/
J
VIOLj
_
ROLLOVER
I
ELK
GRN
I
PROTECTION
1
20Y
,BT
I
WARNING
I
I
HT/
WHTlBLU
10
IN
D
1
EL
J
9
DATA
SIG
1_10
WHT/GRN
11J
lz
SPEEDSIG
113
BLK/WHT
TOPCLOSESIG
I14
BLK/GRN
rrr
r
CONVERTIBLE
UNLOCK
LOCK
I
TOPMOTOR
WINOSCREENCOWLPANEL
LOCKMICROSWITCH
"
BLK
K/WHT
2
I
I
CONVERTIBLE
TOP-END
TRUNKLID
POSITION
MICROSWITCH
MICROSWITCH
BLKIVIOBLK/BLU
BLK/WHT
RED/GRN
BRN
LEFT
II
ROLLOVER
PROTECTION
ACTUATOR
CONVERTIBLETOPSTORAGE
LID
LOCK
MOTOR
Page 738 of 759

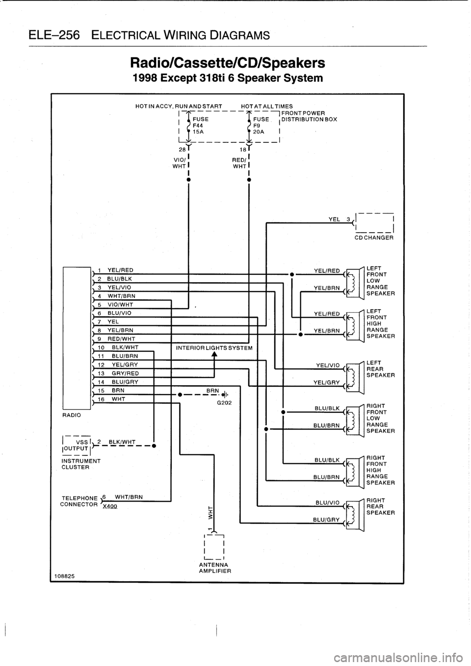
Radio/Cassette/CD/Speakers
RADIO
_I
ANTENNA
AMPLIFIER
AM/FM
1
YEL/RED
2
BLU/RED
3
YEL/VIO
4
WHT/BRN
5
VIO/WHT
6
BLU/VIO
I
VSSI
2
BLK/WHT
PUTPUTI
1
~
INSTRUMENT
CLUSTER
TELEPHONE
TRANSCEIVER
87730
RADIO
I
VSSI
2
BLKIWHT
I
pUTPuT
INSTRUMENTCLUSTER
WHT/
I
1
I
-
_
I
10
B
~
BE
R-N
TELEPHONETRANSCEIVERI
86095
TELEPHONEWHT/
CONNECTOR
6
BRN
X40
ELECTRICAL
WIRING
DIAGRAMS
ELE-255
HOTAT
HOT
INACCY,
ALLTIMES
RUNANDSTART
1994
TO
1996
1997
I
II
(I
_1
ANTENNA
AMPLIFIER
1993
I
1992
78
YEL/BRN
9
RED/WHT
10
BLK/WHT
11
BLUIBRN
12
YEL/GRY
f3
GRY/RED
INTERIOR
LIGHTS
14
BLU/GRY
SYSTEM
15
BRN
G202
6
WHT
20A
(1997)
Ll------
J__J
J--
1
--
1,
10
BLK
WHT/BRN
1
I
BLU/VIO
4
HOT
INACCY,RUNANDSTART
HOTAT
ALLTIMESFUSE
FUS,
FRONTPOWER
'
I
F44
F9
I
DISTRIBUTION
BOX
I
15A
(OTHERS)
20A
I
YEL/RED
2
BLU/RED
(1994-1996)
BLU/BLK
(7997)3
YEL/VIO
4
WHT/BRN
5
VIO/WHT
6
BLU/VIO
7
YEL
(1997
8
YEL/BRN
9
RED/WHT
10
BLK/WHT
11BLU/BRN
_12
YEL/GRY
13
GRY/RED
14
BLU/GRY
f5
BAN
BRN
{
16
WHT
6202
`
I
BLU/BLK
(1994-1996)
BLU/BLK
(1997)
-li
YEL/VIO
4
LEFT
REAR
YELIGRY
I
.,
SPEAKEF
6LU/RED
RIGHT
FRONT
8LU/BRN
LOW
RANGE
SPEAKEF
BLU/RED
2
BLU/BRN
I
ID
II
REAR
S
EAKEF
RIGHT
BLU/GRY
I,
BLU/RED
BLU/BRN
BLUIVIO
BLU/GRY
CD
CHANGER
(1997)
LEFT
FRONTLO
W
RANGE
`V
SPEAKER
1
99497
-
LEFT
FRONT
Except
318ti
HIGH
RANGE
SPEAKER
10
Speaker
RIGHT
FRNT"
BLU/BRN
`
1
y
I
ILO
RANGESPEAKER
RIGHT
FRONT
HIGH
RANGE
SPEAKEF
LEFT
REARSPEAKER
1992-93
LEFT
6
Speaker
FRONT
HIGH
System
RANGESPEAKE
RIGHT
FRONT
HIGH
RANGESPEAKER
RIGHT
REAR
SPEAKER
System
Page 739 of 759
ELE-256
ELECTRICAL
WIRING
DIAGRAMS
RADIO
VSS
I
2
BLK/WHT
(OUTPUT(}
-
---
-
-
"
INSTRUMENT
CLUSTER
TELEPHONE
6
W
HT/BRN
CONNECTOR
X40
0
108825
Radio/Cassette/CD/Speakers
1998Except
318ti
6
Speaker
System
HOT
INACCY,RUNANDSTART
HOTATALLTIMES
I
T
------7F-----j
FRONTPOWER
FUSE
.
I
DISTRIBUTION
BOX
F9
20A
I
FUSE
F44
15A
28Y
18Y
VIO/
RED/
WHTWHT
1
YEL/RED
.
YEL/RED
FRONT
LEFT
2
BLU/BLK
LOW
3
YEL/VIO
YEL/BRN
RANGE
4
WHT/BRN
SPEAKER
5
VIO/WHT
,
6
BLU/VIO
YEL/RED
LEFT
FRONT
7
YEL
HIGH
8
YEL/BRN
-
YEL/
"
I
SPEAKER
9
RED/WHT
10
BLK/WHT
11
BLU/BRN
12
YEL/GRY
13
GRY/RED
14
BLU/GRY
15
BRN
"
-
_
BRN,
~I
I
16
WHT
G202
INTERIOR
LIGHTS
SYSTEM
F2
I
I
~
.I
ANTENNA
AMPLIFIER
-I
YEL/VIO
YEL/GRY
BLU/BLK
RIGHT
--(
FRONT
LOW
BLU/BRN
{
l
SPEA
ER
BLU/BLK
BLU/BRN
BLU/VIO
BLU/GRY
CDCHANGER
LEFT
REAR
SPEAKER
RIGHT
FRONT
HIGH
RANGE
SPEAKER
RIGHT
REAR
SPEAKER