Page 709 of 759

ELE-226
ELECTRICAL
WIRING
DIAGRAMS
BB4B3
GROUND
.
1
BRN
ELECTRONICS
PASSENGER'S
12
BRN/BLUIYEL
DGOPOPEN
U
SUPPLY,
13
I
J
I~
3
RED/GRN
RED/GRN
TERMMAL30
(
--1~
RED/GRN
DRIVER'S
;
BRN/GRV/VEL
DOOROPEN
~T
I
5
WH~
7/VEL
DATA
LINK
"
TKDDIAG
B
WHT/VIO
DATA
LINK
-
"
VOLTAGE
SUPPLY,
TERMINALR
DRIVE-
DOOR
B
HANDLE
S
W
ITCH
I
,
WHT
ILK
BLU/GRV
BL
UU
1
)11
12
RIGHTREARDOOR
LOCKMOTOR
'
.203
BRN
"3
3
BRN
1
NCP
INERTIA
,13
SWITCH
WHT3
CRASHSIGNAL
:~j
14
BRN/BLK
-/-K
NIA
ELK
2
PASSENGER'S
~A
DOORLOCK
15
WHT/GRY
WHT/BLK
BLU/GRY
1
MOTOR
DRIVER'
S
D00
LOCK
ifi
WHTIBLK
WNT/BLK
5
MOT
ORLOCKED
PASSENGER'S
17
W
HT/BRN
/VEL
WHTIGRN
DOOR
LOCK
%
WHT/GRN'
UNLOCKED
DOOR
LOCK
RED/GRN
fi`
WHT
3
DRIVER'S
1E
WHT/GRN
COMFORT(
B
VIO/VEL
POWER
RELAY
CONTROL
WINDOWS
SYSTEM
GROUNDFOR
ZV
MOTOR
DRIV
E
CENTRAL
LOCKING
MODULE
MOTOR
MOTORUNLOCKED
10
WHT/RED
LOCK
CONTACT
j
-
FORARREST
TRUNKLOCK
520
WHT/GRN/VEL
MOTOR
LOCKED
2
TRUNKLOCK
21
MOTORUNLOCKED
2,23
24
WHTIREDIYEL
INTERFACETO
1
ANTI-THEFT
MOD
ULE(ALPINEI
X25
BLU/RED/YEL
`
26
/
X13412
LOCKIUNLOCK
1
.
BLK
CONTROL
7
BATTERY
p
qE0/GRN/VEL
VOLTAGE
FOR
7
ZVMOTOR
DRI
VE
RN
LOCK/UNLOCK
1
2
CONTROL
HT/BL
2
i
-~
TRUNK
LOCK
MOTOR
EXTERIOR
LIGHTS
SYSTEM
DATA
LINK
HOTATALLTIMES
HOT
AT
ALL
TIMES
HOT
IN
ACC,
RUNAND
START
CONNECTOR
IFRONTPOWER
FUSE
F7
51
20
Power
Door
Locks
FUSE
F35
FUSE
F43
I
DISTRIBUTION
BOX
I
5A
25A
5A
!
_______________
.
____________
147X14475
10
,
x
PASSENGER'S
DOOR
LOCK
SWITCH
1992
VIO/WHT
PASSENGER'S
I
SIDE
POWER
ELK
2
ELl1G
1RY
1
LEFTREARDOORLOCKMOTOR
WHT
3Y
~
-
DRIYEWS
DOOR
LOCKMOTOA
BLK
2
I
-
INSTRUMENT
I
BLU/GRV
7
I
DRIVER'S
ICLUSTER
I
DOOR
WHT/BLK
B
C
OPE=
-I
23
Y
WHT/GRN
4
I
IWINDOWMODULE
I
RED/GRN
fiI
C2
DOOR)
(DRIVER'S
I
STDEPOWER
I
I
WINDOW
MODULE
I
-
I(2DOOR)
3Y
BRN/BLU/VEL
BRN/GRV/VEL
BRN/BLK
_
BRN/BLK
BRN/BLK
"
BRN/BLU/VEL
'
r
BRNIBLU/VEL
BRNIGRY/VEL
BRN/GRV/VEL
"Br
RN
/GR
Y/YEL
PASSENGER'S
DOORLOCK
REAR
21
.2DOOR
m2000R
~DOOR
PASSENGER'S
2
2t
.
DRIVER'S
1f
~I
(
CONTi
DOOR
4
DOG
~
DRIVER'
S
]
[7
p
.
I
JAMB
SWITCH
2
DOOR
WINDOW
1`
RETRACTHIODNLE
LEFTl,
F
~
PASSENGER'S
JAMB
REARWINDOW
SWITCH
GO
ORA
N
DOORO
CONTACT
CONTACTdDOOR
I
It
T
1
SWITCH
1
2DOOR
~IDOORHANG
LE
~"
(gD
.
OOR
RIGHT__/
)
~`LJ
CONTACT
'DOOR
1
2
DOOR
REARI
z
SWITCH
2
DOOR
i
I
I
I
/
BRN/ORG
l
MOTOR
Page 711 of 759

ELE-228
ELECTRICAL
WIRING
DIAGRAMS
82987
1
WHT/GRN
POSTNSIG
I
2
W)
-
POSTN
SIG
I
LKSIGTRUNK
LID
I
33
W
~
HTIGRN/YEL
CRASHSIG
I
7
B
}
RN/BLK
WHT/REDCENTRAL
PRRESTSIG
1
3
I
LKSIGDRIVERS
DOOR
I
14
W
LKSIGPASSENGERS
DOOR
I
15
WY
LKSIGTRUNKLID
I
16
WHT/BLU
CERNTRALLOCK
SIG
i
19
W~
H~TIRED
CONN
13253
TRUNK
LID
SIG
(CONV)
I
)4
GRNIWHT/YEL
.Co
REIS(4DOOR)
I7CONN13254
I
I
;DI
AD
9
WHT/YEL
I
I
DIAG
11
WHT/VID
I
II
DRIVEAWAVPROTECT
I
18
WHT/VIGOR
BLK/GRN
I
PWRSUPPLV
I
18
RED/GRN
CONN10182
BO
YELECTRONICS
CONTROL
MODULE(ZKEIV)
15
WHT/YEL
DATA
LINK
CONNECTOR
DRI
VERSDOOR
LOCK
SWITCH
-L
-TIRED
4
REDIGRN
C
PA
.
SENGERSDO
.R
LOOKSWITCH
GRN/WHT/YEL
PWRLKSIG
I
1
E}
lK
VOLT
SUPPLY
I
22
6LUIGRY
VOLTSUPPLV
I
4
RE
D
/BL=
99
W
LOCK
SIG
I
GWRSUPPLV
I
j
GND
ID
RED/GRN/YEL
AUTOINTLTSIG
I
1511
VBR
N~
I
CONN13252
I
RED/GRN
CONVERTIBLE
TOP
STORAGE
LID
STORAGE
INTERIORLIGHTS
SYSTEM
SRN
.
BRN
I
G312
BRN/BLK
INERTIA
SWITCH
BRN
"
BRN
~
I,
G203
HOT
AT
ALL
TIMES
HOT
AT
ALLTIMES
FUSE
FUSE
1PRONTPOWER
I
F35
F7
DISTRIBUTION
BOX
L
2
--
55
-_J
la
l
14
RED/GRN/
RE./
YEL
GRN
Power
Door
Locks
1994-97
Except
318ti
(FROM
L
L
LOCKING
SWITCHATE
PRODUCTION
1995)
rr~
WHT/
VIO
ON-BOARD
COMPUTER
MENMEN
I
-
,SUPPLEMENTAL
RESTRAINT
SYSTEMCONTROLMODULE
I
I
_I
W
HT
ELK
2
BLU/GRY
1
WHT/GRN
A
WHTIBLK
5
FEWER
6
WHT
3
BLK
2
BLU/GRY
1
WHT/GRN
4
WHT/BLK
5
RED/GRN
6
B
LK
2
WHT
3
BLUIGRY
1
RED/GRN
1
WHT/GRN/YEL
3
WHT/BLU
2
WHT
1
GRN/WHTIYEL
6
WHT/GRN/YEL
4
DRIVERSDOOR
LOCK
MOTOR
PASSENGERSDOOR
LOCKMOTOR
LEFT
REAR
DOOR
LOCK
MOTOR
RIGHTREARDOOR
LOCK
MOTOR
TRUNK
LID
RELAY
(CONVERTIBLE
ONLY)
BLU/GRY
GLOVE
BOX
LOCK
MOTOR
WHT
BLU/GRY
GAS
FILLER
LOCK
MOTOR
WHT
Page 712 of 759

MODULE
(ZKE
IV)
15
WHT/YEL
DATALINK~20
WHT/VIO
-
"
CONNECTOR-
----
-
104536
RED/GRN
DRI
V
ERS
D00R
LOCKSWITCH
WHT/RED
RED/GRNN
PASSENGERSDOOR
LOCKSWITCH
GRNIWHTIYEL
INTERIORLIGHT
VIO/BLK
~-
SYSTEM
`HED/BLK
CONVERTIBLETOPSTORAGE
LIDMIC
ROSWITCH
HOT
AT
ALLTIMES
HOT
AT
ALL
TIMES
FUSE
FUSE
-
1
FRONT
POWER
I
F35
F7
I
DISTRIBUTION
BOX
L
6-__________-_
5_J
RED/GRN/'
RED/
WHT
3
YEL
I
GRN
ELECTRICAL
WIRING
DIAGRAMS
ELE-229
Power
Door
Locks
1998
Except
318ti
_
"
111111
11~
11-
I
AUTOINTLTSIG
I
ONG
1.
X13262
PASSENGERS
DOOR
I
POSTNSIG
I
1
WHT/GRN
LOCK
MOTOR
I
POSTNSIO
I%2
WHTIBRN/YEL
\
I
I
LKSIGTRUNKLID
I
3
WHT/GRN/YEL
I
I
CRASH
SIG
I
7
BRN/BLK
I
I
CENTRALAPHESTSIG
I
13
WHT/REO
WHT
3
LKSIGDRIVERSDOOR
I
14
WHTIBLK
1
i1
LKSIGPASSENGERS
DOOR
I
15
WHT/GRY
LKSIGTRUNKLID
I
j
IS
WHT/BLU
BLU/GRY
1
M
CERNTRALLOCKEIG
~%
1D
REDIGRN/YEL
I
X
ta2ca
TRUNK
LID
SIG
(CONVI
I
44
GR
L
/WHT/YEL
.DO
RSIG(4DOOR)
I
X
73s64
I
B
W~
HT/YBL
CIA
.
I
11
WHT/VIO
DIAG
I~
DRIVEAWAYPROTECT
I
15
BL16
RPWRBUPPL
EDIGHN
Y
I
^
BODY
ELECTRONICS
CONTROL
IlIGHTHEARD
OR
FN
LOCK
MOTOR
I
1
G203
CENTRAL
ELECTRONIC
SUPPLEMENTAL
LOCKING
IN
MOBILIZER
RESTRAINTSYSTEM
SWITCH
CONTROLMODULECONTROLMODULE
BLK
2
BLU/GRY
1
WHT/GRN
4
WHT/BLK
5
RED/GRN
B
WHT
BLK
2
WHT
3
BLU/GRY
1
BLK
GLOVEBOXLOCKMOTOR
BLU/GRY
BL
.
GAB
FILLER
LOCKMOTOR
BLU/GRY
RED/GRN
1
WHT/GRN/YEL
3
WHT/BLU
2;
~
WHT
1
WHT
5
RED/GRN
2
GRNIWHTIYEL
6
WHTIGRN/YEL
4
DRIVERS
.
OORLOCKMOTOR
LEFTREARDOOR
LOCKMOTOR
EXCONVCONY
TRUNKLOCKMOTOR
WHT
B
34
'
TRUNK
LID
RELAY
I
I
I
(CONVERTIBLE
ONLY)
Page 713 of 759

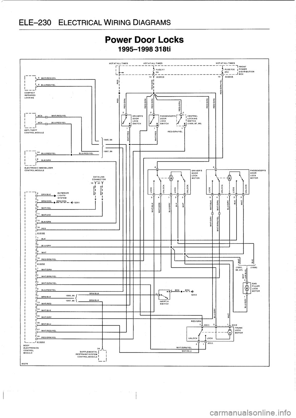
ELE-230
ELECTRICAL
WIRING
DIAGRAMS
ELECTRONIC
IMMOBILIZER
CONTROLMODULE
L
--I
BODY
ELECTRONICS
CONTROL
MODULE
83276
i~2
GRV/BLK
EXTERIOR
3I
3I
I
LIGHTS
I
SYSTEM
6
BRN/ORSBRN/ORS
I
"
----
"
OIPG201
I9
WHTIVEL
I
I~~
11
WHT/VIO
I16
B
I
LK/SRN
BLU/GRY
9WHT
19R
ED/SRN/YEL
X13252
I11
WHT/SRN
I
I2
WHT/BRN/YEL
I
3
WH
O
T/SRN/VEL
I14
BLUIEED/YEL
I
I7
BRNI.L
K
1996'96
I
1997
.90
I~
3
WHT/RED
I
II14
WHT/BLK
I
II
I
16
WHT/GRV
I
II
I1fi
WHT/BLU
I
I
I
I
7
WH
I
119
REOZ
/SRN/VEL
DATA
LINK
CONNECTOR
16
29
y
wIoI
I
e
O
341,
SUPPLEMENTAL
I
I
RESTRAINTSVSTEM
CONTROLMODULEI
I
I
Power
Door
Locks
1995-1998
318ti
HOTATALLTIMESHOTATALLTIMES
HOTATALLTIMES
rr
-_-_---~
I
---~~~~~~-----------_
-_-,FRONT
I
FUSEF7
FllEFll
POWER
5A
25A
DISTRIBUTION
L
______-_____________
-
-
___
JBox
I
14
i
(X39D3
.a
"
z
lnnln
wl
QI
DRIVER'S
PASSENGER'S
r
I
CENTRAL
DOOR
DOOR
LOCKING
LOCK
I
LOCK
I
J
I
SWITCHSWITCH
SWITCH
II
-
J]
(199fi,97,98)
1Y
6
1
4
REDIGRN/YEL
I
3I
(1995,
(1990)96,97)
3z~
GAS
FILLER
1
BRN
RN
LOCK
B
-
"
---
C
II,
MOTOR
BRN/BLK
2
G203
1
BRN/BLK
INERTIA
SWITCH
X
311
Page 714 of 759
30
q---
t
INTERIOR
LIGHTS
SYSTEM
92BB
.
T
a
T
X97_44
1
G202
ELECTRICAL
WIRING
DIAGRAMS
ELE-231
Power
Windows
1992
318is
&
325is
HOT
AT
ALL
TIMES
HOT
AT
ALL
TIMES
r-
1FRONTPOWER
I
FUSEF14
I
DISTRIBUTION
BOX
I
30A
30
I
L--------------_-_-_-_________-
---J
A
Y
W
X1B2Z4
T
.
TX
9748
B
1
X
sTn<
XB
T4o
DRIVER'SSIDE
POWER
WINDOW
MODULE
DRIVER'S
PASSENGER'S
POWER
POWER
WINDOW
WINDOW
SWITCH
SWITCH
VIO/YELVIO/YEL
I
(RELAY
I
-
0Y
By
BRN/BLU/YEL
INTERIORLIGHTS
SYSTEM
PASSENGER'S
INSCRLUSTER_
I
SRN/GRY/YEL
.
BRN/GRYlYEL
4
I
I
SIDE
SYSTEM
1
I
I
I
POWER
BRN/BLU/YEL
I
I
WINDOW
MODULE
J
J
CENTRAL
LOCKING
MODULE
'~/
DRIVER'S
PASSENGER'S
TIJAMB
B
WINDOW
'S
~DOOR
ANDLEWI
DOW
RETRACT
ION
~SWDOOR
BCH
SIR'S
11111
'
GER'S
~DOOR
SWITCH
DLETION
Y'l
CONTACT
CONTACT
SWITCH
1
SWITCH
BRN
B
RN
Page 716 of 759
HO7A7AlL71ME5
HOTATALLTIMES
r
--
68544
i
*---AAA
POWER
AUTOMATIC
CUTOUT
O
PASSENGER'S
WINDOWMOTOR
V
1
G3D2
B
r
COMFDRT~
VIOIYEL
(IRELAY
I
ELECTRICAL
WIRING
DIAGRAMS
ELE-233
Power
Windows
1992-93
318i
&
325i
COMFORT
RELAY
mI
gANCONTROL
G202
CENTRAL
LOCKING
MODULE
I--1TOPS
SYSTEM
REDIBRN
%
\
REDIBRN
I
G302
REDIBIBIRN
R
m
PASSENGER'S
POWER
WINDOW
w3
SWITCH
03
5
LEFT
RIGHT
REAR
3
REARDOOR
1
DOOR
CHILD
POWER
PROTECTION
POWER
WINDOW
w
;op
Ho
p
WINDOWCONTROL
SWITCH
OO
O
(CONSOLE)
SWITCH
(CONSOLE)
33
(CONSOLE)
,T
2
LEFTREAR
WINDOW
SWITCH
LEFT
REAR
WINDOWMOTOR
REDIBRN
I
FRONTPOWER
FUSE
F33
I
DISTRIBUTION
BOX
BAN
RIGHT
REAR
WINDOW
SWITCH
RIGHT
REAR
WINDOW
MOTOR
M
1
G302
O
O
r
DRIVER'S
SIDE
POWER
WINDOW
MODULE
DRIVER'S
POWERWINDOW
SWITCH
Page 718 of 759

I
---
i
I
Ii1
BLK/RED
I
I
2
BLU/GRN
I
I
3
BLK/YEL
I
I
4
BLU/RED
I
I
5
WHT/YEL
I
I
8
BRN
I
I
9
BLK/GRY
I
I
10
BLU/YEL
I
I
11
BLK/RED
I
I
12
GRN/RED
I
I
13
WHT/RED
I
I
1
}---
I-
--I
RELAY
MODULE
BRN
03
62909
BLUIYEL
BILK/RED
WHT/REDGRN/RED
BLK/RED
BLK/YEL
BLK/RED
WHT/GRNWHT/GRN
WHT/YEL
BLK/GRY
BLU/GRN
BLU/YEL
WHT/YEL
HOTATALLTMES
FUSE
-
1
FRONT
POWER
I
F19
IDISTRIBUTION
BOX
G2
J
.
G302
16RE
O/
V10
ELECTRICAL
WIRING
DIAGRAMS
ELE-235
Power
Windows
1994-97
Except
318ti
(2
of
2)
CENTRALPOWESWINDOW
SWITCH
(CONVERTIBLE
ONLY)
GRN)
YEL)
R
L
EDI
W
YEL
CONVERTIBLE
''
4DOOR
LEFT
RIGHT
REAR
REARWINDOW
WINDOWMOTOR
I
S
)MOTOR
GRY/RED
6
BLU/GRN
OFF
BLK/V
L4
{
OPEN
W0071
AUTOOPEN
I
SPIN
BLK/RED
4
SRN
-5
GRY/RED
6
GROUND
+
SRN
AUTOCLOSE
CLOS
CLOSE
W
DO
AUTOOPE
LEFT
REARDOOR
(CONSOLE)
POWER
WINDOW
SWITCH
(4
DOOR)
LEFT
REAR
POWER
WINDOW
SWITCH
(CONVERTIBLE)
OFF
"
.--
1
EN
WDO
I
AUTOOPEN
"
I
RIGHT
REARDOOR
(CONSOLE)
POWER
WINDOW
SWITCH
(4
DOOR)RIGHT
REAR
POWER
WINDOW
SWITCH
(CONVERTIBLE)
CLOSE
OFF
OPEN
T
I
AUTOOPEN
AUTOOPEN
LEFTREARDOOR
(DOOR)
POWER
WINDOW
SWITCH
(4
DOOR
ONLY)
WHT/YEL
3
CLOSE
"
OFF
OPEN
I
WIT/GIN
AUTOOPEN
I
RIGHT
REARDOOR
(DOOR)
POWERWINDOW
SWITCH
(4
DOOR
ONLY)
Page 721 of 759
ELE-238
ELECTRICAL
WIRING
DIAGRAMS
$2951
I
,I
I
12BLK/GRN
I
-
~
CONN10162
I
}
e
REDIBLU
h13
BLKIWHT
I
IJ
16
YEL/GRN
CONN13252
ISO
Y
ELECTRONICS
CONTROL
MODULE
(ZKE
IV)
BRNIGRY/YEL
BRN/BLU/YE
VIO/WHT
I)
7
BLK/WHT
II
CONN13254
I
HOTATALLTIMES
DRIVERS
POWER
WINDOWMOTOR
PASSENGERS
POWER
WINDOWMOTOR
1FRONT
POWER
I
_
_
I
DISTRIBUTION
BOX
(STARTER
FUSE
I
I
3
DA
I
qM
q§i
O
t
G302
Power
Windows
1995-96
318ti
INT*IOR
INT~IOR
LIGHTS
LIGHTS
SYSTEM
SYSTEM
DRIVERS
POWERWINDOW
SWITCH
J
PASSENGERS
DRIVERS
DOOR
DOOR
JAMBJAMB
SWITCH
SWITCH
¢1
¢1
PASSENGERS
POWERWINDOW
SWITCH