Page 685 of 759

ELE-202
ELECTRICAL
WIRING
DIAGRAMS
8314
1
(2
.
.OF)
S
l
.
m
3
(2DOOR)
Ply
(2
DOOR)
7
I
(2
DOOR)
5
I
(2
DOOR)
6
r
IIII
m
3
3
F
WIOCHECKCONTROL
MODULE
I-
W/O
CHECK
CONTROLMODULE
4
T
I
(2
DOOR)
TL
BLUIVEL
Exterior
Lights
1994-96
Except
318ti
(Canada)
(3
of
3)
HOT
IN
ACCV,
RUN
AND
START
HOT
IN
RUN
AND
START
I
FUSE
------------__---_-------------{FUS
DISTRIBUTION46
26
BOX
32
X
10016
12
X14DIZ
>u
~
3~
1
BRAKE
LIGHT
SWITCH
-
WI
CHECK
CONTROLMODULE
RI
HT
TRU
In~unN'--I
--1
RIGHT
GK
I
BRAKE
BACK
I
LIGHT
I
LIGHT
UP
ASSEMBLY
I
L,
CH,
~
m
B
Y
(2
DOOR)
3
2
2
U
ZT
(2
DOOR)
9
(2
DOOR)
7)(2
DOOR)
6~
l
.,
m
4TT
(2
DOOR)
¢I
2,1,
I
AUTOMATIC
I
-
TRANSMISSION
I
P
I
gAN
..
1
0312
B~
X
1074
I
q
I
SWITCH
._-
._---------
_-
.
.
..
.-------
CHECK
2
I(
CONTROL
ND3
-
I
I
MODULE
I
-
----
I
1
I
I
BLU/VEL
I
W/CHECK
CONTROL
MODULE
(2000R)
41
-
(2000)A)
2l
.
BLU(
I
VEL
WIOCHECK
CONTROL
MODULE
'7`
I
LEFT
1.
F
-
1
-
1
HIGH
1
X7426
TRUNK
SEA
L
I
(CHIME
LEFT
LEFT
I
LIGHT
MODU
K
I
ASSEMBLY
T
BRAKE
BAC
LIGHT
I(
LE
LIGHT
__
LIGHT
I
~
LEFT
I
TRUNK
LEFT
LEFT
I
LIGHT
I
BRAKE
BACK
(ASSEMBLY
I
LIGHT
UP
I
LIGHT
I
"
4~PIT
ONLY
REVERSING
LIGHT
SWITCH
Page 686 of 759

LEFT
FRONT
AUXILIARY
TURN
LIGHT
BRN
(2
DOOR)
25
I
l
I
4(2
DOOR)
1
I
LEFT
LEFT
FRONT
FRONT
I
LIGHT
TURN
(ASSEMBLY
--
M=
J
ELECTRICAL
WIRING
DIAGRAMS
ELE-203
Exterior
Lights
1994-96
(USA)
&
1997Except
318ti
(1
of
3)
LEFT
I
LEFTREAR
ITRUNK
LIGHT
TURN
(ASSEMBLY
LAM=
J
HOT
AT
ALL
TIMES
HOT
IN
RUN
AND
START
I
FUSE
F34
I
~
16A
I
RED/ELK/YEL
(FRONT
FUSE
(ROWER
F23
DISTRIBUTIONBA
(BOX
TURN
(COMBINATION
SWITCH
LEFT
RIGHT
SIGNAL
II
SWITCH
II
I
I
!__
_
_____J
I
I
X191B282
I
1
G202
HAZARD
FLASHER
BRNI.LK/YE
L
1
RELAY
BLU/GRN/YEL
2
W/OCRASHCONTROLMODULE
BLUIBRN
ANTI-THEFT
SYSTEM
(ANTI-THEFT
CONTROLMODULE)
3<
i
BODY
CONTROL
MODULE
WICRASH
I
CONTROLMODULE
BLU/GRN
4(l
INTERIOR
~
/'
LIGHTS
j
of
SYSTEM
WHTIBL
1
/YEL
B
RED
D/BL
K/YEL
6
BR
A
I
!T/
T=RN
(ASSEMBLY
I
LAM-J
B
m
RIGHT
FRONT
AUXILIARY
4I
Xlfi
X16
.
I
¢
I
14~
I
TURN
LIGHT
RIGHTRIGHT
FRONT
I
FRONT
ILIGH7
BLUIBRN
~
I
TURN
(ASSEMBLY
X17
(2
DOOR)
_BJ
.---
I
LAM=
J
RIGHT
(RIGHT-
-y--TRUNK
m
W
l
.l
G312
G111
(2
DOOR)
¢~
CRASH
CONTROL
MODULE
Page 689 of 759
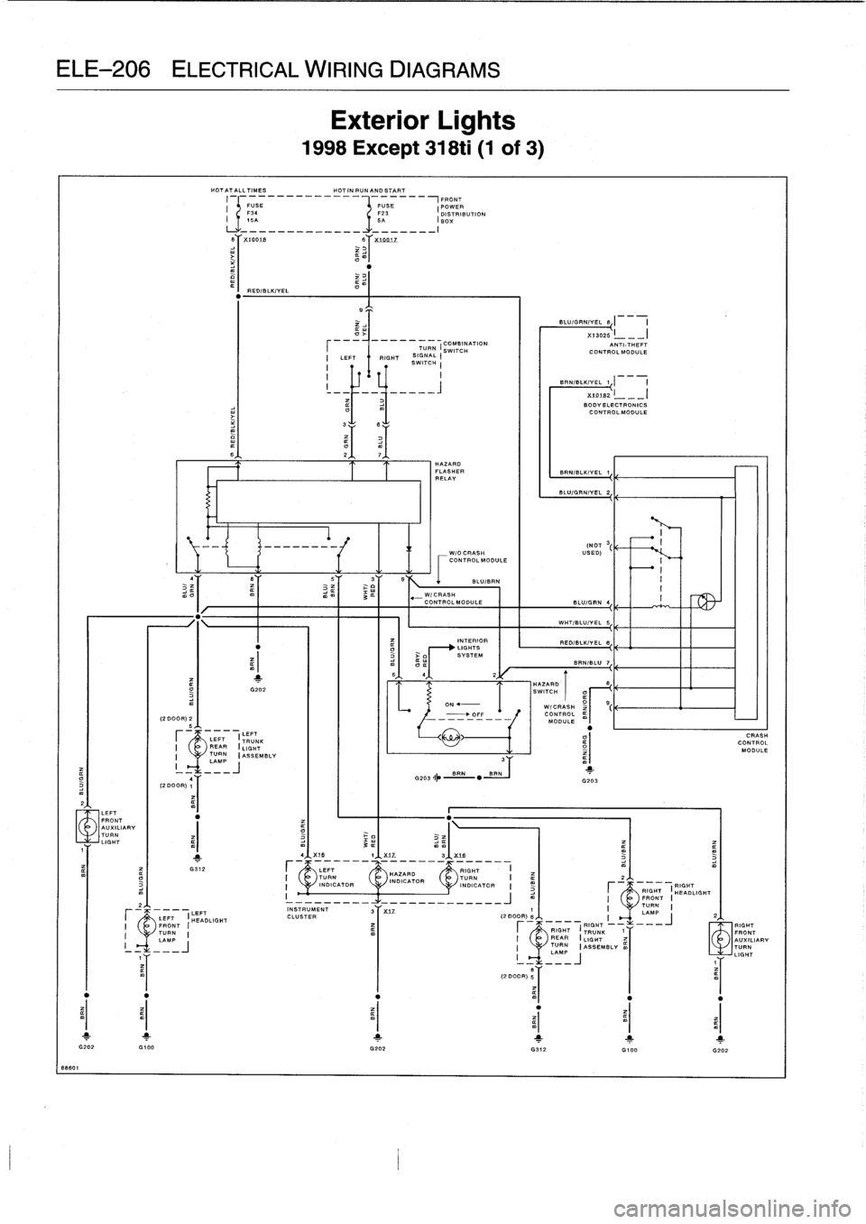
ELE-206
ELECTRICAL
WIRING
DIAGRAMS
86601
t_
1
G202
G100
I
FUSE
F3C
15A
¢
I
RED/BLK/VEL
Exterior
Lights
1998
Except
318ti
(1
of
3)
HOTATALLTIMES
HOT
IN
RUNAND
START
Ly
___________-----
_-____I
FRONT
FUSE
'POWER
F23
DISTRIBUTION5A
BOX
!_______
____________J_
-------------
UMENT
3T=
1
CLUSTER
(,DOOR)
8
(NOT
7
W/OCRASH
USED)
CONTROLMODULE
BLU/BRN
.W/CRASH
CONTROLMODULE
BLU/GRN
6
1
G203
I
RIGHT
RIGHT
I
HEACLIGHT
FRONT
TURN
I
LAMP
2
RIGHT
-
-
-
-~
RIGHTRIGHT
TRUNK
1
FRONT
I
REAR
LIGHT
~TURNIARv
TURN
IASSEMBLV
m
TURNLAMP
LIGHT
(2
DOOR)
5T
a
i
-
.
i
G202
G012
G100
G202
8Y
X100AS
a
m
T
X
1Dniz
CRASH
CONTROL
MODULE
Page 691 of 759

ELE-208
ELECTRICAL
WIRING
DIAGRAMS
88603
4
(2DOOR)
1
HOTINACCV,PUNANDSTART
HOTINRUNANDSTART
r
-5E---_--__-------------
._____-___--------
FUSE
FRONTPOWER
26
I
DISTRIBUTION
BOX
IoA
I
Lk___--_______-____-_-_________-_-_-_-__---
X
tDD1e
12
X1oDu
>
all
of
1
2
323,
8~
17
3181
328.M3
15~
2
10
~--
1
CONTROL
.
T
I
_
__
_
_I
I
I
!
ON-BOARD
I
I
2,1,
I
I
!I
I
I
COMPUTER
I
AUTOMATIC
RANGE
6M168ION
i
-I
.I
I
-I
-I
I
P
~1
(
ABSCONTROL
BLIP
-
CONTROL
CRUISE
TRA
I
NSMISSION
I
R
I
SWITCHODULEI
HVDRAULICUNIT
MODULE
MODULE
CONTROLMODULE
i
N
D
S"2
~-
WICHECK
CONTROL
MODULEm
.
________9~X1074
(CHECK
CONTROL
(MODULE
!
I
'
S,
~,
4YX
[
1075
.
Exterior
Lights
1998
Except
318ti
(3
of
3)
BLUIYEL
WICHECKCONTROLMODULE
REVERSING
LIGHT
SWITCH
(2DOOR)
221
(2DOOR)
21
-
0
AITONLY
'
(EXCEPT
1998)
'F
RIGHT
BLUIYEL
WIOCHECK
RIGHT
RIGHT
l
7RUNN
`
CONTROL
I
BRAKE
BACK
(LIGHT
MODULE
-
!
LIGHT
UP
(ASSEMBLY
I
-,
.HT
(2
D
OR)
7
(2
DOOR)
5
(2
DOOR)
8
(2
DOOR)
5~
2
T
Q
88,{,
7A,
LEFT
HIGH
TRUNK
LEVEL
1
X1476
LEFT
LEFT
LIGHT
STOP
_
BRAKE
BACK
ASSEMBLY
LIGHT
(
!CHIME
LIGHT
UP
MODULE
LIGHT
Q
I
I
(EXCEPT
1998)
(2DOOR)
2~
(2DOOR)
7I
(2DOOR)
6I
(2DOOR)
5
(2DOOR)
1~
__--
2
LEFT
-
RIGHT
TRUNK
(
TRUNK
!
LEFT
LEFT(LIGHT
I
RIGHT
RIGHT
(LIGHT
I
BRAKE
BACK
:ASSEMBLY
I
BRAKE
~
BACK
(ASSEMBLY
I
LIGHT
UP
I!
LIGHT
UP
:
!
LIGHT-
!
LIGH=~
---_--_----
-_-
4
Y
y
II
(2
DOOR)
1
------
(2
DOOR)
¢1
1
G312
Page 692 of 759
LAMP
I
___J
HOT
AT
ALL
TIMES
HOT
IN
RUNAND
START
I
_
-
I
FUSE
F34
I
1BA
_____
-
X
1DD1n
O
fi
m
l
X
]DD17
Y
RED/BLK/VEL
v
1
G202
I
LEFT
LEFT
TRUNK
I
REAR
(LIGHT
I
TURN
IASSEMBLV
ELECTRICAL
WIRING
DIAGRAMS
ELE-209
Exterior
Lights
1995-98
318ti
(1
of
2)
BLU/G
RN/VEL
S
I
I
r7
>
-
--
(
COMBINATION
XL3DZB
I
-
I
WITCH
--
I
LEFT
RIGHT
S
I
ANTI-THEFT
I
I
CONTROLMODULE
I
I
I
-
-
-
BRNIBLKIVEL
t,l
FRONT
FUSE
(ROWER
F23
DISTRIBUTION
SA
IBOx
3
I
h
BRN"
BRN
G2
1
0'
1
BODVELECTRONICS
CONTROLMODULE
G201
CRASH
CONTROL
MODULE
Page 694 of 759
60633
HOT
IN
RUNAND
START
HOTATALLTIMES
USE
I
ERONT
FUSE
POWER
GRNIVEL
I
RED/BLU
"
GRN/VEL
RUNNING
LIGHTS
GRN/VEL
I
RED/BLU
I
RED/BLU
I
CODING
DIODE
L`YJ
4~I'
e~
11~
Y11-101N
/
YEL/GR
LIGHT
I
SWITCH
VEL/GRN
6
I
I
I
RIGHTPAPK
I
LIGHT/LICENSE
I
HEAD
~
I
I
PLPTELIGHT
I
I
I
----
--
I
RELAY
PARK
~~
-1
I
_
__-_---_-_
____
1
B
I
F22
F37
I
DISTRIBUTIONBA
10A
BOX
GRVIRED
I
GRYIRED
I
GRV/RED
I
GRVIRED
I
GRV/REO
I
GRV/REO
I
GRVIRED
I
GRVIRED
BRN
RE.
CANADA
T
1
BRN
t
GRV/BLK
GRV/SLK
I
WIPER/
I
I
I
"
WASHER
GRY/SLK
MODULE
I
I
TRANSMISSION
POSITION
INDICATOR
LIGHT
Interior
Lights/Illumination
1992-93
(1
of2)
U
.S
.A
.
CANADA
DAYTIME
GRV/BLK
ELECTRICAL
WIRING
DIAGRAMS
ELE-211
FRONT
22
~
I
I
5
I
I
EAR_~
CIGAR
FRONT
HEATER
I
HEATER
~
ASHTRAY
I
Io
(
LIGHTER
I
k
(
ASHTRAY
I
I
h
\
I
SWITCH
I
(
SWITCH
SRN
j
G2D3
SRN
UNDER
HOOP
LIGHT
UNDER
HOOD
LIGHT
SWITCH
j
G263
GRY/RED
I
I
IHKR
CONTROL
I
--
I
PANEL
11
1
X
txtse
EXTERIOR
LIGHTS
SYSTEM
Page 695 of 759

ELE-212
ELECTRICAL
WIRING
DIAGRAMS
68836
HOTATALLTIMES
HOT
INACCY,RUNANDSTART
HOT
INACCY,RUNANDSTART
FUSE
USE10A
5A
1A
FUSE
I
POWER
F33
F43
F44
I
DISTRIBUTION
I
------------------------------------
-----------------
B
--I
Box
6
26
28
RED/WHT
I
VIO/WHT
I
VIO/WHT
RED/WHT
RED/WHT
I
RE./
.HT
I
REO/WHT
VIO/WHT
VIO/WHT
VIO/WHT
2
2
3
®
EAR
MAKEUP
LIGHT
AR7MEN7
®
N6HRIOR
®
LIGHTIOR
®
LIGHT
RGER'S
1~
I
'
1T
1
t
BRNIRED
I
BRNIRED
I
3
BAN
VIO/WHT
DRIVER'S
"
BRNIRED
"
MIRROR
LIGHT
LIGHT
BAN/WHT
BRNIRED
I
BRN/RED
I
I
BRN/WHT
ANTI-
_
_
..
_
.
..
.
_
THEFT
SYSTEM
BRN/WHT
INTERIOR
READING
LIGHTS
LIGHTS
CAPACITOR
(1993)
TRUNK
BRN/WHT/VEL
LIGHT
SWITCH
BRN/GRY/YEL
DRIVER'S
DOORJAMB
SWITCH
Interior
Lights/Illumination
1992-93
(2
of
2)
11
X]3914
BAN
BAN
GIVE
OFF
SWITCH
S
WITCH
SWITCH
MAKEUP
AKEUP
FRONTDOME
LIGHT/
MAPREADING
ASSEMBLY
1
BAN
SAN
BAN
BAN
I
1
G203
CENTRAL
----------
ACTIVATION
DOOR
-------------------------------
I
LOCKING
(DRIVER'S
OFINTERIOR
I
MODULE
R
PASSENGER'S
--
-
-
-
-
-
REAR
-
LIGHTS
(OPEN
DOOROPEN
DOOROPEN
BRNIGRV/YEL~
BRN/BLU/VEL
X13933
BRNIBLK
1
X'3014
INSTRUMENT
BRN/GAY/VEL
I
BRN/GRV/VEL
ANTI-
I
BRN/BLUIYEL
ANTI-
CLUSTER
,
THEFT
",
THEFT
SYSTEM
I
SYSTEM
I
SYSTEM
BRN/GRV/VEL
I
BRNIBLU/VEL
(2
DOOR)
(2
DOOR)
BRN/BLU/YEL
2t
SYSTEM
SYSTEM
PASSENGER'S
DOORJAMB
SWITCH
BAN
I
BAN
I
j
G312
(4
DOOR)
1
G310
(4000R)
G203
(2
DOOR)
G203
(2
DOOR)
ANTI-
BRN/BLK
I
THEFT
~-
SYSTEM
I
BRN/GRV/VEL
POWER
I
BRN/BLUIYEL
POWER"
WINDOWS
"
WINDOWS
VIO/WHT/VEL
BRN/BLK
/
BAN/BL
RIGHT
REAR
DOOR
JAMB
SWITCH
LEFT
REAR
DOOR
JAMB
SWITCH
Page 696 of 759

BLU/GRN
I
GRV/RED
8421
2
EXTERIOR
LIGHTS
SYSTEM
(TURN/HAZARD
LIGHTS)
GRN/VEL
GRN/YEL
I
RED/BLU
"
GRN/VEL
I
RED/BLU
B~
17
I
LIGHT
___________
__-SWITCH
I
I
6
I
i
I
~~
I
RIGHTPARK
H
j
f
<
5
LIGHT/LICENSE
--
-
I
PLATELIGHT
I
EAD
OFF
!
!
-
-
_
!
I
PARK
I
RELAY
__________
.
I
I__~______
BR
HOT
IN
RUNAND
START
HOTATALLTIMES
FRONTFUSE
BE
I
POWER
F22
F37
I
DISTRIBUTION
6A
10A
I
BOX
7
BR
TTT
GRV/BLK'
1
5
`(
/
T
GRV/BLK
I
T
BRNr
NI
"
SAN
WIPER/
WA
!
BRN
WASHER
GRV/BLK
MODULE!
I
1
G203
(CANADA)
121
GRV/BLK
GRV/BLK
GRV/BLK
!
GRV/BLK
GRV/BLK
I
GRYIBLK
I
GRY/BLK
I
16
14
2
SPIN
2A,
CASSETTE
BOX
LIGHT
J1
G202
Interior
Lights/Illumination
1994-97
Convertible
(1
of
2)
4
2
BRN
I
GRV/RED
FRONT
CIGAR
LIGHTER
y
LIGHT
2t
REAR
'/
FRONT
ASHTRAY
I'
ASHTRAY
LIGHT
t
l
LIGHT
ELECTRICAL
WIRING
DIAGRAMS
ELE-213
U.S.A
.
CANADA
DAYTIMERUNNING
LIGHTS
CODING
DIODE
RED/BLU
DIMMER
4
YEL16
N~
YEL/GRN
EXTERIOR
"
LIGHTS
SYSTEM
I
I
CLIMATE
TED
I
!
CONT
CHEROL
I
I
EL
O
ECTRONICS
I
I
REGULATION
I
(
MODULE
I
(
CONTROLCONTROL
OOUE
L
I_I
I_I
(ZKE
I
IVE
M
UNDERHOOD
LIGHT
I
IHKR
CONTROL
2
Y
I
-
I
PANEL
.FN
I
11X19
164
UNDER
HOOD
LIGHT
SWITCH
J
I_
13
`I
//''
X18126
GRVIRED
I
GRV/RED
!!
!
I
BRN
`
~
'
=
I
I
Y
SABC
I/
'
~
SPACIAL
'''~~~```
CENTRALISWITDH
I
S
I
I/94
POWER
I
(E
X
1s94)
!
SWITCH
!
!
WIND
"
OW
GRY/RED
I
GRV/RED
5
BAN!
SPIN
"
1
I
BRN!
!
G302
I
gsz
.lss4)
I
I5WITCH
(2
DOOR
.
I
I
IE%
.1994)
SRI,6
/.
.t
B
6
}
'
'
RNf
BRN!
3302
I1
3-
--
___-_
t
____f____
._*
._____-______
~
GRV/RED
I
GRV/RED
/
GRV/RED
I
GRYIRED
I
GRV/RED
I
GRY/RED
I
GRY/RED
GRV/RED
/
GRV/RED
GRV/RED
GRV/RED
GRV/REO
B
1
B
RIGHT
B~
LEFT
LEFT
(
SEAT
I
j
(
SEAT
EX1994
I
/~%'\
I
gEAR
.~
f
REAR
(HEATER
I
l
HEATER
&1995
-
jIWINDOW
I
I
!SWITCH
I
SWITCH
!
'SWITCH
I
-
1SUNROOF
I
!CONTROL
I
!ASSEMBLY
L
_I