
ELE-90
ELECTRICAL
WIRING
DIAGRAMS
HOTINRUN
HOT
AT
HOT
IN
ACCY,
AND7SIlTART
ALLTI-I-,
MES
START~A
.
NORUN
I
FUSE
USE
+
FUSE,
FRONTPOWER
I
/
F26
')
33
/
F46
I
DISTRIBUTION
BOX
,3
I
4~
~6
BRN/ORG
,6
l
~7
BLK/VIOIYEL
,10
'11
l
'12
I
,13)14,15
J
1
16
REDIWHT
OBD
II
CONNECTOR
ENGINECONTROL
MODULE
(DME)
318
323,
328,
M3
I
88
WHTlVIO(ORWHT/VIO/YEL
I
I
67
WHTIYEL
I
I
40
BLK
I
I
~60
WHT/GRN(ORGRNIBLV
I
__
TRANSMISSION
CONTROL
MODULE
(EGS)
I
I
1
11
WHT/VIO
I
I~
9
WHT/YEL
BODY
ELECTRONICS
CONTROL
MODULE
(ZKEIV)
104718
BRN/ORG
"
BFNN
+G202
"
~I
"
G203
WHTIVICIYEL
Data
Link
Connector
1998
Except
318ti
Y2Y
-X--T
B
S
1011
1
Y
3
1
Y
5116Y7118Y
1'20
DATA
LINK
CONNECTOR
CRUISECONTROL
CONVERTIBLE
TOP
MODULE
CONTROLMODULE
820
OHMS
L-1L-1
HOTATALLTIMES
r
-
16IJUMPSTART
I
I
I
JUNCTION
POINT
LJ
SUPPLEMENTAL
ROLLOVER
ABSCONTROL
RESTRAINT
SYSTEM
SENSOR
MODULE/
CONTROLMODULE
HYDRAULICUNIT
ib
G103
BLU
I
GENERATOR
TELEPHONECONNECTOR
WHTIVIO
5
,
I
I
WHTIYEL
I
I
__I
ON-B
CARDCOMPUTERMODULE
B
LI
WHT
T/GFN
15
I
I
WHTwHTIV~~
I
WHTIYEL111
~I
I
INSTRUMENT
CLUSTER
WHT/VIO
2
,
I
I
1
---l
ELECTRONIC
IM
MOB'IZER
CONTROL
MODULE
(EWS11)
323
.328
.
M3
318
WHT
T/V~l
I
WHTIYEL
B
I
SLIP
CONTROL
MODULE
WHT/VIO
26
,I
I
AUTOMATIC
CLIMATE
CONTROLMOD
.LE

ELE-96
ELECTRICAL
WIRING
DIAGRAMS
DATA
LINK
CONNECTOR
WHT/1110
COMPUTER
DATA
~~
LINES
SYSTEM
W
H
7VEL
~~
1
6
GRV/B
RN
EGS
WARNING
LP
I~
I_
_
__
HT
S
1K
FUELCONSUMPTION
21
W
INSTRUMENTCLUSTER
X16
BRN
-
1
VIO
SHIFT
LK
SOL
VEL/BLU
BRN
AUTOMODE
SIG
~,3
4
BR
1
N/GRV
G123
4-
IG
TIMING
IN
T
VALVE1
LIGHTS
BLU/RED
DR
ORG
5
NCA
I
SYSTEM
S-FROG
IND
7
YELIGRN
"
VEL/GRN
22
SOLENOID
VALVE2
GR
NOT
RNGSIGL3
9
BLU/WHT
-XK
USED)
GRN
6
I
NCA
TIM
EASSIG(FL)
WH7/BLK
I
B
-PROGIND
((NOT
10
YEL/BLU
A
"
VEL/BLU
23
I
PRESSURE
FL
PMPFLY
CTRL
11
ELK
%69
USED)
I
REGULATOR
M-PROGIND
12
YELIWHT
RED
9
NCAT%DDATA
LK
13
WHTIVIO
GRY
1
NCA
14
BLK
Do
TPUT
BPD
(-I
I
BAND
5BRNIGRV
BRNIGRY
KSWTESTSIG
"
I
I
SOLENOID
SW
1
I
BRN/I
110
2
NCA
)176
CLR
GRY'
OILTEMPSIG
8
BRAKE
I
I
TOROUE
S
PDSENSSHD
16
NCA
r
LIGHT
I
CONVERTER
~
(ITCH
I
C
LUTON
19
BR
N
GND
I
I
I
I
SOLENOID
OUTPUTSPD(+)
20V
EL
T
y1
I
-
ZJ
I
I
VALVE
P/COOMPON
1BLK/BLU~-
-
BLU
7
NCA
22
ELK
BR
`N
8
NOA
OILTPSIG(+)
BRN
I
3
BLUIBLK
I
OIL
GRRNGSIGLI
"
TEMPERATURE
4
I
BRNI
RxDDATALK
~6WHT/VEL
1
BLK
3I
NCA
S
ENSOR
6
BRN/BLK
G200
-
I
CLR
4
NCAGR
RNG
SIG
L2
1
,27
I
xIiS21
SPEED
1
I
~~
NCASENSOR
BATTERY
VOLT
B
RED
YE
L
1
FAULTINDBIG
9GRV/B
RN
-v
BLK
2
NLA
0
GRV/VEL
3
ICK-DO
W
N
SIG
1
VEL/WH7
"511
TRANSMISSION
WHT/
BLK
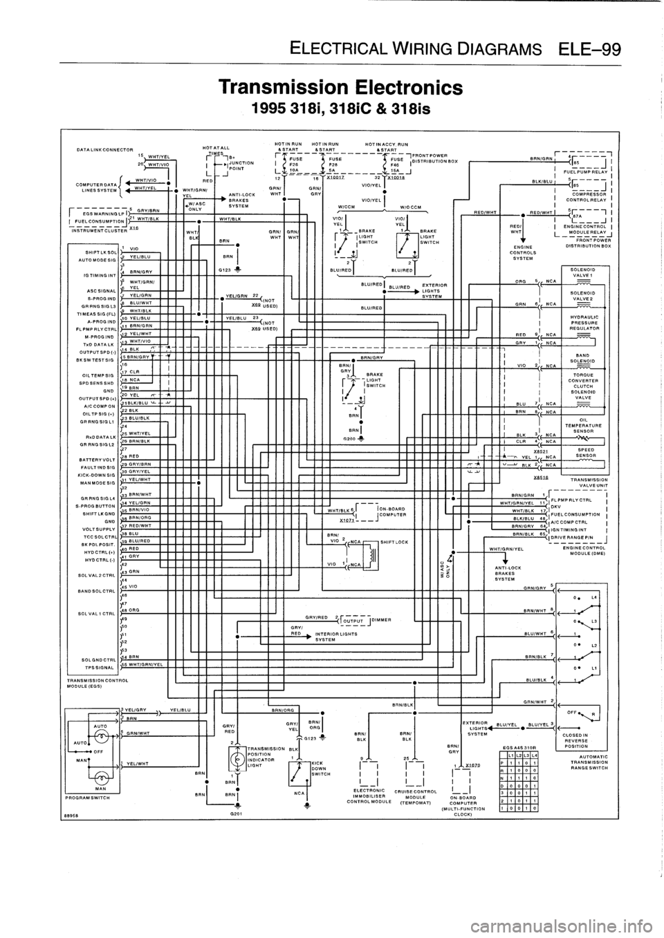
Transmission
Electronics
1992
3181,
318is,
3251
&
325is
HOTATALL
TIMES
r
_JFRONTPOWER
r_
__
__
_1
_,
B+
FUBE
FUSE
FUSE
DISTRIBUTION
BOX
'
JUNCTION
I
F26
F28
F48
I
L
L
161L
--
121l
16-J
RED/WHT
RED
"
RED/WHT
"
167q
3z
xi
.DOiB
{L
_CON7R
__
J
I
6
xiDD-tz
WHT
I
ENGINEOL
I
VIO/VEL
I
MODULERELAY
I
GRN/
OR
./
SYSTEM
RED
I
WHT
GRYI
"
ENGINE
I
I
"
~
CONTROLS
I
I
YSTEM
{5
___J
I
HOTINRUN
HOT
IN
SUN
HOT
IN
ACCV,RUN
&START
&51ART
&START
K
MAN
MODESIG
"
VALVE
UNIT
~
J
32
3BR
.IW
.T
BLK
74
GO
RNG
BIGL4f
ION-BOARD
FLPT
MPRLYCTRL
S-PROGBUTTON
4
VEL/GRN
5BRN/VID
WHT/BLK6'
ION-BOARD
B
W
RN/HT/
OB
R
L
G
K
1117IDKV
I
SHIFTLKGND
COMPUTER
FUELCONSUMPTION
GND
68RNIOMG
X1D
Zt
I
__J
"
--
BLKIBL
U
48
VOLTSUPPLV
OMPCTRL
I
37
RED/WHT
BRN/GRV
64
I
TCCSOLCTRL
6BLU
2
BR
IDRNVERANGEP/N
I
BRN/
SKPDLPOSIT
.
.
9
BLU/RED
VIO
NCA
SHIFTLOCK
II
J
HVO
CTRL
(+)
ENGINE
CONTROL
F
M
MODULE(0E)HVD
CTRL(-)
INSTRUMENT
CLUSTER
SYSTEM
0
RED
41
GRY
I
,42
VIO
1I
NCA
SOLVAL2CTRL
43
GRN
'44/45
VIO
VID/
E
~~~
1I1
..
L
BRAKE
(
LIGHT
I
(SWITCH
!
_
ZJ
2
T
EO
BLU/R
BLK/BLU
BANDSOLCTRL
,
-
'46'vi78
DR.
SOLVAL
1
CTRL
14
_
g
GRY/RED
2
r
J
(OUTPUT
DINNER
t0
GRV/51
I
RED
INTERIORLIGHTS
12
SYSTEM
Y53
SOLGNDCTRL14
SRN
TPSSIGNAL
5BRNIORG
TRANSMISSION
CONTROL
"
BLU/BLK
MODULE
LEGS)
GRNIGRY
BRN/WHT
9
0
BLU/
E
14
BRNI
I
COMPRESSOR
I
CONTROLRELAV
I
FRONTPOWER
DISTRIBUTION
BOX
SOLENOID
BRN/6LKI
GRNIWHT
2
BRNIORG
"
BRN/ORG
J~G7-
3
"
OFFGRV/VE
'I
L
RE
.'
E%LEGHOS,'
BLU/VEL
"
BLU/YEL
BRN/
SYSTEM
CLOSEDIN
GRV/VEL~(EARLV
PROD)
BLK
R
REVERSE
SMISS
BLK
(LATEPROD)
TRAN
ON
BRN/
EGSA4S310R
POSITION
I
BRN/POSITION
GRY
ELK
1
I
L1
L2
L3
L4
AUTOMATIC
INDICATOR
25
I
r
LIGHT
KICK
P
11
0
1
TRANSMISSION
DOWN
8
II
1
X1070
R
10
00
RANGESWITCH
.ONI
1
SWITCH
I
e6
I
I
I
I
I1
"
BRN
I
I
I)
I
11
0
I
-
MAN
I
"
NCA
I)
CRUISE
CONTROL
II
D
00
D
1
-
_
BRN
B
3
0011
PROGRAM
SWITCH
RNI
STARTER
RELAY
MODULE
ON-BOARD
2
1
0
1
1
1
(TEMPOMA7)
COMPUTER
(M
-A
L
ULTI-FUNCTION
100
10
88905
G201
OLOOKI

DATA
LINK
CONNECTOR
15
W~
20,
WHT/vI0
COMPUTER
DATA
LINESSVSTEM
WHTT/EEL
I/
15
-GRV/B~RN~
I~
EGS
WARNINGLPI~
I
FUEL
CONSUMPTIO~
21
W=
INTRUMENTCLUTTER
%1RBLK
BRN
1
V
GHIFTLKSOL
VE
IO
L/BLU
BRN
AUTO
MODE
SIG
4
BRN/
GRY
6723
J-
IGTIMING
INT
SOLENOID
VALVE1
BLU/REO
BLD
EXTERIOR
oRG
>s
III(III
111111
(
U/RELIGHTS
SOLE
NOIO
22
"
--
"
-
"
"""
SYSTEM
"
(NOT
I
VALVE2
GRRNGSIGL3
6
BLU/WH7
Xfi9
USED)
GRN
8
NCA
WHT/BLK
BLU/RED(
II
I
1
-~
MEAS
SIG
(FL)
A-PPOGIND
10
YEL/BLU
"
VELIBLU
23
I
HYDRAULIC
I
11
BRN/GRN
n9
(NOT
PRESSURE
FLPMPRLYCTRL
4
USED)
REGULATOR
M-PROGIND
12
VEL/WHT
RED
9
I
NCA
TKD
DATA
LK13
WHT/VIO
GRV
1
NOA
UTPUTSPO(-)
14
BLK
---
----
--
---------
--------
-
-
O
SWTESTSIG
5BRN/GRY
T
"
BRNIGRY
,
1fi
BRN/
I
VI
I
I
III
III
O
I
BAND
BK
SOLEN010
2i,
NCA
17
CLR
OILTEMPSIG
1&
NCASPDSENSSHDGND
1
0S
BRN
2
YEL
III
OUTPUT
SPD
(+)
1BLK/BLU
~-
AID
COMP
ON
22
BLK
OILTPSIG(+)
3B~2
LU/BLK
GRRNG
SIG
L14
~BW
j2
HT/VEL
RxD
DATA
LK
126
BRN/BLK
GRRNGSIGL2
~~
BATTERYVOLT
6R
/
2
ED
FAULTINDSIG
0
G
,2
FY
I
BRN
30
GEV/VEL
KICK-DOWNS
IG
MANMODESIG
I1
V
,3
/u321
~38RN/WHT
GRRNGSIGL4
S-FROG
BUTT
ON
734
VE
}
L/GRN
5
BRN/VIO
SHIFTLKGND
GND
e36
BR~
/
ORG
VOLTSUPPLY
7
R
~3
/
TCCSOLCTRL
l
&
BL
~
UB
B~
LU/RED
BK
PDL
POSIT
.
00
F~
HYD
CTRL
(+)
HVDCTRLI-)
41
G}~
'42
SOLVAL2CTRL
BANDSOLCTRL
'487
SOLVALICTRLI~
~
X49
Ipso
P
3
SOLGNDCTRL
4B/5
RN
TPSSIGNAL
I
5BRNIORG
51
/
P2
WHT/
GRY
3_,~_
_
BRAKE
TORQUE
LIGHT
CONVERTER
r
(SWITCH
CLUTCH
I
SOLENOID
I
_
~J
VALVE
BLU
7{
NCA
4
BRN
&
NCA
BFNj
OIL
TEMPERATUREBRN(
SENSOR
G200
J-
SILK
3
NCA
CLR
4
NCA
XflS21
SPEED
Y-1
NCASENSOR
BLK
2
NCA
X651fi
TRANSMISSIOI
VALVE
UNIT
"
BRNIGRN
1
r
_
-
-
-
SRN/ORG
11
IFLPMPRLVCTRL
I
WHT/BLKSf
ION-BOARD
WHT/BLK
17IDKV
I(
COMPUTER
BLKIBLU
48
I
PUELCONSUMPTION
I
A/CCOMPDT
RL
I
BRNIGRY
B4
II
~
IIGNTIMINGINT
I
BRN(
BRN/BLK
65
T
I
-(ID=IVENMODUE(DME)
VIO
NCA
SHIFTLOC
~
K
VIO
1
(0-a
II
UTPUT
GRVIREO
2
J
DIMMER
1III
rO
_
_
_
GRYT
"
RED
INTERIOR
LIGHTS
SYSTEM
Transmission
Electronics
1993-94
318i,
318iC
&
318is
HOTINRUN
HOT
IN
RUN
HOT
INADDY,
RUNHOTATALL
&START&START&START
TIMES
~-
-
_-
FRONTPOWER
r
-
[
IB+
FS
FUSE
FUSE
F2
F46
DISTRIBUTIQN00X
5
-
BRNIGRN
~
I
PU
O
NICTION
US
E
I
I
F26
8
I
--
I
LJ
L
1
__SA
1
--J
i
FUELPUMPRELAY
"
-
Y
--
-
16
X19077
32
X14416
5
BLK/BLU
I
GRN/I
GRN/
VIO/VELr
r5
--
REO
WHT
GRY
"
I
COMPRESSOR
I
"
1
VIO/VEL
I
i
CONTROLRELAYW
_
/CCM
W/OCCM
,
qED/WHT
_RED/WHT(
S
r_
-
II
VEL
VEL
_
BRAKE
BRAKE
r
(LIGHT
I
I~+
'LIGHT
.
iSWITCH
1
/
WIT(
RE
V
D
I
GYEL1
ORG
BRN(
1
"
BANr
BRNBRN(
1
ELECTRICAL
WIRING
DIAGRAMS
ELE-97
TRANS
MISSIONCONTROL
I
I
BLU/BLK
4
MODULE
(EGS)
BRN/BLK
GRNlWHT
2
VEL/BLU
BRN/ORG
OFF
R
EXTERIOR
BLU/VEL
BLU/YEL
3
LIGHTS,
"
(-~
BRN/
SYSTEM
CLOSEDIN
T
REVERSE
G123
`
BLK
TRANSMISSION
BLKk'/
BRN(
.RN/
EG
POSITION
S
A4S
310R
GRY
POSITION
1
BLK
2B
L7
L2L3
L4
AUTOMATIC
t
INDICATOR
I-
~I
KICK
t
P
11
0
1
TRANSMISSION
B
LIGHT
1
1DOWN
I
I
1
X1974
gANGESWITCHR
1
000
SWITCH
I
&B
I
I
I
I
I'
N
111
0
0
000
1
300
11
2
1
0
111a
o
1
0
I
-I
CRUISE
CONTROL
I
_I
STARTER
RELAY
MODULE
ON-BOARD
1_
(TEMPOMAT)
.
.COMPUTER
(MULTI-FUNCTION
71706
G201
CLOCK)
I
L___JI
RED/I
,I
ENGINE
CONTROL
WHT
MODULERELAY
L_
_j
VIO/j
VIOL
"
67A
-
FRONT
POWER
ENGINE
DISTRIBUTION
BOX
CONTROLS
SYSTEM

DATA
LINK
CONNECTOR
15,
VVHT/VEL
,26
RXDDATA
LK
15
W
NT/YEL
26
BR
/BLK
GR
IN
.
SIG
L2
I
i
f
7
BATTERVVOLT
~
f
~
FAULT
DSI
.X30
GRV/VEL
KICK-DOWN
SIG
MANMODESIG
1
Y;
EL/WHT
G
X3
!I
S1
RRNGSIGL4
S-PROGBUTT'
N
4YEL/GRN
GB
SHIFT
LK
GNOGN0
~BBRN/ORG
VOLTSUPPLY
2
Ri
ED/WHT
&
BLU
TCCSOLCTRL
BK
POL
POSIT
.
9
Ba
/
40
RED
HVDCTRL(a)
~-
41
GRV
HYO
CTRL
(-)
)
42
SOLVAL2CTRL
4~
X44
45
VIO
.AND
SOLVALICTRLI
~
TRANSMISSION
CONTROL
MODULE
(EGS)
PROGRAMSWITCH
88958
HOT
AT
ALL
ELECTRICAL
WIRING
DIAGRAMS
ELE-99
Transmission
Electronics
1995
3181,
3181C
&
3181s
rr~
Bt
I
'IpOIINTION
L
~J
VEL/BLU
BRN/ORG
2
HOT(NRUN
HOT
IN
RUN
HOT
INADDY
.
RUN
&
START
&START
START
1
VIC
SHIFT
LK
SOL
I
UTOMODESIG
YELIBLU
BRN
/
1
r
_
2
BRNGRV
G123
A
IGTIMINGINT
VALVE,
-IFRONTPOWER
F4BE
DISTRIBUTION
BOX
5-_5-J
----
Z32YZf1001
.8
.VNT/VI
COMPUTERDATA
~
1
WHT/
I
GRNI
I
GRN/
VIO/VEL
LINES
SYSTEM
"
WHT/GRN/
1
YEL
ANTI-LOCK
WHT
GRV
W/A50
BRAKES
"
VIO/VEL
ONLY
SYSTEM
I
W/CCM
W/DOOM
`
EGS
WARNING
IF15
GRV/BRN
21
WHT/BLK
WHT/BLK
WN
T
/I
VIO/~
VIO/~
I
PT=O~
___
__
_
~
FUELCONSUM
YEL
YEL
INSTRUMENTCLUSTER
Xlb
GRN/
OFN
1
_BRAKE
1
BRAKE
BLK
WHTWHT
r
(LIGHT
LIGHT
BRN
"
I
I
SWITCH
SWITCH
II
I
NTROLS
EN
INE
DISTRIBUTION
BOX
CO
SYSTEM
WHT1I-1
MODULERELAY
L_--__-J
FRONTPOWER
2
-
BLUIRED
BLUIREDr
SOLENOID
WHT/GRN/
O
5
BLU/REOI
EXTERIOR
RGNCA
ASCSIGNAL
VEL
"
BLU/Ep
i
LIGHTS
SOLENOID
7
VEL/GRN
VEL/GRN
22
SYSTEM
SPROGI
NO
"
-
I
VALVE2
-
(NOT
GRRNGSIGL3
&
BLU/WHT
USED,
BLU/RED
GRN
8
NCA
Xfi9
TIMEASSIG(FL)
WHT/BLK
A-PROGIND
10
YEL/BLU
"
YELIBLU
23
UE,
71
BRNIGRN
X83(NOT
I
PRESSURE
FLPMPRLVCTRL
3
USED)
I
REGULATOR
M-FROG
IND
12
YEL/WHT
RED
S
NCATx-DATALK
WHT/VIO
SPY
1~
NOA14BLK
YI
---
OUTPUTSPD(-)
I
SBRN/GRV
BK
5
W
TEST
SIG
)1B
OILTEMPSIG
1T
OLR
1B
SPOSENSSHONCA
I
19
BRNGNO
20
YEL
9l
OUTPUT
S
PD
(a)
A/CCOMPON
1DLK/BLU
~-
OILTPSIG(t)
26LK
GRRNGSIGL1
38
12
LU/BLK
BRN/GRN
r
-
85
_
J
I
FUELPUMPBELAY
I
j
BLKIBLU
-J
COMPRESSOR
I
CONTROLRELAY
I
I
I
___
I
RE-/WHTJ
.
.
-_
"
.
RED/WHT
_
5
r
I
I
`L
-_J
I
REDII
I
ENGINECONTROL
I
FN/.F'
VIO
2
NCAGRY
BRAKE
I
TORQUE
LIGHT
CONVERTER
ISWITCH
I
I
CLUTCH
I
.
I
I
SOLEN010
IJ
I
VALVE
-
W
BLU
T
NOA
4
BRNT
BRN
&
NCA
"
OIL
GRNI
I
TEMPERATURE
I
SENSOR
0200
1
BL
K
3
NCA
T
I
CLR
4'
NCA
II
SPEED
X8521
-~
VEL
A
NCA
SENSOR
T
~'
~~
BLK
2
INCA
"
xa53a
TRANSMISSION
VALVEUNIT
"
BRN/GRN
1r
-------
r
WHT/GRN/YEL
11___
I
FLPMPRLYCTRL
I
WHTIBLKGI
ION-BOARD
WHT/BLK
1TIDKV
I
COMPUTER
FUELCONSUMPTION
X3Plll
--
"
BLK/BLU
48
I
A/OCOMPCTRL
I
BRN/GRY
64I
I
BLK
BS
IIGNTIMINGINT
I
8-
DRIVE
RANGE
PIN
-
VIO
NCA
SHIFT
LOCK
2
r
WHT/GRN/
B
V
R
EL
N/
I
ENDNECONTROL
MODULE(DME)
I
VIO
1I
NCAQ
ANT
LOCK
1
l
l
13
~
I
1
I
s~srEM
0
"
B
GRV/RED
2
I~
RN/WHT
5
IIII1
I
I
OUT=U
=
JOIMMER
Ow
BLU/
Ow
X491,50
I
GRY/
51
RED
INTERIORLIGHTS
If2
SYSTEM
~P3
SOLGNOOTRL
4BRN
TPSSIGNAL
5
WHT/GRN/VEL
GRNIG
BRN/BLK
BLU/BLK
BRN/BLK
GRN/WHT
2IE
0"
R
BRN/
EXTERIOR
Y
"Y'
I
GRY/
OF
.
BRN/
BLU/VEL
BLU/VEL
3
RED
YEL
LIGHTS
(
SRN/
SYSTEM
CLOSEDIN
G123
~-
j
BLK
ELK
REVERSE
GRNI
EGSA4S310R
POSITION
TRANSMISSION
BLK
DRY
POSITION
N
ICATOR
_
_1
9
25
L1
L2
L3
L4
AUTOMATIC
KICK
P
11
0
1
TRANSMISSION
LIGHT
DOWN
I
I
I
I
_1
X]974
R
1
000
RANGESWITCH
BRN(
1
SWITCH
II
II
II
"
BRN
-I
-
I
I
I
N
111
0
"
ELECTRONIC
I
-I
D000
1
BRN
R..(
IMMOBILISER
MODULE
ON
1
=
CONTROLMODULE
(TEMPOMAT)
COMPUTER
2
1
0
11
(MULTI-FUNCTION
1
00
1
0
G201
CLOCK)

DATA
LINK
CONNECTOR
1$
,A
WHTT/VIO
COMPUTER
DATA
1~
'
LINES
SYS7EM
1
WH7/~
"
8
R1/
.
.N
r
EGSWARNINGLJ
INSTRUMENTLLUSTER
%16
1
VIO
SHIFT
LK
SOL
AUTO
MODE
SI
G
89077
~\3
IG7IMINGIN7
14
BRN/GRV
HOTATALL
TIMES
r
~
Ea
r
I
~
I
-
"
(
JUNCTION
L
L
JFOIN7
ELECTRICAL
WIRING
DIAGRAMS
ELE--101
Transmission
Electronics
1995
318ti
HOTINRUNHOTINRUN&START&START
r
FUSE
I
~
F28
L3r-
0
-__
2
I
16
FRONT
POWER
F
ELS
28
E
(DISTRIBUTION
BOX
'-_J
xLOeLz
GRN/
BEN/
RED
WHTGRV
EGSA4S310R
N
'1
003004
G201
D
0
1010
1
300
11
2
1
0
111
00
1
0
g
GRV/RED
2OUTPUT
_JDIMMER
r'`
0
GRV(
--
I
bi
:
RED
INTERIORLIGHTS
I.c2
L
SYSTEM
~N53
I
4BRN
SOLGNDCTRLI
r
-
q
-
--
BRN/GRN
h
~
85
-
I
FUELPUMPRELAV
I
I
COMPRESSOR
I
CONTROLRELAY
I
"
REOIW
TI
87A
I
-
SOLENOIDSOLENOID
VALVE1
BR
N
"
DEG
S
NCA
SPIN
I
SOLENOID
,8
GRN
B
I
NCA
VA
L
E2
GRRNGSIGL3
BLU/WHT
6723
>-
TIMEASSIG(FL)
9
WH7/BLK
A-PROG
IND
10
YEL/BLU
FLPMPPLYCTRL
11
BRN/GRN
M-PROGIND
12
YELIWNT
RED
9
I
T
.DDATALK
13
WH7/VIO
OUTPUT
SPD
()14
BLK
-fl
----
DRY
1-
BKSWTESTSIG5BRN/GRV
BRN/GRV3
(N
OT
USE
D),10
X0
77
CLR
VIO
2
I
OILTEMP
SIG
SPDSENSSHD
18
NCA
19
BRN
GND
20
YEL
T
-
I
OUTPUTBPD(r)
I
A/CCOMPON
16LK/BLU~-
.'BLU
7
44
I
2BLK
BIN
8
OIL7PSIG(a)
11
1
ELK
3
Ir
NCA
__
.
'27
XB52L
SPEED
'
BATTERYVOLT
e
RED
1
-
-~
VEL
1
NCA
SENSOR
FAULTINDSIG
9GRY/BRN
T
~~
BLK
2
NCA
30
GRV/VEL
y
KICK-DO
WN
SIG
1
I
I
1
1
I
MAN
MODESIG
1
YEL/WHT
X
32
l3
BRN/WHT
_
Ft
GRRNGSIGL4
,34
r
ON-BOARD
I
S
BRNIVIO
WHTIBLK41
COMPUTER
SNIFTLKGND
6
BRN/ORG
J(CENTER
GND
%1071
---
VOLTSUPPLY
7
RED/WHT
TLCSOLCTRL
38
BLU
_j
I
BR
BKPD
N/
-
gBLU/RED
VIO
2
NCA
SHIFT
LOCK
L
POSIT
.
HYDCTRL(a)
40
RED
4
HVDCTRL
1
GRV
(-)
~42
VIO
1
NOASOLVAL2CT
43
GRN
RL
t
%851fi
TRANSMISSION
VALVE
UNIT
BRN/ORG
11~IEL
PMPRLYCTRL
I
~WHT/BLK
.
17,
I
DKV
I
BLK%BLU
QB
IFUELCONSUMPTION
I
BRNIA/OCOMPCTRL
I
IIGNTIMINGINT
GRN/GRY
BRN/WHT
8
BRN/BLK
I
ENGINECONTROL
I
MODULERELAY
BRN
RY/I
l
O
RG
EGHOS
B
f
LU~YEL
ALTO
GRV/
YEL(
I
I
BEN
1
E%L
I
I
'
G
RED
RNIWHT
G
BLU/
/
SYSTEM
CLOSEOIN
G123R
ED
ELK
REVERSE
FRONTP0WER
DISTRIBUTION
BOX
IDRIVERANGEP/N~
-
ENGINECONTROL
MODULE
LOME)
O
~
L3
BLU/-
WHT
1-
20
WHT/VIO
SLKIBLU
-
AUTO
\'~
2,1,
T
TRANSMISSION
BLK(
HNI
BLUIVEL
BLU/VEL
PU
I
>I71UN
I
OFF
POSITION
JJJ/
...
BBLK
S
%1a
1
AUTOMATIC
M
I
D
7
26
TRANSMISSION
AN
INDICATOR
1
YEL/WHT
KICK
LIGHT
I
I
~I
(N
OT
US
ED)
I
I
RAN
GE
SWITCH
GOWNBRN
1
SWITCH
I
II
I
II
"
BRNj
MAN
"
CONTROL
CRU
OL
CHIMEMODULE
NCAPROGRAMSWITCH
BENBRN(
MODULE
MODULE
1
1
(TEMPOMAT)

ELE-112
ELECTRICAL
WIRING
DIAGRAMS
67095
YEL/VIO
BLKIGRN
CRUISE
"
CONTROL
MODULE
Cruise
Control
1992-93
HOTINRUNANDSTART
HOTINACC,RUNANDSTART
~
FRONT
-_---_---_--
.
.-----
(
.POWER
-
AUTOMATIC
I
TRANSMISSION
(RANGE
I
JR*
_
Y
I
SWITCH
14
YELIWHT
15
16
BLK/W
HT
19
BLK/BRN
20
BLU/WHT
21
BLU/GRY
22
SLU/GRN
23
2<
BLU/BLK
VIO/YEL
I
VIO/YEL
BRN/ORG
BLU/RED
W/OCCM
WICCM
1
BRAKE
LIGHT
SWITCH
1,k
BRAKE
I
LIGHT
I
I
SWITCH
Q
2
2
CRUISE
CONTROL
SWITCH
VEHICLE
I
I
SPEED
I
I
SENSORJ
`
W/EGS
""
I
W/O-
""
I
m
1
J
"
CLUTCHSWITCH
INSTRUMENT
CLUSTER
"
CHECKCONTROLMODULE
""
TRANS
ISSIONCONTROL
MODULE
YEL/VIO
CRUISE
CO
NTROLACTUATOR

63528
CRUISE
CONTROLMODULE
1
YEL/VIO
2
BLK/GRN
11
BLK/BLU
28
VIO/YEL
Cruise
Control
1994
&
1995
Early
Production
Except
318ti
HOTINRUNANDSTART
HOTINACCY,RUNANDSTART
FUSE
FUSE
,FRONTPOWER
I
F26
F46
IDISTRIBUTIONBOX
L
-
A6
-J
GRNJ
viol
GRY
Y
EL
23
24
BLU/BLK
I
AUTOMATIC
I
TRANSMISSION
~1
RANGE.
.2
.
I
SWITCH
3
I
O
ELECTRICAL
WIRING
DIAGRAMS
ELE-113
BRAKE
BRAKE
LIGHT
F
I
LIGHT
SWITCH
I
I
SWITCH
1S
16
BLKIWHT
17
BRN/ORG
18
BLU/RED
15
BLK/BRN
20
BLU/WHT
21
BLU/GRY
22
BLU/GRN
I
I
VEHICLE
I
1
I
SPEED
I
G203
I
SENSOR
IN
STRUMENTCLUSTER
VIO/YEL
W/OCCM
[
W/0
CM
CRUISE
CONTROL
SWITCH
12
3
WlEGSW/OEGS
1
14
YELIWHT
BLU/REDEXTERIORLIGHTS
SYSTEM
CLUTCHSWITCH
CRUISECONTROL
ACTUATOR

ELE-114
ELECTRICALWIRING
DIAGRAMS
Besafi
1
YELIVIO
BRN/ORG
2
(OR
BLU/BRN
BLK/GRN
6
BRN/BLK
Cruise
Control
1995
Late
Production
&
1996-97
Except
318ti
HOT
IN
RUNAND
START
HOTINACCY,RUNANDSTART
USE
FUSE
,PRONTPOWER
I
)
F28
F46
DISTRIBUTION
BOX
IRNI
viol
DRY
VEL
AUTOMATIC
'
TRANSMISSION
~1
RANGE.
~2
SWITCH
3
I
_J
Q6
2fI
I
z1
x
7
YELIBRN
8
BLK
3
9
BLU/GRV
10
SLKIWHT
IMEMIN
16
YEL/WHT
15
BLU/BRN
16
19
26
BLUIBLK
LI-A____________I-B!
J
22
23
RED/BRN
20
BLU/WHT
25
28
V10/YEL
CRUISECONTROL
L
L
I
BRN
/GRG
MODULE
G203
Q
17
WHT/VIO
COMPUTER
DATA
LINES
SYSTEM
18
BLU/GRN
1
1
BRN/ORG
O
-
g-CLUTCH
SWITCH
CRUISE
CONTROL
SWITCH
INSTRUMENT
CLUSTER
V101YEL
WW/
OCCM
W/
C
CM
BRAKE
BRAKE
LIGHT
I
LIGHT
SWITCH
I
I
SWITCH
!Jll
_
zJ
VEHICLE
ENGINE
I
SPEED
SPEED
I
SENSOR
I
TRANSMISSION
CONTROLMODULE
CRUISE
CONTROL
ACTUATOR