Page 267 of 1164

F
FUEL AND EMISSION
CONTROL SYSTEM
INDEX ...........................................
OUTLINE ...................................... ;: 2
SYSTEM DIAGRAM ...................... F-
:
VACUUM HOSE ROUTING
DIAGRAM .................................
WIRING DIAGRAM ....................... F- 6
- 7
ENGINE CONTROL UNIT (ATX) ...... F- 13
SPECIFICATIONS.. ....................... F- 15
COMPONENT DESCRIPTIONS.
...... F- 16
TROUBLESHOOTING GUIDE.. ......... F- 20
ENGINE CONTROL OPERATION
CHART
..................................... F- 20
RELATIONSHIP CHART.. .............. F- 24
USING THIS SECTION .................. F- 25
DIAGNOSTIC INDEX .................... F- 27
PRECAUTION ............................. F- 29
SYMPTOM TROUBLESHOOTING .... F- 30
ENGINE TUNE-UP
.......................... F- 76
PREPARATION ............................
F- 76
BASIC INSPECTION ..................... F- 78
ADJUSTMENT .............................
F- 79
SELF-DIAGNOSIS FUNCTION .......... F- 82
DESCRIPTION .............................
F- 82
PREPARATION
............................
F- 83
SERVISE CODE NUMBER.. ........... F- 83
SWITCH MONITOR FUNCTION ...... F-105
INTAKE AIR SYSTEM.. ................... F-109
COMPONENT PARTS.. ................. F-109
THROTTLE BODY ........................ F-l 12
DYNAMIC CHAMBER ................... F-l 12
INTAKE MANIFOLD ..................... F-l 13
ACCELERATOR PEDAL ................ F-l 14
ACCELERATOR CABLE ................ F-l 14
IDLE SPEED CONTROL (ISC)
SYSTEM ......................................
F-115
DESCRIPTION ............................. F-115
PREPARATION
............................ F-116
SYSTEM OPERATION.. ................. F-l 16
ISC VALVE ................................. F-116
AIR VALVE
................................. F-116
VARIABLE INERTIA CHARGING
SYSTEM (VICS) [DOHC] ................ F-l 17
DESCRIPTION ............................. F-117
SYSTEM OPERATION ................... F-l 18
SHUTTER VALVE ACTUATOR.. ...... F-l 18
SOLENOID VALVE (VICS). ............. F-118
VACUUM CHAMBER.. .................. F-119
FUELSYSTEM .............................. F-l 20
DESCRIPTION
............................. F-l 20
PRECAUTION ............................. F-121
SYSTEM OPERATION.. ................. F-121
FUEL TANK ................................
F-l 23
FUEL FILTER .............................. F-l 24 FUEL PUMP ............................... F-l 25
CIRCUIT OPENING RELAY.. .......... F-129
PRESSURE REGULATOR.. ............ F-129
INJECTOR .................................. F-l 31
PRESSURE REGULATOR
CONTROL SYSTEM.. .................... F-l 34
SOLENOID VALVE (PRESSURE
REGULATOR CONTROL). ............ F-l 35
EXHAUST SYSTEM ........................ F-l 36
COMPONENT PARTS.. ................. F-136
OUTLINE OF EMISSION
CONTROL SYSTEM.. .................... F-l 37
STRUCTURAL VIEW.. ................... F-l 37
POSITIVE CRANKCASE
VENTILATION (PCV) SYSTEM.. ..... F-138
DESCRIPTION .............................
F-l 38
PCV VALVE ................................ F-l 38
EVAPORATIVE EMISSION
CONTROL SYSTEM.. .................... F-l 39
DESCRIPTION ............................. F-l 39
SYSTEM OPERATION.. ................. F-140
SOLENOID VALVE
(PURGE CONTROL) ................... F-140
SEPARATOR ............................... F-l 40
CHECK VALVE (TWO-WAY) ........... F-140
CHECK-AND-CUT VALVE.. ............ F-141
CHARCOAL CANISTER.. ............... F-141
DECELERATION CONTROL
SYSTEM ...................................... F-l 42
DESCRIPTION ............................. F-l 42
DASHPOT .................................. F-142
FUEL CUT CONTROL SYSTEM ....... F-143
DESCRIPTION ............................. F-l 43
PREPARATION ............................ F-l 43
SYSTEM OPERATION.. ................. F-143
DECHOKE CONTROL SYSTEM.. ...... F-145
DESCRIPTION ............................. F-l 45
SYSTEM OPERATION ................... F-l 45
CONTROL SYSTEM ....................... F-l 47
PREPARATION ............................ F-147
STRUCTURAL VIEW.. ................... F-l 48
ENGINE CONTROL UNIT (ECU) ..... F-149
AIRFLOW METER (WITH INTAKE AIR
THERMOSENSOR) ..................... F-168
WATER THERMOSENSOR.. ........... F-168
THROTTLE SENSOR .................... F-l 69
OXYGEN SENSOR.. ..................... F-171
MAIN RELAY (FUEL INJ RELAY) .... F-172
CLUTCH SWITCH (MTX) ............... F-172
NEUTRAL SWITCH (MTX). ............. F-173
POWER STEERING PRESSURE
SWITCH .................................... F-173
WJOFX-001
Page 272 of 1164
F OUTLINE
VACUUM HOSE ROUTING DIAGRAM
CHARCOAL CANISTER
BRO,WN
SOLENOID VALVE
(PRESSURE REGULATOR
SOLENOID -VALVE
(vIcs)*2
1 .
i SOLENOl6VALVE
1 (PRESSURE REGULATOR
, CONTROL)
I I
i --------- --------I---------------_I
*1 BP
*2 DOHC
F-6 uJuut-A-uuI
Page 353 of 1164
SELF-DIAGNOSIS FUNCTlON F
I
ECU
Ne-SIGNAL
Circuit Diagram
MTX
30A MAIN RELAY
Cl IEl Ihl I ra)El A”
B/W ,, ,, B/w ,, m/W ,/ +,J@ , ““l”
\ IF \ ,,
ff W Y/L
II f
II II $4
BlLG
WIG I ___ --- -i-
((
I*
- & W/R
B
t B.
DISTRIBUTOR
ATX
r
ECU
Ne-SIGNAL
MAIN RELAY .
w-w
(FUEL INJ RELAY) w-w
WIR
23UOFX-O!
F-87
Page 355 of 1164
SELF-DIAGNOSIS FUNCTION F
I ECU
Circuit Diagram
MTX
1
G-SIGNAL
30A
MAIN RELAY
(FUEL INJ RELAY)
BIW ,, ,, lBiW ,, BIVJ,,
W/R
\ // 1,
Y/L
WIG --- s-v ---
--w v-s
SlLG
IL--;) I/ 4
DISTRIBUTOR
23UOFX-05
ATX
ECU
G-SIGNAL
MAIN RELAY
(FUEL INJ RELAY)
WIG
WIR
DISTRISUTOR
F-89
Page 357 of 1164
SELF-DIAGNOSIS FUNCTION F
Circuit Diagram
MTX
I
ECU FROM CIRCUIT-
A
p) LhmGb
L”
ZrJ \zVJ / OPENING RELAY
----___--_- -====
_--___------
I 1 IW I I il I I DIAGNOSIS CONNECTOR
WATER
THERMOSENSOR -. BILG I
LG
+/
+ II-
RIB B/BR 1 R LGlR LG I
LIW I
BlLG
I 0
0 4,
9,
I
-- --
_- -- == =z L\. $k
= = 4k $
==
E G C F D A B
+/
BILG
BIBR
L-de
,, BIBR
\ 4,
AIRFLOW METER
23UOFX-05
WATER
-S-“Ce)..r\ECL,Cr\D BILG I
+R
RIB BIER ;
0 BlLG _
4, I
I
I
-1
LG
DIAGNOSIS CONNECTOR
LGlR ”
I=
1
23UOFX-06
F-91
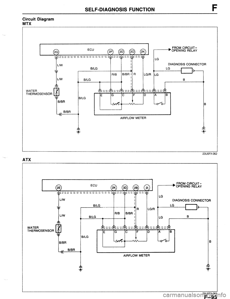
Page 359 of 1164
SELF-DIAGNOSIS FUNCTION F
Circuit Diagram
MTX
FROM CIRCUIT-
OPENING RELAY
DIAGNOSIS CONNECTOR
WATER
THERMOSENSOR
f
BlLG I
4 I,
RIB BlBR I R
LGIR LG 1,
BlLG I
I B
0
I
I
= = $k $&
==: -zz $k $h
== = = $& $>
==
E G C F D A B
1 LG
-
AIRFLOW METER
23UOFX.06:
ATX
J
>
I FROM CIRCUIT,;
#wr.r..*..n -s. .
I
ECU
em--------------
- --___ _-------- - - Ut-CNINb titLA
WATER
THERMOSENSOR L/W
I
DIAGNOSIS CONNECTOR
LG
I
1:
RIB BIER ,
0
23UOFX-06:
F-93
Page 361 of 1164
SELF-DIAGNOSIS FUNCTION F
Circuit Diagram
MTX
I
L/W I
I FROM CIRCUIT-
+ OPENING RELAY
LG
DIAGNOSIS CONNECTOR
BILG I
p,
+ ,
RIB BlBR 1 R LGIR LG
LIW
BILG
I B
, 0
a I
I
WATER /c
== //& $k $k $&
z-z 1== == = = $k
== $
THERMOSENSOR
+$ E G C F D A B
BILG
BlBR
kr%J
,, BIBR,
> 0 I
AIRFLOW METER
INTAkE AIR THERMOSENSOR
23UOFX-06:
ATX
I
ECU
WATER
THERMOSENSOR
I BIBR BlLG I
4
I R
RIB BlBR ,
0 BILG _
0 I
I
I
== p+ 9+
fT ,= JJk
==
E G C F
BILG
I
LG
DIAGNOSIS CONNECTOR
LGlR t”-cE-
AIRFLOW METER
23UOFX-06I
F-95
Page 363 of 1164
SELF-DIAGNOSIS FUNCTION F
Circuit Diagram
ATX
I
1 THROTTLE SENSOR
F-97